2019年中考物理模拟试卷--------------第一卷
物 理(80分)
一、选择题(每小题的四个选项中,只有一项符合题目要求。每小题3分,共18分)
1、央视新闻“大数据”播报让我们看到了数据的价值,同学们在初中物理学习的过程中,也遇到了许多数据。下列符合生活实际的是( )
A.人感觉舒适的气温约为45℃
B.两个鸡蛋的重力大约为1N
C.人正常行走的速度约为5m/s
D.教室内的一盏日光灯正常工作时的电流约为2A
【答案】B
【解析】
【考点定位】常见数据的估测
2、“移动式划船机”在某市青少年科技创新大赛上荣获学生创造发明一等奖。它改变了传统健身器材的局限性,如图1所示是现场的操作演示。下列分析正常的是( )

A.手柄处刻有凹凸不平的花纹是为了减小摩擦力
B.操作划船运动时,划船机运动速度越大,其惯性越大
C.静止时划船机对地板的压力和划船机受到的支持力是一对平衡力
D.用脚调整踩踏板的方向,能让划船机转向,是由于力可以改变物体的运动状态
【答案】D
【解析】
试题分析:手柄处刻有凹凸不平的花纹是通过增大接触面的粗糙程度来增大摩擦力的,故A错;惯性只与物体的质量大小有关,与运动的速度无关,故B错;划船机对地板的压力和划船机受到的支持力没有作用在同一物体上,它们不是一对平衡力,故C错;用脚调整踩踏板的方向,能让划船机转向,说明力可以改变物体的运动状态,故D正确;应选D。
【考点定位】运动和力
3、如图2所示的几种器件,依据电磁感应原理工作的是( )

A.风力发电机 B.电风扇 C.电铃 D.门吸
【答案】A
【解析】
【考点定位】电与磁
4.小何同学在“探究凸透镜成像规律”的实验中,记录并绘制了像到凸透镜的距离υ跟物体到凸透镜的距离u之间关系的图像,如图3所示,下列判断正确的是( )

A.该凸透镜的焦距是16cm
B.当u=12cm时,在光屏上能得到一个缩小的像
C.当u=20cm时,成放大的像,投影仪就是根据这一原理制成的
D.把物体从距凸透镜12cm处移动到24cm处的过程中,像逐渐变小
【答案】D
【解析】
试题分析:由图示可知,当物距为16cm时,像距也为16cm,此时物距为二倍焦距,可知焦距为8cm,故A错;当物距为12cm时,处于一倍焦距到二倍焦距之间,所成的像是倒立、放大的实像,故B错;当物距为20cm时,处于二倍焦距以外,成倒立、缩小的实像,应用是照相机,故C错;物体和像移动的方向是相同的,当物距增大时,像距会缩小,同时像也会变小,故D正确;应选D。
【考点定位】凸透镜成像
5、如图4-1所示是电阻甲和乙的I-U图像,下列说法正确的是( )

A.电阻乙为定值电阻
B.当电阻甲两端电压为2V时,R 甲=0.4Ω
C.如图4-2所示,当开关S闭合,电路电流为0.2A时,电路总电阻是15Ω
D.如图4-3所示,当开关S闭合,电源电压为2V时,电路总电流为0.4A
【答案】C
【解析】
【考点定位】欧姆定律
6、弹簧测力计下挂一长方体物体,将物体从盛有适量水的烧杯上方离水面某一高度处缓缓下降,然后将其逐渐浸入水中如图5(甲);图5(乙)是弹簧测力计求数F与物体下降高度h变化关系的图像。则下列说法中正确的是(g取10N/kg)( )

A.物体的体积是500cm3
B.物体受到的最大浮力是5N
C.物体的密度是2.25×103kg/m3
D.物体刚浸没时下表面受到水的压力是9N
【答案】C
【解析】
【考点定位】浮力的计算
二、填空题(每空1分,共18分)
7、“中国好声音”比赛现场,吉它手弹奏电吉他时不断用手指去控制琴弦长度,这样做的目的主要是为了改变声音的 ;琴声是通过 传播到现场观众耳中的。观众在听音乐时要把手机关机或把铃声调成振动,目的是为了在 减弱噪声。
【答案】音调 空气 声源处
【解析】
试题分析:控制琴弦的长度,主要是改变琴弦振动的频率,也就是为了改变声音的音调;琴声是通过空气传到人的耳朵的;把手机关机或把铃声调成振动属于在声源处减弱噪声。
【考点定位】声现象
8、电磁波家族有无线电波、红外线、可见光、紫外线等,它们都可以在真空中传播,在真空中传播时,它们的 相同(选填“频率”、“波长”或“波速”)。电台发射的某种电磁波波长为3m,其频率是 Hz。
【答案】波速 1×108
【解析】
试题分析:不同的电磁波在真空中传播的速度是相同的,都等于光速,但不同的电磁波的频率和波长是不相同的;电磁波的波速为3×108m/s,频率等于波速除以波长为1×108Hz。
【考点定位】电磁波
9、如图6所示,中国运动员李坚柔在2014年索契冬奥会短道速滑女子500米决赛中以45秒263夺得中国代表团在本届冬奥会上的首枚金牌,若以45秒计算,李坚柔完成比赛全程的平均速度为 m/s(结果保留一位小数)。滑行过程中,冰刀与冰面摩擦发热,这是通过 的方式改变了冰刀的内能。

【答案】11.1 做功
【解析】
【考点定位】平均速度;改变内能的方式
10、在综合实践活动中,小明制作了如图7所示的简易棉花糖机。取少量蔗糖置于侧壁扎有几排小孔的易拉罐内,闭合开关,电动机带动易拉罐转动,并用酒精灯对易拉罐底部进行加热。

(1)加热过程中,蔗糖颗粒变成液态糖浆,糖浆从易拉罐侧壁的小孔中被甩出后,由于具有 而继续前进,遇冷变成丝状糖絮,这时用筷子就可以收集到棉花糖。
(2)上述抽取棉花糖的整个过程中,同学们闻到了棉花糖的香味,这是 现象,蔗糖发生的物态变化有 (写出一种即可)。
(3)小明发现在操作过程中因无法改变电路中的电流大小,导致不能调节易拉罐的转速,从而影响糖浆变成糖絮的效果。请你针对电路装置提出一条可行的改进措施: 。
【答案】(1)惯性;(2)扩散;熔化(凝固);(3)在电路中串联一个滑动变阻器或把电源更换为可变电源
【解析】
【考点定位】惯性;分子动理论;欧姆定律
11、如图8所示的电路,电源电压恒定不变,闭合开关S,将滑动变阻器的滑片P自右向左移动的过程中,电压表示数将 ,电流表示数将 (均选填“变大”、“不变”或“变小”).

【答案】变大 不变【解析】
试题分析:由图示可知,灯泡与电阻是串联的,电压表测电阻右半段的电压,当闭合开关S,将滑动变阻器的滑片P自右向左移动的过程中,总电阻不变,所以总电流不变,电流表示数不变,但电压表所测部分的电阻变大了,所以电压表示数变大。
【考点定位】欧姆定律
12、如图9所示,当开关S闭合,甲、乙两表均为电压表时,两表示数之比U 甲:U 乙=3:1;当开关S断开,甲、乙两表均为电流表,两表示数之比I 甲:I 乙= ,相同时间内R 1、R 2产生的热量之比Q 1:Q 2= 。

【答案】2:3 1:2
【解析】
试题分析:当开关S闭合,甲、乙两表均为电压表时,两电阻串联,甲测总电压,乙测R 2两端的电压,由于此时两表示数之比U 甲:U 乙=3:1,所以可得出两电阻之比R 1:R 2=2:1;当开关S断开,甲、乙两表均为电流表,此时两电阻并联,电流表乙测总电流,电流表甲测通过电阻R 2的电流,根据并联电路中电流与电阻成反比可得,两表示数之比I 甲:I 乙=2:3,根据公式Q=U 2 t/R,可知相同时间内R 1、R 2产生的热量之比Q 1:Q 2=R 2:R 1=1:2。
【考点定位】欧姆定律;电热的计算
13、如图10所示是一种电热暖手宝及其主要参数,暖手宝内有水及加热元件等,选用水作为吸热或放热物质是因为水的 较大。使用前要先给暖手宝加热,假设所消耗的电能有70%转化为水的内能,则在额定电压下水由150C加热至自动断电,此过程中消耗的电能是 J,所需要的加热时间为 s。【c 水=4.2×103J(kg·0C)】

【答案】比热容 3×105 600
【解析】
【考点定位】比热容;电能的计算
三、识图、作图题(每小题3分,共9分)
14、如图11所示,在B端施加一个最小的力F B ,使杠杆平衡,请画出此力,并画出F A 的力臂。
【答案】如下图所示

【解析】
试题分析:在杠杆上施加最小力时,就是力臂最大时,最大的力臂就是支点到力的作用点的距离,由于杠杆是直棒,所以最长的力臂就是OB的距离,所以在B点的最小力应通过B点并与棒垂直,如上图所示;F A 的力臂的力臂是支点O到这个力的作用点的距离,如上图所示。
【考点定位】力和力臂的画法
15、如图12所示,A、B是镜前一个点光源S发出的光线经平面镜反射后的两条反射光线,请在图中标出点光源S和像点S′的位置。并完成反射光路图。

【答案】如下图所示

【解析】
【考点定位】平面镜成像;光路图
16、如图13所示,请将螺线管、滑动变阻器接入电路中,使开关闭合后,螺线管与条形磁铁相互排斥,且滑动变阻器滑片P向右移动时会使斥力变大。

【答案】如下图所示

【解析】
试题分析:由题意可知,开关闭合后,螺线管与条形磁铁相互排斥,可知螺线管的左端为S极,根据右手定则可知电流应从螺线管的左端流入,滑动变阻器滑片P向右移动时会使斥力变大,说明电流是变大的,电阻应是变小的,故变阻器应连入右半段,如上图所示。
【考点定位】通电螺线管;磁极间的相互作用;欧姆定律
四、探究实验题(每空1分,共17分)
17、如图14所示,在探究“光的反射定律”实验中,小红同学将一块平面镜放在水平桌面上,再把一块纸板垂直放置在平面镜上。

(1)实验时让光贴着纸板入射是为了 。
(2)如果纸板没有与平面镜垂直放置,当光贴着纸板沿AO入射时, (选填“能”或“不能”)在纸板上看到反射光。
(3)为了便于测量和研究,需要把光路记录在纸板上,你的方法是: 。
(4)为了得到反射角与入射大小关系的普遍规律,应当 。
【答案】(1)显示光路;(2)不能;(3)用笔在纸板上沿着光路将其描画下来;(4)改变入射角多次进行实验
【解析】
【考点定位】光的反射定律
18、在探究“水的沸腾”实验中:

(1)如图15所示的装置,实验中有一处错误,是 。烧杯上加盖的目的是 。
(2)改正错误后,继续实验,记录的数据如下表。分析表中数据可知,烧杯内水面上方气压 I标准大气压。
时间/min… 6 7 8 9 10 11 12 13 14 15 16
温度/0C… 92 93 94 95 96 97 98 98 98 98 98
(3)水沸腾后,烧杯上方出现大量“白气”,和“白气”的形成过程相同的是 (选填序号)。①冰②霜③雾④雪
【答案】(1)温度计的玻璃泡接触烧杯底部;缩短加热时间;(2)小于;(3)③
【解析】
【考点定位】水的沸腾
19、小亮同学利用“等效替代法”测量一粒花生米的密度,实验过程如图16所示。请在下列空格中填写适当内容:

(1)如图16甲,选择一粒饱满的花生米放入装有适量水的透明烧杯中,发现花生米下沉至杯底,则花生米完全浸没在水中下沉时所受的浮力 重力(选填“大于”、“等于”或“小于”)。
(2)如图16乙,往烧杯中逐渐加盐并充分搅拌,直至观察到花生米处于 状态,随即停止加盐。
(3)如图16丙,取出花生米,用调好的天平测出烧杯和盐水的总质量为 g。
(4)将烧杯中的盐水全部倒入量筒中,用天平测出空烧杯的质量为59g,如图16丁,用量筒测出盐水的体积为 ml。
(5)通过公式计算出盐水的密度即可知花生米的密度,本实验中花生米的密度为 kg/m3
(结果保留两位小数)。
【答案】(1)小于;(2)悬浮;(3)111;(4)50;(5)1.04×103
【解析】
【考点定位】密度的测定
20、某实验小组在探究“金属丝电阻大小与长度的关系”实验中,取一段粗细均匀的金属丝拉直连接在A、B接线柱上,在金属丝上安装一个可滑动的金属夹P。实验室还提供了下列器材:电压表、电流表、电池组(电压3V)、滑动变阻器(20Ω 2A)、刻度尺、开关和导线若干。

(1)为了测量AP段的电阻R,他们连接了如图17甲所示的电路。连接电路时,闭合开关前,应将滑动变阻器的滑片移至 端(填“左”或“右”)。
(2)该实验小组闭合开关后,小天同学观察发现电压表的读数为3V,电流表的指针几乎没有发生偏转,则电路可能出现的故障是电阻丝AP部分发生 。
(3)某次实验中测得电压表的读数为2.1V,电流表指针偏转如图17乙所示,则此时金属丝的电阻R= Ω。
(4)实验中移动金属夹P,分别测出AP段的长度l和对应的电压、电流值,并计算出对应的电阻值R,其中l和R的数据如下表:
l/cm 30 40 50 60 70 80
R/Ω 2.1 2.8 3.5 4.2 4.9 5.6
分析表中数据,可知 。
【答案】(1)右;(2)断路;(3)5;(4)当导体材料,横截面积一定时,导体的电阻跟其长度成正比
【解析】
【考点定位】影响导体电阻的因素;电路故障的判断
五、计算题(本大题共3小题,共18分。解题中要有必要的分析和说明,还要有公式及数据代入过程,结果要有数值和单位)
21、(6分)混合动力汽车具有节能、低排放等优点,成为汽车研究与开发领域的重点。某新型的电能过低时,内燃机不工作,蓄电池向车轮输送能量。当需要高速行驶或蓄电池可以给蓄电池充电。车速与所受阻力的关系如图18所示。在某次测试中,由内燃机提供能量,汽车以50km/h的速度匀速行驶了0.5h,同时蓄电池的电能增加了5.4×107J,求:

(1)汽车牵引力做的功;
(2)若所用燃料的热值是4.5×107J/kg,测试过程中消耗8kg的燃料(假设燃料完全燃烧),则放出的总热量是多少?
(3)内燃机工作时转化成电能的效率。
【答案】(1)1×108J;(2)3.6×108J;(3)15%
【解析】
试题分析:(1)根据公式v=s/t可得,汽车通过的路程为s=vt=50km/h×0.5h=25km=2.5×104m;根据图象可知,汽车速度为50km/h,所受阻力为4000N,由于汽车匀速行驶,牵引力等于阻力,汽车牵引力做的功:W 牵=Fs=4000N×2.5×104m=1×108J;(2)燃料完全燃烧放出的热量:Q=mq=8kg×4.5×107J/kg=3.6×108J;(3)内燃机转化成电能的效率:η=W 电/Q=5.4×107J/3.6×108J=15%。
【考点定位】速度的路程计算;热量的计算;效率
22、(6分)一名体重为560N、双脚与地面接触面积为0.04m2的学生站在水平地面上,用如图19所示的滑轮组,在20s内将600N的重物匀速提升1m(绳重及绳与滑轮之间的摩擦不计)。

(1)请画出滑轮组的绕线。当这名学生未提重物时,他站在地面上对地面的压强多大?
(2)若匀速提升重物的过程中,滑轮组的机械效率是75%,拉力的功率多大?
(3)若用该滑轮组将800N的重物匀速提起1m,机械效率又是多大?
【答案】(1)1.4×104Pa,连线如下图所示;(2)40W;(3)80%
【解析】

【考点定位】压力和压强;功和功率;机械效率
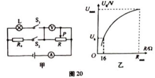
23、(6分)如图20甲所示,L上标有“6V 3W”字样,电流表量程为0~0.6A,电压表量程为0~15V,变阻器R的最大电阻为100Ω。只闭合开关S 1,滑片置于a点时,变阻器连入电路中的电阻为R 0,电流表示数为I a ;只闭合开关S 2,移动滑片P,变阻器两端电压与其连入电路的电阻关系如图19乙所示,当滑片P置于b点时,电压表示数U b =8V,电流表示数为I b 。已知R a :R 0=12:5,I a :I b =3:5(设灯丝电阻不随温度变化)。求:

(1)小灯泡的电阻;
(2)定值电阻R 0和电源电压U;
(3)只闭合开关S 1时,在电表的示数不超过量程,灯泡两端的电压不超过额定电压的情况下,电路消耗的功率范围。
【答案】(1)12Ω;(2)R 0=20Ω,U=18V;(3)4.5W~9W
【解析】
【考点定位】欧姆定律;电功率