迎战中考2022年物理二模
四川南充卷
注意事项:
1.本试卷分为试题卷和答题卷。
2.考生作答时,所有试题均须按试题顺序作在答题卡上,并按答题卡上注意事项的要求答题,在本试卷上答题无效。
3.本试卷共有5道大题,30道小题。满分100分,考试时量90分钟。
4.考试结束后,将本试卷和答题卡一并交回。
一、选择题(本大题1-10小题只有一项符合题目要求,每小题3分;11-12小题有多项符合题目要求,全部选对得4分,选对但不全的得2分,有错的得0分,共38分)
1.某班同学对生活中的一些相关物理量进行了估测,其中不符合实际的是( )。
A.人体感到最舒适的气温大约24℃ B.一只鸡的质量大约2kg
C.教室门高大约2m D.人正常步行的速度大约是5m/s
2.下列说法正确的是( )。
A.擦在皮肤上的酒精很快变干,是升华现象,需要吸热;
B.用扇子扇沾有酒精的温度计的玻璃泡,其示数将一直下降;
C.冰棍周围冒白气是汽化现象;
D.洗澡间的镜子上有水雾过一段时间又没了,发生的物态变化是先液化后汽化
3.小明在观看2018俄罗斯世界杯足球赛时,看到了足球场上一些情景。下列说法正确的是( )。
A.足球在空中飞行的过程中,只受到空气阻力的作用;
B.守门员在门前不动时,他受到的支持力和他受到的重力是一对平衡力;
C.脚踢足球使球飞出去,说明力是物体运动的原因;
D.足球在空中飞行的过程中,若它所受的力全部消失,它一定沿水平方向做匀速直线运动
4.下列有关热和能的说法中,正确的是( )。
A.发生热传递时,温度总是从高温物体传递给低温物体;
B.一块 0℃ 的冰熔化成 0℃ 的水后,温度不变,内能变大;
C.内燃机的压缩冲程,主要通过热传递增加了汽缸内物质的内能;
D.夏天在室内洒水降温,利用了水的比热容较大的性质
5.夜晚,小林在明亮房间里,通过一面窗户玻璃看到了自己的像,而在晴朗的白天却看不见。对于此现象,他作出如下分析,正确的是( )。
A.夜晚和白天,人都可以通过这面玻璃成像;
B.射向这面玻璃的光,夜晚发生镜面反射,白天发生漫反射;
C.白天,射向这面玻璃的光全部透过玻璃,没有反射;
D.白天,人通过这面玻璃成的像更小
6.关于压强,下列说法不正确的是( )
A.在气体和液体中,流速越大的位置,压强越大;
B.最早测出大气压强值得科学家是托里拆利;
C.菜刀磨得很锋利是为了增大压强;
D.拦河坝建成上窄下宽,是由于液体的压强随深度的增加而增大
7.以下各实验装置中研究通电导体在磁场中受力的是( )。
A.

B.

C.

D.

8.如图所示是“玉兔号”月球车与“嫦娥三号”着陆器分离过程中,“玉兔号”从“梯子”开上月面的情景。下列说法中不正确的是( )。
A、“梯子”实际上是一个斜面;
B、“玉兔号”从“梯子”上匀速开下时,重力势能减小,动能不变;
C、“玉兔号”从“梯子”上开下时,相对于“嫦娥三号”“玉兔号”是运动的;
D、“玉兔号”停到月球表面时其质量变小

9.如图所示的电路中,电源电压和

的阻值均保持不变,闭合开关S后,将滑动变阻器的滑片P从中点向左移动的过程中,下列说法正确的是( )。

A.电流表A1 的示数变小,电压表V的示数变小;
B.电流表A2 的示数不变,电压表V的示数不变;
C.电压表V的示数与电流表A1 的示数比值不变;
D.电路的总功率变大
10.两个底面积相同形状不同的容器A、B(GA=GB),盛有不同的液体放置在水平桌面上,现将甲、乙两个相同的物块分别放入两容器中,当两物块静止时,两容器中液面恰好相平,两物块所处的位置如图所示(忽略液体的损失),下列说法正确的是( )。

A.甲物块受到的浮力大于乙物块受到的浮力;
B.两容器底受到的液体压强相等;
C.取出两物块后,B容器底受到液体的压强大于A容器底受到液体的压强;
D.取出两物块后,B容器对桌面的压强小于A容器对桌面的压强
11.如图所示电路,R为变阻器,R0为定值电阻,电源电压为8V且恒定不变(不计温度对电阻影响)。在滑片P从最右端滑向最左端的过程中,电压表与电流表示数变化如图乙所示,则下面结论正确是( )。

A.R0阻值是5Ω;
B.电路消耗的最大总功率是12.8W;
C.电路消耗的最小总功率是0.8W;
D.变阻器最大阻值是35Ω
12.如图所示,在大小为500N的拉力F作用下,滑轮组在2s内将800N的重物匀速提升了1m,不计绳重和摩擦,则在此过程中,下列说法错误的是( )。

A.绳子自由端移动速度为0.5m/s;
B.动滑轮的重为200N;
C.滑轮组的机械效率是62.5%;
D.若用该滑轮组提升所受重力更小的物体,该装置的机械效率会提高
二、填空题(本大题共10小题,每空1分,共20分)
13.新型冠状肺炎疫情爆发后,全国人民万众一心齐抗疫。社区工作人员用喇叭在小区内*放播**疫情防护知识时,喇叭发出的声音是由物体______产生的;工作人员调节喇叭的音量大小,是为了改变声音的______(选填“音调”、“响度”或“音色”)。
14.某空瓶质量是

,装满水后总质量为
,则瓶子的容积是__________

;如果瓶中装满酒精,总质量是__________

。(

,

)
15.新建成的牛栏江引水济昆工程,是将水从海拔较低的德泽水库,引到海拔较高的盘龙江上游。每年对昆明提供5.67亿立方米的水,耗电及相关运行费用已近10亿元。所以,珍惜

水资源是每一个市民应尽的责任和义务。此工程是在德泽水库库区建泵站,将水泵入山坡高处的水池后,再自流回昆明。泵站的提水高度约220m,每秒流过水流横截面的水量是18m3。将1.8×l04kg的水提高220m,水泵对水所做的功是____J,做功的功率是____W。(g取10N/kg,ρ水=1.0×l03 kg/m3)
16.“低碳环保”是当今世界的主题,在煤、石油、太阳能中,有可能成为今后理想能源的是_________能。手机是现代最常用的通信工具,手机之间是利用________传递信息的。
17.如图所示,电源电压恒为6V,定值电阻R1 = 20Ω。闭合开关S,电流表A2 的示数为0.9A,则电流表A1 的示数为_____A,定值电阻R2 的阻值为_____Ω。

18.如图所示,电源电压不变,灯泡标有“6V 3W”字样,当开关S闭合时,灯泡正常发光,电流表示数为0.6A电阻R的电功率为______W,通电10min后R产生的热量为______J。

19.两辆汽车A、B在平直路面上运动时的s﹣t图象如图甲所示,初始时运动方向如图乙所示,由图甲可知在0~t1时间内,两车速度vA________vB(填“>”、“<”或“=”),在t2~t3时间内,若以A车为参照物,B车向________(填“东”或“西”)运动。

20.如图所示,一个木箱放在各处粗糙程度均相同的水平地面上,对木箱施加一个水平向右、大小为15N的拉力,使木箱水平向右做匀速直线运动,则此过程中木箱受到的摩擦力为 N,方向水平向 (选填“左”或“右”)。

21.我国首台自主设计研发的载人深潜器“蛟龙号”最大下潜深度可达7000m,此处海水产生的压强约为_______Pa,此时“蛟龙号”每0.5m2 外表面受到海水的压力为_______N。(海水的密度取1.0×103 kg/m3 ,g取10N/kg)
22.某款迷你电饭煲有加热和保温两档.其电路如图所示,已知R1=88Ω,R2=2112Ω.开关S置于 (选填“1”或“2”)时是保温挡,保温10min产生的热量是 J。

三、作图题(本大题共3小题,每题2分,共6分)
23.形状不规则的石块静止在水平桌面上,O为重心,请画出它所受力的示意图。

24.用笔画线表示导线,将图中的开关、电灯正确接入家庭电路中。

25.一束光从空气斜射到水面上,折射光线如图所示,请画出入射光线。

四、实验探究题(本大题共3小题,每空1分,共16分)
26.(6分)如图所示,用焦距为10cm的凸透镜,探究凸透镜的成像规律。

(1)为能清楚观察到实验现象,实验环境应_______(选填“较亮”或“较暗”)一些。
(2)组装、调整实验器材时,烛焰和光屏的中心应位于凸透镜的_______上。
(3)蜡烛距离凸透镜40cm,移动光屏,可找到一个清晰、倒立、______ (选填“放大”、“等大”或“缩小”)的实像;生活中常用的______(选填“照相机”、“投影仪”或“放大镜”)是利用此原理工作的。
(4)更换焦距为30cm的凸透镜,保持图中蜡烛和凸透镜的位置不变,在光具座上移动光屏,______ (选填“能”或“不能”)找到像清晰的位置,原因是_______。
27.(5分)在“探究压力的作用效果与哪些因素有关”的实验中,得到如图所示的作用效果:

(1)实验中是通过比较海绵的__________来比较压力作用效果。这种实验方法叫做转换法。
(2)通过比较图中的甲、乙两次实验,探究压力的作用效果与_________的关系,通过比较图中的_________和_________两次实验,探究压力的作用效果与受力面积的关系,这种实验方法叫做_________法。
28.(7分)如图所示,在研究“导体电流与电阻关系”的实验中,同学们分组利用了阻值分别为5Ω、10Ω、15Ω、20Ω的定值电阻和滑动变阻器进行了探究,滑动变阻器规格是“

1A”,电源电压4.5V并保持不变。

(1)用笔画线代替导线,将图甲中电路连接完整;
(2)其中一组同学连接电路后,闭合开关,发现电压表的示数等于电源电压,电流表的示数为0。你认为出现上述实验现象的原因是_________;
(3)排除故障后,先接入5Ω的电阻,滑片Р移到阻值最大处,闭合开关,移动滑片的同时,眼睛应注视__________(选填“电流表”或“电压表”)使其示数为某一预设值;若用10Ω电阻代替5Ω电阻接入电路,应将滑片向__________端(选填“左”或“右”)移动,这样操作的目的是___________;
(4)在继续探究中发现若用25Ω的定值电阻代替原来的电阻实验,无论怎样移动滑片都不能满足电压表示数为2.5V,要完成这组数据,更换的滑动变阻器最大阻值至少为________Ω。
五、计算题(本大题共两小题,29题9分,30题11分,共20分.要求写出必要的文字说明、主要的计算步骤和明确的答案)
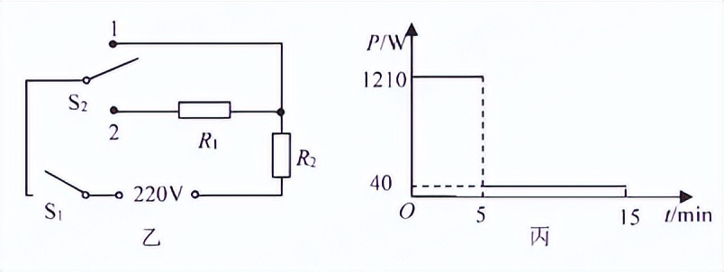
29.(9分)如图所示,图甲、图乙分别为某烧水壶的铭牌和简化电路图,R1 和R2 为发热丝,S1 为总开关,S2 为温控开关,1、2分别为开关的两个接触点,丙图为某次将满壶水加热、保温过程的总功率与时间的关系图像,已知

,

。求:
|
型号 |
|
容量 |
|
|
额定电压 |
|
额定频率 |
|
|
加热功率 |
|
保温功率 |
|
(1)这满壶水从25℃加热至100℃所吸收的热量;
(2)本次工作过程共消耗的电能;
(3)

和

的阻值。

30.(11分)图甲是建造大桥时所用的起吊装置示意图,使用电动机和滑轮组(图中未画出)将实心长方体A从江底竖直方向匀速吊起,图乙是钢缆绳对A的拉力F1随时间t变化的图象。A完全离开水面后,电动机对绳的拉力F大小为6.25×103N,滑轮组的机械效率为80%,已知A的重力为2×104N,A上升的速度始终为0.1m/s。(不计钢缆绳与滑轮间的摩擦及绳重,不考虑风浪、水流等因素的影响),求:
(1)长方体A未露出水面时受到的浮力;
(2)长方体A的密度;
(3)长方体A完全离开水面后,在上升过程中F的功率;
(4)把长方体A按图甲中的摆放方式放在岸边的水平地面上,它对地面的压强。






