2024绵阳中考二模试卷及答案 (物理二模2024试卷)

迎战中考2022年物理二模

四川绵阳卷

(本卷共23小题,考试时间:90分钟 试卷满分:100分)

注意事项:

1.本试卷分为试题卷和答题卷。

2.考生作答时,所有试题均须按试题顺序作在答题卡上,并按答题卡上注意事项的要求答题,在本试卷上答题无效。

3.本试卷共有4道大题,23道小题。满分100分,考试时量90分钟。

4.考试结束后,将本试卷和答题卡一并交回。

一、选择题(本题包括13小题,每小题3分,共39分.每个小题只有一个选项最符合题目要求)

1.小华在家学做菜,厨房里菜香四溢,这个现象说明( )。

A.分子间存在空隙 B.分子间存在引力

C.分子间存在斥力 D.分子不停地做无规则运动

2.关于声现象,下列说法中正确的是( )。

A.用大小不同的力敲击同一个编钟,发出的音色不同;

B.敲击鼓面发声,是因为鼓面正在振动;

C.道路两旁的隔音墙是在声源处减弱噪声;

D.航天员在月球上可以面对面交谈是因为真空可以传声

3.验钞机发出的“光”能使钞票上的荧光物质发光;家用电器的遥控器发出的“光”,能用来控制电风扇、电视机、空调器等电器的开启与关闭。对于它们发出的“光”,下列说法中正确的是( )。

A.验钞机和遥控器发出的“光”都是紫外线;

B.验钞机和遥控器发出的“光”都是红外线;

C.验钞机发出的“光”是紫外线,遥控器发出的“光”是红外线;

D.验钞机发出的“光”是红外线,遥控器发出的“光”是紫外线

4.有关平面镜成像,下列说法中正确的是( )。

A.从平面镜中看到了像,则一定有光线从像上发出,且射入人的眼睛;

B.平面镜中有像,则一定有光线透过平面镜;

C.平面镜里的像是反射光线的反向延长线会聚成的虚像;

D.平面镜有时成实像有时成虚像

5.下列有关安全用电的说法中正确的是( )。

A.发现有人触电后,应立即用手把触电人拉离电线;

B.家用电器或电线着火时,应该迅速用水来浇灭;

C.雷雨天,人不能在高处打伞行走;

D.家庭电路中开关应接在用电器和零线之间

6.2022年第24届冬季奥林匹克运动会将在我国举行,如图是滑雪运动员正在训练的场景,下列说法正确的是( )。

沈阳市物理二模试卷,天宏大联考2024初三二模物理试卷

A.使用雪橇滑雪是通过减小压力来减小压强的;

B.运动员加速滑行时,地面对雪橇的支持力与雪橇对地面的压力是一对相互作用力;

C.当运动员匀速直线滑行时,雪橇的重力与地面对雪橇的支持力是一对平衡力;

D.运动员冲过终点后不能立即停止滑行,是由于运动员受到惯性力的作用

7.下列实例中,改变物体内能的途径与其他三个不同的是( )。

A.用力搓手,手会发热;

B.把冰冷的手放到嘴边哈气,手会变暖;

C.用锯条锯木头,锯条温度升高;

D.用手反复弯折铁丝,铁丝弯折处会发热

8.在图所示的电路中,电源电压和灯泡电阻都保持不变,当滑动变阻器的滑片P由中点向右移动时,下列判断正确的是( )。

沈阳市物理二模试卷,天宏大联考2024初三二模物理试卷

A.电流表和电压表的示数都增大,电路总功率变大;

B.电流表和电压表的示数都减小,电路总功率变小;

C.电流表示数减小,电压表示数不变,变阻器功率变小;

D.电流表示数减小,电压表示数变大,灯泡功率变小

9.下列关于四幅图的表述正确的是( )。

A.

沈阳市物理二模试卷,天宏大联考2024初三二模物理试卷

鸽子是利用地磁场进行导航的;

B.

沈阳市物理二模试卷,天宏大联考2024初三二模物理试卷

电磁继电器的工作原理是磁场对电流的作用;

C.

沈阳市物理二模试卷,天宏大联考2024初三二模物理试卷

发电机的工作原理;

D.

沈阳市物理二模试卷,天宏大联考2024初三二模物理试卷

电动机的工作原理

10.用轻质细线把两个完全相同的小球悬挂起来,如右图所示.今对小球a施加一个水平向左的恒力F,并对小球b施加一个水平向右的恒力F,最后达到平衡.平衡后状态可能是图( )。

沈阳市物理二模试卷,天宏大联考2024初三二模物理试卷

A.

沈阳市物理二模试卷,天宏大联考2024初三二模物理试卷

B.

沈阳市物理二模试卷,天宏大联考2024初三二模物理试卷

C.

沈阳市物理二模试卷,天宏大联考2024初三二模物理试卷

D.

沈阳市物理二模试卷,天宏大联考2024初三二模物理试卷

11.将物体放在距凸透镜40cm处,在透镜另一侧距透镜30cm处的光屏上得到一个清晰的像,则此凸透镜的焦距范围是( )。

A.10cm<f<15cm B.15cm<f<20cm C.20cm<f<30cm D.30cm<f<40cm

12.如图所示,足球以初速度v沿着凹凸不平的草地从a运动到d,足球( )。

沈阳市物理二模试卷,天宏大联考2024初三二模物理试卷

A.在b、d两点动能相等;

B.在a、d两点动能相等;

C.在b点的动能大于在d点的动能;

D.从c到d的过程重力势能减少

13.如图所示的滑轮组,每个滑轮重20N,拉动绳子自由端,用这个滑轮组把质量为38kg的重物匀速提升3m,不计绳重和摩擦,g取10N/kg.下列正确的是( )。

沈阳市物理二模试卷,天宏大联考2024初三二模物理试卷

A.作用在绳自由端的拉力大小为400N;

B.该过程做的有用功为1200J;

C.该过程的机械效率为95%;

D.所挂物体超重,该滑轮组机械效率越小

二、填空题(共5小题,每空2分,满分20分)

14.在疫情防控期间,进入公共场所需要出示 “吉祥码”,扫描“吉祥码”的摄像头相当于________透镜,当摄像头远离 “吉祥码”图片时,所成像的大小会变__________。

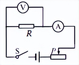
15.如图所示。电源电压不变,开关S闭合后,把滑片P向右移动.则滑动变阻器接入电路的阻值将_____,电压表示数将_____。(两空均选填“变大”、“变小”或“不变”)。

沈阳市物理二模试卷,天宏大联考2024初三二模物理试卷

16.某燃气热水器将

沈阳市物理二模试卷,天宏大联考2024初三二模物理试卷

的水从

沈阳市物理二模试卷,天宏大联考2024初三二模物理试卷

加热到

沈阳市物理二模试卷,天宏大联考2024初三二模物理试卷

,完全燃烧了

沈阳市物理二模试卷,天宏大联考2024初三二模物理试卷

的煤气。水吸收的热量是 J。热水器烧水的效率是 。(已知水的比热容为

沈阳市物理二模试卷,天宏大联考2024初三二模物理试卷

,煤气的热值为

沈阳市物理二模试卷,天宏大联考2024初三二模物理试卷

17.小明将放在水平桌面上重为3N的物理课本,水平匀速拉动0.5m.所用的水平拉力为1N,则课本重力做功  J,水平拉力做功  J。

18.一列火车长200m,以10m/s的速度匀速通过一座长为1.8km的大桥,

(1)这列火车完全通过大桥所需的时间是  ;

(2)这列火车全部在大桥上运行的时间是  。

三、实验探究题。(本题包括3小题,每空2分,共20分)

19.(6分)用图甲所示装置探究“观察水的沸腾”实验:

沈阳市物理二模试卷,天宏大联考2024初三二模物理试卷

(1)加热一段时间后,温度计的示数如图甲所示,此时烧瓶中水的温度为_______℃ ;

(2)水沸腾过程中,虽然继续加热,但水的温度_______(选填“变大”、“变小”或“不变”);

(3)图乙是a、b两个实验小组根据实验数据描绘出的水的沸腾图象,两图象不同的原因可能是_______(选填序号)。

A.酒精灯的火焰相同,a组水的质量大

B.水的质量相同,b组酒精灯的火焰小

20.(6分)小玉同学想探究“电流与电阻的关系”,实验室提供的器材有:电源(电压恒为6V),滑动变阻器规格为“20Ω 1A”,可供选择的定值电阻的阻值为10Ω、15Ω、20Ω、30Ω、40Ω和50Ω.

沈阳市物理二模试卷,天宏大联考2024初三二模物理试卷

(1)小玉根据图甲连接的实物电路如图乙所示,其中有一根导线连接是错误的,请在图乙中将这根线打上“×”,并补画出正确的连线________;

(2)电路连接正确后,先用10Ω的定值电阻进行实验,闭合开关后,移动滑动变阻器的滑片P,此时电流表的示数如图丙所示,断开开关,不更换或移动其他元件,仅将10Ω的定值电阻直接换成15Ω的定值电阻进行实验,然后再闭合开关.此时应将滑片P向_____(选填“左”或“右”)移动;

(3)小玉还想多测几组数据,但她不能选用的定值电阻的阻值为_____。

21.(8分)图甲是某学习小组“测量滑轮组的机械效率” 的示意图.用弹簧测力计竖直向上拉动绳子自由端,将重为4.5N的物体从A位置提升到A′位置,同时弹簧测力计从图中的B位置上升到B′位置,在这个过程中,弹簧测力计的示数如图乙所示.请你根据他们做的实验完成下列问题:

沈阳市物理二模试卷,天宏大联考2024初三二模物理试卷

(1)物体提升的高度是_____cm,拉力是_____N,该滑轮组的机械效率η=_____;

(2)若在图甲装置的基础上,增加一个动滑轮,改为图丙所示的装置,提升同一物体,则滑轮组的机械效率_____选填(“变大”、“变小”或“不变”)。

四、计算题。(本题包括2小题,共21分。解答过程必须写出必要的文字说明、公式和重要的演算步骤,只写最后答案的不能得分,有数值计算的题,答案中必须明确写出数值和单位)

22.(9分)小明同学家里的电热饮水机有加热和保温两种功能,可由机内温控开关S0进行自动控制.小明从说明书上收集到如表中的部分数据和如图所示的电路原理图.请解答如下问题:(计算结果若不能整除,保留一位小数)

额定电压

220V

频率

50Hz

额定加热功率

920W

(1)这个电热饮水机正常工作时,在加热状态下的总电流大约是多大?

(2)若电阻R2的阻值为1210Ω,在傍晚用电高峰期,供电电压可能会下降.当实际电压只有198V时,R2的实际功率为多大?

沈阳市物理二模试卷,天宏大联考2024初三二模物理试卷

23.(12分)底面积为100cm2 的平底圆柱形容器内装有适量的水,放置于水平桌面上。现将体积为500cm3 ,重为3N的木块A轻放入容器内的水中,静止后水面的高度为8cm,如图甲所示,若将一重为6N的物体B用细绳系于A的下方,使其恰好浸没在水中,如图乙所示(水未滥出),不计绳重及其体积,求:

(1)图甲中木块A静止时所受的浮力;

(2)图乙中物体B所受的浮力;

(3)物体B的密度;

沈阳市物理二模试卷,天宏大联考2024初三二模物理试卷