天文学家最早是在旅行者1号的影像中注意到土星北极有一个六边形图案的。
后来哈勃望远镜拍摄的土星南极区影像显示在南极并没有六边形结构的环流, 只有一个类似于北六边形中心的漩涡。
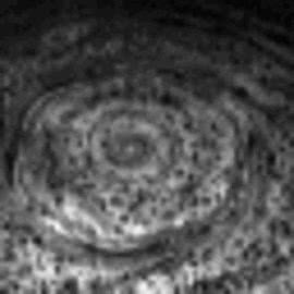
2006年卡西尼-惠更斯土星探测器飞临土星,清晰的拍摄到了土星北极这个奇特的六边形漩涡。

卡西尼号第一次传回的土星北极图像是红外波段的,因为此时土星北极位于阳光照射不到的角度,从红外图像中并不能看出有明显的六边形结构。
等卡西尼号再次拍摄土星北极时,这里已被阳光照射到,这次传回的可见光图像中可以清晰的看到这个巨大的六边形结构。

这个六边形每一边的边长大约是14500 公里,超过地球的直径长度,宽度略大于29000公里,高度达到300公里。没有发现它在经度上有收缩或扩大的现象。
六边形每10小时39分24秒随土星自转旋转一周,与土星的无线电辐射周期相同,这个时间周期被认为是土星内核的自转周期。

因为土星是一个“气体”行星,所以土星表面各处的自转周期随纬度变化而不同。
对于这个现象,目前对起源或机制还在猜测中,多数天文学家认为是大气流动中产生的某种形式的驻波。
不过丹麦科技大学的研究人员在圆柱形水桶中通过旋转出的水漩涡,产生出多种几何结构,包括三角星型、正方形、五边形和六边形形状的孔隙,形状取决于旋转速度。

这个装置类似于牛顿十七世纪研究离心力时的旋转容器。容器中旋转的水流在离心力作用下向桶壁扩散,并在中间形成一个空气孔,但它不像预期的那样呈圆形,反而随着转速的加快,从椭圆形变为三边星、正方形、五边形,并且在一定转速下形成六边形。
对此现象研究者目前还没有很好的理论来解释,他们暂时认为是高速旋转使流体产生流动不稳定而发生的现象。
牛津大学的研究者认为,当圆形液体罐旋转并带动里边的液体时,液体的转速从中心到周边存在差异,这些形状会在两层不同转速的流体之间产生湍流,观察到的几何形状就在湍流区域中形成。

完美的解答可能还需要考虑土星北极不同纬度的大气“粘度”的不同以及土星磁场的潜在影响。