普通电风扇电路
下面以图4-22所示电路为例,介绍普通电风扇电路的识图方法。

图4-22 导风机械控制式电风扇电路
1.主电动机电路
主电动机电路的核心元器件是主电动机 M1、运转电容、定时器,辅助元件是安全开关和调速开关。
(1)电动机供电电路
将电源插头插入220V插座,旋转定时器进行时间定时后,市电电压通过0.5A熔断器、安全开关、定时器、调速开关为电动机相应转速的绕组供电,电动机绕组在运转电容的配合下产生磁场,驱动转子旋转,带动扇叶转动。
(2)调速控制
调速是由调速开关和电动机共同完成的。若切换调速开关,分别接电动机的高、中、低速供电端子后,电动机就会以高速、中速、低速3种模式旋转,从而实现风速调整。
2.防跌倒保护
安全开关也叫防跌倒开关,当电风扇直立时,该开关的触点接通,电风扇可以工作;若电风扇跌倒,该开关的触点自动断开,切断供电回路,电风扇停止工作,避免了电风扇损坏,实现防跌倒保护。
3.导风电动机控制电路
导风电动机控制电路的核心元器件就是导风电动机和导风开关。按下导风开关后,市电电压为导风电动机M2供电,M2开始旋转,带动导风扇叶摆动,实现多方向送风的导风控制。
电脑控制型电风扇电路
下面以图4-23所示电路为例,介绍电脑控制型电风扇电路的识图方法。该电风扇电路由电源电路、微处理器电路、电动机供电电路等构成。

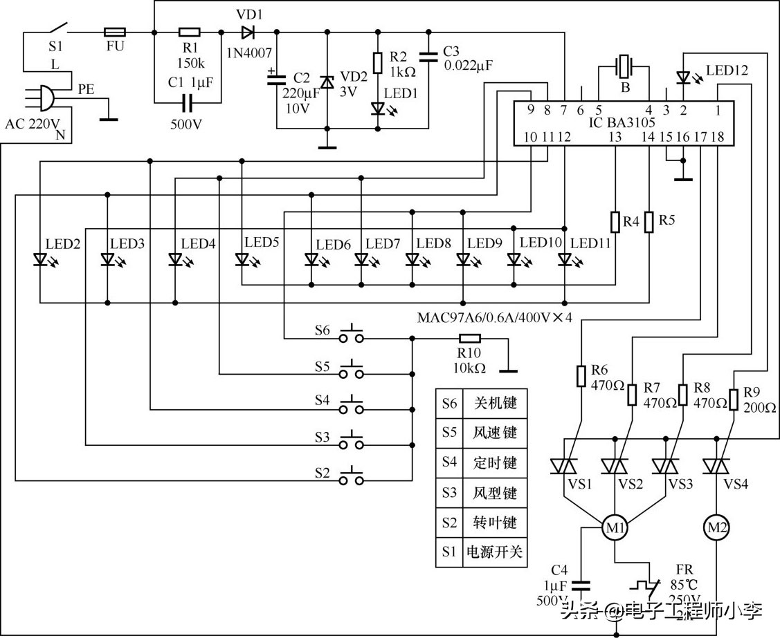
图4-23 长城KTY-30型转叶扇控制电路
1.电源电路
接通电源开关S1后,220V市电电压经熔断器FU进入电路板,一方面经双向晶闸管为电机M1和M2供电;另一方面经R1、C1降压,利用VD1半波整流,C2滤波、VD2稳压产生3V直流电压。该电压不仅通过R2限流使电源指示灯LED1发光,表明电风扇有市电电压输入,而且加到微处理器BA3105的⑦脚,为它供电。
2.微处理器电路
控制芯片BA3105得到供电后,它内部的振荡器与④、⑤脚外接的晶振B通过振荡产生32768Hz的时钟信号。该信号经分频后协调各部位的工作,并作为BA3105输出各种控制信号的基准脉冲源。
控制芯片 BA3105 的 12 脚为风型调整信号输入端。当按压面板上的风型键S3后,使BA3105的 12 脚输入风型控制信号,就可以改变电风扇的工作模式。依次按压S3键时,会控制电风扇轮流工作在正常风、自然风、睡眠风3种模式。同时,BA3105还会控制相应的风型指示灯发光,提醒用户该机工作的风型。
控制芯片BA3105的 11 脚为定时控制信号输入端。当按压面板上的定时键S4后,使BA3105的 11 脚输入定时控制信号,就可以设置定时的时间。每按压一次S4键,定时时间会递增30min。同时,BA3105还会控制相应的定时指示灯发光,提醒用户该机的定时时间。
提示
累计定时功能还受 16 脚电位的控制,只有 16 脚接地后,累计定时功能才有效。
3.转叶电机电路
该机转叶电机控制电路由控制芯片 BA3105、转叶电机 M2(采用的是同步电机)、转叶控制键S2和双向晶闸管VS4等构成。
按转叶控制键S2后,BA3105的⑨脚输入转叶控制信号,于是BA3105的②脚输出触发信号,该信号不仅使转叶指示灯 LED12 发光,表明该机的转叶电机开始工作,而且通过R9触发双向晶闸管VS4导通,为转叶电机M2供电,使转叶电机运转,实现大角度、多方向送风。
4.主电机风速调整电路
该机主电机风速调整电路由控制芯片BA3105、主电机M1(采用的是电容运行电机)和双向晶闸管VS1~VS3等构成。
按风速操作键S5后,BA3105的⑧脚输入风速调整信号,BA3105的①、 18 、 17 脚依次触发信号,使电机按弱、中、强风速循环运转,同时控制相应的指示灯发光,指示电机的当前风速。当BA3105的 17 、 18 脚没有触发信号输出,①脚输出触发信号时,双向晶闸管VS1、VS2截止,而①脚输出的触发信号通过R8触发双向晶闸管VS3导通,为主电机M1的低风速抽头供电,于是M1在运行电容C4的配合下低速运转。同理,若按S5键使BA3105的①、 18 脚没有触发信号输出,而 17 脚输出触发信号时VS1导通,为M1的高速抽头供电,于是M1在C4的配合下高速运转。而BA3105的①、 17 脚没有触发信号输出, 18 脚输出触发信号时VS2导通,M1会中速运转。
5.电机过热保护电路
主电机M1的供电回路串联了一只过热保护器FR。当M1运行电流正常时,FR为接通状态,M1正常工作。当M1因供电异常、运行电容C4异常等原因引起工作电流过大或工作温度升高,使M1的外壳温度达到85℃时,M1外壳上安装的FR过热熔断,切断M1的供电回路,M1停止工作,以免M1过热损坏。
【电子工程师资料分享圈】,一个能帮你全面提升技能、收入稳步提升的圈子!
这里不仅有关于电子工程师的专业技术资料、还有职场老兵的经验心得,是你的学习好帮手!
为什么要加入【电子工程师资料分享圈】,加入即可享受以下四大特权福利!
①圈内的资料,大部分是圈主付费购买,现在免费分享给大家;
②免费帮你*载下**百度文库任何资料,每人每天限一次机会;
③你有任何疑问,可以在圈子提出,圈主和其他圈友一起帮你解答疑惑;
④圈主具备十几年的行业经验,会在圈内不定时的分享一些自己的经验心得;
本圈属于终身会员制,现活动五折优惠,入圈只需9.9元,想加入趁现在!
(此处已添加圈子卡片,请到*今条头日**客户端查看)