555定时器能构成哪三种常用电路 (555定时器各部分作用)

555定时器是美国Signetics公司1972年研制的用于取代机械式定时器的中规模集成电路,因输入端设计有三个5kΩ的电阻而得名。此电路后来竟风靡世界。目前,流行的产品主要有4个:BJT两个:555,556(含有两个555);CMOS两个:7555,7556(含有两个7555)。

初识555定时器

555定时器是一种模拟和数字功能相结合的中规模集成器件。一般用双极型(TTL)工艺制作的称为 555,用 互补金属氧化物(CMOS )工艺制作的称为 7555,除单定时器外,还有对应的双定时器 556/7556。555 定时器的电源电压范围宽,可在 4.5V~16V 工作,7555 可在 3~18V 工作,输出驱动电流约为 200mA,因而其输出可与 TTL、CMOS 或者模拟电路电平兼容。

555 芯片是极其多用途的芯片,有着多达数百的不同应用包括时基计时或是开关以及电压控制的振荡器和调节器。

对于接触过数字电路或者模拟电路的人来说,555芯片绝对算的上是经典的。凭借着其低廉的成本和可靠的性能,广泛的被应用到各种电器上,包括仪器仪表、家用电器、电动玩具、自动控制。

555定时器实际应用电路,555定时器有开关功能吗

555定时器的引脚图

它的各个引脚功能如下:

1脚:外接电源负端VSS或接地,一般情况下接地。

2脚:低触发端TL,该脚电压小于1/3 VCC时有效。

3脚:输出端OUT。

4脚:直接清零端RST。当此端接低电平时,则时基电路不工作,此时不论TL、TH处于何电平,时基电路输出为“0”,该端正常工作时应接高电平。

5脚:CO为控制电压端。若此脚外接电压,则可改变内部两个比较器的基准电压,当该脚不用时,应将该脚串入一只0.01μF(103)瓷片电容接地,以防引入高频干扰。

6脚:高触发端TH,该脚电压大于2/3 VCC时有效。

7脚:放电端。该端与放电管T的集电极相连,用做定时器时电容的放电引脚。

8脚:外接电源VCC,双极型时基电路VCC的范围是4.5 -16V,CMOS型时基电路VCC的范围为3-18V,一般用5V。

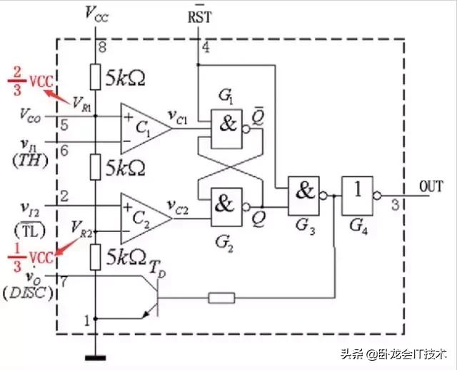
555定时器的内部结构

它内部包括两个电压比较器,三个5K等值串联电阻,一个 RS 触发器(由G1和G2构成),一个放电三极管T 及功率输出级。它提供两个基准电压VR2(1/3 VCC) 和VR1(2/3 VCC),如下图所示。

555定时器实际应用电路,555定时器有开关功能吗

555 定时器的功能主要由两个比较器决定。两个比较器的输出电压控制RS 触发器和放电管T的状态。在电源与地之间加上电压,且当5脚悬空时,则电压比较器 C1 的同相输入端的电压为2/3VCC,C2反相输入端的电压为1/3VCC。若低触发输入端 TL的电压小于1/3 VCC,则比较器C2的输出为 0,可使 RS 触发器置 1,使输出端 OUT=1,即输出高电平。如果高触发端TH的电压大于 2/3 VCC,同时 TR端的电压大于1/3 VCC,则 C1 的输出为 0,C2 的输出为 1,可将 RS 触发器置 0,使输出端OUT=0,即输出低电平。

综上所述,在8脚接电源VCC,1脚接地,5脚未外接电压的条件下,555时基电路的逻辑功能表如下:

555定时器实际应用电路,555定时器有开关功能吗

555定时器三种工作模式

1,单稳态模式

在此模式下,555功能为单次触发。应用范围包括定时器,脉冲丢失检测,反弹跳开关,轻触开关,分频器,电容测量,脉冲宽度调制(PWM)等

2,无稳态模式

在此模式下,555以振荡器的方式工作。这一工作模式下的555芯片常被用于频闪灯、脉冲发生器、逻辑电路时钟、音调发生器、脉冲位置调制(PPM)等电路中。如果使用热敏电阻作为定时电阻,555可构成温度传感器,其输出信号的频率由温度决定

3,双稳态模式

在DIS引脚空置且不外接电容的情况下,555的工作方式类似于一个RS触发器,可用于构成锁存开关

555可实现的功能

  1. 单稳态触发器(用于定时延时整形及一些定时开关中)
  2. 多谐振荡器(组成信号产生电路)
  3. 施密特触发器(用于TTL系统的接口,整形电路或脉冲鉴幅)

555常见应用及原理解析

单稳类电路

单稳工作方式,它可分为3种。见图示。

第1种(图1)是人工启动单稳,又因为定时电阻定时电容位置不同而分为2个不同的单元,并分别以1.1.1 和1.1.2为代号。他们的输入端的形式,也就是电路的结构特点是:“RT-6.2-CT”和“CT-6.2-RT”。

555定时器实际应用电路,555定时器有开关功能吗

第2种(图2)是脉冲启动型单稳,也可以分为2个不同的单元。他们的输入特点都是“RT-7.6-CT”,都是从2端输入。1.2.1电路的2端不带任何元件,具有最简单的形式;1.2.2电路则带有一个RC微分电路。

555定时器实际应用电路,555定时器有开关功能吗

第3种(图3)是压控振荡器。单稳型压控振荡器电路有很多,都比较复杂。为简单起见,我们只把它分为2个不同单元。不带任何辅助器件的电路为1.3.1;使用晶体管、运放放大器等辅助器件的电路为1.3.2。图中列出了2个常用电路。

555定时器实际应用电路,555定时器有开关功能吗

双稳类电路

这里我们将对555双稳电路工作方式进行总结、归纳。555双稳电路可分成2种。

第一种(见图1)是触发电路,有双端输入(2.1.1)和单端输入(2.1.2)2个单元。单端比较器(2.1.2)可以是6端固定,2段输入;也可是2端固定,6端输入。

555定时器实际应用电路,555定时器有开关功能吗

第2种(见图2)是施密特触发电路,有最简单形式的(2.2.1)和输入端电阻调整偏置或在控制端(5)加控制电压VCT以改变阀值电压的(2.2.2)共2个单元电路。

555定时器实际应用电路,555定时器有开关功能吗

双稳电路的输入端的输入电压端一般没有定时电阻和定时电容。这是双稳工作方式的结构特点。2.2.2单元电路中的C1只起耦合作用,R1和R2起直流偏置作用。

无稳类电路

第三类是无稳工作方式。无稳电路就是多谐振荡电路,是555电路中应用最广的一类。电路的变化形式也最多。为简单起见,也把它分为三种。

第一种(见图1)是直接反馈型,振荡电阻是连在输出端VO的。

555定时器实际应用电路,555定时器有开关功能吗

第二种(见图2)是间接反馈型,振荡电阻是连在电源VCC上的。其中第1个单元电路(3.2.1)是应用最广的。第2个单元电路(3.2.2)是方波振荡电路。第3、4个单元电路都是占空比可调的脉冲振荡电路,功能相同而电路结构略有不同,因此分别以3.2.3a 和3.2.3b的代号。

555定时器实际应用电路,555定时器有开关功能吗

第三种(见图3)是压控振荡器。由于电路变化形式很复杂,为简单起见,只分成最简单的形式(3.3.1)和带辅助器件的(3.3.2)两个单元。图中举了两个应用实例。

555定时器实际应用电路,555定时器有开关功能吗

无稳电路的输入端一般都有两个振荡电阻和一个振荡电容。只有一个振荡电阻的可以认为是特例。例如:3.1.2单元可以认为是省略RA的结果。有时会遇上7.6.2三端并联,只有一个电阻RA的无稳电路,这时可把它看成是3.2.1单元电路省掉RB后的变形。

以上归纳了555的3类8种18个单元电路,虽然它们不可能包罗所有555应用电路,古话讲:万变不离其中,相信它对我们理解大多数555电路还是很有帮助的。

实际应用电路

555触摸定时开关

集成电路IC1是一片555定时电路,在这里接成单稳态电路。平时由于触摸片P端无感应电压,电容C1通过555第7脚放电完毕,第3脚输出为低电平,继电器KS释放,电灯不亮。

555定时器实际应用电路,555定时器有开关功能吗

当需要开灯时,用手触碰一下金属片P,人体感应的杂波信号电压由C2加至555的触发端,使555的输出由低变成高电平,继电器KS吸合,电灯点亮。同时,555第7脚内部截止,电源便通过R1给C1充电,这就是定时的开始。

当电容C1上电压上升至电源电压的2/3时,555第7脚道通使C1放电,使第3脚输出由高电平变回到低电平,继电器释放,电灯熄灭,定时结束。

定时长短由R1、C1决定:T1=1.1R1*C1。按图中所标数值,定时时间约为4分钟。D1可选用1N4148或1N4001。

相片曝光定时器

附图电路是用555单稳电路制成的相片曝光定时器。用人工启动式单稳电路。

工作原理: 电源接通后,定时器进入稳态。此时定时电容CT的电压为:VCT=VCC=6V。对555这个等效触发器来讲,两个输入都是高电平,即VS=0。继电器KA不吸合,常开点是打开的,曝光照明灯HL不亮。

555定时器实际应用电路,555定时器有开关功能吗

按一下按钮开关SB之后,定时电容CT立即放到电压为零。于是此时555电路等效触发的输入成为:R=0、S=0,它的输出就成高电平:V0=1。继电器KA吸动,常开接点闭合,曝光照明灯点亮。按钮开关按一下后立即放开,于是电源电压就通过RT向电容CT充电,暂稳态开始。当电容CT上的电压升到2/3VCC既4伏时,定时时间已到,555等效电路触发器的输入为:R=1、S=1,于是输出又翻转成低电平:V0=0。继电器KA释放,曝光灯HL熄灭。暂稳态结束,有恢复到稳态。

曝光时间计算公式为:T=1.1RT*CT。本电路提供参数的延时时间约为1秒~2分钟,可由电位器RP调整和设置。

电路中的继电器必需选用吸合电流不应大于30mA的产品,并应根据负载(HL)的容量大小选择继电器触点容量。

单电源变双电源电路

附图电路中,时基电路555接成无稳态电路,3脚输出频率为20KHz、占空比为1:1的方波。3脚为高电平时,C4被充电;低电平时,C3被充电。由于VD1、VD2的存在,C3、C4在电路中只充电不放电,充电最大值为EC,将B端接地,在A、C两端就得到+/-EC的双电源。本电路输出电流超过50mA。

555定时器实际应用电路,555定时器有开关功能吗

简易催眠器

时基电路555构成一个极低频振荡器,输出一个个短的脉冲,使扬声器发出类似雨滴的声音(见附图)。扬声器采用2英寸、8欧姆小型动圈式。雨滴声的速度可以通过100K电位器来调节到合适的程度。如果在电源端增加一简单的定时开关,则可以在使用者进入梦乡后及时切断电源。

555定时器实际应用电路,555定时器有开关功能吗

直流电机调速控制电路

这是一个占空比可调的脉冲振荡器。电机M是用它的输出脉冲驱动的,脉冲占空比越大,电机电驱电流就越小,转速减慢;脉冲占空比越小,电机电驱电流就越大,转速加快。因此调节电位器RP的数值可以调整电机的速度。如电极电驱电流不大于200mA时,可用CB555直接驱动;如电流大于200mA,应增加驱动级和功放级。

555定时器实际应用电路,555定时器有开关功能吗

图中VD3是续流二极管。在功放管截止期间为电驱电流提供通路,既保证电驱电流的连续性,又防止电驱线圈的自感反电动势损坏功放管。电容C2和电阻R3是补偿网络,它可使负载呈电阻性。整个电路的脉冲频率选在3~5千赫之间。频率太低电机会抖动,太高时因占空比范围小使电机调速范围减小。

用555制作的D类放大器

我们知道D类放大器具有体积小、效率高的特点。这里介绍一个用555电路制作的简易D类放大器。它是利用555电路构成一个可控的多谐振荡器,音频信号输入到控制端得到调宽脉冲信号(如图),基本能满足一般的听音要求。

555定时器实际应用电路,555定时器有开关功能吗

由IC 555和R1、R2、C1等组成100KHz可控多谐振荡器,占空比为50%,控制端5脚输入音频信号,3脚便得到脉宽与输入信号幅值成正比的脉冲信号,经L、C3接调、滤波后推动扬声器。

风扇周波调速电路

夏天要来了,电风扇又得派上用场。这里介绍一个电风扇模拟阵风周波调速电路,可以为将我们家里的老式风扇增加一个实用功能,也算是一个迎接夏天到来的准备吧。下面介绍其工作原理。

555定时器实际应用电路,555定时器有开关功能吗

电路见图1a。电路中NE555接成占空比可调的方波发生器,调节RW可改变占空比。在NE555的3脚输出高电平期间,过零通断型光电耦合器MOC3061初级得到约10mA正向工作电流,使内部硅化镓红外线发射二极管发射红外光,将过零检测器中光敏双向开关于市电过零时导通,接通电风扇电机电源,风扇运转送风。在NE555的3脚输出低电平期间,双向开关关断,风扇停转。

MOC3061本身具有一定驱动能力,可不加功率驱动元件而直接利用MOC3061的内部双向开关来控制电风扇电机的运转。RW为占空比调节电位器,亦即电风扇单位时间内(本电路数据约为20秒)送风时间的调节,改变C2的取值或RW的取值可改变控制周期。

图1b电路为MOC3061的典型功率扩展电路,在控制功率较大的电机时,应考虑使用功率扩展电路。制作时,可参考图示参数选择器件。由于电源采用电容压降方式,请自制时注意安全,人体不能直接触摸电路板。

电热毯温控器

一般电热毯有高温、低温两档。使用时,拨在高温档,入睡后总被热醒;拨在低温档,有时醒来会觉得温度不够。这里介绍一种电热毯温控器,它可以把电热毯的温度控制在一个合适的范围。

555定时器实际应用电路,555定时器有开关功能吗

工作原理:

电路如图所示。图中IC为NE555时基电路。RP3为温控调节电位器,其滑动臂电位决定IC的触发电位V2和阀电位Vf,且V5=Vf=2Vz。220V交流电压经C1、R1限流降压,D1、D2整流、C2滤波,DW稳压后,获得9V左右的电压供IC用。室温下接通电源,因已调V2Vz,V6≥Vf时,IC翻转,3脚变为低电平,BCR截止,电热丝停止发热,温度开始逐渐下降,BG1的ICEO随之逐渐减小,V2、V6降低。当V6元件选择:

BG1可选用3AX、3AG等PNP型锗管;BCR用400V以上的小型双向可控硅,其它元件按图标选用。

制作要点:

热敏传感器BG1可用耐温的细软线引出,并将其连同管脚接头装入。一电容器铝壳内,注入导热硅脂,制成温度探头。使用时,把该温度探头放在适当部位即可。

多用途延迟开关电源插座

家用电器、照明灯等电源的开或关,常常需要在不同的时间延迟后进行,本电源插座即可满足这种不同的需要。

工作原理:电路如图所示,它由降压、整流、滤波及延时控制电路等部分组成。

555定时器实际应用电路,555定时器有开关功能吗

按下AN,12V工作电压加至延迟器上,这时NE555的②脚和⑥ 脚为高电平,则NE555的③ 脚输出为低电平,因此继电器K得电工作,触点K1-1向上吸合,这时“延关”插座得电,而“延开”插座无电。

这时电源通过电容器C3 、电位器RP、电阻器R3至“地”,对C3进行充电,随着C3上的电压升高,NE555的②、⑥脚的电压越来越往下降,当此电压下降至2/3Vcc 时,NE555的③脚输出由低电平跳变为高电平,这时继电器将失电而不工作,则其控制触点恢复原位,则“延关”插座失电,而“延开”插座得电。就这样满足了不同的需求,LED、LED2作相应的指示。

本电路只要元器件是好的,装配无误,装好即可正常工作。

延时时间由C3及PR+R3的值决定,T≈1.1C3(PR+R3)。RP指有效部分。C3可用数十pF至1000μF的电容器,(PR+R3)的值可取2K~10MΩ。

C1的耐压值应≥400V,R1的功率应≥2W,AN按钮开关可选用K-18型的,继电器的型号为JQX-13F-12V。其它元器件无特殊要求。

新颖实用的直流低压稳压电源

开关电源部分的VD1-VD4、R1、C1、C2组成整流滤波电路。NE555和R2、R3、C4、VD6等元件组成多谐振荡电路,其频率约20KHz。R4、C3、VD5组成降压稳压电路,为NE555提供12V工作电源。大功率管VT1及变压器T构成开关电路。VT1的工作状态由NE555的③脚控制,导通时间由脉冲宽度决定,调整R3即可改变脉冲宽度。脉冲宽度变宽,输出电压升高;脉冲宽度变窄,输出电压降低。VT2及R8、R9、C6组成过流保护电路。当负载过重或发生短路故障时,VT2导通,强迫NE555复位停振,从而保护VT1不致损坏。C7、R10为保护网络,防止VT1的c-e结被瞬间脉冲击穿。两个次级绕组经整流滤波后分别输出20V及12V。

为了使制作简单,开关电源设计成不能自动稳压的,其功能类似于变压器,只是实现轻型化的隔离降压作用,稳压功能由后面的稳压电路实现。12V直流电压经7805稳压后输出+5V电压;20V直流电压送至可调稳压电路。两者不共地,以便于进行加减组合输出多种电压。

几个555定时器的经典设计项目

555定时器实际应用电路,555定时器有开关功能吗

3*3*3光立方

555定时器实际应用电路,555定时器有开关功能吗

闪光器

555定时器实际应用电路,555定时器有开关功能吗

闪烁电路

555定时器实际应用电路,555定时器有开关功能吗

激光射线

555定时器实际应用电路,555定时器有开关功能吗

电子*子骰**

555定时器实际应用电路,555定时器有开关功能吗

机器枪

555定时器实际应用电路,555定时器有开关功能吗

电机脉宽调制

555定时器实际应用电路,555定时器有开关功能吗

LED闪光电路

555定时器实际应用电路,555定时器有开关功能吗

警灯

555定时器实际应用电路,555定时器有开关功能吗

模型铁路时间

555定时器实际应用电路,555定时器有开关功能吗

反应计时器

555定时器实际应用电路,555定时器有开关功能吗

轮盘赌

555定时器实际应用电路,555定时器有开关功能吗

步进电机速度控制器

555定时器实际应用电路,555定时器有开关功能吗

自行车转弯灯

555定时器实际应用电路,555定时器有开关功能吗

交通信号灯

555定时器实际应用电路,555定时器有开关功能吗

二极管测试器

555定时器实际应用电路,555定时器有开关功能吗

自动窗帘关闭