3.2.2 高层厂房,甲、乙类厂房的耐火等级不应低于二级,建筑面积不大于300m2的独立甲、乙类单层厂房可采用三级耐火等级的建筑。
3.2.3 单、多层丙类厂房和多层丁、戊类厂房的耐火等级不应低于三级。
使用或产生丙类液体的厂房和有火花、赤热表面、明火的丁类厂房,其耐火等级均不应低于二级,当为建筑面积不大于500m2的单层丙类厂房或建筑面积不大于1000m2的单层丁类厂房时,可采用三级耐火等级的建筑。
3.2.4 使用或储存特殊贵重的机器、仪表、仪器等设备或物品的建筑,其耐火等级不应低于二级。
3.2.7 高架仓库、高层仓库、甲类仓库、多层乙类仓库和储存可燃液体的多层丙类仓库,其耐火等级不应低于二级。
单层乙类仓库,单层丙类仓库,储存可燃固体的多层丙类仓库和多层丁、戊类仓库,其耐火等级不应低于三级。
3.2.9 甲、乙类厂房和甲、乙、丙类仓库内的防火墙,其耐火极限不应低于4.00h。
3.2.15 一、二级耐火等级厂房(仓库)的上人平屋顶,其屋面板的耐火极限分别不应低于1.50h和1.00h。
3.3.1 除本规范另有规定外,厂房的层数和每个防火分区的最大允许建筑面积应符合飙3.3.1的规定。
表3.3.1 厂房的层数和每个防火分区的最大允许建筑面积

注:1 防火分区之间应采用防火墙分隔。除甲类厂房外的一、二级耐火等级厂房,当其防火分区的建筑面积大于本表规定,且设置防火墙确有困难时,可采用防火卷帘或防火分隔水幕分隔。采用防火卷帘时,应符合本规范第6.5.3条的规定;采用防火分隔水幕时,应符合现行国家标准《自动喷水灭火系统设计规范》GB 50084的规定。
2 除麻纺厂房外,一级耐火等级的多层纺织厂房和二级耐火等级的单、多层纺织厂房,其每个防火分区的最大允许建筑面积可按本表的规定增加0.5倍,但厂房内的原棉开包、清花车间与厂房内其他部位之间均应采用耐火极限不低于2.50h的防火隔墙分隔,需要开设门、窗、洞口时,应设置甲级防火门、窗。
3 一、二级耐火等级的单、多层造纸生产联合厂房,其每个防火分区的最大允许建筑面积可按本表的规定增加1.5倍。一、二级耐火等级的湿式造纸联合厂房,当纸机烘缸罩内设置自动灭火系统,完成工段设置有效灭火设施保护时,其每个防火分区的最大允许建筑面积可按工艺要求确定。
4 一、二级耐火等级的谷物筒仓工作塔,当每层工作人数不超过2人时,其层数不限。
5 一、二级耐火等级卷烟生产联合厂房内的原料、备料及成组配方、制丝、储丝和卷接包、辅料周转、成品暂存、二氧化碳膨胀烟丝等生产用房应划分独立的防火分隔单元,当工艺条件许可时,应采用防火墙进行分隔。其中制丝、储丝和卷接包车间可划分为一个防火分区,且每个防火分区的最大允许建筑面积可按工艺要求确定,但制丝、储丝及卷接包车间之间应采用耐火极限不低于2.00h的防火隔墙和1.00h的楼板进行分隔。厂房内各水平和竖向防火分隔之间的开口应采取防止火灾蔓延的措施。
6 厂房内的操作平台、检修平台,当使用人数少于10人时,平台的面积可不计入所在防火分区的建筑面积内。
7 “一”表示不允许。
3.3.2除本规范另有规定外,仓库的层数和面积应符合表3.3.2的规定。

注:1 仓库内的防火分区之间必须采用防火墙分隔,甲、乙类仓库内防火分区之间的防火墙不应开设门、窗、洞口;地下或半地下仓库(包括地下或半地下室)的最大允许占地面积,不应大于相应类别地上仓库的最大允许占地面积。
2 石油库区内的桶装油品仓库应符合现行国家标准《石油库设计规范》GB 50074的规定。
3 一、二级耐火等级的煤均化库,每个防火分区的最大允许建筑面积不应大于12000m2。
4 独立建造的硝酸铵仓库、电石仓库、聚乙烯等高分子制品仓库、尿素仓库、配煤仓库、造纸厂的独立成品仓库,当建筑的耐火等级不低于二级时,每座仓库的最大允许占地面积和每个防火分区的最大允许建筑面积可按本表的规定增加1.0倍。
5 一、二级耐火等级粮食平房仓的最大允许占地面积不应大于12000m2,每个防火分区的最大允许建筑面积不应大于3000m2;三级耐火等级粮食平房仓的最大允许占地面积不应大于3000m2,每个防火分区的最大允许建筑面积不应大于1000m2。
6 一、二级耐火等级且占地面积不大于2000m2的单层棉花库房,其防火分区的最大允许建筑面积不应大于2000m2。
7 一、二级耐火等级冷库的最大允许占地面积和防火分区的最大允许建筑面积,应符合现行国家标准《冷库设计规范》GB 50072的规定。
8 “一”表示不允许。
3.3.4 甲、乙类生产场所(仓库)不应设置在地下或半地下。
3.3.5 员工宿舍严禁设置在厂房内。
办公室、休息室等不应设置在甲、乙类厂房内,确需贴邻本厂房时,其耐火等级不应低于二级,并应采用耐火极限不低于3.00h的防爆墙与厂房分隔,且应设置独立的安全出口。
办公室、休息室设置在丙类厂房内时,应采用耐火极限不低于2.50h的防火隔墙和1.00h的楼板与其他部位分隔,并应至少设置1个独立的安全出口。如隔墙上需开设相互连通的门时,应采用乙级防火门。
3.3.6 (2) 甲、乙、丙类中间仓库应采用防火墙和耐火极限不低于1.50h的不燃性楼板与其他部位分隔;
3.3.8 变、配电站不应设置在甲、乙类厂房内或贴邻,且不应设置在爆炸性气体、粉尘环境的危险区域内。供甲、乙类厂房专用的10kV及以下的变、配电站,当采用无门、窗、洞口的防火墙分隔时,可一面贴邻,并应符合现行国家标准《爆炸危险环境电力装置设计规范》GB50058等标准的规定。
乙类厂房的配电站确需在防火墙上开窗时,应采用甲级防火窗。
3.3.9 员工宿舍严禁设置在仓库内。
办公室、休息室等严禁设置在甲、乙类仓库内,也不应贴邻。
办公室、休息室设置在丙、丁类仓库内时,应采用耐火极限不低于2.50h的防火隔墙和1.00h的楼板与其他部位分隔,并应设置独立的安全出口。隔墙上需开设相互连通的门时,应采用乙级防火门。
3.4.1 除本规范另有规定外,厂房之间及与乙、丙、丁、戊类仓库、民用建筑等的防火间距不应小于表3.4.1的规定,与甲类仓库的防火间距应符合本规范第3.5.1条的规定。
表 3.4.1 厂房之间及与乙、丙、丁、戊类仓库、民用建筑等的防火间距(m)

注:1 乙类厂房与重要公共建筑的防火间距不宜小于50m;与明火或散发火花地点,不宜小于30m。单、多层戊类厂房之间及与戊类仓库的防火间距可按本表的规定减少2m,与民用建筑的防火间距可将戊类厂房等同民用建筑按本规范第5.2.2条的规定执行。为丙、丁、戊类厂房服务而单独设置的生活用房应按民用建筑确定,与所属厂房的防火间距不应小于6m。确需相邻布置时,应符合本表注2.3的规定。
2 两座厂房相邻较高一面外墙为防火墙,或相邻两座高度相同的一、二 级耐火等级建筑中相邻任一侧外墙为防火墙且屋顶的耐火极限不低于1.00h时,其防火间距不限,但甲类厂房之间不应小于4m。两座丙、丁、戊类厂房相邻两面外墙均为不燃性墙体,当无外露的可燃性屋檐,每面外墙上的门、窗、洞口面积之和各不大于外墙面积的5%,且门、窗、洞口不正对开设时,其防火间距可按本表的规定减少25%。甲、乙类厂房(仓库)不应与本规范第3.3.5条规定外的其他建筑贴邻。
3 两座一、二级耐火等级的厂房,当相邻较低一面外墙为防火墙且较低一座厂房的屋顶无天窗,屋顶的耐火极限不低于1.00h,或相邻较高一面外墙的门、窗等开口部位设置甲级防火门、窗或防火分隔水幕或按本规范第6.5.3条的规定设置防火卷帘时,甲、乙类厂房之间的防火间距不应小于6m;丙、丁、戊类厂房之间的防火间距不应小于4m。
4 发电厂内的主变压器,其油量可按单台确定。
5 耐火等级低于四级的既有厂房,其耐火等级可按四级确定。
6 当丙、丁、戊类厂房与丙、丁、戊类仓库相邻时,应符合本表注2、3的规定。
3.4.2 甲类厂房与重要公共建筑的防火间距不应小于50m,与明火或散发火花地点的防火间距不应小于30m。
3.4.4 高层厂房与甲、乙、丙类液体储罐,可燃、助燃气体储罐,液化石油气储罐,可燃材料堆场(除煤和焦炭场外)的防火间距,应符合本规范第4章的规定,且不应小于13m。
3.4.9 一级汽车加油站、一级汽车加气站和一级汽车加油加气合建站不应布置在城市建成区内。
3.5.1 甲类仓库之间及与其他建筑、明火或散发火花地点、铁路、道路等的防火间距不应小于表3.5.1的规定。
表3.5.1 甲类仓库之间及与其他建筑、明火或散发火花地点、铁路、道路等的防火间距(m)

注:甲类仓库之间的防火间距,当第3、4项物品储量不大于2t,第1、2、5、6项物品储量不大于5t时,不应小于12m。甲类仓库与高层仓库的防火间距不应小于13m。
3.5.2 除本规范另有规定外,乙、丙、丁、戊类仓库之间及与民用建筑的防火间距,不应小于表3.5.2的规定。
表3.5.2 乙、丙、丁、戊类仓库之间及与民用建筑的防火间距(m)

注:1 单、多层戊类仓库之间的防火间距,可按本表的规定减少2m。
2 两座仓库的相邻外墙均为防火墙时,防火间距可以减小,但丙类仓库,不应小于6m;丁、戊类仓库,不应小于4m。两座仓库相邻较高一面外墙为防火墙,或相邻两座高度相同的一、二级耐火等级建筑中相邻任一侧外墙为防火墙且屋顶的耐火极限不低于1.00h,且总占地面积不大于本规范第3.3.2条一座仓库的最大允许占地面积规定时,其防火间距不限。
3 除乙类第6项物品外的乙类仓库,与民用建筑的防火间距不宜小于25m,与重要公共建筑的防火间距不应小于50m,与铁路、道路等的防火间距不宜小于表3.5.1中甲类仓库与铁路、道路等的防火间距。3.6.2 有爆炸危险的厂房或厂房内有爆炸危险的部位应设置泄压设施。
3.6.2 有爆炸危险的厂房或厂房内有爆炸危险的部位应设置泄压设施。
3.6.6 散发较空气重的可燃气体、可燃蒸气的甲类厂房和有粉尘、纤维爆炸危险的乙类厂房,应符合下列规定:
1 应采用不发火花的地面。采用绝缘材料作整体面层时,应采取防静电措施。
2 散发可燃粉尘、纤维的厂房,其内表面应平整、光滑,并易于清扫。
3 厂房内不宜设置地沟,确需设置时,其盖板应严密,地沟应采取防止可燃气体、可燃蒸气和粉尘、纤维在地沟积聚的有效措施,且应在与相邻厂房连通处采用防火材料密封。
3.6.8 有爆炸危险的甲、乙类厂房的总控制室应独立设置。
3.6.11 使用和生产甲、乙、丙类液体的厂房,其管、沟不应与相邻厂房的管、沟相通,下水道应设置隔油设施。
3.6.12 甲、乙、丙类液体仓库应设置防止液体流散的设施。遇湿会发生燃烧爆炸的物品仓库应采取防止水浸渍的措施。
3.7.2 厂房内每个防火分区或一个防火分区内的每个楼层,其安全出口的数量应经计算确定,且不应少于2个;当符合下列条件时,可设置1个安全出口:
1 甲类厂房,每层建筑面积不大于lOOm2,且同一时间的作业人数不超过5人;
2 乙类厂房,每层建筑面积不大于150m2,且同一时间的作业人数不超过10人;
3 丙类厂房,每层建筑面积不大于250m2,且同一时间的作业人数不超过20人;
4 丁、戊类厂房,每层建筑面积不大于400m2,且同一时间的作业人数不超过30人;
5 地下或半地下厂房(包括地下或半地下室),每层建筑面积不大于50m2,且同一时间的作业人数不超过15人。
3.7.3 地下或半地下厂房(包括地下或半地下室),当有多个防火分区相邻布置,并采用防火墙分隔时,每个防火分区可利用防火墙上通向相邻防火分区的甲级防火门作为第二安全出口,但每个防火分区必须至少有1个直通室外的独立安全出口。
3.7.6 高层厂房和甲、乙、丙类多层厂房的疏散楼梯应采用封闭楼梯间或室外楼梯。建筑高度大于32m且任一层人数超过10人的厂房,应采用防烟楼梯间或室外楼梯。
3.8.2 每座仓库的安全出口不应少于2个,当一座仓库的占地面积不大于300m2时,可设置1个安全出口。仓库内每个防火分区通向疏散走道、楼梯或室外的出口不宜少于2个,当防火分区的建筑面积不大于100m2时,可设置1个出口。通向疏散走道或楼梯的门应为乙级防火门。
3.8.3 地下或半地下仓库(包括地下或半地下室)的安全出口不应少于2个;当建筑面积不大于100m2时,可设置1个安全出口。
地下或半地下仓库(包括地下或半地下室),当有多个防火分区相邻布置并采用防火墙分隔时,每个防火分区可利用防火墙上通向相邻防火分区的甲级防火门作为第二安全出口,但每个防火分区必须至少有1个直通室外的安全出口。
3.8.7 高层仓库的疏散楼梯应采用封闭楼梯间。
4.1.2 桶装、瓶装甲类液体不应露天存放。
4.1.3 液化石油气储罐或储罐区的四周应设置高度不小于1.0m的不燃性实体防护墙。
4.2.1 甲、乙、丙类液体储罐(区)和乙、丙类液体桶装堆场与其他建筑的防火间距,不应小于表4.2.1的规定。
表4.2.1 甲、乙、丙类液体储罐(区)和乙、丙类液体桶装堆场与其他建筑的防火间距(m)

注:l 当甲、乙类液体储罐和丙类液体储罐布置在同一储罐区时,罐区的总容量可按lm3甲、乙类液体相当于5m3丙类液体折算。
2 储罐防火堤外侧基脚线至相邻建筑的距离不应小于10m。
3 甲、乙、丙类液体的固定顶储罐区或半露天堆场,乙、丙类液体桶装堆场与甲类厂房(仓库)、民用建筑的防火间距,应按本表的规定增加25%,且甲、乙类液体的固定顶储罐区或半露天堆场,乙、丙类液体桶装堆场与甲类厂房(仓库)、裙房、单、多层民用建筑的防火间距不应小于25m,与明火或散发火花地点的防火间距应按本表有关四级耐火等级建筑物的规定增加25%。
4 浮顶储罐区或闪点大于120℃的液体储罐区与其他建筑的防火间距,可按本表的规定减少25%。
5 当数个储罐区布置在同一库区内时,储罐区之间的防火间距不应小于本表相应容量的储罐区与四级耐火等级建筑物防火间距的较大值。
6 直埋地下的甲、乙、丙类液体卧式罐,当单罐容量不大干50m3,总容量不大于200m3时,与建筑物的防火间距可按本表规定减少50%。
7 室外变、配电站指电力系统电压为35kV~500kV且每台变压器容量不小于10MV·A的室外变、配电站和工业企业的变压器总油量大于5t的室外降压变电站。
4.2.2 甲、乙、丙类液体储罐之间的防火间距不应小于表4.2.2的规定。
表4.2.2 甲、乙、丙类液体储罐之间的防火间距(m)

注:1 D为相邻较大立式储罐的直径(m),矩形储罐的直径为长边与短边之和的一半。
2 不同液体、不同形式储罐之间的防火间距不应小于本表规定的较大值。
3 两排卧式储罐之间的防火间距不应小于3m。
4 当单罐容量不大于1000m3且采用固定冷却系统时,甲、乙类液体的地上式固定顶储罐之间的防火间距不应小于0.6D。
5 地上式储罐同时设置液下喷射泡沫灭火系统、固定冷却水系统和扑救防火堤内液体火灾的泡沫灭火设施时,储罐之间的防火间距可适当减小,但不宜小于0.4D。
6 闪点大于120℃的液体,当单罐容量大于1000m3时,储罐之间的防火间距不应小于5m;当单罐容量不大于1000m3时,储罐之间的防火间距不应小于2m。
4.2.3 甲、乙、丙类液体储罐成组布置时,应符合下列规定:
1 组内储罐的单罐容量和总容量不应大于表4.2.3的规定。
表4.2.3 甲、乙、丙类液体储罐分组布置的最大容量

2 组内储罐的布置不应超过两排。甲、乙类液体立式储罐之间的防火间距不应小于2m,卧式储罐之间的防火间距不应小于0.8m;丙类液体储罐之间的防火间距不限。
3 储罐组之间的防火间距应根据组内储罐的形式和总容量折算为相同类别的标准单罐,按本规范第4.2.2条的规定确定。
4.2.5
3 防火堤内侧基脚线至立式储罐外壁的水平距离不应小于罐壁高度的一半。防火堤内侧基脚线至卧式储罐的水平距离不应小于3m。
4 防火堤的设计高度应比计算高度高出0.2m,且应为1.0~2.2m,在防火堤的适当位置应设置便于灭火救援人员进出防火堤的踏步。
5 沸溢性油品的地上式。半地下式储罐,每个储罐均应设置一个防火堤或防火隔堤。
6 含油污水排水管应在防火堤的出口处设置水封设施,雨水排水管应设置阀门等封闭、隔离装置。
4.3.1 可燃气体储罐与建筑物、储罐、堆场等的防火间距应符合下列规定:
1 湿式可燃气体储罐与建筑物、储罐、堆场等的防火间距不应小于表4.3.1的规定。
表4.3.1 湿式可燃气体储罐与建筑物、储罐、堆场等的防火间距(m)

注:固定容积可燃气体储罐的总容积按储罐几何容积(m3)和设计储存压力(绝对压力,lO5Pa)的乘积计算。
2 固定容积的可燃气体储罐与建筑物、储罐、堆场等的防火间距不应小于表4.3.1的规定。
3 干式可燃气体储罐与建筑物、储罐、堆场等的防火间距:当可燃气体的密度比空气大时,应按表4.3.1的规定增加25%;当可燃气体的密度比空气小时,可按表4.3.1的规定确定。
4 湿式或干式可燃气体储罐的水封井、油泵房和电梯间等附属设施与该储罐的防火间距,可按工艺要求布置。
5 容积不大于20m3的可燃气体储罐与其使用厂房的防火间距不限。
4.3.2 可燃气体储罐(区)之间的防火间距应符合下列规定:
1 湿式可燃气体储罐或干式可燃气体储罐之间及湿式与干式可燃气体储罐的防火间距,不应小于相邻较大罐直径的1/2。
2 固定容积的可燃气体储罐之间的防火间距不应小于相邻较大罐直径的2/3。
3 固定容积的可燃气体储罐与湿式或干式可燃气体储罐的防火间距,不应小于相邻较大罐直径的1/2。
4 数个固定容积的可燃气体储罐的总容积大于200000m3时,应分组布置。卧式储罐组之间的防火间距不应小于相邻较大罐长度的一半;球形储罐组之间的防火间距不应小于相邻较大罐直径,且不应小于20m。
4.3.3 氧气储罐与建筑物、储罐、堆场等的防火间距应符合下列规定:
1 湿式氧气储罐与建筑物、储罐、堆场等的防火间距不应小于表4.3.3的规定。
表4.3.3 湿式氧气储罐与建筑物、储罐、堆场等的防火间距(m)

注:固定容积氧气储罐的总容积按储罐几何容积(m3)和设计储存压力(绝对压力,105Pa)的乘积计算。
2 氧气储罐之间的防火间距不应小于相邻较大罐直径的1/2。
3 氧气储罐与可燃气体储罐的防火间距不应小于相邻较大罐的直径。
4 固定容积的氧气储罐与建筑物、储罐、堆场等的防火间距不应小于表4.3.3的规定。
5 氧气储罐与其制氧厂房的防火间距可按工艺布置要求确定。
6 容积不大于50m3的氧气储罐与其使用厂房的防火间距不限。
注:1m3液氧折合标准状态下800m3气态氧。
4.3.8 液化天然气气化站的液化天然气储罐(区)与站外建筑等的防火间距不应小于表4.3.8的规定,与表4.3.8未规定的其他建筑的防火间距,应符合现行国家标准《城镇燃气设计规范》GB50028的规定。
表4.3.8 液化天然气气化站的液化天然气储罐(区)与站外建筑等的防火间距(m)

注:居住区、村镇指1000人或300户及以上者;当少于1000人或300户时,相应防火间距应按本表有关其他民用建筑的要求确定。
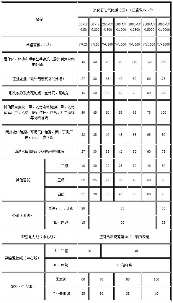
4.4.1 液化石油气供应基地的全压式和半冷冻式储罐(区),与明火或散发火花地点和基地外建筑等的防火间距不应小于表4.4.1的规定,与表4.4.1未规定的其他建筑的防火间距应符合现行国家标准《城镇燃气设计规范》GB50028的规定。
表4.4.1 液化石油气供应基地的全压式和半冷冻式储罐(区)与明火或散发火花地点和基地外建筑等的防火间距(m)

注:1 防火间距应按本表储罐区的总容积或单罐容积的较大者确定。
2 当地下液化石油气储罐的单罐容积不大于50m3,总容积不大于400m3时,其防火间距可按本表的规定减少50%。
3 居住区、村镇指1000人或300户及以上者;当少于1000人或300户时,相应防火间距应按本表有关其他民用建筑的要求确定。
4.4.2 液化石油气储罐之间的防火间距不应小于相邻较大罐的直径。
数个储罐的总容积大于3000m3时,应分组布置,组内储罐宜采用单排布置。组与组相邻储罐之间的防火间距不应小于20m。
4.4.5 Ⅰ、Ⅱ级瓶装液化石油气供应站瓶库与站外建筑等的防火间距不应小于表4.4.5的规定。瓶装液化石油气供应站的分级及总存瓶容积不大于1m3的瓶装供应站瓶库的设置,应符合现行国家标准《城镇燃气设计规范》GB50028的规定。
表4.4.5 Ⅰ、Ⅱ级瓶装液化石油气供应站瓶库与站外建筑等的防火间距(m)

注:总存瓶容积应按实瓶个数与单瓶几何容积的乘积计算。
5.1.3 民用建筑的耐火等级应根据其建筑高度、使用功能、重要性和火灾扑救难度等确定,并应符合下列规定:
1 地下或半地下建筑(室)和一类高层建筑的耐火等级不应低于一级;
2 单、多层重要公共建筑和二类高层建筑的耐火等级不应低于二级。
5.1.3A 除木结构建筑外,老年人照料设施的耐火等级不应低于三级。
5.1.4 建筑高度大于100m的民用建筑,其楼板的耐火等级不应低于2.00h。
一、二级耐火等级建筑的上人平屋顶,其屋面板的耐火极限分别不应低于1.50h和1.00h。
5.2.2 民用建筑之间的防火间距不应小于表5.2.2的规定,与其他建筑的防火间距,除应符合本节规定外,尚应符合本规范其他章的有关规定。
表5.2.2 民用建筑之间的防火间距(m)

注:1 相邻两座单、多层建筑,当相邻外墙为不燃性墙体且无外露的可燃性屋檐,每面外墙上无防火保护的门、窗、洞口不正对开设且该门、窗、洞口的面积之和不大于外墙面积的5%时,其防火间距可按本表的规定减少25%。
2 两座建筑相邻较高一面外墙为防火墙,或高出相邻较低一座一、二级耐火等级建筑的屋面15m及以下范围内的外墙为防火墙时,其防火间距不限。
3 相邻两座高度相同的一、二级耐火等级建筑中相邻任一侧外墙为防火墙,屋顶的耐火极限不低于1.00h时,其防火间距不限。
4 相邻两座建筑中较低一座建筑的耐火等级不低于二级,相邻较低一面外墙为防火墙且屋顶无天窗,屋顶的耐火极限不低于1.00h时,其防火间距不应小于3.5m;对于高层建筑,不应小于4m。
5 相邻两座建筑中较低一座建筑的耐火等级不低于二级且屋顶无天窗,相邻较高一面外墙高出较低一座建筑的屋面15m及以下范围内的开口部位设置甲级防火门、窗,或设置符合现行国家标准《自动喷水灭火系统设计规范》GB50084规定的防火分隔水幕或本规范第6.5.3条规定的防火卷帘时,其防火间距不应小于3.5m;对于高层建筑,不应小于4m。
6 相邻建筑通过连廊、天桥或底部的建筑物等连接时,其间距不应小于本表的规定。
7 耐火等级低于四级的既有建筑,其耐火等级可按四级确定。
5.2.6 建筑高度大于100m的民用建筑与相邻建筑的防火间距,当符合本规范第3.4.5条、第3.5.3条、第4.2.1条和第5.2.2条允许减小的条件时,仍不应减小。
5.3.1 除本规范另有规定外,不同耐火等级建筑的允许建筑高度或层数、防火分区最大允许建筑面积应符合表5.3.1的规定。
除本规范另有规定外,不同耐火等级建筑的允许建筑高度或层数、防火分区最大允许建筑面积应符合表5.3.1的规定。
表5.3.1 不同耐火等级建筑的允许建筑高度或层数、防火分区最大允许建筑面积

注:1 表中规定的防火分区最大允许建筑面积,当建筑内设置自动灭火系统时,可按本表的规定增加1.0倍;局部设置时,防火分区的增加面积可按该局部面积的1.0倍计算。
2 裙房与高层建筑主体之间设置防火墙时,裙房的防火分区可按单、多层建筑的要求确定。
5.3.2 建筑内设置自动扶梯、敞开楼梯等上、下层相连通的开口时,其防火分区的建筑面积应按上、下层相连通的建筑面积叠加计算;当叠加计算后的建筑面积大于本规范第5.3.1条的规定时,应划分防火分区。
建筑内设置中庭时,其防火分区的建筑面积应按上、下层相连通的建筑面积叠加计算;当叠加计算后的建筑面积大于本规范第5.3.1条的规定时,应符合下列规定:
1 与周围连通空间应进行防火分隔:采用防火隔墙时,其耐火极限不应低于1.00h;采用防火玻璃墙时,其耐火隔热性和耐火完整性不应低于1.OOh,采用耐火完整性不低于1.OOh的非隔热性防火玻璃墙时,应设置自动喷水灭火系统进行保护;采用防火卷帘时,其耐火极限不应低于3.OOh,并应符合本规范第6.5.3条的规定;与中庭相连通的门、窗,应采用火灾时能自行关闭的甲级防火门、窗;
2 高层建筑内的中庭回廊应设置自动喷水灭火系统和火灾自动报警系统;
3 中庭应设置排烟设施;
4 中庭内不应布置可燃物。
5.3.4 一、二级耐火等级建筑内的商店营业厅、展览厅,当设置自动灭火系统和火灾自动报警系统并采用不燃或难燃装修材料时,其每个防火分区的最大允许建筑面积应符合下列规定:
1 设置在高层建筑内时,不应大于4000m2;
2 设置在单层建筑或仅设置在多层建筑的首层内时,不应大于10000m2;
3 设置在地下或半地下时,不应大于2000m2。
5.3.5 总建筑面积大于20000m2的地下或半地下商店,应采用无门、窗、洞口的防火墙、耐火极限不低于2.00h的楼板分隔为多个建筑面积不大于20000m2的区域。相邻区域确需局部连通时,应采用下沉式广场等室外开敞空间、防火隔间、避难走道、防烟楼梯间等方式进行连通,并应符合下列规定:
1 下沉式广场等室外开敞空间应能防止相邻区域的火灾蔓延和便于安全疏散,并应符合本规范第6.4.12条的规定;
2 防火隔间的墙应为耐火极限不低于3.00h的防火隔墙,并应符合本规范第6.4.13条的规定;
3 避难走道应符合本规范第6.4.14条的规定;
4 防烟楼梯间的门应采用甲级防火门。
5.4.2 除为满足民用建筑使用功能所设置的附属库房外,民用建筑内不应设置生产车间和其他库房。
经营、存放和使用甲、乙类火灾危险性物品的商店、作坊和储藏间,严禁附设在民用建筑内。
5.4.3 商店建筑、展览建筑采用三级耐火等级建筑时,不应超过2层;采用四级耐火等级建筑时,应为单层。营业厅、展览厅设置在三级耐火等级的建筑内时,应布置在首层或二层;设置在四级耐火等级的建筑内时,应布置在首层。
营业厅、展览厅不应设置在地下三层及以下楼层。地下或半地下营业厅、展览厅不应经营、储存和展示甲、乙类火灾危险性物品。
5.4.4 托儿所、幼儿园的儿童用房和儿童游乐厅等儿童活动场所宜设置在独立的建筑内,且不应设置在地下或半地下;当采用一、二级耐火等级的建筑时,不应超过3层;采用三级耐火等级的建筑时,不应超过2层;采用四级耐火等级的建筑时,应为单层;确需设置在其他民用建筑内时,应符合下列规定:
1 设置在一、二级耐火等级的建筑内时,应布置在首层、二层或三层;
2 设置在三级耐火等级的建筑内时,应布置在首层或二层;
3 设置在四级耐火等级的建筑内时,应布置在首层;
4 设置在高层建筑内时,应设置独立的安全出口和疏散楼梯;
5.4.4B 当老年人照料设施中的老年人公共活动用房、康复与医疗用房设置在地下、半地下时,应设置在地下一层,每间用房的建筑面积不应大于200m2且使用人数不应大于30人。
老年人照料设施中的老年人公共活动用房、康复与医疗用房设置在地上四层及以上时,每间用房的建筑面积不应大于200m3且使用人数不应大于30人。
5.4.5 医院和疗养院的住院部分不应设置在地下或半地下。
医院和疗养院的住院部分采用三级耐火等级建筑时,不应超过2层;采用四级耐火等级建筑时,应为单层;设置在三级耐火等级的建筑内时,应布置在首层或二层;设置在四级耐火等级的建筑内时,应布置在首层。
医院和疗养院的病房楼内相邻护理单元之间应采用耐火极限不低于2.00h的防火隔墙分隔,隔墙上的门应采用乙级防火门,设置在走道上的防火门应采用常开防火门。
5.4.6 教学建筑、食堂、菜市场采用三级耐火等级建筑时,不应超过2层;采用四级耐火等级建筑时,应为单层;设置在三级耐火等级的建筑内时,应布置在首层或二层;设置在四级耐火等级的建筑内时,应布置在首层。
5.4.9
1 不应布置在地下二层及以下楼层;
4 确需布置在地下一层时,地下一层的地面与室外出入口地坪的高差不应大于10m;
5 确需布置在地下或四层及以上楼层时,一个厅、室的建筑面积不应大于200m2;
6 厅、室之间及与建筑的其他部位之间,应采用耐火极限不低于2.00h的防火隔墙和1.00h的不燃性楼板分隔,设置在厅、室墙上的门和该场所与建筑内其他部位相通的门均应采用乙级防火门。
5.4.10
1 住宅部分与非住宅部分之间,应采用耐火极限不低于2.00h且无门、窗、洞口的防火隔墙和1.50h的不燃性楼板完全分隔;当为高层建筑时,应采用无门、窗、洞口的防火墙和耐火极限不低于2.00h的不燃性楼板完全分隔。建筑外墙上、下层开口之间的防火措施应符合本规范第6.2.5条的规定。
2 住宅部分与非住宅部分的安全出口和疏散楼梯应分别独立设置;为住宅部分服务的地上车库应设置独立的疏散楼梯或安全出口,地下车库的疏散楼梯应按本规范第6.4.4条的规定进行分隔。
5.4.11 设置商业服务网点的住宅建筑,其居住部分与商业服务网点之间应采用耐火极限不低于2.00h且无门、窗、洞口的防火隔墙和1.50h的不燃性楼板完全分隔,住宅部分和商业服务网点部分的安全出口和疏散楼梯应分别独立设置。
商业服务网点中每个分隔单元之间应采用耐火极限不低于2.00h且无门、窗、洞口的防火隔墙相互分隔,当每个分隔单元任一层建筑面积大于200m2时,该层应设置2个安全出口或疏散门。每个分隔单元内的任一点至最近直通室外的出口的直线距离不应大于本规范表5.5.17中有关多层其他建筑位于袋形走道两侧或尽端的疏散门至最近安全出口的最大直线距离。
注:室内楼梯的距离可按其水平投影长度的1.50倍计算。
5.4.12 燃油或燃气锅炉、油浸变压器、充有可燃油的高压电容器和多油开关等,宜设置在建筑外的专用房间内;确需贴邻民用建筑布置时,应采用防火墙与所贴邻的建筑分隔,且不应贴邻人员密集场所,该专用房间的耐火等级不应低于二级;确需布置在民用建筑内时,不应布置在人员密集场所的上一层、下一层或贴邻,并应符合下列规定:
l 燃油或燃气锅炉房、变压器室应设置在首层或地下一层的靠外墙部位,但常(负)压燃油或燃气锅炉可设置在地下二层或屋顶上。设置在屋顶上的常(负)压燃气锅炉,距离通向屋面的安全出口不应小于6m。
采用相对密度(与空气密度的比值)不小于0.75的可燃气体为燃料的锅炉,不得设置在地下或半地下。
2 锅炉房、变压器室的疏散门均应直通室外或安全出口。
3 锅炉房、变压器室等与其他部位之间应采用耐火极限不低于2.00h的防火隔墙和1.50h的不燃性楼板分隔。在隔墙和楼板上不应开设洞口,确需在隔墙上设置门、窗时,应采用甲级防火门、窗。
4 锅炉房内设置储油间时,其总储存量不应大于1m3,且储油间应采用耐火极限不低于3.00h的防火隔墙与锅炉间分隔;确需在防火隔墙上设置门时,应采用甲级防火门。
5 变压器室之间、变压器室与配电室之间,应设置耐火极限不低于2.00h的防火隔墙。
6 油浸变压器、多油开关室、高压电容器室,应设置防止油品流散的设施。油浸变压器下面应设置能储存变压器全部油量的事故储油设施。
7 应设置火灾报警装置。
8 应设置与锅炉、变压器、电容器和多油开关等的容量及建筑规模相适应的灭火设施,当建筑内其他部位设置自动喷水灭火系统时,应设置自动喷水灭火系统。
9 锅炉的容量应符合现行国家标准《锅炉房设计规范》GB 50041的规定。油浸变压器的总容量不应大于1260kV·A,单台容量不应大于630kV·A。
10 燃气锅炉房应设置爆炸泄压设施。燃油或燃气锅炉房应设置独立的通风系统,并应符合本规范第9章的规定。
5.4.13
2 不应布置在人员密集场所的上一层、下一层或贴邻。
3 应采用耐火极限不低于2.00h的防火隔墙和1.50h的不燃性楼板与其他部位分隔,门应采用甲级防火门。
4 机房内设置储油间时,其总储存量不应大于1m3,储油间应采用耐火极限不低于3.00h的防火隔墙与发电机间分隔;确需在防火隔墙上开门时,应设置甲级防火门。
5 应设置火灾报警装置。
6 应设置与柴油发电机容量和建筑规模相适应的灭火设施,当建筑内其他部位设置自动喷水灭火系统时,机房内应设置自动喷水灭火系统。
5.4.15
1 在进入建筑物前和设备间内的管道上均应设置自动和手动切断阀;
2 储油间的油箱应密闭且应设置通向室外的通气管,通气管应设置带阻火器的呼吸阀,油箱的下部应设置防止油品流散的设施;
5.4.17
1 应设置独立的瓶组间;
2 瓶组间不应与住宅建筑、重要公共建筑和其他高层公共建筑贴邻,液化石油气气瓶的总容积不大于1m3的瓶组间与所服务的其他建筑贴邻时,应采用自然气化方式供气;
3 液化石油气气瓶的总容积大于1m3、不大于4m3的独立瓶组间,与所服务建筑的防火间距应符合本规范5.4.17的规定;
表5.4.17 液化石油气气瓶的独立瓶组间与所服务建筑的防火间距(m)

注:气瓶总容积应按配置气瓶个数与单瓶几何容积的乘积计算。
4 在瓶组间的总出气管道上应设置紧急事故自动切断阀;
5 瓶组间应设置可燃气体浓度报警装置;
5.5.8 公共建筑内每个防火分区或一个防火分区的每个楼层,其安全出口的数量应经计算确定,且不应少于2个。设置1个安全出口或1部疏散楼梯的公共建筑应符合下列条件之一:
1 除托儿所、幼儿园外,建筑面积不大于200m2且人数不超过50人的单层公共建筑或多层公共建筑的首层;
2 除医疗建筑,老年人照料设施,托儿所、幼儿园的儿童用房,儿童游乐厅等儿童活动场所和歌舞娱乐放映游艺场所等外,符合表5.5.8规定的公共建筑。
表5.5.8 可设置1部疏散楼梯的公共建筑

5.5.12 一类高层公共建筑和建筑高度大于32m的二类高层公共建筑,其疏散楼梯应采用防烟楼梯间。
裙房和建筑高度不大于32m的二类高层公共建筑,其疏散楼梯应采用封闭楼梯间。
注:当裙房与高层建筑主体之间设置防火墙时,裙房的疏散楼梯可按本规范有关单、多层建筑的要求确定。
5.5.13 下列多层公共建筑的疏散楼梯,除与敞开式外廊直接相连的楼梯间外,均应采用封闭楼梯间:
1 医疗建筑、旅馆及类似使用功能的建筑;
2 设置歌舞娱乐放映游艺场所的建筑;
3 商店、图书馆、展览建筑、会议中心及类似使用功能的建筑;
4 6层及以上的其他建筑。
5.5.15 公共建筑内房间的疏散门数量应经计算确定且不应少于2个。除托儿所、幼儿园、老年人建筑、医疗建筑、教学建筑内位于走道尽端的房间外,符合下列条件之一的房间可设置1个疏散门:
1 位于两个安全出口之间或袋形走道两侧的房间,对于托儿所、幼儿园、老年人照料设施,建筑面积不大于50m2;对于医疗建筑、教学建筑,建筑面积不大于75m2;对于其他建筑或场所,建筑面积不大于120m2。
2 位于走道尽端的房间,建筑面积小于50m2且疏散门的净宽度不小于0.90m,或由房间内任一点至疏散门的直线距离不大于15m、建筑面积不大于200m2且疏散门的净宽度不小于1.40m。
3 歌舞娱乐放映游艺场所内建筑面积不大于50m2且经常停留人数不超过15人的厅、室。
5.5.16
1 对于剧场、电影院、礼堂的观众厅或多功能厅,每个疏散门的平均疏散人数不应超过250人;当容纳人数超过2000人时,其超过2000人的部分,每个疏散门的平均疏散人数不应超过400人。
5.5.17 公共建筑的安全疏散距离应符合下列规定:
1 直通疏散走道的房间疏散门至最近安全出口的直线距离不应大于表5.5.17的规定。
表5.5.17 直通疏散走道的房间疏散门至最近安全出口的直线距离(m)

注:1 建筑内开向敞开式外廊的房间疏散门至最近安全出口的直线距离可按本表的规定增加5m。
2 直通疏散走道的房间疏散门至最近敞开楼梯间的直线距离,当房间位于两个楼梯间之间时,应按本表的规定减少5m;当房间位于袋形走道两侧或尽端时,应按本表的规定减少2m。
3 建筑物内全部设置自动喷水灭火系统时,其安全疏散距离可按本表的规定增加25%。
2 楼梯间应在首层直通室外,确有困难时,可在首层采用扩大的封闭楼梯间或防烟楼梯间前室。当层数不超过4层且未采用扩大的封闭楼梯间或防烟楼梯间前室时,可将直通室外的门设置在离楼梯间不大于15m处。
3 房间内任一点至房间直通疏散走道的疏散门的直线距离,不应大于表5.5.17规定的袋形走道两侧或尽端的疏散门至最近安全出口的直线距离。
4 一、二级耐火等级建筑内疏散门或安全出口不少于2个的观众厅、展览厅、多功能厅、餐厅、营业厅等,其室内任一点至最近疏散门或安全出口的直线距离不应大于30m;当疏散门不能直通室外地面或疏散楼梯间时,应采用长度不大于10m的疏散走道通至最近的安全出口。当该场所设置自动喷水灭火系统时,室内任一点至最近安全出口的安全疏散距离可分别增加25%。
5.5.18 除本规范另有规定外,公共建筑内疏散门和安全出口的净宽度不应小于0.90m,疏散走道和疏散楼梯的净宽度不应小于1.10m。
高层公共建筑内楼梯间的首层疏散门、首层疏散外门、疏散走道和疏散楼梯的最小净宽度应符合表5.5.18的规定。
表5.5.18 高层公共建筑内楼梯间的首层疏散门、首层疏散外门、疏散走道和疏散楼梯的最小净宽度(m)

5.5.21
1 每层的房间疏散门、安全出口、疏散走道和疏散楼梯的各自总净宽度,应根据疏散人数按每100人的最小疏散净宽度不小于表5.5.21-1的规定计算确定。当每层疏散人数不等时,疏散楼梯的总净宽度可分层计算,地上建筑内下层楼梯的总净宽度应按该层及以上疏散人数最多一层的人数计算;地下建筑内上层楼梯的总净宽度应按该层及以下疏散人数最多一层的人数计算。
表5.5.21-1 每层的房间疏散门、安全出口、疏散走道和疏散楼梯的每100人最小疏散净宽度(m/百人)

2 地下或半地下人员密集的厅、室和歌舞娱乐放映游艺场所,其房间疏散门、安全出口、疏散走道和疏散楼梯的各自总净宽度,应根据疏散人数按每100人不小于1.00m计算确定。
3 首层外门的总净宽度应按该建筑疏散人数最多一层的人数计算确定,不供其他楼层人员疏散的外门,可按本层的疏散人数计算确定。
4 歌舞娱乐放映游艺场所中录像厅的疏散人数,应根据厅、室的建筑面积按不小于1.0人/m2计算;其他歌舞娱乐放映游艺场所的疏散人数,应根据厅、室的建筑面积按不小于0.5人/m2计算。
5.5.23 建筑高度大于100m的公共建筑,应设置避难层(间)。避难层(间)应符合下列规定:
1 第一个避难层(间)的楼地面至灭火救援场地地面的高度不应大于50m,两个避难层(间)之间的高度不宜大于50m。
2 通向避难层(间)的疏散楼梯应在避难层分隔、同层错位或上下层断开。
3 避难层(间)的净面积应能满足设计避难人数避难的要求,并宜按5.0人/m2计算。
4 避难层可兼作设备层。设备管道宜集中布置,其中的易燃、可燃液体或气体管道应集中布置,设备管道区应采用耐火极限不低于3.00h的防火隔墙与避难区分隔。管道井和设备间应采用耐火极限不低于2.00h的防火隔墙与避难区分隔,管道井和设备间的门不应直接开向避难区;确需直接开向避难区时,与避难层区出入口的距离不应小于5m,且应采用甲级防火门。
避难间内不应设置易燃、可燃液体或气体管道,不应开设除外窗、疏散门之外的其他开口。
5 避难层应设置消防电梯出口。
6 应设置消火栓和消防软管卷盘。
7 应设置消防专线电话和应急广播。
8 在避难层(间)进入楼梯间的入口处和疏散楼梯通向避难层(间)的出口处,应设置明显的指示标志。
9 应设置直接对外的可开启窗口或独立的机械防烟设施,外窗应采用乙级防火窗。
5.5.24 高层病房楼应在二层及以上的病房楼层和洁净手术部设置避难间。避难间应符合下列规定:
1 避难间服务的护理单元不应超过2个,其净面积应按每个护理单元不小于25.0m2确定。
2 避难间兼作其他用途时,应保证人员的避难安全,且不得减少可供避难的净面积。
3 应靠近楼梯间,并应采用耐火极限不低于2.00h的防火隔墙和甲级防火门与其他部位分隔。
4 应设置消防专线电话和消防应急广播。
5 避难间的入口处应设置明显的指示标志。
6 应设置直接对外的可开启窗口或独立的机械防烟设施,外窗应采用乙级防火窗。
5.5.24A
5.5.25 住宅建筑安全出口的设置应符合下列规定:
l 建筑高度不大于27m的建筑,当每个单元任一层的建筑面积大于650m2,或任一户门至最近安全出口的距离大于15m时,每个单元每层的安全出口不应少于2个;
2 建筑高度大于27m、不大于54m的建筑,当每个单元任一层的建筑面积大于650m2,或任一户门至最近安全出口的距离大于l0m时,每个单元每层的安全出口不应少于2个;
3 建筑高度大于54m的建筑,每个单元每层的安全出口不应少于2个。
5.5.26 建筑高度大于27m,但不大于54m的住宅建筑,每个单元设置一座疏散楼梯时,疏散楼梯应通至屋面,且单元之间的疏散楼梯应能通过屋面连通,户门应采用乙级防火门。当不能通至屋面或不能通过屋面连通时,应设置2个安全出口。
5.5.29 住宅建筑的安全疏散距离应符合下列规定:
1 直通疏散走道的户门至最近安全出口的直线距离不应大于表5.5.29的规定。
表5.5.29 住宅建筑直通疏散走道的户门至最近安全出口的直线距离(m)

注:1 开向敞开式外廊的户门至最近安全出口的最大直线距离可按本表的规定增加5m。
2 直通疏散走道的户门至最近敞开楼梯间的直线距离,当户门位于两个楼梯间之间时,应按本表的规定减少5m;当户门位于袋形走道两侧或尽端时,应按本表的规定减少2m。
3 住宅建筑内全部设置自动喷水灭火系统时,其安全疏散距离可按本表的规定增加25%。
4 跃廊式住宅的户门至最近安全出口的距离,应从户门算起,小楼梯的一段距离可按其水平投影长度的1.50倍计算。
2 楼梯间应在首层直通室外,或在首层采用扩大的封闭楼梯间或防烟楼梯间前室。层数不超过4层时,可将直通室外的门设置在离楼梯间不大于15m处。
3 户内任一点至直通疏散走道的户门的直线距离不应大于表5.5.29规定的袋形走道两侧或尽端的疏散门至最近安全出口的最大直线距离。
注:跃层式住宅,户内楼梯的距离可按其梯段水平投影长度的1.50倍计算。
5.5.30 住宅建筑的户门、安全出口、疏散走道和疏散楼梯的各自总净宽度应经计算确定,且户门和安全出口的净宽度不应小于0.90m,疏散走道、疏散楼梯和首层疏散外门的净宽度不应小于1.10m。建筑高度不大于18m的住宅中一边设置栏杆的疏散楼梯,其净宽度不应小于1.0m。
5.5.31 建筑高度大于100m的住宅建筑应设置避难层,避难层的设置应符合本规范第5.5.23条有关避难层的要求。
6.1.1 防火墙应直接设置在建筑的基础或框架、梁等承重结构上,框架、梁等承重结构的耐火极限不应低于防火墙的耐火极限。
防火墙应从楼地面基层隔断至梁、楼板或屋面板的底面基层。当高层厂房(仓库)屋顶承重结构和屋面板的耐火极限低于1.00h,其他建筑屋顶承重结构和屋面板的耐火极限低于0.50h时,防火墙应高出屋面0.5m以上。
6.1.2 防火墙横截面中心线水平距离天窗端面小于4.0m,且天窗端面为可燃性墙体时,应采取防止火势蔓延的措施。
6.1.5 防火墙上不应开设门、窗、洞口,确需开设时,应设置不可开启或火灾时能自动关闭的甲级防火门、窗。
可燃气体和甲、乙、丙类液体的管道严禁穿过防火墙。防火墙内不应设置排气道。
6.1.7 防火墙的构造应能在防火墙任意一侧的屋架、梁、楼板等受到火灾的影响而破坏时,不会导致防火墙倒塌。
6.2.2 医疗建筑内的手术室或手术部、产房、重症监护室、贵重精密医疗装备用房、储藏间、实验室、胶片室等,附设在建筑内的托儿所、幼儿园的儿童用房和儿童游乐厅等儿童活动场所、老年人照料设施,应采用耐火极限不低于2.00h的防火隔墙和1.00h的楼板与其他场所或部位分隔,墙上必须设置的门、窗应采用乙级防火门、窗。
6.2.4 建筑内的防火隔墙应从楼地面基层隔断至梁、楼板或屋面板的底面基层。住宅分户墙和单元之间的墙应隔断至梁、楼板或屋面板的底面基层,屋面板的耐火极限不应低于0.50h。
6.2.5 除本规范另有规定外,建筑外墙上、下层开口之间应设置高度不小于1.2m的实体墙或挑出宽度不小于1.0m、长度不小于开口宽度的防火挑檐;当室内设置自动喷水灭火系统时,上、下层开口之间的实体墙高度不应小于0.8m。当上、下层开口之间设置实体墙确有困难时,可设置防火玻璃墙,但高层建筑的防火玻璃墙的耐火完整性不应低于1.00h,多层建筑的防火玻璃墙的耐火完整性不应低于0.50h。外窗的耐火完整性不应低于防火玻璃墙的耐火完整性要求。
住宅建筑外墙上相邻户开口之间的墙体宽度不应小于1.0m;小于1.0m时,应在开口之间设置突出外墙不小于0.6m的隔板。
实体墙、防火挑檐和隔板的耐火极限和燃烧性能,均不应低于相应耐火等级建筑外墙的要求。
6.2.6 建筑幕墙应在每层楼板外沿处采取符合本规范第6.2.5条规定的防火措施,幕墙与每层楼板、隔墙处的缝隙应采用防火封堵材料封堵。
6.2.7 附设在建筑内的消防控制室、灭火设备室、消防水泵房和通风空气调节机房、变配电室等,应采用耐火极限不低于2.00h的防火隔墙和1.50h的楼板与其他部位分隔。
设置在丁、戊类厂房内的通风机房,应采用耐火极限不低于1.00h的防火隔墙和0.50h的楼板与其他部位分隔。
通风、空气调节机房和变配电室开向建筑内的门应采用甲级防火门,消防控制室和其他设备房开向建筑内的门应采用乙级防火门。
6.2.9
1 电梯井应独立设置,井内严禁敷设可燃气体和甲、乙、丙类液体管道,不应敷设与电梯无关的电缆、电线等。电梯井的井壁除设置电梯门、安全逃生门和通气孔洞外,不应设置其他开口。
2 电缆井、管道井、排烟道、排气道、垃圾道等竖向井道,应分别独立设置。井壁的耐火极限不应低于1.00h,井壁上的检查门应采用丙级防火门。
3 建筑内的电缆井、管道井应在每层楼板处采用不低于楼板耐火极限的不燃材料或防火封堵材料封堵。
建筑内的电缆井、管道井与房间、走道等相连通的孔隙应采用防火封堵材料封堵。
6.3.5 防烟、排烟、供暖、通风和空气调节系统中的管道及建筑内的其他管道,在穿越防火隔墙、楼板和防火墙处的孔隙应采用防火封堵材料封堵。
风管穿过防火隔墙、楼板和防火墙时,穿越处风管上的防火阀、排烟防火阀两侧各2.0m范围内的风管应采用耐火风管或风管外壁应采取防火保护措施,且耐火极限不应低于该防火分隔体的耐火极限。
6.4.1
2 楼梯间内不应设置烧水间、可燃材料储藏室、垃圾道。
3 楼梯间内不应有影响疏散的凸出物或其他障碍物。
4 封闭楼梯间、防烟楼梯间及其前室,不应设置卷帘。
5 楼梯间内不应设置甲、乙、丙类液体管道。
6 封闭楼梯间、防烟楼梯间及其前室内禁止穿过或设置可燃气体管道。敞开楼梯间内不应设置可燃气体管道,当住宅建筑的敞开楼梯间内确需设置可燃气体管道和可燃气体计量表时,应采用金属管和设置切断气源的阀门。
6.4.2 封闭楼梯间除应符合本规范第6.4.1条的规定外,尚应符合下列规定:
1 不能自然通风或自然通风不能满足要求时,应设置机械加压送风系统或采用防烟楼梯间。
2 除楼梯间的出入口和外窗外,楼梯间的墙上不应开设其他门、窗、洞口。
3 高层建筑、人员密集的公共建筑、人员密集的多层丙类厂房、甲、乙类厂房,其封闭楼梯间的门应采用乙级防火门,并应向疏散方向开启;其他建筑,可采用双向弹簧门。
4 楼梯间的首层可将走道和门厅等包括在楼梯间内形成扩大的封闭楼梯间,但应采用乙级防火门等与其他走道和房间分隔。
6.4.3
1 应设置防烟设施。
3 前室的使用面积:公共建筑、高层厂房(仓库),不应小于6.0m2;住宅建筑,不应小于4.5m2。
与消防电梯间前室合用时,合用前室的使用面积:公共建筑、高层厂房(仓库),不应小于10.0m2;住宅建筑,不应小于6.0m2。
4 疏散走道通向前室以及前室通向楼梯间的门应采用乙级防火门。
5 除住宅建筑的楼梯间前室外,防烟楼梯间和前室内的墙上不应开设除疏散门和送风口外的其他门、窗、洞口。
6 楼梯间的首层可将走道和门厅等包括在楼梯间前室内形成扩大的前室,但应采用乙级防火门等与其他走道和房间分隔。
6.4.4 除通向避难层错位的疏散楼梯外,建筑内的疏散楼梯间在各层的平面位置不应改变。
除住宅建筑套内的自用楼梯外,地下或半地下建筑(室)的疏散楼梯间,应符合下列规定:
1 室内地面与室外出入口地坪高差大于l0m或3层及以上的地下、半地下建筑(室),其疏散楼梯应采用防烟楼梯间;其他地下或半地下建筑(室),其疏散楼梯应采用封闭楼梯间。
2 应在首层采用耐火极限不低于2.00h的防火隔墙与其他部位分隔并应直通室外,确需在隔墙上开门时,应采用乙级防火门。
3 建筑的地下或半地下部分与地上部分不应共用楼梯间,确需共用楼梯间时,应在首层采用耐火极限不低于2.00h的防火隔墙和乙级防火门将地下或半地下部分与地上部分的连通部位完全分隔,并应设置明显的标志。
6.4.5 室外疏散楼梯应符合下列规定:
1 栏杆扶手的高度不应小于1.10m,楼梯的净宽度不应小于0.90m。
2 倾斜角度不应大于45o。
3 梯段和平台均应采用不燃材料制作。平台的耐火极限不应低于1.00h,梯段的耐火极限不应低于0.25h。
4 通向室外楼梯的门应采用乙级防火门,并应向外开启。
5 除疏散门外,楼梯周围2m内的墙面上不应设置门、窗、洞口。疏散门不应正对梯段。
6.4.10 疏散走道在防火分区处应设置常开甲级防火门。
6.4.11 建筑内的疏散门应符合下列规定:
1 民用建筑和厂房的疏散门,应采用向疏散方向开启的平开门,不应采用推拉门、卷帘门、吊门、转门和折叠门。除甲、乙类生产车间外,人数不超过60人且每樘门的平均疏散人数不超过30人的房间,其疏散门的开启方向不限。
2 仓库的疏散门应采用向疏散方向开启的平开门,但丙、丁、戊类仓库首层靠墙的外侧可采用推拉门或卷帘门。
3 开向疏散楼梯或疏散楼梯间的门,当其完全开启时,不应减少楼梯平台的有效宽度。
4 人员密集场所内平时需要控制人员随意出入的疏散门和设置门禁系统的住宅、宿舍、公寓建筑的外门,应保证火灾时不需使用钥匙等任何工具即能从内部易于打开,并应在显著位置设置具有使用提示的标识。
6.6.2 输送有火灾、爆炸危险物质的栈桥不应兼作疏散通道。
6.7.2 建筑外墙采用内保温系统时,保温系统应符合下列规定:
1 对于人员密集场所,用火、燃油、燃气等具有火灾危险性的场所以及各类建筑内的疏散楼梯间、避难走道、避难间、避难层等场所或部位,应采用燃烧性能为*级A**的保温材料。
2 对于其他场所,应采用低烟、低毒且燃烧性能不低于B1级的保温材料。
3 保温系统应采用不燃材料做防护层。采用燃烧性能为B1级的保温材料时,防护层的厚度不应小于10mm。
6.7.4 设置人员密集场所的建筑,其外墙外保温材料的燃烧性能应为*级A**。
6.7.4A 除本规范第6.7.3条规定的情况外,下列老年人照料设施的内、外墙体和屋面保温材料应采用燃烧性能为*级A**的保温材料:
1 独立建造的老年人照料设施;
2 与其他建筑组合建造且老年人照料设施部分的总建筑面积大于500m2的老年人照料设施。
6.7.5 与基层墙体、装饰层之间无空腔的建筑外墙外保温系统,其保温材料应符合下列规定:
1 住宅建筑:
1)建筑高度大于100m时,保温材料的燃烧性能应为*级A**;
2)建筑高度大于27m,但不大于100m时,保温材料的燃烧性能不应低于B1级;
3)建筑高度不大于27m时,保温材料的燃烧性能不应低于B2级。
2 除住宅建筑和设置人员密集场所的建筑外,其他建筑:
1)建筑高度大于50m时,保温材料的燃烧性能应为*级A**;
2)建筑高度大于24m,但不大于50m时,保温材料的燃烧性能不应低于B1级;
3)建筑高度不大于24m时,保温材料的燃烧性能不应低于B2级。
6.7.6 除设置人员密集场所的建筑外,与基层墙体、装饰层之间有空腔的建筑外墙外保温系统,其保温材料应符合下列规定:
1 建筑高度大于24m时,保温材料的燃烧性能应为*级A**;
2 建筑高度不大于24m时,保温材料的燃烧性能不应低于B1级。
7.1.2 高层民用建筑,超过3000个座位的体育馆,超过2000个座位的会堂,占地面积大于3000m2的商店建筑、展览建筑等单、多层公共建筑应设置环形消防车道,确有困难时,可沿建筑的两个长边设置消防车道;对于高层住宅建筑和山坡地或河道边临空建造的高层民用建筑,可沿建筑的一个长边设置消防车道,但该长边所在建筑立面应为消防车登高操作面。
7.1.3 工厂、仓库区内应设置消防车道。
高层厂房,占地面积大于3000m2的甲、乙、丙类厂房和占地面积大于1500m2的乙、丙类仓库,应设置环形消防车道,确有困难时,应沿建筑物的两个长边设置消防车道。
7.1.8
1 车道的净宽度和净空高度均不应小于4.0m;
2 转弯半径应满足消防车转弯的要求;
3 消防车道与建筑之间不应设置妨碍消防车操作的树木、架空管线等障碍物;
7.2.1 高层建筑应至少沿一个长边或周边长度的l/4且不小于一个长边长度的底边连续布置消防车登高操作场地,该范围内的裙房进深不应大于4m。
建筑高度不大于50m的建筑,连续布置消防车登高操作场地确有困难时,可间隔布置,但间隔距离不宜大于30m,且消防车登高操作场地的总长度仍应符合上述规定。
7.2.2
1 场地与厂房、仓库、民用建筑之间不应设置妨碍消防车操作的树木、架空管线等障碍物和车库出入口。
2 场地的长度和宽度分别不应小于15m和l0m。对于建筑高度大于50m的建筑,场地的长度和宽度分别不应小于20m和l0m。
3 场地及其下面的建筑结构、管道和暗沟等,应能承受重型消防车的压力。
7.2.3 建筑物与消防车登高操作场地相对应的范围内,应设置直通室外的楼梯或直通楼梯间的入口。
7.2.4 厂房、仓库、公共建筑的外墙应在每层的适当位置设置可供消防救援人员进入的窗口。
7.3.1 下列建筑应设置消防电梯:
1 建筑高度大于33m的住宅建筑;
2 一类高层公共建筑和建筑高度大于32m的二类高层公共建筑、5层及以上且总建筑面积大于3000m2(包括设置在其他建筑内五层及以上楼层)的老年人照料设施;
3 设置消防电梯的建筑的地下或半地下室,埋深大于10m且总建筑面积大于3000m2的其他地下或半地下建筑(室)。
7.3.2 消防电梯应分别设置在不同防火分区内,且每个防火分区不应少于1台。
7.3.5 除设置在仓库连廊、冷库穿堂或谷物筒仓工作塔内的消防电梯外,消防电梯应设置前室,并应符合下列规定:
2 前室的使用面积不应小于6.0m2,前室的短边不应小于2.4m;与防烟楼梯间合用的前室,其使用面积尚应符合本规范第5.5.28条和第6.4.3条的规定;
3 除前室的出入口、前室内设置的正压送风口和本规范第5.5.27条规定的户门外,前室内不应开设其他门、窗、洞口;
4 前室或合用前室的门应采用乙级防火门,不应设置卷帘。
7.3.6 消防电梯井、机房与相邻电梯井、机房之间应设置耐火极限不低于2.00h的防火隔墙,隔墙上的门应采用甲级防火门。
8.1.2 城镇(包括居住区、商业区、开发区、工业区等)应沿可通行消防车的街道设置市政消火栓系统。
民用建筑、厂房、仓库、储罐(区)和堆场周围应设置室外消火栓系统。
用于消防救援和消防车停靠的屋面上,应设置室外消火栓系统。
注:耐火等级不低于二级且建筑体积不大于3000m3的戊类厂房,居住区人数不超过500人且建筑层数不超过两层的居住区,可不设置室外消火栓系统。
8.1.3 自动喷水灭火系统、水喷雾灭火系统、泡沫灭火系统和固定消防炮灭火系统等系统以及下列建筑的室内消火栓给水系统应设置消防水泵接合器:
1 超过5层的公共建筑;
2 超过4层的厂房或仓库;
3 其他高层建筑;
4 超过2层或建筑面积大于10000m2的地下建筑(室)。
8.1.6 消防水泵房的设置应符合下列规定:
1 单独建造的消防水泵房,其耐火等级不应低于二级;
2 附设在建筑内的消防水泵房,不应设置在地下三层及以下或室内地面与室外出入口地坪高差大于10m的地下楼层;
3 疏散门应直通室外或安全出口。
8.1.7
1 单独建造的消防控制室,其耐火等级不应低于二级;
3 不应设置在电磁场干扰较强及其他可能影响消防控制设备正常工作的房间附近;
4 疏散门应直通室外或安全出口。
8.1.8 消防水泵房和消防控制室应采取防水淹的技术措施。
8.2.1 下列建筑或场所应设置室内消火栓系统:
1 建筑占地面积大于300m2的厂房和仓库;
2 高层公共建筑和建筑高度大于21m的住宅建筑;
注:建筑高度不大于27m的住宅建筑,设置室内消火栓系统确有困难时,可只设置干式消防竖管和不带消火栓箱的DN65的室内消火栓。
3 体积大于5000m3的车站、码头、机场的候车(船、机)建筑、展览建筑、商店建筑、旅馆建筑、医疗建筑和图书馆建筑等单、多层建筑;
4 特等、甲等剧场,超过800个座位的其他等级的剧场和电影院等以及超过1200个座位的礼堂、体育馆等单、多层建筑;
5 建筑高度大于15m或体积大于10000m3的办公建筑、教学建筑和其他单、多层民用建筑。
8.3.1 除本规范另有规定和不宜用水保护或灭火的场所外,下列厂房或生产部位应设置自动灭火系统,并宜采用自动喷水灭火系统:
1 不小于50000纱锭的棉纺厂的开包、清花车间,不小于5000锭的麻纺厂的分级、梳麻车间,火柴厂的烤梗、筛选部位;
2 占地面积大于1500m2或总建筑面积大于3000m2的单、多层制鞋、制衣、玩具及电子等类似生产的厂房;
3 占地面积大于1500m2的木器厂房;
4 泡沫塑料厂的预发、成型、切片、压花部位;
5 高层乙、丙类厂房;
6 建筑面积大于500m2的地下或半地下丙类厂房。
8.3.2 除本规范另有规定和不宜用水保护或灭火的仓库外,下列仓库应设置自动灭火系统,并宜采用自动喷水灭火系统:
1 每座占地面积大于1000m2的棉、毛、丝、麻、化纤、毛皮及其制品的仓库;
注:单层占地面积不大于2000m2的棉花库房,可不设置自动喷水灭火系统。
2 每座占地面积大于600m2的火柴仓库;
3 邮政建筑内建筑面积大于500m2的空邮袋库;
4 可燃、难燃物品的高架仓库和高层仓库;
5 设计温度高于0℃的高架冷库,设计温度高于0℃且每个防火分区建筑面积大于1500m2的非高架冷库;
6 总建筑面积大于500m2的可燃物品地下仓库;
7 每座占地面积大于1500m2或总建筑面积大于3000m2的其他单层或多层丙类物品仓库。
8.3.3 除本规范另有规定和不宜用水保护或灭火的场所外,下列高层民用建筑或场所应设置自动灭火系统,并宜采用自动喷水灭火系统:
1 一类高层公共建筑(除游泳池、溜冰场外)及其地下、半地下室;
2 二类高层公共建筑及其地下、半地下室的公共活动用房、走道、办公室和旅馆的客房、可燃物品库房、自动扶梯底部;
3 高层民用建筑内的歌舞娱乐放映游艺场所;
4 建筑高度大于l00m的住宅建筑。
8.3.4 除本规范另有规定和不宜用水保护或灭火的场所外,下列单、多层民用建筑或场所应设置自动灭火系统,并宜采用自动喷水灭火系统:
1 特等、甲等剧场,超过1500个座位的其他等级的剧场,超过2000个座位的会堂或礼堂,超过3000个座位的体育馆,超过5000人的体育场的室内人员休息室与器材间等;
2 任一层建筑面积大于1500m2或总建筑面积大于3000m2的展览、商店、餐饮和旅馆建筑以及医院中同样建筑规模的病房楼、门诊楼和手术部;
3 设置送回风道(管)的集中空气调节系统且总建筑面积大于3000m2的办公建筑等;
4 藏书量超过50万册的图书馆;
5 大、中型幼儿园,总建筑面积大于500m2的老年人建筑;
6 总建筑面积大于500m2的地下或半地下商店;
7 设置在地下或半地下或地上四层及以上楼层的歌舞娱乐放映游艺场所(除游泳场所外),设置在首层、二层和三层且任一层建筑面积大于300m2的地上歌舞娱乐放映游艺场所(除游泳场所外)。
8.3.5 根据本规范要求难以设置自动喷水灭火系统的展览厅、观众厅等人员密集的场所和丙类生产车间、库房等高大空间场所,应设置其他自动灭火系统,并宜采用固定消防炮等灭火系统。
8.3.7 下列建筑或部位应设置雨淋自动喷水灭火系统:
1 火柴厂的氯酸钾压碾厂房,建筑面积大于100m2且生产或使用*化棉硝**、喷漆棉、火胶棉、赛璐珞胶片、硝化纤维的厂房;
2 乒乓球厂的轧坯、切片、磨球、分球检验部位;
3 建筑面积大于60m2或储存量大于2t的*化棉硝**、喷漆棉、火胶棉、赛璐珞胶片、硝化纤维的仓库;
4 日装瓶数量大于3000瓶的液化石油气储配站的灌瓶间、实瓶库;
5 特等、甲等剧场、超过1500个座位的其他等级剧场和超过2000个座位的会堂或礼堂的舞台葡萄架下部;
6 建筑面积不小于400m2的演播室,建筑面积不小于500m2的电影摄影棚。
8.3.8 下列场所应设置自动灭火系统,并宜采用水喷雾灭火系统:
1 单台容量在40MV·A及以上的厂矿企业油浸变压器,单台容量在90MV·A及以上的电厂油浸变压器,单台容量在125MV·A及以上的独立变电站油浸变压器;
2 飞机发动机试验台的试车部位;
3 充可燃油并设置在高层民用建筑内的高压电容器和多油开关室。
注:设置在室内的油浸变压器、充可燃油的高压电容器和多油开关室,可采用细水雾灭火系统。
8.3.9 下列场所应设置自动灭火系统,并宜采用气体灭火系统:
1 国家、省级或人口超过100万的城市广播电视发射塔内的微波机房、分米波机房、米波机房、变配电室和不间断电源(UPS)室;
2 国际电信局、大区中心、省中心和一万路以上的地区中心内的长途程控交换机房、控制室和信令转接点室;
3 两万线以上的市话汇接局和六万门以上的市话端局内的程控交换机房、控制室和信令转接点室;
4 中央及省级公安、防灾和网局级及以上的电力等调度指挥中心内的通信机房和控制室;
5 A、B级电子信息系统机房内的主机房和基本工作间的已记录磁(纸)介质库;
6 中央和省级广播电视中心内建筑面积不小于120m2的音像制品库房;
7 国家、省级或藏书量超过100万册的图书馆内的特藏库;中央和省级档案馆内的珍藏库和非纸质档案库;大、中型博物馆内的珍品库房;一级纸绢质*物文**的陈列室;
8 其他特殊重要设备室。
注:1 本条第1、4、5、8款规定的部位,可采用细水雾灭火系统。
2 当有备用主机和备用已记录磁(纸)介质,且设置在不同建筑内或同一建筑内的不同防火分区内时,本条第5款规定的部位可采用预作用自动喷水灭火系统。
8.3.10 甲、乙、丙类液体储罐的灭火系统设置应符合下列规定:
1 单罐容量大于1000m3的固定顶罐应设置固定式泡沫灭火系统;
2 罐壁高度小于7m或容量不大于200m3的储罐可采用移动式泡沫灭火系统;
3 其他储罐宜采用半固定式泡沫灭火系统;
4 石油库、石油化工、石油天然气工程中甲、乙、丙类液体储罐的灭火系统设置,应符合现行国家标准《石油库设计规范》GB 50074等标准的规定。
8.4.1 下列建筑或场所应设置火灾自动报警系统:
1 任一层建筑面积大于1500m2或总建筑面积大于3000m2的制鞋、制衣、玩具、电子等类似用途的厂房;
2 每座占地面积大于1000m2的棉、毛、丝、麻、化纤及其制品的仓库,占地面积大于500m2或总建筑面积大于1000m2的卷烟仓库;
3 任一层建筑面积大于1500m2或总建筑面积大于3000m2的商店、展览、财贸金融、客运和货运等类似用途的建筑,总建筑面积大于500m2的地下或半地下商店;
4 图书或*物文**的珍藏库,每座藏书超过50万册的图书馆,重要的档案馆;
5 地市级及以上广播电视建筑、邮政建筑、电信建筑,城市或区域性电力、交通和防灾等指挥调度建筑;
6 特等、甲等剧场,座位数超过1500个的其他等级的剧场或电影院,座位数超过2000个的会堂或礼堂,座位数超过3000个的体育馆;
7 大、中型幼儿园的儿童用房等场所,老年人建筑,任一层建筑面积大于1500m2或总建筑面积大于3000m2的疗养院的病房楼、旅馆建筑和其他儿童活动场所,不少于200床位的医院门诊楼、病房楼和手术部等;
8 歌舞娱乐放映游艺场所;
9 净高大于2.6m且可燃物较多的技术夹层,净高大于0.8m且有可燃物的闷顶或吊顶内;
10 电子信息系统的主机房及其控制室、记录介质库,特殊贵重或火灾危险性大的机器、仪表、仪器设备室、贵重物品库房;
11 二类高层公共建筑内建筑面积大于50m2的可燃物品库房和建筑面积大于500m2的营业厅;
12 其他一类高层公共建筑;
13 设置机械排烟、防烟系统,雨淋或预作用自动喷水灭火系统,固定消防水炮灭火系统、气体灭火系统等需与火灾自动报警系统联锁动作的场所或部位。
注:老年人照料设施中的老年人用房及其公共走道,均应设置火灾探测器和声警报装置或消防广播。
8.4.3 建筑内可能散发可燃气体、可燃蒸气的场所应设置可燃气体报警装置。
8.5.1 建筑的下列场所或部位应设置防烟设施:
1 防烟楼梯间及其前室;
2 消防电梯间前室或合用前室;
3 避难走道的前室、避难层(间)。
建筑高度不大于50m的公共建筑、厂房、仓库和建筑高度不大于l00m的住宅建筑,当其防烟楼梯间的前室或合用前室符合下列条件之一时,楼梯间可不设置防烟系统:
1 前室或合用前室采用敞开的阳台、凹廊;
2 前室或合用前室具有不同朝向的可开启外窗,且可开启外窗的面积满足自然排烟口的面积要求。
8.5.2 厂房或仓库的下列场所或部位应设置排烟设施:
1 人员或可燃物较多的丙类生产场所,丙类厂房内建筑面积大于300m2且经常有人停留或可燃物较多的地上房间;
2 建筑面积大于5000m2的丁类生产车间;
3 占地面积大于1000m2的丙类仓库;
4 高度大于32m的高层厂房(仓库)内长度大于20m的疏散走道,其他厂房(仓库)内长度大于40m的疏散走道。
8.5.3 民用建筑的下列场所或部位应设置排烟设施:
1 设置在一、二、三层且房间建筑面积大于lOOm2的歌舞娱乐放映游艺场所,设置在四层及以上楼层、地下或半地下的歌舞娱乐放映游艺场所;
2 中庭;
3 公共建筑内建筑面积大于l00m2且经常有人停留的地上房间;
4 公共建筑内建筑面积大于300m2且可燃物较多的地上房间;
5 建筑内长度大于20m的疏散走道。
8.5.4 地下或半地下建筑(室)、地上建筑内的无窗房间,当总建筑面积大于200m2或一个房间建筑面积大于50m2,且经常有人停留或可燃物较多时,应设置排烟设施。
9.1.2 甲、乙类厂房内的空气不应循环使用。
丙类厂房内含有燃烧或爆炸危险粉尘、纤维的空气,在循环使用前应经净化处理,并应使空气中的含尘浓度低于其爆炸下限的25%。
9.1.3 为甲、乙类厂房服务的送风设备与排风设备应分别布置在不同通风机房内,且排风设备不应和其他房间的送、排风设备布置在同一通风机房内。
9.1.4 民用建筑内空气中含有容易起火或爆炸危险物质的房间,应设置自然通风或独立的机械通风设施,且其空气不应循环使用。
9.2.2 甲、乙类厂房(仓库)内严禁采用明火和电热散热器供暖。
9.2.3 下列厂房应采用不循环使用的热风供暖:
1 生产过程中散发的可燃气体、蒸气、粉尘或纤维与供暖管道、散热器表面接触能引起燃烧的厂房;
2 生产过程中散发的粉尘受到水、水蒸气的作用能引起自燃、爆炸或产生爆炸性气体的厂房。
9.3.2 厂房内有爆炸危险场所的排风管道,严禁穿过防火墙和有爆炸危险的房间隔墙。
9.3.5 含有燃烧和爆炸危险粉尘的空气,在进入排风机前应采用不产生火花的除尘器进行处理。对于遇水可能形成爆炸的粉尘,严禁采用湿式除尘器。
9.3.8 净化或输送有爆炸危险粉尘和碎屑的除尘器、过滤器或管道,均应设置泄压装置。
净化有爆炸危险粉尘的干式除尘器和过滤器应布置在系统的负压段上。
9.3.9 排除有燃烧或爆炸危险气体、蒸气和粉尘的排风系统,应符合下列规定:
1 排风系统应设置导除静电的接地装置;
2 排风设备不应布置在地下或半地下建筑(室)内;
3 排风管应采用金属管道,并应直接通向室外安全地点,不应暗设。
9.3.11 通风、空气调节系统的风管在下列部位应设置公称动作温度为70oC的防火阀:
1 穿越防火分区处;
2 穿越通风、空气调节机房的房间隔墙和楼板处;
3 穿越重要或火灾危险性大的场所的房间隔墙和楼板处;
4 穿越防火分隔处的变形缝两侧;
5 竖向风管与每层水平风管交接处的水平管段上。
9.3.16 燃油或燃气锅炉房应设置自然通风或机械通风设施。燃气锅炉房应选用防爆型的事故排风机。当采取机械通风时,机械通风设施应设置导除静电的接地装置,通风量应符合下列规定:
1 燃油锅炉房的正常通风量应按换气次数不少于3次/h确定,事故排风量应按换气次数不少于6次/h确定;
2 燃气锅炉房的正常通风量应按换气次数不少于6次/h确定,事故排风量应按换气次数不少于12次/h确定;
10.1.1 下列建筑物的消防用电应按一级负荷供电:
1 建筑高度大于50m的乙、丙类厂房和丙类仓库;
2 一类高层民用建筑。
10.1.2 下列建筑物、储罐(区)和堆场的消防用电应按二级负荷供电:
1 室外消防用水量大于30L/s的厂房(仓库);
2 室外消防用水量大于35L/s的可燃材料堆场、可燃气体储罐(区)和甲、乙类液体储罐(区);
3 粮食仓库及粮食筒仓;
4 二类高层民用建筑;
5 座位数超过1500个的电影院、剧场,座位数超过3000个的体育馆,任一层建筑面积大于3000m2的商店和展览建筑,省(市)级及以上的广播电视、电信和财贸金融建筑,室外消防用水量大于25L/s的其他公共建筑。
10.1.5 建筑内消防应急照明和灯光疏散指示标志的备用电源的连续供电时间应符合下列规定:
1 建筑高度大于100m的民用建筑,不应小于1.5h;
2 医疗建筑、老年人照料设施、总建筑面积大于100000m2的公共建筑和总建筑面积大于20000m2的地下、半地下建筑,不应少于1.0h;
3 其他建筑,不应少于0.5h。
10.1.6 消防用电设备应采用专用的供电回路,当建筑内的生产、生活用电被切断时,应仍能保证消防用电。
备用消防电源的供电时间和容量,应满足该建筑火灾延续时间内各消防用电设备的要求。
10.1.8 消防控制室、消防水泵房、防烟和排烟风机房的消防用电设备及消防电梯等的供电,应在其配电线路的最末一级配电箱处设置自动切换装置。
10.1.10
1 明敷时(包括敷设在吊顶内),应穿金属导管或采用封闭式金属槽盒保护,金属导管或封闭式金属槽盒应采取防火保护措施;当采用阻燃或耐火电缆并敷设在电缆井、沟内时,可不穿金属导管或采用封闭式金属槽盒保护;当采用矿物绝缘类不燃性电缆时,可直接明敷。
2 暗敷时,应穿管并应敷设在不燃性结构内且保护层厚度不应小于30mm。
10.2.1 架空电力线与甲、乙类厂房(仓库),可燃材料堆垛,甲、乙、丙类液体储罐,液化石油气储罐,可燃、助燃气体储罐的最近水平距离应符合表10.2.1的规定。
35kV及以上架空电力线与单罐容积大于200m3或总容积大于1000m3液化石油气储罐(区)的最近水平距离不应小于40m。
表10.2.1 架空电力线与甲、乙类厂房(仓库)、可燃材料堆垛等的最近水平距离(m)

10.2.4 开关、插座和照明灯具靠近可燃物时,应采取隔热、散热等防火措施。
卤钨灯和额定功率不小于100W的白炽灯泡的吸顶灯、槽灯、嵌入式灯,其引入线应采用瓷管、矿棉等不燃材料作隔热保护。
额定功率不小于60W的白炽灯、卤钨灯、高压钠灯、金属卤化物灯、荧光高压汞灯(包括电感镇流器)等,不应直接安装在可燃物体上或采取其他防火措施。
10.3.1 除建筑高度小于27m的住宅建筑外,民用建筑、厂房和丙类仓库的下列部位应设置疏散照明:
1 封闭楼梯间、防烟楼梯间及其前室、消防电梯间的前室或合用前室、避难走道、避难层(间);
2 观众厅、展览厅、多功能厅和建筑面积大于200m2的营业厅、餐厅、演播室等人员密集的场所;
3 建筑面积大于l00m2的地下或半地下公共活动场所;
4 公共建筑内的疏散走道;
5 人员密集的厂房内的生产场所及疏散走道。
10.3.2 建筑内疏散照明的地面最低水平照度应符合下列规定:
1 对于疏散走道,不应低于1.0lx。
2 对于人员密集场所、避难层(间),不应低于3.0lx;对于老年人照料设施、病房楼或手术部的避难间,不应低于10.0lx。
3 对于楼梯间、前室或合用前室、避难走道,不应低于5.0lx;对于人员密集场所、老年人照料设施、病房楼或手术部内的楼梯间、前室或合用前室、避难走道,不应低于10.1lx。
10.3.3 消防控制室、消防水泵房、自备发电机房、配电室、防排烟机房以及发生火灾时仍需正常工作的消防设备房应设置备用照明,其作业面的最低照度不应低于正常照明的照度。
11.0.3 甲、乙、丙类厂房(库房)不应采用木结构建筑或木结构组合建筑。丁、戊类厂房(库房)和民用建筑,当采用木结构建筑或木结构组合建筑时,其允许层数和允许建筑高度应符合表11.0.3-1的规定,木结构建筑中防火墙间的允许建筑长度和每层最大允许建筑面积应符合表11.0.3-2的规定。
表11.0.3-1 木结构建筑或木结构组合建筑的允许层数和允许建筑高度

表11.0.3-2 木结构建筑中防火墙间的允许建筑长度和每层最大允许建筑面积

注:1 当设置自动喷水灭火系统时,防火墙间的允许建筑长度和每层最大允许建筑面积可按本表的规定增加1.0倍,对于丁、戊类地上厂房,防火墙间的每层最大允许建筑面积不限。
2 体育场馆等高大空间建筑,其建筑高度和建筑面积可适当增加。
11.0.4 老年人照料设施,托儿所、幼儿园的儿童用房和活动场所设置在木结构建筑内时,应布置在首层或二层。
商店、体育馆和丁、戊类厂房(库房)应采用单层木结构建筑。
11.0.7 2 房间直通疏散走道的疏散门至最近安全出口的直线距离不应大于表11.0.7-1的规定。
表11.0.7-1 房间直通疏散走道的疏散门至最近安全出口的直线距离(m)

3 房间内任一点至该房间直通疏散走道的疏散门的直线距离,不应大于表11.0.7-1中有关袋形走道两侧或尽端的疏散门至最近安全出口的直线距离。
4 建筑内疏散走道、安全出口、疏散楼梯和房间疏散门的净宽度,应根据疏散人数按每100人的最小疏散净宽度不小于表11.0.7-2的规定计算确定。
表11.0.7-2 疏散走道、安全出口、疏散楼梯和房间疏散门每100人的最小疏散净宽度(m/百人)

11.0.9 管道、电气线路敷设在墙体内或穿过楼板、墙体时,应采取防火保护措施,与墙体、楼板之间的缝隙应采用防火封堵材料填塞密实。
住宅建筑内厨房的明火或高温部位及排油烟管道等,应采用防火隔热措施。
11.0.10 民用木结构建筑之间及其与其他民用建筑的防火间距不应小于表11.0.10的规定。
民用木结构建筑与厂房(仓库)等建筑的防火间距、木结构厂房(仓库)之间及其与其他民用建筑的防火间距,应符合本规定第3、4章有关四级耐火等级建筑的规定。
表11.0.10 民用木结构建筑之间及其与其他民用建筑的防火间距(m)

注:1 两座木结构建筑之间或木结构建筑与其他民用建筑之间,外墙均无任何门、窗、洞口时,防火间距可为4m;外墙上的门、窗、洞口不正对且开口面积之和不大于外墙面积的10%时,防火间距可按本表的规定减少25%。
2 当相邻建筑外墙有一面为防火墙,或建筑物之间设置防火墙且墙体截断不燃性屋面或高出难燃性、可燃性屋面不低于0.5m时,防火间距不限。
12.1.3 隧道承重结构体的耐火极限应符合下列规定:
1 一、二类隧道和通行机动车的三类隧道,其承重结构体耐火极限的测定应符合本规范附录C的规定;对于一、二类隧道,火灾升温曲线应采用本规范附录C第C.0.1条规定的RABT标准升温曲线,耐火极限分别不应低于2.00h和1.50h;对于通行机动车的三类隧道,火灾升温曲线应采用本规范附录C第C.0.1条规定的HC标准升温曲线,耐火极限不应低于2.00h。
2 其他类别隧道承重结构体耐火极限的测定应符合现行国家标准《建筑构件耐火试验方法 第l部分:通用要求》GB/T9978.1的规定;对于三类隧道,耐火极限不应低于2.00h;对于四类隧道,耐火极限不限。
12.1.4 隧道内的地下设备用房、风井和消防救援出入口的耐火等级应为一级,地面的重要设备用房、运营管理中心及其他地面附属用房的耐火等级不应低于二级。
12.3.1 通行机动车的一、二、三类隧道应设置排烟设施。
12.5.1 一、二类隧道的消防用电应按一级负荷要求供电;三类隧道的消防用电应按二级负荷要求供电。
12.5.4 隧道内严禁设置可燃气体管道;电缆线槽应与其他管道分开敷设。当设置10kV及以上的高压电缆时,应采用耐火极限不低于2.00h的防火分隔体与其他区域分隔。