网络变压器:
网络变压器是在有限局域网中各级网络设备中都具备的变压器元件。
网络变压器(Ethernet Transformer,也称数据汞模块,是网卡电路中不可或缺的部分,它主要包含中间抽头电容、变压器、自耦变压器、共模电感。
其又叫网络隔离变压器、以太网变压器、网络滤波器、网口变压器、LAN变压器等等。
——————————————————————————————————————
网络变压器的功能
一,传输数据,它把PHY送出来的差分信号用差模耦合的线圈耦合滤波以增强信号,并且通过电磁场的转换耦合到不同电平的连接网线的另外一端;
二,电气隔离 防雷
任何CMOS制程的芯片工作的时候产生的信号电平总是大于0V的(取决于芯片的制程和设计需求),PHY输出信号送到100米甚至更长的地方会有很大的直流分量的损失。而且如果外部网线直接和芯片相连的话,电磁感应(打雷)和静电,很容易造成芯片的损坏。
再就是设备接地方法不同,电网环境不同会导致双方的0V电平不一致,这样信号从A传到B,由于A设备的0V电平和B点的0V电平不一样,这样可能会导致很大的电流从电势高的设备流向电势低的设备。
网络变压器把PHY送出来的差分信号用差模耦合的线圈耦合滤波以增强信号,并且通过电磁场的转换耦合到连接网线的另外一端。这样不但使网线和PHY之间没有物理上的连接而换传递了信号,隔断了信号中的直流分量,还可以在不同0V电平的设备中传送数据。 网络变压器本身就是设计为耐2KV~3KV的电压的。也起到了防雷保护作用。有些朋友的网络设备在雷雨天气时容易被烧坏,大都是PCB设计不合理造成的,而且大都烧毁了设备的接口,很少有芯片被烧毁的,就是变压器起到了保护作用。
隔离变压器可满足IEEE802.3的绝缘要求,但不能抑制EMI。
二、共模抑制
在双绞线中的每一根导线是以双螺旋形结构相互缠绕着。流过每根导线的电流所产生的磁场受螺旋形的制约。
导线的电流方向,决定每对导线发射噪音的程度。在每对导线上流过差模和共模电流所引起的发射程度是不同的,差模电流引起的噪音发射是较小的,所以噪音主要是由共模电流决定。
1. 双绞线中的差模信号
对差模信号而言,它在每一根导线上的电流是以相反方向在一对导线上传送。如果这一对导线是均匀的缠绕,这些相反的电流就会产生大小相等,反向极化的磁场,使它的输出互相抵消。
2. 双绞线中的共模信号
共模电流在两根导线上以相同方向流动,并经过寄生电容Cp到地返回。在这种情况下,电流产生大小相等极性相同的磁场,它们的输出不能相互抵消。如图6所示,共模电流在对绞线的表面产生一个电磁场,它的作用正如天线一样。
3. 共模、差模噪音及其EMC
电缆上噪音有从电源电缆和信号电缆上产生的辐射噪音和传导噪音两大类。这两大类中又分为共模噪音和差模噪音两种。差模传导噪音是电子设备内部噪音电压产生的与信号电流或电源电流相同路径的噪音电流,如图4所示。减小这种噪音的方法是在信号线和电源线上串联差模扼流圈、并联电容或用电容和电感组成低通滤波器,来减小高频的噪音。
这种噪音产生的电场强度与电缆到观测点的距离成反比,与频率的平方成正比,与电流和电流环路的面积成正比。因此,减小这种辐射的方法是在信号输入端加LC低通滤波器阻止噪音电流流进电缆.
——————————————————————————————————————————
网络变压器分类
产品依据结构类型,可以分为两类:
a. 离散性网络变压器(DiscreteLAN Magnetics Module);
b. 内部集成磁性变压器模块的RJ45连接器 (RJ45 Connector with Integrated Magnetics,ICMs);
产品依据客户焊接类型,可以分为两类:
a. 表面贴装元件 (SMT,Surface Mount Type)
b. 插件元件 (TH,Through-Hole Type)
产品依据传输速率,可以分类四类:
a. 10Base-T,
b. 10/100Base-T,
c. 1000 Base-T,
d. 10G Base-T.
(Base-T: Baseband,双绞线对。简而言之,Base-T是一种以bps速率工作的局域网(LAN)标准,它通常被称为快速以太网,并使用UTP(非屏蔽双绞线)铜质电缆。快速以太网有三种基本的实现方式:Base-FX、 Base-T、和1Base-T4。每一种规范除了接口电路外都是相同的,接口电路决定了它们使用哪种类型的电缆。为了实现时钟/数据恢复(CDR)功能,Base-T使用4B/5B曼彻斯特编码(Manchester Encoding)机制。)
——————————————————————————————————————————
网络变压器的主要应用
网络变压器产品主要应用于:RJ45网卡、以太网交换机、网络路由器、ADSL、VDSL数字设备、EOC终端、EPON/GPON三网融合设备、POE受电设备、FILT光纤环路设备、网络机顶盒、智能电视、网络摄像机、SDH/ATMSDH/ATM、PC主板、电脑周边、工业主板、网络伺服器、电信通讯基站smallcell等设备。
——————————————————————————————————————————
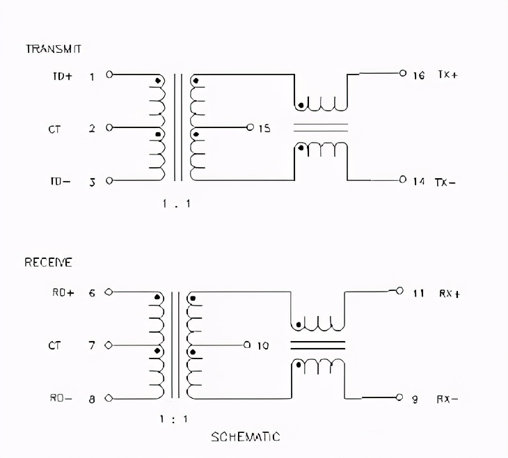
网络变压器的基本线路组成
1,普通双环线路,由T件 K件组成

普通双环线路 由T件和K件组成

双环线路
本款网络变压器线路由T件变压器+K件CMC组成,为常用电路,其中隔离变压器起防高压滤波,保护芯片的作用,CMC起抑制EMI NOISE的作用
2,T件+3线K件 网络变压器线路

T件+3线K件线包
本款网络变压器线路由T件变压器+三线K件 组成,本线路与第四个线路类似,隔离变压器加三线CHOKE,除了可以达到 CMC 的功能外,还可以增加自耦变压器的功能,可以和 BOBSMITH 线路匹配,更好的抑制共模信号
3,K件+T件+K件 网络变压器线路

双EMC+T件线路
本款网络变压器线路由2个K件+1个T件组成,也就是在普通网络变压器线路上再增加一个CMC,从双方增加抑制EMI NOISE的能力
4,T件+K件+A件 网络变压器三环线路

T件+K件+A件 网络变压器三环线路

三环网络变压器线路实例
在网络变压器的应用设计中,我们可以依状况决定应该使用哪种线路的网络变压器产品,若无其它特性要求,单从成本考量,我们还是要以第一种网络变压器线路优先,在华强盛电子的生产实况中,第一种网络变压器线路的使用量达到了总产量的95%以上,
如无其它特性要求,仅从成本考量,我们一定要避免使用第4种网络变压器线路