直升机机载电子设备TAC/COM系列VHF电台NT030-NT150工作原理-V
直升机机载电子设备VHF电台NT030-NT150虚拟化仪表试验器设计-23
编写:贺军

1、概述:
“直升机机载电子设备TAC/COM系列VHF电台NT030-NT150” 是“NAT”公司的系列产品。
Tac/Com系列收发器的设计是为了满足执法部门和公共服务/公共安全小组对战术调频通信系统的困难的机载要求。
Tac/Com系列的无线电控制头为最多四个收发器系统的战术无线电控制提供了一个集中的位置,这可以是NAT或其他制造。提供了每个无线电信道的字母标记或识别,以及接收和发射频率的显示,以简化所选信道的导频识别。
Tac/Com收发器系列设计为了用于飞机,这些部件组件也可以在车辆应用中操作(当正确订购时),为通信货车、紧急现场协调或监控提供同样的能力。
Tac/Com收发器系列使用先进技术的微处理器控制的频率合成,和NOVRAM通道数据存储来提供其强大的功能。收发机本身是完全模块化的,便于快速维修和服务。
Tac/Com系列收发器可以在整个Tac/Com系统架构中实现完整的功能操作,并在广泛的射频频率范围内提供灵活的操作。
使用串行和并行调谐的组合,这些收发器提供了一个简单的具有强大的通道能力。收发器的设计也一样支持对DES 1027或VGE格式的完全加密功能,无需修改。
也完全支持低音频(CTCSS)音调编码的压制和DPL编码,这些快速锁定合成无线电支持不同级别的扫描,如“PRIORITY”优先级或“SCAN”扫描列表格式。这些模式可以在操作员的完全控制下模拟多个“保护”接收器的操作,并可以在系统软件(控制头)中进行改变。基本无线电在2片非易失性存储器中存储32个频率,其中任何一个或全部都可以根据操作员的需要由Tac/Com系统控制头改变。
“直升机机载电子设备TAC/COM系列VHF电台NT030-NT150虚拟化仪表试验器” 是用于检测试验“机载电子设备TAC/COM系列VHF电台NT030-NT150”各项技术指标的设备,检测程序编程按照直升机维护手册“23-12-81”编写检测程序。
“直升机机载电子设备TAC/COM系列VHF电台NT030-NT150虚拟化仪表试验器”
系统连接如图所示:

直升机机载电子设备VHF电台NT030-NT150虚拟化仪表试验器设计-23
直升机机载电子设备TAC/COM系列VHF电台NT030-NT150工作原理-V
6、“136-153 MHZ 150-174 MHZ BOARD ASSEMBLIES”
6、136-153MHZ150-174 MHZ 基板组件:
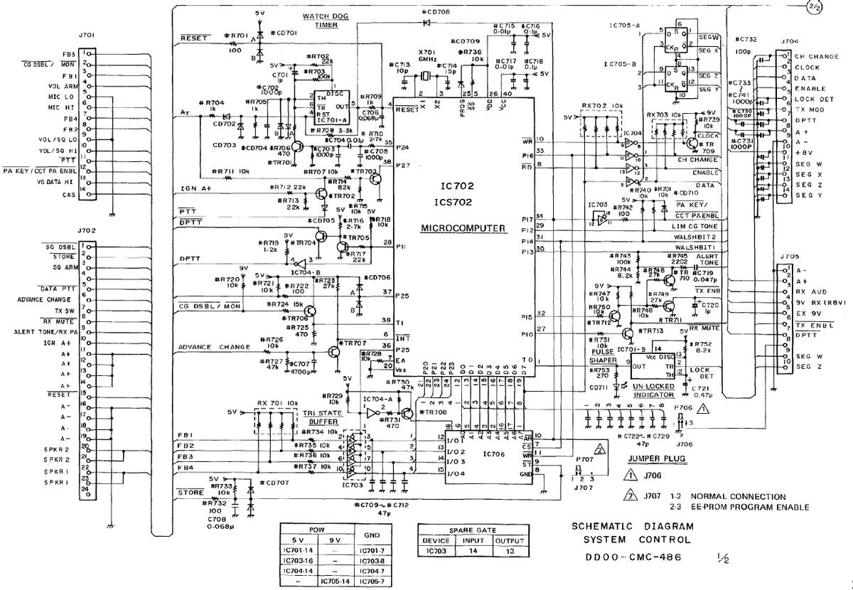
系统控制电原理图1/2(DD00-CMC-486):

系统控制电原理图2/2(DD00-CMC-486):

6.3.3、“SQUELCH CIRCUITS” 抑制电路:
抑制电路(HC60l)监测SQ ARM输出线上的噪声,并在上频信号降低噪声水平低于抑制阈值设置时,允许接收机不被静音。

音频前置放大器的300毫伏输出通过控制单元中的可变压控制应用到压电路。压制控制器设置了操作压制电路所需的噪声阈值水平。当噪声低于阈值水平时,接收器不静音。
抑制电路(HC601)包含一个高通滤波器、一个平均检测器、直流放大器和一个施密特触发器,如图1所示。
抑制电路(HC601)工作原理如图1所示:

由HC60 1-A组成的高通滤波器,去除从SQARM输出中的所有语音信号,并将噪声耦合到HC601-B。
由HC601-B组成的平均探测器采用了6-8 kHz范围内的噪声。噪声被校正和滤波,以提供与噪声输入成比例的平均直流输出电平。直流输出电平由RV601进行调整。

平均DC电平被HC601-C放大到从0到6.0 VDC的电平,并应用于施密特触发器的非反转输入,HC601-D。HC601-D的反相输入参考为4.5VDC。IC603-C提供了稳定的4.5VDC参考电压。
当直流电平超过4.5 VDC时,施密特触发器触发HC601-D开关,并向音频控制电路中的CAS(载波活动传感器)和RUS(接收器未压缩传感器)控制晶体管提供正电压。施密特触发器将保持打开,直到阈值电平1低于大约4.3VDC。启动点和关闭点之间的电压差异提供了足够的歇斯底里现象,以消除“冒泡”——即,在扬声器中发出的噪音。“鼓泡”通常是由参考点周围直流电平的过渡变化引起的,这使得接收器不静音。
当接收到通频信号时,在抑制输入处将有很少或没有噪声。这导致在抑制电路施密特触发器的输出端没有电压,允许接收机不被静音。
6.3.4、(AUDIO CONTROL)音频控制:
图2所示的音频控制电路控制音频门(IC601 -B)和最终音频PA的操作,

由TR601-605、

逆变器IC601-A和相关电路组成。

音频控制电路输入包括DPTT(延迟一键通话)、RX MUTE(接收器静音)、PA KEY/CCT PA ENB(公共地址密钥/载波控制定时器公共地址启用)和压制电路的输出。
当接收到具有正确信道保护音调的通频信号时,CAS控制晶体管TR601和RUS控制晶体管TR602由于其基极上没有正电压而关闭。

从TR601的收集器开始的CAS线上升到+9 VDC,并供应到J701-14。

RUS晶体管TR602的集电极也上升到+9 VDC,并开启逆变器IC601-A。

然后将A-应用于逆变器TR603的底座上,关闭它并允许其集电器变高。集电极上的正电压施加到音频栅极IC601-B,使其打开。

TR604是有偏差的,但对音频开关TR605没有影响。

该晶体管的基极连接到位于A-处的音频控制开关IC601-A-2的输出端。

因此,TR605关闭,允许输入音频到PA输入端,后者将音频功率提供给扬声器。

当打开麦克风时,DPTT输入值很低。这个低点被应用于音频门IC601-B通过CD603B,关闭IC601-B。

它也被应用于音频控制开关IC601-A(通过CD603A)关闭它。

TR603也关闭,TR604,TR605也打开。TR605短路的音频输入到音频PA IC602。
