2023镇江中考物理2模 (镇江二模物理试卷)

迎战中考2022年物理二模

江苏镇江卷

(本卷共30小题,考试时间:100分钟 试卷满分:100分)

注意事项:

注意:本试卷包含Ⅰ、Ⅱ两卷。第Ⅰ卷为选择题,所有答案必须用2B铅笔涂在答题卡中相应的位置。第Ⅱ卷为非选择题,所有答案必须填在答题卷的相应位置。答案写在试卷上均无效,不予记分。

一、选择题(本题有12小题,每小题2分,共24分。每题四个选项中,只有一个选项符合题意)

1.电磁感应现象是物理学史上的重大发现之一,最早发现这一现象的物理学家是( )。

A.焦耳 B.安培 C.奥斯特 D.法拉第

2.如图是小明“探究声音产生原因”的实验,用悬线下的轻质小球紧靠正在发声的音叉,发现小球多次被弹开。下列说法正确的是( )。

镇江二模物理试卷,江苏地区中考二模物理试卷

A.音叉发声是由于小球的跳动产生的;

B.小球的跳动说明声音能够传递信息;

C.小球的跳动说明空气能够传声;

D.用小球的跳动反映音叉的振动

3.对下列诗词中物态变化的分析,正确的是( )。

A.“露从今夜白,月是故乡明”,露的形成是熔化现象,需要吸热;

B.“遥知不是雪,为有暗香来”,雪的形成是凝固现象,需要放热;

C.“月落乌啼霜满天”,霜的形成是凝华现象,需要放热;

D.“斜月沉沉藏海雾”,雾的形成是汽化现象,需要吸热

4.“朝辞白帝彩云间,千里江陵一日还。两岸猿声啼不住,轻舟已过万重山。”李白这首脍炙人口的七言绝句,描绘了一幅闸述运动相对性的完美画卷,诗中的意境如图所示。从物理学的角度看,我们说舟中人是静止的,所选的参照物是( )。

镇江二模物理试卷,江苏地区中考二模物理试卷

A.白帝 B.江陵 C.两岸 D.轻舟

5.小敏同学参加中考体育模拟测试,结果最可能达到的是( )。

A.实心球成绩为80m;

B.立定跳远成绩为10m;

C.跳绳1s跳100次;

D.1000m跑步用时4min

6.小亮踢足球,球离开脚后向上运动到一定高度又落回地面,不计空气阻力,关于足球离开脚后的运动过程,下列说法中正确的是( )。

A. 上升过程中,足球受力方向是竖直向下的;

B. 上升过程中,小亮对足球做功;

C. 下落过程中,足球机械能总量增大;

D. 下落过程中,足球重力势能增大

7.在干燥的环境下,用丝绸摩擦两根玻璃棒,手持其中一根靠近被吊起的另一根,它们相互排斥。下列说法中正确的是( )。

A. 玻璃棒失去电子带正电;

B. 玻璃棒得到电子带正电;

C. 在潮湿的环境下重复实验,它们相互吸引;

D. 玻璃棒在任何条件下都是绝缘体

8.常用智能手机是通过指纹开关S1或密码开关S2来解锁的,若其中任一方式解锁失败后,锁定开关S3均会断开而暂停手机解锁功能,S3将在一段时间后自动闭合而恢复解锁功能。若用灯泡L发光模拟手机解锁成功,则符合要求的模拟电路是( )。

A.

镇江二模物理试卷,江苏地区中考二模物理试卷

B.

镇江二模物理试卷,江苏地区中考二模物理试卷

C.

镇江二模物理试卷,江苏地区中考二模物理试卷

D.

镇江二模物理试卷,江苏地区中考二模物理试卷

9.如图轻杆(不计杠杆重力),O为支点,物重为30N,OA:AB=1:2,在竖直向上的拉力作用下始终保持平衡状态。下列说法,正确的是( )。

镇江二模物理试卷,江苏地区中考二模物理试卷

A.该杠杆与镊子类型相同;

B.图甲位置时,拉力大小为15N;

C.图甲位置时,若仅增加物重,则拉力的变化量与物重的变化量之比为3:1;

D.如图乙保持拉力方向不变,将轻杆匀速提到虚线位置,拉力不变

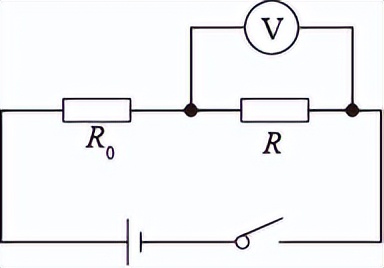
10.某兴趣小组设计了酒精浓度检测仪的模拟电路,如图所示的电路图中,电源电压保持不变,

镇江二模物理试卷,江苏地区中考二模物理试卷

是定值电阻,

是气敏电阻,它的阻值随酒精气体浓度的增大而减小,能实现酒精气体浓度越大,电压表示数越大的电路图是( )。

A.

镇江二模物理试卷,江苏地区中考二模物理试卷

B.

镇江二模物理试卷,江苏地区中考二模物理试卷

C.

镇江二模物理试卷,江苏地区中考二模物理试卷

D.

镇江二模物理试卷,江苏地区中考二模物理试卷

11.在“探究平面镜成像的特点”时,下列说法正确的是( )。

A.物体在平面镜中所成的像是虚像;

B.当物体远离平面镜时,它在镜中的像将变小;

C.如果物体比平面镜大,则物体在镜中的像不是完整的像;

D.用一块不透明的木板挡在平面镜与像之间,像就会被遮挡住

12.如图所示的电路,电源电压保持不变,闭合开关S,滑动变阻器的滑片P由B端向A端移动过程中,小灯泡L始终发光(忽略温度对小灯泡电阻的影响)。下列说法正确的是( )。

镇江二模物理试卷,江苏地区中考二模物理试卷

A.电流表示数变小;

B.电路的总功率变大;

C.电压表V1 示数与电流表示数的比值变小;

D.电压表V2 示数与电流表示数的比值变大

二、填空题(本题共7小题,每空1分,共28分)

13.测量是生活和学习中的一项基本技能。图甲中,铁块的长为_________

镇江二模物理试卷,江苏地区中考二模物理试卷

;图乙中停表的读数______

;图丙中,温度计的示数是_______

镇江二模物理试卷,江苏地区中考二模物理试卷

镇江二模物理试卷,江苏地区中考二模物理试卷

14.小齐站在距平面镜1.6m处整理衣着,他在镜中的像与他本人的距离是   m;当他沿着与镜面垂直方向水平移动1m后,他在镜中像的大小将   (选填“变大”“不变”或“变小”)。快到午饭时间,小齐坐在教室里闻到了食堂炒菜的气味,这说明菜分子和油分子作   。

15.2020年6月23日,我国北斗三号全球卫星导航系统的最后一颗组网卫星成功发射,能为全球提供导航、定位、授时和短报文等服务。

(1)北斗卫星之间利用_____________(填“次声波”“电磁波”或“超声波”)相互传递信息,实现“星间链路”;

(2)“北斗+”让天地互通更加智慧。在某公交年站,一同学从电子站牌上看到一辆公交车需要时6分钟行驶3.2千米才能到达某站,由此他预测该车的速度是_____________千米/小时,该车实际上提前8秒到达此站,它的行驶速度是_________(结果保留两位小数)米/秒。

16.搓手是通过_____方式改变内能的;运动员打乒乓球,球弹出,这主要是表明力可以改变物体的_____;山顶的气压比山脚的气压_____(填高或低)。

17.海上护航舰艇都采用前后编队航行,是因为舰艇平行急速行驶时,舰艇间水流速度大,压强______(选填“大”或“小”),会发生相撞事故。三峡大坝的船闸是利用______原理修建的,大坝上游水深100m处的压强是______Pa。(g=10N/kg,水的密度ρ=1.0×103 kg/m3 )

18.如图是现在家庭常用的电子式电能表表盘,表盘上标有3000r/(kW•h),表示每消耗1kW•h的电能,指示转盘转动3000次。小明将某家用电器单独接在该电能表上正常工作6min,电能表指示灯闪烁了300次。该家用电器消耗的电能______J,该家用电器的额定功率是______W,则这个家用电器可能是______(选填“电热水壶”、“台灯”或“电视机”)。

镇江二模物理试卷,江苏地区中考二模物理试卷

19.如图是小明自制的一种测定油箱内油面高度的装置。油量表是由量程为0~0.6A的电流表改装而成的,滑动变阻器R的最大阻值为20Ω,从油量表指针所指的刻度,就可以知道油箱内油面的高度。已知电源电压为12V,当油箱内油面高度最高时,R的金属滑片在最下端,油量表指针满偏;当油箱内没有油时,R全部接入电路,油量表的读数最小。则R0 的阻值是______Ω,油量表的最小读数是______A;当油箱内油面的高度降为最高油面一半时,滑片正好在R的中点,此时油量表的读数是______A,据此推理油量表的刻度______(“均匀/不均匀”)。

镇江二模物理试卷,江苏地区中考二模物理试卷

20.我国最新研发的63A式轻型水陆两栖坦克的质量为24t,它在陆地上行驶时与水平地面接触的总面积为8m2,对地面的压强为_______Pa;坦克的前部和后部各装有一个浮控箱,当坦克在水面上浮渡时,它受到的浮力是_________N,排开水的体积为________m3。(ρ水=1×103kg/m3,g=10N/kg)

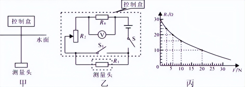
21.如图甲、乙所示,某科技小组自制了一个测量水深度的装置,它由测量头和控制盒构成,测量头的测量面是一个涂有绝缘漆的面积为2cm2的压敏电阻R1,R1的电阻随水对它的压力F的变化而变化关系如图丙所示。控制盒内有一个定值电阻R0和一个最大阻值为90Ω的滑动变阻器R2,电源电压保持不变.通过电路调节,可使控制盒的功率达到最大值Pm,科技小组通过控制盒的功率最小值和Pm的比值来标记水的深度.不计导线的电阻,电压表的量程为0~3V。小组在确保电路安全的情况下,进行如下电路操作:(ρ水=1.0×103kg/m3,g取10N/kg)

镇江二模物理试卷,江苏地区中考二模物理试卷

(1)R1未放入水中时,闭合S,断开S1,将R2的滑片移至最上端,此时电压表示数达到最大值,R0的电功率为P0;求:R1未放入水中时的电阻为_______Ω;

(2)测量头放到水下深度h1=10m时,闭合S,断开S1,将R2的滑片移至某一位置时,R0的电功率为P'0,电路的总功率为P总,R1的电功率为P1,已知P0:P'0=9:4,P总:P1=6:1,求:此时R0两端的电压为_______V;

(3)测量头放到水下深度h2=3m时,调节电路,控制盒的最小功率与Pm的比值为______。

三、作图题(本大题共3小题,共6.0分)

22.画出图中漂浮在水面上小球受力的示意图。

镇江二模物理试卷,江苏地区中考二模物理试卷

23.如图,当闭合开关S后,用细线悬挂的条形磁体与通电螺线管相互吸引,请在图中虚线上标出磁感线的方向,并在括号内标出条形磁体左端的极性。

镇江二模物理试卷,江苏地区中考二模物理试卷

24.请在图中连接家庭电路的电路图.要求:L1灯、L2灯并联,开关S控制两盏灯.

镇江二模物理试卷,江苏地区中考二模物理试卷

四、实验探究题(本大题共3小题,共20.0分)

25.(6分)如图所示,小明用弹簧测力计、木块、砝码、长木板和毛巾探究影响滑动摩擦力大小因素的实验。

镇江二模物理试卷,江苏地区中考二模物理试卷

(1)实验过程中,应拉着木块在木板上做_______运动,弹簧测力计的示数如图所示,则木块受到的滑动摩擦力大小为______N ;

(2)对比甲、乙两次实验,是为了探究滑动摩擦力的大小与_______的关系。图甲中,若拉着木块以较大的速度匀速运动,木块所受摩擦力的大小_______(填变大、变小或不变);

(3)小明想进一步探究滑动摩擦力的大小与接触面粗糙程度的关系,进行了图丙的实验,当测力计示数达到最大值时仍没拉动木块,为了使用现有实验器材顺利完成此实验探究,小明可采取的办法是:_______。

26.(6分)小梁“探究凸透镜成像规律”的实验时:所使用的凸透镜焦距是15cm。

镇江二模物理试卷,江苏地区中考二模物理试卷

(1)如图所示,分别放置蜡烛、凸透镜和光屏,下列说法正确的是_____(填字母);

A.将三者中心调至同一直线

B.将三者中心调至同一高度

(2)当把凸透镜固定在 50cm 刻度线位置,蜡烛固定在15cm刻度线位置时,光屏应在______(选填“Ⅰ”、“Ⅱ”或“Ⅲ”)区域内左右移动,才能在光屏上得到清晰的像。若得到清晰的像后,只将光屏和蜡烛的位置对调,则像的大小将_____(选填“变大”、“变小”或“不变”);

(3) 当屏上的像清晰时,小梁把自己的近*眼镜视**放在凸透镜和蜡烛之间,光屏上的像变得模糊不清,她应该向______凸透镜方向移动光屏(选填“靠近”或“远离”),可再次得到清晰的像,当凸透镜成实像时,物距增大,像距会_______(选填“增大”、“减小”或“不变”);

(4) 蜡烛逐渐燃烧变短时,光屏上烛焰的像随之_______(选填“上升”、“下降”或“不变”)。

27.(8分)用图甲电路测量小灯泡电功率,电源电压恒为3V,小灯泡的额定电流为0.2A,额定电压小于 3V 。

镇江二模物理试卷,江苏地区中考二模物理试卷

(1)连接电路时,开关应处于___________状态。

(2)请用笔画线代替导线,将图甲中的实物电路连接完整。(_____)

(3)电路连接正确后,闭合开关,发现小灯泡不亮,但电流表有示数,接下来应进行的操作是___________(填序号)。

A.更换小灯泡

B.检查电路是否断路

C.移动滑动变阻器滑片,观察小灯泡是否发光

(4)问题解决后,某时刻电流表示数如图乙所示,示数为___________A,要测量小灯泡的额定功率,应将滑片P向___________(填“左”或“右”)端移动,使电流表示数为0.2A。

(5)移动滑片P,记录多组数据,绘制成IU图像。根据图丙所给信息,计算出小灯泡的额定功率是________W;进一步分析图丙可知,实验过程中小灯泡的电阻发生变化,电阻变化的主要原因是__________。

(6)对实验现象进一步分析可知:小灯泡的实际功率越大,小灯泡亮度越大。但某同学发现:标有“220V 8.5W”的LED灯与标有“220V 60W ”的普通白炽灯都正常发光时,亮度几乎相当。请分析造成这一现象的原因可能是___________(填序号)。

A.两灯的实际功率相同

B.相同时间内,电流通过两灯做功不同

C.两灯将电能转化为光能的效率不同

五、计算题(本大题共2小题,共14.0分)

28.如图用滑轮组提起重 630N的物体,绳子自由端拉力F为300N,重物以0.2m/s的速度匀速上升3m,不计摩擦和绳重,求:

镇江二模物理试卷,江苏地区中考二模物理试卷

(1)滑轮组对物体做的有用功;

(2)滑轮组的机械效率;

(3)拉力做功的功率。

29.电动汽车是绿色环保型交通工具,它的特征是效率高、噪声小、无废气排放、无油污。如图所示是淮安市某景区电动观光车,该车技术参数如表所示。

空载质量

1080kg

空载时轮胎与水平面的接触面积

镇江二模物理试卷,江苏地区中考二模物理试卷

电动机的额定功率

4kW

(1)观光车静止在水平地面上,空载时对地面的压强是多大?(g取10N/kg)

(2)观光车的电动机以额定功率工作0.5h,消耗多少电能?

(3)在题(2)条件下,观光车受到牵引力为320N,运动路程为18km。在该过程中牵引力做多少功?电能转化为机械能的效率是多少?

镇江二模物理试卷,江苏地区中考二模物理试卷

六、综合题(本大题共1小题,共8.0分)

30.阅读短文,回答问题。

喷 泉

喷泉是利用水泵将水喷洒成特定形态的水表演艺术。水泵由电机带动工作时,水泵的叶轮高速旋转,驱使水飞离叶轮向外喷出,从而在叶轮中心区形成真空,将池中的水不断“吸”上来,水泵转速恒定时,喷出的水柱高度稳定。

音乐喷泉用计算机采集音乐的声音频率特征,并将其转化为控制信号,用以改变输入电机的电源频率;电源频率的改变使水泵的转速发生变化,达到调节水柱高度的目的。水泵的流量与转速成正比,扬程与转速的平方成正比,流量指水泵单位时间内喷出水的体积,扬程指水泵能将水提升的高度。

图甲所示的是一游乐喷泉向上喷出的水柱使卡通模型悬停在空中的照片,喷泉使用的水泵的部分参数如表一,模型悬停在空中时,水冲击到模型时的速度v与模型的质量M、水泵流量Q之间的关系如表二。

表一

额定转速n

2900r/min

额定流量Q

0.04m3/s

额定扬程H

8m

额定功率P

7.5kW

表二

速度v/m•s﹣1

1.0

2.0

3.0

4.0

6.0

质量M/kg

3.0

6.0

12.0

12.0

12.0

流量Q/m3•s﹣1

0.03

0.03

0.04

0.03

0.02

(1)欣赏音乐喷泉时,悦耳的声音是通过________传入人耳的;水泵的叶轮中心区形成真空时,水池中的水在________的作用下不断地进入水泵内。

(2)下列关于喷泉的有关说法,正确的是________。

A.卡通模型所受重力与水对模型的冲击力是相互作用力

B.向上喷出的水在上升过程中的速度处处相等

C.阳光下喷泉附近常出现的彩虹是由光的反射引起的

D.音乐喷泉通过采集声音中的音调信息控制水泵的转速

(3)某喷泉装有四台参数如表一的水泵。第一次调试时水泵转速为额定值的0.9倍,则此时扬程为________m;第二次调试时四台水泵都在额定功率下工作,每台水泵先依次各喷20s,然后一起喷70s停喷,则这次调试过程四台水泵消耗的电能为________kW•h。

(4)分析表二数据,当卡通模型的质量为10kg,水冲击模型时的速度为5.0m/s时,对应的流量为________m3/s,水泵每秒喷出水的质量为________kg。

(5)如图乙为控制喷泉断续工作的模拟电路,AB两端输入如图丙所示的周期性变化的电压UAB.定值电阻R=2Ω,D为电子元件,当UAB<6V时,D两端的电压UD等于输入电压,UAB≥6V时,UD保持6V不变。当R的电功率满足PR≥8W时,水泵启动喷水。则t=3s时电阻R的电功率为________W;该电路工作20min,喷水时间共为________s。

镇江二模物理试卷,江苏地区中考二模物理试卷