三种基本的非隔离开关电源

三种基本的隔离开关电源

反激变换器(Flyback)工作原理 (电流连续模式)

反激变换器(Flyback)优缺点

谐振复位正激变换器

谐振复位正激变换器优缺点

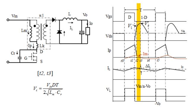
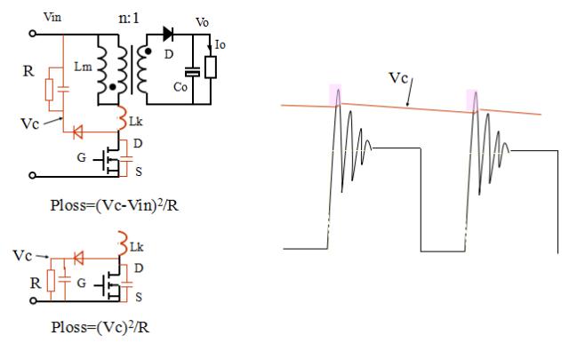
有源钳位正激变换器

有源钳位变换器优缺点

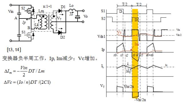
桥式变换器

桥式变换器优缺点

几种隔离式变换器之比较

AC/DC Application Block Diagram

- END -
电子工程师学电源必看
《精通开关电源设计(第2版)》
现在免费送~

观看“工业自动化和汽车电源”直播
即可参与直播间送书
京东“电子与通信销量榜 第 12 位”
定价:99元(共6本)

限时免费200人,已报名133名
(识别下方二维码即可观看&参加活动)
(点击阅读原文也可观看&参加活动)
本次直播精彩主题
1、汽车电子与领域新技术与新方案案例分享
2、霍尔效应位置编码器与电机驱动基本原理及典型案例分享
3、DCDC的EMI原理及对策
4、MPS的DCDC电源技术趋势及电源控制方法介绍
点击阅读原文,可直接报名看直播,参与送书!