经常打羽毛球的朋友们或许会对羽球的规则比较熟悉,但是今天我要说的知识,说不定你还真不太了解。今天我们来分享一下关于羽毛球场地的知识,比如:场地的尺寸是多少,每根线之间的距离又是多少,球网的高度是多少等等,一起来看看吧。
了解羽毛球场地尺寸的目的:你所处的位置到网前或者是底线的距离,以及你采用什么样的步伐才能更容易到达。
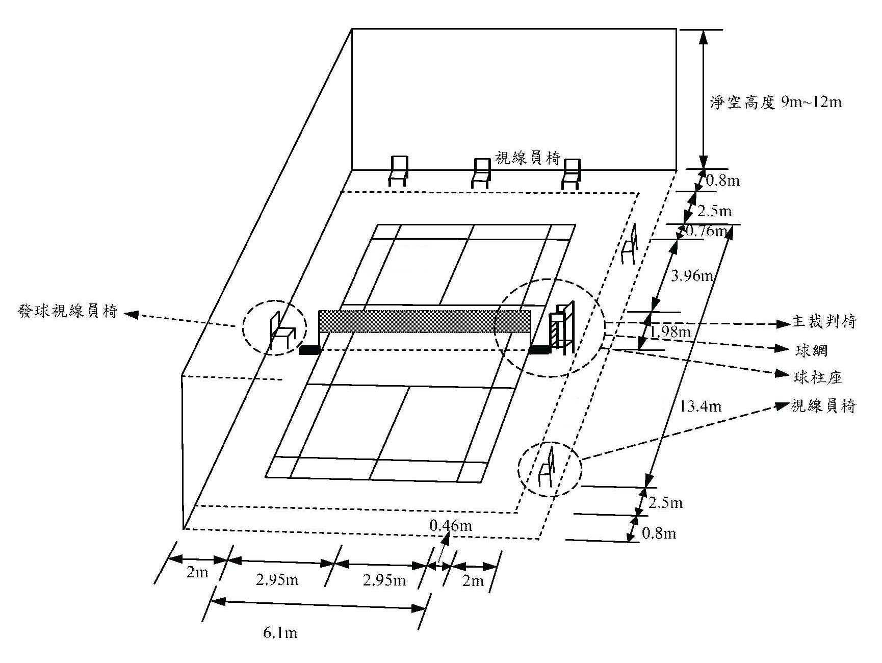
话不多说,我们先看一张羽毛球场的平面图:

根据这个平面图,我们得知尺寸如下:羽毛球场地是一个长13.4米,宽6.1米的长方形,所以从球网到底线的距离是6.7米,也就是半场的距离。一个半场有三条横线,分别是前发球线,双打后发球线和单打后发球线;五条纵线,从前发球线中心到单打后发球线中线,我们称之为中线。中线往两侧方向分别是单打边线和双打边线。

- 前发球线:发球时球必须落在对方前发球线以内。如果落在前发球线和球网之间,则视为出界,司线员会喊出“出界”或者“OUT”。
- 双打后发球线:在双打时,发球方必须使球落在该线之内,如果超出,则会视为出界。
- 单打后发球线:则是规定了单打发球的最远距离,也是在比赛中球的最远落点。
- 中线:将场地分为左右两区,主要作用是针对发球时的站位进行规定。
- 单打边线:规定了单打时左右两侧的最远距离,超出即为出界。同理双打边线是规定了双打时左右两侧的最远距离。
除此之外,我们在打球时会遇到“压线”的情况,该怎么理解?
羽毛球场地的所有线宽为4厘米,所以球头压线的几率非常大。而从上图可知,场线也属于球场的一部分,所以只要球头有一丝压在线上,也属于界内。不过对于司线员而言不一定能看的真切,所以我们在看大型比赛时,选手有挑战鹰眼的权利,通过摄像机来看清楚球头是否压线。
下面我们再看下球场的立体图:

通过立体球场我们看出:在赛场上有一名主裁判,一名发球裁判,以及8名司线员。主裁判是一片球场的最高裁判,可以判定、制裁该片球场的所有事宜。而运动员的所有请求,必须征得主裁判的同意之后方可进行,比如:换球、擦地板、挑战、受伤需要医疗及暂停等。除此之外,主裁判还须播报比分,播报胜负,纠正站位,纠正司线员判罚等诸多权利。
- 发球裁判:主要是在发球方发球时进行裁定是否违例,协助运动员换球;
- 司线员:在死球时对球的落点进行判定。若是界内则做出手势;若是界外球,在做出手势的同时须大声喊出:出界或者OUT;还有第三种情况,如果司线员未看清球的落点,则双手捂眼,示意自己未看清。此时则由主裁判进行裁定。

另外,球网的小知识大家也可以了解:羽毛球网长6.10米、宽76厘米,为优质深色的天然或人造纤维制成,网孔大小在15-20毫米之间。无论是单打还是双打,两根网柱都应分别立在双打场地边线的中点上。网柱高1.55米,所以,球网两端高度为1.55米。但球网是软的,所以中间肯定会低于边缘,在正式比赛中,球网中部上沿离地面必须为1.524米高。
通过以上的内容,我们是否可以更加明白羽毛球赛事的基本知识了呢?