迎战中考2022年物理一模
山东菏泽卷
(本卷共29小题,全卷共四个大题,满分100分)
一、选择题(本大题包括12小题,每小题2分,共24分。在每小题给出的四个选项中,只有一项符合题目要求,多选、错选均不得分)
1.下列学习用品中,通常情况下属于绝缘体的是( )。
A.铅笔芯 B.塑料尺 C.铁质铅笔盒 D.金属小刀
【答案】B。
【解析】铅笔芯、铁、刀片是导体;塑料是绝缘体。故选B。
2.下列用电器中,利用电流热效应工作的是( )。
|
|
|
|
|
A |
B |
C |
D |
【答案】A。
【解析】电流的热效应指的是,用电器将电能转化为内能。电饭锅工作时就是将电能转化为内能来工作的,A正确;抽油烟机将电能转化为机械能,B不符合题意;电视机和笔记本电脑工作时,主要将电能转化为声和光,C、D不符合题意。
3.下列事例中利用惯性的一组是( )。
①汽车行驶时,司机系着安全带;②火车进站前,撤去动力,仍能进站;③上岸后的鸭子,振动翅膀,把身上的水抖掉;④骑自行车蹬几下后可以让它滑行。
A.②③④ B.①③④ C.①②④ D.①②③
【答案】A。
【解析】①汽车行驶时,司机系着安全带;是因为物体存在惯性,系安全带是为了防止事故的发生,不属于利用惯性的例子。
②火车进站前,撤去动力,仍能进站;此是在物体惯性作用下能继续往前运动,属于利用惯性的例子。
③上岸后的鸭子,振动翅膀,把身上的水抖掉;因为有惯性,抖动翅膀,翅膀上水跑掉了,属于利用惯性的例子。
④骑自行车蹬几下后可以让它滑行;此是利用惯性的例子。
故利用惯性的例子是②③④,正确答案是A。
4.教室的门关不紧,常被风吹开。小明在门与门框之间塞入硬纸片后,门就不易被风吹开了,下列解释合理是( )。
A.门被风吹开是因为门没有受到摩擦力的作用;
B.门没被吹开是因为风吹门的力小于摩擦力;
C.塞入硬纸片是通过增大压力来增大摩擦;
D.塞入硬纸片是通过减小接触面的粗糙程度来减小摩擦
【答案】C。
【解析】静止状态是平衡状态,处于平衡状态的物体,一定受到破坏力作用;门被吹开,平衡状态被打破,但不能说门没有受到摩擦力作用。故此题答案如下:
A:门被风吹开是因为门没有受到摩擦力的作用;此说法错误。门被吹开是因为风吹门的力大于摩擦力产生的。
B:门没被吹开是因为风吹门的力小于摩擦力;此说法错误。门没被吹开,是门处于静止状态,风吹门的力等于摩擦力。
C:塞入硬纸片是通过增大压力来增大摩擦;此说法正确。塞入硬纸片后,门与门框之间的压力增大,摩擦力增大。
D:塞入硬纸片是通过减小接触面的粗糙程度来减小摩擦;此说法错误。塞入硬纸片不是为了减小接触面的粗糙程度,也不是为了减小摩擦。
5.关于声现象,下列说法正确的是( )。
A.声音是由于物体振动产生的;
B.声音传播的速度是340m/s;
C.“闻其声,不见其人”是根据音调来分辨人的;
D.戴上耳罩可以防止噪音的产生
【答案】A。
【解析】声音是由物体振动产生的,声音在空气中的传播速度是340m/s,辨别发声体是靠声音的音色;噪声的控制有三个方面:控制噪声的产生、控制噪声的传播、防止噪声传入人耳。由此可知,声音是由物体振动产生的,此说法正确;声音在不同介质中的传播速度不同,所以,只说声音传播速度是340m/s是错误的;“闻其声,不见其人”是根据音色分辨人的,不是音调,故C错;带耳罩是防止噪声进入人耳,不是防止噪声的产生,故D错。
6.随着人民生活水平的提高,居民家里用电器的种类和数目在不断增加,给我们生活带来方便的同时也带来安全隐患。下列做法正确的是( )。
A.开关应接在灯和零线之间;
B.用电器的金属外壳不用接地线;
C.在现有的照明电路中,增加大功率用电器时只需换上足够粗的保险丝即可;
D.当电路被保险丝装置切断时,要先找到发生事故的原因,排除之后再恢复供电
【答案】D。
【解析】A:开关接在零线和灯泡之间,断开开关时,灯泡还和火线相连,接触灯泡,容易发生触电事故;不符合题意。
B:有金属外壳的用电器必须使用三线插头,三线插头插入三孔插座时,使金属外壳和大地相连,避免触电事故的发生;不符合题意。
C:在现有的照明电路中,增加用电器时,电路中的总功率会增大,所以要同时考虑电能表、输电线和保险丝的承受能力,故C不符合题意。
D:保险丝熔断后,可能是使用的电器总功率过大,也可能是短路故障引起的,因此保险丝熔断后,更换上新的保险丝,检修线路正常后才可以恢复供电,故D符合题意。
7.如图所示,在保证安全的情况下,肯定能用滑动变阻器调节小灯泡由亮到灭的是( )。
A.

B.

C.

D.

【答案】D。
【解析】A、图A中滑动变阻器与灯泡并联,当滑片P滑到左端时,会引起灯泡短路,实现灯泡由亮到灭,但不安全,故A错误;
B、图中滑动变阻器与灯泡串联,当滑片P左右滑动时,只能改变灯泡亮度,不能使灯泡熄灭,故B错误。
C、图C中滑动变阻器与灯泡并联,当滑片P滑到右端时,会引起电源短路,故C错误。
D、图B中滑动变阻器与灯泡并联,当滑片P滑到右端时,会引起灯泡短路,实现灯泡由亮到灭,故D正确。故选D。
8.如图所示的单摆,小球在ab间往复摆动的过程中,下列说正确的是( )。
A.小球在a点时的动能最大;
B.小球在b点时的动能最大;
C.小球在c点时的动能最大;
D.小球由c到a的运动过程中,重力势能不断转化为动能

【答案】C。
【解析】A:小球在a点时,速度最小,动能最小,该选项说法不正确。
B:小球在b点时,速度最小,动能最小,该选项说法不正确。
C:小球在c点时,速度最大,动能最大,该选项说法正确。
D:小球从c点到a点的过程,高度增加,重力势能增大,速度减小,动能减小,是动能转化成了重力势能,该选项说法不正确。
9.许多家庭的卫生间都安装有照明灯和换气扇。使用时,有时需要各自独立工作,有时需要它们同时工作。如图所示的电路中,你认为符合上述要求的是( )。

【答案】D。
【解析】分析题意要求电灯与风扇相互不影响,能独立工作,故应使电灯与风扇并联,且要“各自独立工作”说明各自的支路有一个开关控制,干路上没有开关。故选D。
10.把质量相等的两块橡皮泥分别捏成实心球状和碗状,轻轻放到水面,静止之后,实心球橡皮泥沉到容器底部,碗状橡皮泥漂浮在水面,如图所示,则它们所受浮力的大小关系是( )。

A.F球>F碗 B.F球<F碗 C.F球=F碗 D.F球≥F碗
【答案】B。
【解析】因为实心球橡皮泥沉到容器底部,所以实心球橡皮泥受到的浮力:F球<G;
因为碗状橡皮泥漂浮在水面,所以碗状橡皮泥受到的浮力:F碗=G;
由此可得:F球<F碗。故选B。
11.关于家庭电路和安全用电常识中,下列做法错误的是( )。
A.家庭电路中,控制灯泡的开关应该接在火线上;
B.发现有人触电时,应该立即用手将其拉开;
C.使用试电笔时,笔尖应该接触被测导体,手应该接触笔尾金属体;
D.卫生间应该安装带有防水盖的多功能插座
【答案】B。
【解答】A、家庭电路中控制灯泡的开关应该接在火线和灯泡之间,这样断开开关时,灯泡处才不会带电;故A正确。
B、发现有人触电时,不要直接去救援,因为人体是导体,如果接触触电人,救援人员可能直接或间接接触火线,发生触电事故,所以一定先切断电源,故B错误;
C、使用试电笔时笔尖应该接触被测导线,手指按住笔尾金属体,故C正确;
D、水是导体,卫生间若不安装带有防水盖的多功能插座,容易触电,故D正确。故选B。
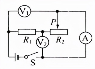
12.如图所示的电路中,电源两端的电压保持不变。闭合开关S,将滑动变阻器的滑片P向右移动,下列说法正确的是( )。

A.电流表A的示数变小,电压表V1的示数变大;B.电流表A的示数变小,电压表V2的示数变大;
C.电压Vl与电压表V2的示数之和保持不变; D.电压表V2与电流表A的示数之比保持不变
【答案】B。
【解析】A.电流表A的示数变小,电压表V1的示数变大,不合题意;
B.电流表A的示数变小,电压表V2的示数变大,符合题意;
C.电压Vl与电压表V2的示数之和保持不变,不合题意;
D.电压表V2与电流表A的示数之比保持不变,不合题意。故选B。
二、填空题(本题包括5个小题,每空1分,共10分)
13.如图所示是一种液面升降监测装置原理图。点光源S发出的一束激光与水平液面成50°角射向平静的液面,入射光线与反射光线的夹角为___;光经液面反射后射到液面上方水平标尺上的S′点,当液面下降时,光点S′将___(选填“向左”、“向右”或“不会”)移动。

【答案】80°;向右。
【解析】(1)由“激光与水平液面成50°角射向平静的液面”,可得入射角为90°−50°=40°。因反射角等于入射角,所以反射角也为40°,则入射光线与反射光线的夹角为80°。
(2)当液面发生变化,下降时,由于入射角的大小不变,所以反射光线与原来的反射光线平行;反射光斑将向右移到A的位置,如图所示。

故答案为:80°;向右。
14.太空中,宇航员在太空舱外部工作时,需通过无线电通信设备进行交谈,说明电磁波的传播_________介质(填“需要”或“不需要”);电磁波的传播速度与光速_________ (填“相等”或“不相等”)。
【答案】不需要;相等。
【解析】电磁波可以在真空中传播,不需要介质.电磁波在真空中的传播速度为:3×108m/s,和光速一样。
故答案为:不需要;相等。
15.以下能源:①风能、②农村自制沼气、③核能、④秸秆煤气、⑤水能、⑥水煤气、⑦潮汐能、⑧电能。属于二次能源的有________;属于一次能源的有________。(均填序号)
【答案】②④⑥⑧;①③⑤⑦。
【解析】农村自制沼气、秸秆煤气、水煤气、电能都需要通过一次能源加工才能得到,如沼气和秸秆煤气需要通过生物质能得到、水煤气需要通过煤得到、电能则是通过其他各种形式的能源转化而来。
16.同一直线上有三个力,其大小分别为:5N、7N、12N,则三个力合力最大为 N,最小为 N。
【答案】24;0。
【解析】当三个力的方向相同时,合力最大,F=5N+7N+12N=24N。
当5N、7 N两个力的方向相同,且与12N的力方向相反时,合力最小,F'=5N+7N-12N=0。
故答案是:24N和0。
17.2017年5月18日,我国在南海海域“可燃冰”试采成功,“可燃冰”作为新型能源,有着巨大的开发使用潜力。同等条件下,“可燃冰”完全燃烧放出的热量达到煤气的数十倍,说明“可燃冰”的 很大;以10倍的关系粗略计算,1kg“可燃冰”完全燃烧出的热量为 J。(q煤气=4.2×107J/kg)
【答案】热值、4.2×108。
【解析】(1)在同等条件下,包含质量相同,“可燃冰”完全燃烧放出的热量达到煤气的数十倍,说明“可燃冰”的热值很大。
(2)1kg煤气完全燃烧放出的热量:Q放=mq=1kg×4.2×l07J/kg=4.2×l07J,
1kg“可燃冰”完全燃烧放出的热量:Q放′=Q放×10=4.2×l07J×10=4.2×l08J;
故答案为:热值、4.2×108。
三、作图与实验探究(本题包括9个小题,共47分。按题目要求在答题卡上相应位置作答)
18.(2分)如图所示,用细绳悬挂一个小球,小球与光滑斜面相接触,并保持静止,绳子处于竖直状态;请画出小球的受力示意图。


【答案】如图。
【解析】小球与光滑斜面接触,故小球不受摩擦力作用。此时小球受到重力和绳子对小球的拉力。力的示意图如图。
19.(2分)如图所示,小磁针静止时,标出电源的“+”、“﹣”极及小磁针的N极。

【解析】因为磁感线总是从磁体的N极出发,所以螺旋管的右端为N极,左端为S极,则小磁针的右端为N极,根据安培定则可以判断出电源的左端为正极,右端为负极,如图所示。

20.(2分)如图所示是电流表的使用上分别存在的问题,请在下面横线上写出造成其现象的原因。

甲同学的问题:____________________________________;
乙同学的问题:____________________________________。
【答案】(1)电流表的正负接线柱接反了;(2)电流表的量程接大了。
【解析】(1)由甲图可知,指针反转,说明正负接线柱接反了;(2)由乙图可知,指针偏转角度太小,说明量程选择过大了。
故答案为:(1)电流表的正负接线柱接反了;(2)电流表的量程接大了。
21.(6分)刘伟同学为了探究“运动和力的关系”,设计了如图所示的斜面实验。

(1)为了使小车在滑到水平面时的初速度相同,在实验中刘伟让小车从同一斜面的同一高度由静止开始滑下,刘伟采用的研究问题的方法是 。
(2)从甲、乙、丙三次实验小车所停位置情况看, 图中小车所受阻力最大。
(3)刘伟从实验推理可知,若水平面绝对光滑,则运动的小车会在水平面上做 运动。
(4)牛顿在前人研究成果的基础上,总结处牛顿第一定律,它的内容是: 。
【答案】(1)控制变量法;(2)甲;(3)匀速直线;(4)一切物体在没有受到力的作用时,总保持静止状态或匀速直线运动状态,除非作用在它上面的力迫使它改变这种运动状态。
【解析】(1)让小车每次从斜面的同一高度由静止开始滑下,这样做是为了使小车到达水平面时的机械能相同,速度相同;采用的方法是控制变量法。
(2)在这三次实验中,小车在毛巾表面上运动的距离最短,这是因为毛巾表面最粗糙,小车在该表面受到的阻力最大。
(3)若水平面绝对光滑,小车在水平方向上不受力的作用,小车的运动状态将不发生改变,小车将保持原来的速度进行匀速直线运动。
(4)牛顿第一定律的内容是:一切物体在没有受到力的作用时,总保持静止状态或匀速直线运动状态,除非作用在它上面的力迫使它改变这种运动状态,这就是牛顿第一定律,也叫惯性定律。
故答案为:(1)控制变量法;(2)甲;(3)匀速直线;(4)一切物体在没有受到力的作用时,总保持静止状态或匀速直线运动状态,除非作用在它上面的力迫使它改变这种运动状态。
22.(6分)在探究”影响液体内部压强大小的因素”的实验中

(1)实验中液体压强的大小变化是通过比较U形管两侧液面_______的变化,将探头放进盛水的容器中,探头的橡皮膜受到水的压强会_______(选填”内凹”或“外凸”)
(2)通过比较C、D两个图,可得到结论:同一种液体的压强随______的增加而增大
(3)通过比较D、E两个图,可得到结论:在深度相同时,液体的_______越大,压强越大
(4)通过比较A、B、C三个图,可得到结论:__________________________________。
【答案】(1) 高度差;(2)内凹;(3) 深度;(4)密度;(5)在同一液体,同一深度,液体向各个方向的压强相等。
【解析】(1)实验中液体压强的大小变化是通过比较U形管两侧液面高度差的变化,将探头放进盛水的容器中,探头的橡皮膜受到水的压强会内凹;(2)C、D两个图中是同种液体,探头在液体中所处深度不同,两U型管的高度差不同,所以可得到结论:同一种液体的压强随深度的增加而增大;(3)D、E两个图中是不同液体,而探头在液体中所处的深度相同,但两U型管的高度差不同,所以可得到结论:在深度相同时,液体的密度越大,压强越大;(4)A、B、C三个图中所装的是同种液体,探头所处深度相同只是方向不同,两U型管的高度差相同,所以可得到结论:在同一液体,同一深度,液体向各个方向的压强相等。
答案为:(1) 高度差;(2)内凹;(3) 深度;(4)密度;(5)在同一液体,同一深度,液体向各个方向的压强相等。
23.(6分)如图所示的实验装置,可以用来研究光从水中斜射到与空气的分界面时所发生的光现象。

(1)使入射角i在一定范围内由小变大,会发现折射角r (填写变化规律),且折射角总是大于相应的入射角;
(2)当入射角i增大到某一值时,折射角r会达到最大值,该最大值是 ;
(3)若继续增大入射角i,将会发现不再有 光线,而只存在 光线。
【答案】(1)增大;(2)90;(3)折射、反射。
【解析】光的折射规律:光线从一种介质射入另一种介质时,在两种介质的交界面上会发生光的反射和折射现象;当光从水射入空气时,折射角大于入射角,反射角大于入射角。随着入射角的增大,折射角也会增大,当入射角增大到一定程度时,折射角大于90º;如果继续增大入射角,空气中不再有折射光线存在,此时只存在反射光线。
24.(6分)用如图甲所示的装置“探究萘熔化时温度的变化规律”,图乙、丙是萘熔化时温度随时间变化的图象。请回答下列问题:

(1)根据图乙可知,萘的熔点约是 ℃;
(2)乙图中CD段物质处于 (填“固态”“液态”或“固液共存状态”);
(3)分析图乙可知,萘在AB段状态的比热容 (填“大于”、“等于”、“小于”)萘在CD段状态的比热容;
(4)某同学在实验中发现萘熔化时恒温过程不明显(如图丙),出现这种现象的可能原因是 (写出一种即可)。
【答案】(1)80;(2)液态;(3)小于;(4)直接用酒精灯加热。
【解析】由图像可知,(1)A点是开始加热时刻,萘开始计时时的温度是60ºC,故BC段位萘的熔化过程,对应温度是熔点,即为80ºC;
(2)CD段熔化完成,处于液态;
(3)由
得到:
,AB段和CD段,物质的质量m相同,由图像可知,AB段升高20ºC,加热时间为5min,即1min升高4ºC,CD段升高10ºC,加热时间为10min,故1min升高1ºC,这说明吸收相同的热量CD段升高的温度少,比热容大;故萘在AB段的比热容小于CD段的比热容;
(4)某同学在实验中法线萘熔化时恒温过程不明显,说明熔化过快,可能是因为没有用水预加热而是直接用酒精加热的原因。
答案为:(1)80;(2)液态;(3)小于;(4)直接用酒精灯加热。
25.(8分)小科连接好如图1所示电路,闭合开关,按一定操作来测量“小灯泡的电阻”,获得实验数据如表:
|
实验次数 |
1 |
2 |
3 |
4 |
|
电压U/伏 |
2.5 |
2.0 |
1.5 |
1.0 |
|
电流I/安 |
0.22 |
0.20 |
0.17 |
0.13 |
|
电阻R/欧 |
11.36 |
? |
8.82 |
7.69 |
(1)表中第2次实验时,小灯泡电阻为 欧;
(2)将表中电流、电压数据转换为I-U图象(图2),正确的是 ;
(3)小科发现第3、4两次实验小灯泡不发光,出现这种现象的原因是 ;
(4)小君按小科的方法连接好电路,闭合开关后发现小灯泡不发光,电流表指针不偏转,电压表指针偏转,若此电路只有一处故障,你认为该故障是 。

【答案】(1)10;(2)A;(3)小灯泡的实际功率太小;(4)小灯泡断路。
【解析】(1)表中第2次实验时,小灯泡的电压U=2.0V,电流I=0.20A,灯泡的电阻为:
;
(2)随电压的增大,灯丝的温度升高,而灯丝的电阻随温度的升高而增大,所以小灯泡的电流随两端电压变化的图象不是直线,故A正确;
(3)灯泡的亮度是由灯泡的实际功率决定的,第3、4两次实验电压低,电流小,灯泡的实际功率太小,达不到灯泡的发光功率,所以第3、4两次实验小灯泡不发光;
(4)灯不发光,电流表指针不偏转,说明电路存在断路;电压表有示数,说明电压表与电源两极相连,电压表并联部分之外的电路不存在断路,综合分析可知,电路故障是小灯泡断路。
答案为:(1)10;(2)A;(3)小灯泡的实际功率太小;(4)小灯泡断路。
26.(9分)小明在盆中清洗樱桃时发现樱桃会沉入水中,他想知道樱桃的密度,于是他做了如下操作:

(1)把天平放在水平台面上,将 移到标尺左端零刻线处,发现指针指在分度盘左侧,接下来应向 (选填“左”或“右”)调节平衡螺母使横梁平衡。
(2)用天平测出透明空烧杯的质量m1=20.8g,然后将透明空烧杯中装入适量水,把一粒樱桃放入烧杯中的樱桃放入烧杯中,再往烧杯中逐渐加盐并搅拌,直至观察到樱桃悬浮,随即停止加盐,将烧杯中的樱桃取出,用调好的天平测出烧杯与盐水总质量,如图甲所示,记作m2= g。
(3)将烧杯中的盐水全部倒入空量筒中,如图乙所示,量筒中盐水的体积为V= cm3,则樱桃的密度为 kg/m3。
(4)以上实验操作,测出的樱桃密度比实际值将偏 (选填“大”或“小”)。
【答案】(1)游码、右;(2)75.8;(3)50、1.1×103;(4)偏大。
【解析】(1)使用天平时,应将它放在水平桌面上;把游码放在标尺左端的零刻线处,然后调节横梁右端的平衡螺母,使指针指在分度盘的中线上;天平指针偏左,应当将横梁右端的平衡螺母向右调节,直至平衡。
(2)天平标尺上一大格表示1g,里面有5个小格,故其分度值为0.2g,盐水和烧杯的质量为50g+20g+5g+0.8g=75.8g。
(3)倒入量筒中盐水的质量m=75.8g﹣20.8g=55g;量筒的分度值为1cm3,量筒中盐水的体积V=50ml=50cm3;樱桃悬浮时,樱桃的密度等于盐水的密度,
则盐水的密度ρ樱桃=

=

=1.1g/cm3=1.1×103kg/m3。
(4)将烧杯中的盐水全部倒入空量筒中,在烧杯的内壁上有盐水的残留,故使得测量的盐水的体积偏小,根据密度公式可知,所测盐水密度偏大;由于盐水的密度与樱桃的密度相等,故所成樱桃的密度偏大。
答案为:(1)游码、右;(2)75.8;(3)50、1.1×103;(4)偏大。
四、计算与应用(本题包括3个小题,共19分,解答应写出必要的文字说明、公式和重要演算步骤,计算过程中物理量必须带上单位,只写出最后答案的不能得分)
27.(8分)如图甲所示的电路中,电源电压不变,L是标有“6V 3W的电灯,当S1和S3闭合、S2断开时,灯L正常发光,电流表的示数如图乙所示。求:

(1)电源电压。
(2)定值电阻R的值
(3)S1和S3断开、S2闭合时,灯L的实际功率。(不考虑温度对电阻的影响)
【解析】(1)当S1和S3闭合、S2断开时,灯泡L与电阻R并联,电流表测干路电流,
因并联电路中各支路两端的电压相等,且灯L正常发光,
所以,电源电压U=UL=6V;
(2)当S1和S3闭合、S2断开时,灯泡L与电阻R并联,电流表测干路电流,
由P=UI可得,通过灯泡的电流:IL0.5A,
由图乙可知,电流表的量程为0~3A,分度值为0.1A,干路电流I=1A,
因并联电路中干路电流等于各支路电流之和,
所以,通过定值电阻R的电流:IR=I﹣IL=1A﹣0.5A=0.5A,
因并联电路中各支路两端的电压相等,
所以,由I可得,定值电阻R的值:R12Ω;
(3)灯泡的电阻:RL12Ω,
当S1和S3断开、S2闭合时,灯泡L与定值电阻R串联,
因串联电路中总电阻等于各分电阻之和,
所以,电路中的电流:I′0.25A,
灯L的实际功率:PL′=(I′)2RL=(0.25A)2×12Ω=0.75W。
答:(1)电源电压为6V;(2)定值电阻R的值为12Ω;(3)S1和S3断开、S2闭合时,灯L的实际功率为0.75W。
28.(8分)在水平桌面上放置一个底面积为100cm2,质量为400g的圆筒,筒内装有16cm深的某种液体。弹簧测力计的下端悬挂着一个底面积为40cm2,高为8cm的金属柱,当金属柱从液面上方逐渐浸入液体中直到全部浸没时,弹簧测力计的示数F与金属柱浸入液体深度h的关系如图所示。(圆筒厚度忽略不计,筒内液体没有溢出,g=10N/kg)
求:(1)当金属柱有一半的体积浸在液体中时,受到液体的浮力是多少?
(2)圆筒内所装液体的密度是多少?
(3)当金属柱有一半的体积浸在液体中时,圆筒对桌面的压强是多少?

【解析】(1)由图象知,当h=0时,此时测力计的示数等于圆柱体的重力,所以G=10N;
当金属柱有一半的体积浸在液体中时,即当h1=h=×8cm=4cm时的拉力F1=6N;
所以F浮1=G﹣F1=10N﹣6N=4N;
(2)当金属柱有一半的体积浸在液体中时,物体排开液体的体积:
V排1=S物h1=40cm2×4cm=160cm3=1.6×10﹣4m3
由F浮=ρ液gV排得:ρ液=

=

=2.5×103kg/m3;
(3)由ρ=得液体的质量:m液=ρ液V液=2.5×103kg/m3×100×10﹣4m2×0.16m=4kg,
容器和液体的总重力:G总=(m容器+m液)g=(0.4kg+4kg)×10N/kg=44N,
当圆柱体的一半浸入液体中时,对地面的压力:F=G总+F浮1=44N+4N=48N,
p==

=4.8×103Pa。
答:(1)当金属柱有一半的体积浸在液体中时,受到液体的浮力是4N;(2)圆筒内所装液体的密度是2.5×103kg/m3;(3)当金属柱有一半的体积浸在液体中时,圆筒对桌面的压强是4.8×103Pa。
29.(3分)如图,火车站站台都标有“安全线”。为保障安全,乘客候车必须站在安全线以外,请用所学物理知识解释其理由。

【解析】根据流体压强与流速关系:流速大的地方压强小。列车进站时,高速运行的列车会引起列车周围空气高速流动,列车附近压强要小于外面压强,人距离列车很近时很容易被“吸”向列车而产生危险。
【答案】列车附近空气流速大,压强小,乘客距离列车很近时会在压力差作用下“吸”向列车产生危险(合理即可)。



