目 录
第一章 工程概况
第二章 编制依据
第三章 施工计划
第四章 施工工艺技术
第五章 施工保证措施
第六章 施工管理及作业人员配备和分工
第七章 验收要求
第八章 应急处置措施
第九章 计算书及相关施工图纸
第十章 特殊工种人员操作证件
第一章 工程概况

1、工程规模
本工程为二期工程,总建筑面积约3万平方米,主要为新建4栋(5-8 号)学生公寓楼、南大门、球场、田径场、看台、 舞台及室外附属设施项目。4栋主体均为1层架空层(层高2.8m)+地面上6层(层高均为3.6m),总高度为23.4m。建筑耐火等级均为二级,抗震设防烈度均为7度,主要结构形式为框架结构,基础采用钢筋混凝土条形基础和独立柱基,屋面防水等级为Ⅱ级,墙体采用烧结页岩多孔砖,建筑设计使用年限50年。
1)建筑最高点29.1m,采用落地式钢管脚手架,计划建筑内圈(天井)部分外架搭设高度32m;
2)建筑外圈搭设至二层楼板,采用落地式钢管脚手架,计划外架搭设高度6.8m;
2、脚手架施工概况:
1)建筑平面基本一致,为矩形布置,且无挑出结构,因此外架平面布置比较规则,基本跟随主楼呈矩形。
2)主楼外架高度:本工程为框架结构,根据高度情况,建筑内圈(天井)部分外架搭设高度32m,建筑外圈外架搭设高度在6.8米,采取落地式脚手架的搭设方法,基础回填前为单排架体,回填后改为双排架。
3、施工季节气候特征。
项目所在地位于北回归线以南,阳光充足,雨量充沛,霜少无雪,气候温和,夏长冬短,平均气温在21.6°C。冬季最冷的1月平均12.8°C, 夏季最热的7、8月平均28.2°C。年均降雨量达1304. 2毫米,平均相对湿度为79%。主要气候特点是炎热潮湿。相对而言,一般是夏季潮湿,而冬季稍显干燥,干湿季节分明。夏天比冬天长得多,炎热时间较长。春秋两季气候温和,集中的雨季是在夏天。本工程工期较长,受季节性气候影响较大,需要做好雨季、夏季施工措施。本工程外脚手架施工及使用计划时间为2022年7月~9月,具体架体搭设与拆除进度计划详见附件1。
4、风险识别与分级,详见附件2。
5、本工程脚手架结构图详见附图。
第二章 编制依据
1、国家有关法律、法规、现行有关技术规范、规程及标准。
2、国家及地方现行施工验收规范、操作规程、质量检验验收标准和安全检查标准。
3、经审图机构审查合格的本工程全套施工图纸与设计文件。
4、工程施工承包合同(包括补充协议、投标文件等)
5、本工程执行主要现行规范、规程和标准等;

第三章 施工计划
1、施工进度计划(详见附件1)。
2、材料于设备计划。
本工程钢管落地脚手架,选用外径48.3mm壁厚3.6mm的钢管,钢材强度等级Q235-A,钢管表面应平直光滑,不应有裂纹、分层、压痕、划道和硬弯,新用的钢管要有出厂合格证。脚手架施工前必须将入场钢管取样,送有相关国家资质的试验单位,进行钢管抗弯、抗拉等力学试验,试验结果满足设计要求后,方可在施工中使用。

3、劳动力配置计划

第四章 施工工艺技术
1、钢管落地脚手架搭设基本参数

2、主杆基础
本工程脚手架地基础部位应在回填土完后夯实,采用强度等级不低于C15的混凝土进行硬化,混凝土硬化厚度不小于10cm,回填前采用。地基承载能力能够满足外脚手架的搭设要求(具体计算数据参阅脚手架计算书)。
3、立杆间距
(1)脚手架立杆纵距1.4m(外圈)/1.5m(天井),横距0.8m(外圈)/0.9m(天井),步距1.800m;连墙杆间距竖直3.600m,水平4200mm/4500m(即两步三跨):里立杆距建筑物为900mm(外圈)/500mm(天井)。
(2)脚手架的底部立杆采用不同长度的钢管参差布置,使钢管立杆的对接接头交错布置,高度方向相互错开500mm以上,且要求相邻接头不应在同步同跨内,以保证脚手架的整体性。
(3)立杆应设置垫木,并设置纵横方向扫地杆,连接于立脚点杆上,底座离纵向扫地杆200mm左右。
(4)立杆的垂直偏差应控制在不大于架高的1/400。
4、大横杆、小横杆设置
(1)大横杆在脚手架高度方向的间距1.800m,以便立网挂设,大横杆置于立杆里面,每侧外伸长度为100mm。
(2)外架子按立杆与大横杆交点处设置小横杆,两端固定在立杆,以形成空间结构整体受力(扫地杆的小横杆设置在大横杆之下)。
5、剪刀撑
脚手架外测立面的剪刀撑应连续设置,剪刀撑斜杆的接长宜采用搭接,搭接长度不小于1m,应采用不少于3个旋转扣件固定。剪刀撑斜杆应用旋转扣件固定在与之相交的横向水平杆的伸出端或立杆上,旋转扣件中心线离主节点的距离不宜大于150mm。
6、脚手板、脚手片的铺设要求
(1)外架作业层应满铺脚手板,并在下一层设置安全平网;
(2)外架施工层下,若架体距离建筑物主体小于15cm,则每个3层且不大于10米设置一道水平封闭层,水平封闭层必须设置至建筑物结构边,脚手板与建筑物之间的空隙大于15cm时,满铺层间隔不大于6m,并应采取有效措施进行封闭;
(3)在水平封闭层上设置一道安全平网;
(4)外架首层应用脚手板全封闭,并用安全网上层兜底。
(5)脚手架里排立杆与结构层之间均应铺设木板:板宽为200mm,里外立杆应满铺脚手板,无探头板。
(6)满铺层脚手片必须垂直墙面横向铺设,满铺到位,不留空位,不能满铺处必须采取有效的防护措施。
(7)脚手片须用18#镀锌铁丝双股并联绑扎,不少于4点,要求绑扎牢固,交接处平整,铺设时要选用完好无损的脚手片,发现有破损的要及时更换。
7、防护栏杆
(1)脚手架外侧使用建设主管部门认证的合格绿色密目式安全网封闭,且将安全网固定在脚手架外立杆里侧。
(2)选用尼龙绳穿孔张挂安全网,要求严密、平整。
(3)脚手架外侧每隔0.6m高必须设置一道防护栏杆。
(4)脚手架内侧形成临边的(如遇大开间门窗洞等),在脚手架内侧设1.2m的防护栏杆和30cm高踢脚杆。
8、连墙件
(1)脚手架与建筑物按水平方向3.6m,垂直方向4.2m/4.5m,即两步三跨设一拉结点。楼层高度超过4m,则在竖直方向加密,例如抱柱,如楼层高度超过6m时,则按水平方向每6m设置一道斜拉钢丝绳。
(2)拉结点在转角范围内和顶部处加密,即在转角l米以内范围按垂直方向每3.6米设一拉结点。
(3)连墙件采用单扣件连接,拉结点应保证牢固,防止其移动变形,且尽量设置在外架大小横杆接点处。
(4)外墙装饰阶段拉结点,也须满足上述要求,确因施工需要除去原拉结点时,必须重新补设可靠,有效的临时拉结,以确保外架安全可靠。
9、落地脚手架搭设要求
(1)双排脚手架必须配合施工进度搭设,一次搭设高度不应超过相邻连墙件以上二步;如果超过相邻连墙件以上两步,无法设置连墙件时,应采取撑拉固定措施与建筑结构拉结。
(2)每搭完一步脚手架后,应按JGJ130-2019表8.2.4的规定校正步距、纵距、横距及立杆的垂直度。步距允许误差±20mm,纵距允许误差±50mm,横距允许误差±20mm。
(3)底座安放应符合下列规定:
1)底座、垫板均应准确地放在定位线上;
2)垫板宜采用长度不少于2跨、厚度不小于50mm宽度不小于200mm的木垫板。
(4)立杆搭设应符合下列规定:
1)相邻立杆的对接连接应符合JGJ130-2019第6.3.6条的规定:立杆的对接扣件应交错布置,两根相邻立杆的接头不应设置在同步内,同步内隔一根立杆的两个相隔接头在高度方向错开的距离不宜小于500mm;各接头中心至主节点的距离不宜大于步距的1/3;
2)脚手架开始搭设立杆时,应每隔6跨设置一根抛撑,直至连墙件安装稳定后,方可根据情况拆除;
3)当架体搭设至有连墙件的主节点时,在搭设完该处的立杆、纵向水平杆、横向水平杆后,应立即设置连墙件。
(5)脚手架纵向水平杆的搭设应符合下列规定:
1)脚手架纵向水平杆应随立杆按步搭设,并应采用直角扣件与立杆固定;
2)纵向水平杆的搭设应符合JGJ130-2019第6.2.1条的规定:
①纵向水平杆应设置在立杆内侧,单杆长度不应小于3跨;
②两根相邻纵向水平杆的接头不应设置在同步或同跨内,不同步或不同跨两个相邻接头应在水平方向错开的距离不小于500mm,各接头中心至最近主节点的距离不应大于纵距的1/3。
③搭接长度不应小于1m,应等间距设置3个旋转扣件固定,端部扣件盖板边缘至搭接纵向水平杆杆端的距离不应小于100mm。
3)在封闭型脚手架的同一步中,纵向水平杆应四周交圈设置,并应用直角扣件与内外角部立杆固定。
(6)脚手架横向水平杆搭设应符合下列规定:
1)搭设横向水平杆应符合JGJ130-2019第6.2.2条的构造规定:
①作业层上非主节点处的横向水平杆,宜根据支承脚手板的需要等间距设置,最大间距不应大于纵距的1/2;
2)双排脚手架横向水平杆的靠墙一端至墙装饰面的距离不应大于100mm;
(7)脚手架纵向、横向扫地杆搭设应符合JGJ130-2019第6.3.2条、第6.3.3条的规定:
①脚手架必须设置纵横向三地杆,纵向扫地杆应采用直角扣固定在距离钢管地段不大于200mm的立杆上,横向扫地杆应采用直角扣件固定在紧靠纵向扫地杆下方的立杆上;
②脚手架立杆基础不在同一高度上时,必须将高处的纵向扫地杆向低处延长两跨与立杆固定,高低差不应大于1m,靠边坡上方的立杆轴线到边坡的距离不应小于500mm;
(8)脚手架连墙件安装应符合下列规定:
1)连墙件的安装应随脚手架搭设国步进行,不得滞后安装;
2)当双排脚手架施工操作层高出相邻连墙件以上两步时,应采取确保脚手架稳定的临时拉结措施,直到上一层连墙件安装完毕后再根据情况拆除。
(9)脚手架剪刀撑与双排脚手架横向斜撑应随立杆、纵向和横向水平杆等同步搭设,不得滞后安装。
(10)扣件安装应符合下列规定:
1)扣件规格必须与钢管外径相同;
2)螺栓拧紧扭力矩不应小于40N·m,且不应大于65N·m;
3)在主节点处固定横向水平杆、纵向水平杆、剪刀撑、横向斜撑等用的直角扣件、旋转扣件的中心点的相互距离不应大于150mm;
4)对接扣件开口应朝上或朝内;
5)各杆件端头伸出扣件盖板边缘长度不应小于100mm。
(11)作业层、斜道的栏杆和挡脚板的搭设应符合下列规定:
1)栏杆和挡脚板均应搭设在外立杆的内侧;
2)上栏杆上皮高度应为1.2m;
3)挡脚板高度不应小于180mm;
4)中栏杆应居中设置。
(12)脚手板的铺设应符合下列规定:
1)脚手架应铺满、铺稳,离墙面的距离不应大于150mm;
2)采用对接或搭接时均应符合JGJ130-2019第6.2.4条的规定:脚手板对接平铺时,接头处应设两根横向水平杆,脚手板外伸长度应取130mm~150mm,两块脚手板的外伸长度不应大于300mm。脚手板搭接铺设时,接头应支在横向水平杆上,搭接长度不应小于200mm,其伸出横向水平杆的长度不应小于100mm。脚手板探头应用直径3.2mm镀锌钢丝固定在支承杆件上;
3)在拐角、斜道平台口处的脚手板,应用镀锌钢丝固定在横向水平杆上,防止滑动。
10、安全防护棚搭设
(1)安全防护棚架用工字钢、钢管进行搭设,防护棚顶满铺双层脚手板进行防护,并平铺一阻燃性密目式安全网,工字钢为18工字钢,钢管规格采用外径48.3mm,壁厚3.6mm的钢管,钢管、扣件、脚手板、阻燃性密目式安全网的材质规范JGJ130—2011规范要求。

(2)施工电梯入口防护棚:宽度4米,高度4.5米,长度15米,立杆每侧采用双排立杆,立杆纵距2米,立杆设扫地杆,水平杆步距1.8米,双层顶棚距离0.5米。
(3)楼层入口安全通道防护棚:宽度4米,高度4米,长度6米,立杆每侧采用双排立杆,立杆纵距2米,立杆设扫地杆,水平杆步距1.8米,双层顶棚距离0.5米。
(4)钢筋加工区防护棚:宽度6米,高度4.5米,长度15米,立杆每侧采用双排立杆,立杆纵距2米,立杆设扫地杆,水平杆步距1.8米,双层顶棚距离0.5米。
(5)搭设工艺:立杆搭设---立杆固定---水平杆搭设---顶棚水平杆搭设---顶棚铺脚手板---挂阻燃性密目式安全网
(6)搭设要求:参加支撑体系搭设的作业人员必须是持证上岗的架子工,作业时必
须戴安全帽、系安全带、穿防滑鞋。作业前对施工人员进行详细的技术、安全交底,施工中及时检查,确保万无一失。
11、施工电梯、物料提升机楼层接料平台
(1)在搭设外架前确定施工电梯、物料提升机的安装定位,施工电梯 、物料提升机楼层平台应单独搭设,自成一体。
(2)施工电梯、物料提升机楼层接料平台立杆间距应与梯笼对应,其步距应与楼层相吻合。
(3)对高度超过24米的接料平台,应分段悬挑搭设。
(4)层站(停层)平台防护栏杆刷黄黑漆相间 @300,其余钢管刷黄色油漆。防护栏下端与平台接触处,应180mm 高档脚板封闭。平台不应与外架相连。
(5)钢管规格采用外径Ø48.3×3.6的焊接钢管,钢管、扣件、脚手板、安全网的材质符合《建筑施工扣件式钢管脚手架安全技术规程》JGJ130-2021。
(6)施工电梯停层平台架采用悬挑架搭设(二层以上),立杆立于工字钢上,工字钢设置层数与外架悬挑层一致,二层以下采用落地架搭设。平台架单独设置,不与外架相连。
(7)有变形的杆件和不合格的扣件不能使用,扣件拧紧程度要适当,随时校正杆件垂直、水平偏差,避免误差过大。立杆与大横杆必须用十字扣件扣紧,不得隔步设置或遗漏;立杆垂直偏差不应大于架高的1/200。
(8)大横杆步距h=1.8m,小横杆贴近立杆布置,并搭于大横杆之上,用直角扣件扣紧。梯笼位置小横杆间距600mm,上铺方木并钉模板;小横杆置于大横杆之上用直角扣件扣紧,在使用过程中不得拆除紧贴立杆的小横杆。
(9)连墙件:采用刚性连墙件与建筑物可靠连接,每层用横杆钢管将外架内、外立杆与梁或预埋在砼楼板的短钢管连接加双扣件。
12、落地脚手架拆除要求
脚手架拆除应按专项方案施工,拆除前应做好下列准备工作:
(1)应全面检查脚手架的扣件连接、连墙件、支撑体系等是否符合构造要求;
(2)应根据检查结果补充完善施工脚手架专项方案中的拆除顺序和措施,经审批后方可实施;
(3)拆除前应对施工人员进行技术交底和安全交底;
(4)应清除脚手架上杂物及地面障碍物。
(5)双排脚手架拆除作业必须由上而下逐层进行,严禁上下同时作业;连墙件必须随脚手架逐层拆除,严禁先将连墙件整层或数层拆除后再拆脚手架;分段拆除高差大于两步时,应增设连墙件加固。
(6)当脚手架拆至下部最后一根长立杆的高度(约6.5m)时,应先在适当位置搭设临时抛撑加固后,再拆除连墙件。当双排脚手架采取分段、分立面拆除时,对不拆除的脚手架两端,应先按JGJ130-2019第6.4.4条、第6.6.4条、第6.6.5条的有关规定设置连墙件和横向斜撑加固。
①JGJ130-2019第6.4.4条规定:开口型脚手架的两端必须设置连墙件,连墙件的垂直间距不应大于建筑物的层高,并且不应大于4m。
②JGJ130-2019第6.6.4条规定:双排脚手架横向斜撑的设置应在同一节间,由底至顶层呈之字形连续布置。高度在24m以下的封闭型双排脚手架可不设横向斜撑,高度在24m以上的封闭型脚手架除拐角应设置横向斜撑外,中间应每隔6跨设置一道。
③JGJ130-2019第6.6.5条规定:开口型双排脚手架的两端必须设置横向斜撑
(7)架体拆除作业应设专人指挥,当有多人同时操作时,应明确分工、统一行动,且应具有足够的操作面。拆除脚手架大横杆、剪刀撑,应先拆中间扣,再拆两头扣。由中间操作人员将杆转向,往下方人员传递时待下方人员握牢后再放手。上下呼应,动作协调,当解至与其他作业人员有关的结扣时,应先告知对方,待对方做好防护准备后再解扣,以防坠落。
(8)拆除过程中,要求一步一清,拆除的扣件等零碎物件不能留滞在外架上,以防坠落伤人。卸料时各构配件严禁抛掷至地面,拆除下来的钢管、扣件、脚手板等应分别放到卸料平台或施工电梯进料平台,由塔吊或施工电梯运至地面。拆放到卸料平台或进料平台上的钢管、扣件等应随拆随吊走
(9)运至地面的构配件应按本规范的规定及时检查、整修与保养,并应按品种、规格分别存放。
(10)在作业区安全坠落范围内设置围栏,警戒标志,并设专人警戒,禁止非工作人员入内。
(11)作业区的供电线路要事先拆除或与电工联系,改道和停电后方可进行作业。
(12)拆除过程中要注意保护成品,不得损坏,如有损坏要通知有关人员修复后再拆除。
13、材料进场检查
(1)新钢管的检查应符合下列规定;
1)应有产品质量合格证;
2)应有质量检验报告,钢管材质检验方法应符合现行国家标准《金属材料室温拉伸试验方法》GB/T 228的有关规定,其钢材质量应符合现行国家标准《碳素结构钢》GB/T 700中Q235级钢的规定。
3)钢管表面应平直光滑,不应有裂缝、结疤、分层、错位、硬弯、毛刺、压痕和深的划道;
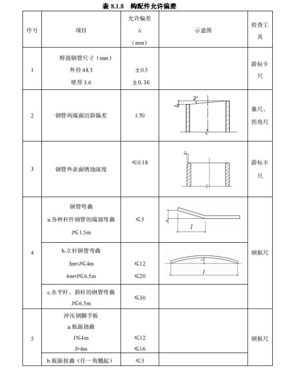
4)钢管外径、壁厚、端面等的偏差,应分别符合JGJ130-2019表8.1.8的规定;
5)钢管应涂有防锈漆。
(2)旧钢管的检查应符合下列规定:
1)表面锈蚀深度应符合JGJ130-2019表8.1.8序号3的规定。锈蚀检查应每年一次。检查时,应在锈蚀严重的钢管中抽取三根,在每根锈蚀严重的部位横向截断取样检查,当锈蚀深度超过规定值时不得使用;
2)钢管弯曲变形应符合JGJ130-2019表8.1.8序号4的规定。

(3)扣件验收应符合下列规定:
1)扣件应有生产许可证、法定检测单位的测试报告和产品质量合格证。当对扣件质量有怀疑时,应按现行国家标准《钢管脚手架扣件》GB 15831的规定抽样检测;
2)新、旧扣件均应进行防锈处理。
3)扣件的技术要求应符合现行国家标准《钢管脚手架扣件》GB 15831的相关规定。
(4)扣件进入施工现场应检查产品合格证,并应进行抽样复试,技术性能应符合现行国家标准《钢管脚手架扣件》GB 15831的规定。扣件在使用前应逐个挑选,有裂缝、变形、螺栓出现滑丝的严禁使用。
(5)脚手板的检查应符合下列规定:
竹串片脚手板的材料应符合现行行业标准《建筑施工木脚手架安全技术规范》JGJ164的相关规定。
(6)悬挑脚手架用型钢的材质应符合现行国家标准《碳素结构钢》GB/T700或《低合金高强度结构钢》GB/T1591的规定,并应符合现行国家标准《钢结构工程施工质量验收规范》GB50205的有关规定。
14、脚手架阶段检查与验收:
(1)基础完工后及脚手架搭设前;
(2)作业层上施加荷载前;
(3)每搭设完6m~8m高度后;
(4)达到设计高度后;
(5)遇有六级强风及以上风或大雨后;冻结地区解冻后;
(6)停用超过一个月。
第五章 施工保证措施
1、组织保障措施。

2、技术保障措施。
(1)架子搭设完毕,用合格密目安全网铺于架子的外围及底部。
(2)钢管与扣件进场前应经过检查挑选(选择标准见本设计表3),所用扣件在使用前应清理加油一次,扣件一定要上紧,不得松动。每个螺栓的预紧力在40N·m~65 N·m之间。
(3)架子搭设到10m高度时由架子搭设单位进行自检;架子搭设完毕后由搭设会同使用单位对整个脚手架进行验收检查,验收合格后方可投入使用。
(4)该脚手架作为建筑物装饰作业时安全防护屏障及装修时作业平台,严禁将模板支架、揽风绳、泵送混凝土和砂浆的输送管道等固定在脚手架上;脚手架严禁悬挂起重设备。
(5)脚手架的安全性是由架子的整体性和架子结构完整性来保证的,未经允许严禁他人破坏架子结构或在架子上擅自拆除与搭设脚手架各构件。其中在脚手架使用期间,下列杆件严禁拆除:主节点处横、纵向水平杆,连墙件。
3、质量保障措施
(1)操作人员作业前必须进行岗位技术培训与安全教育。
(2)技术人员在脚手架搭设、拆除前必须给作业人员下达安全技术交底,并传达至所有操作人员。
(3)脚手架必须严格依据本施工组织设计进行搭设,搭设时,技术人员必须在现场监督搭设情况,保证搭设质量达到设计要求。
(4)脚手架搭设完备,依据施工组织设计与单项作业验收表对脚手架进行验收,发现不符合要求处,必须限时或立即整改。
(5)扣件检测不合格,在设计施工时采取以下加固措施:
①在计算时扣件安全系数按80%计算.
②步距设计为1.8米一步。首层步距在施工时取1.6米。
③首层架体和柱采取有效拉结。
④架体拉结在原设计上适当增加可靠拉结点,确保施工安全
4、安全保障措施
(1)操作人员必须持有登高作业操作证方可上岗。
(2)架子在搭设(拆卸)过程要做到文明作业,不得从架子上掉落工具、物品;同时必须保证自身安全,高空作业需穿防滑鞋,佩戴安全帽、安全带,未佩戴安全防护用品不得上架子。
(3)在架子上施工的各工种作业人中应注意自身安全(尤其是在卸料平台上的工作人员),不得随意向下、向外抛、掉物品,不得随意拆除安全防护装置。
(4)雨、雪及六级以上大风等天气严禁进行脚手架搭设、拆除工作。
(5)应设专人负责对脚手架进行经常检查和保修。
①在下列情况下,必须对脚手架进行检查:
1)在六级大风和大雨后。
2)停用超过二个月,复工前。
②检查保修项目:
1)各主节点处各杆件的安装、连墙件等构造是否符合施工组织设计的要求。
2)扣件螺丝是否松动。
3)安全防护措施是否符合要求。
(6)在脚手架上进行电、气焊作业时,必须有防火措施和专人看护。
(7)脚手架临街面必须有防止坠物伤人的防护措施。
(8)搭拆脚手架期间,地面应设置围栏和警戒标志,严禁非操作人员入内。
5、脚手架注意事项
(1)钢管架应设置避雷针,分置于主楼外架四角立杆之上,并联通大横杆,形成避雷网络,并检测接地电阻不大于30Ω。
(2)外脚手架不得搭设在距离外电架空线路的安全距离内,并做好可靠的安全接地处理。
(3)定期检查脚手架,发现问题和隐患,在施工作业前及时维修加固,以达到坚固稳定,确保施工安全。
(4)外脚手架严禁钢竹、钢木混搭,禁止扣件、绳索、铁丝、竹篾、塑料篾混用。
(5)外脚手架搭设人员必须持证上岗,并正确使用安全帽、安全带、穿防滑鞋。
(6)严禁脚手板存在探头板,铺设脚手板以及多层作业时,应尽量使施工荷载内、外传递平衡。
(7)保证脚手架体的整体性,不得与井架、升降机一并拉结,不得截断架体。
(8)结构外脚手架每支搭一层,支搭完毕后,经项目部安全员验收合格后方可使用。任何班组长和个人,未经同意不得任意拆除脚手架部件。
(9)严格控制施工荷载,脚手板不得集中堆料施荷,施工荷载不得大于3kN/m2,确保较大安全储备。
(10)结构施工时不允许多层同时作业,装修施工时同时作业层数不超过两层,临时性用的悬挑架的同时作业层数不超过重层。
(11)当作业层高出其下连墙件3.6m以上、且其上尚无连墙件时,应采取适当的临时撑拉措施。
(12)各作业层之间设置可靠的防护栅栏,防止坠落物体伤人。
(13)脚手架立杆基础外侧应挖排水沟,以防雨水浸泡地基。
6、安全文明施工保证措施
根据脚手架施工的特殊性,结合公司要求和本工程的特点,在施工时要求做到以下:
(1)进入施工现场的施工人员戴好安全帽,高空作业系好安全带,穿好防滑鞋,现场严禁吸烟。
(2)进入施工现场所有人员要爱护场内的各种设施和标示牌,不得随意拆除各移动标示牌。
(3)严禁酗酒人员上架作业,施工操作时要求精力集中、禁止开玩笑和打闹。
(4)脚手架搭设人员必须是经过考试合格的专业架子工,并持有架子工上岗证,上岗人员定期体检合格者方可发上岗证,凡患有高血压、贫血病、心脏病及其他不适于高空作业者,一律不得上脚手架操作。
(5)护身栏、脚手板、挡脚板、密目安全网等影响作业班组支模时,如需改时,应由架子工来完成,任何人不得任意拆改。
(6)脚手架验收合格后任何人不得擅自拆改,如需做局部拆改时,须经过技术部门同意后由架子工操作。
(7)不准利用脚手架吊运重物;不准推车在架子上跑动;吊物时不能碰撞和拖动脚手架。
(8)不得将模板支撑、缆风绳、泵送混凝土及砂浆的输送管等固定在脚手架上,严禁严禁任意悬挂起重设备。
(9)在架子上的作业人员不得随意拆动脚手架的所有拉接点和脚步手板,通讯扣件绑扎扣等所有架子部件。
(10)拆除架子而使用电焊气割时,派专职人员做好防火工作,配备料斗,防止火星和切割物油落。
(11)脚手架使用时间较长,因此在使用过程中需要进行检查,发现基础下沉、杆件变形严重、防护不全、拉接松动等问题要及时解决。
(12)要保证脚手架体的整体性不得与井架、升降机一并拉结,不得截断架体。
(13)施工人员严禁凌空投掷杆件、物料、扣件及其他物品,材料、工具用滑轮各绳
索运输,不得乱扔。
(14)使用的工具要放在工具袋内,防止掉落伤人;登高要穿防滑鞋,袖口及裤口要扎紧。
(15)脚手架堆放场做到整洁、摆放合理、专人保管,并建立严格领退料手续。
(16)施工人员做做活完料净脚下清,确保脚手架施工材料不浪费。
(17)运至地面的材料应按指定地点随拆随运,分类堆放,当天拆当天清,拆下的扣件和钢丝要集中回收处理。应随时整理、检查,按品种、分规格堆放整齐,妥善保管。
(18)六级以上大风、大雪、大雾、大雨天气停止脚手架作业。在雨期要经常检查脚手板、斜道板、跳板上有无积水等物。若有随时清扫,并要采取防滑措施。
7、季节性施工保证措施
(1)雨季施工
根据玉林市气候特征,每年4~9月为雨季,6月为降水高峰期。针对雨季脚手架搭设施工,特注意一下事项。
1)雨季施工期间要特别注意架子搭设质量和安全,经常进行检查,发现问题及时整改。
2)立杆下设通长木方,架子设扫地杆,斜撑及剪刀撑,并与建筑物拉结牢固。
3)上人马道的坡度要适当,脚手板上要绑扎防滑条。
4)暴风雨后要及时检查脚手架的安全情况,如有问题,及时纠正。
(2)防台风措施
1)遇台风等恶劣天气,停止外脚手架搭设和拆除作业。
2)增加附墙设施,清除外脚手架上的所有垃圾。
3)暴雨、雷击、台风等恶劣天气过后,组织人员检查脚手架是否摇晃,变形情况,遇有倾斜、下沉、节点连接松动位移和安全网(爬架外模)脱落等现象,应及时处理。
8、监控监测措施
为了确保外脚手架架体的安全,掌握外脚手架架体在搭设、使用过程中的受力与变形状况,确保架体在各种施工工况及荷载的作用下,获得架体的实际变形数据,起到对架体实时监控,最终达到最佳安全状况,特对外脚手架架体进行监测。
1)每栋楼外架按15m间距设置1个监测点进行布置,每个端角部必须设置1个点;
2)设置好监测点后,安排专人负责保护好监测点并定期进行监测,加载过程中按层数随时注意并记录下沉数据。当下沉有突变趋势时,应加强监测,必要时通知项目技术负责人及相关负责人,架体搭设人员,并停止施工加载,分析下沉原因后,采取有效加强措施后方可再进行搭设或加载。
3)监测频次,施工过程中每个月进行两次监测,当发现变形数值较大接近预警值时,应加大监测频率。
4)预警数值,沉降变形按架体搭设高度的0.1%进行控制,预警值为2cm,垂直度按架体搭设高度的0.3%进行控制,预警值为5cm。
5)监控监测仪器配备

第六章 施工管理及作业人员配备和分工
1、本工程施工现场设项目经理部,并按《建设工程项目管理规范》GB/T50326-2006执行,实行项目经理责任制,要求各技术人员尽心尽职,抓好各个施工环节。为保证工程质量及能按期完成,经我司精心安排,决定选派技术水平过硬的管理人员组成有力的管理体系,组建一个项目管理班子,以保证工程顺利进行。

2、主要人员职责
1)项目经理职责
(1)代表企业实施施工项目管理。贯彻执行国家法律、法规、方针、政策和强制性标准,执行企业的管理制度,维护企业业的合法权益。
(2)建立健全项目经理质量保证体系,组织本工程项目的质量策划,对工程质量和安全全面负责。
(3)贯彻实施公司质量体系管理,监督和领导项目班子的管理人员认真行使其质量职责与权限。
(4)配备符合项目实施要求的各种资源,科学组织施工,搞好全过程的质量管理。
(5)认真履行工程承包合同,确保工程质量符合规定与标准的要求。
(6)对于项目的技术、质量、安全、进度、成本等方面起主要领导责任。
(7)定期组织召开每月一次的安全技术例会,分析质量安全、生产情况,研究生产涉及的安全、技术、材料供应的重大问题,制定并实施解决的措施。
(8)严格按公司制订的制度,组织每月、旬的安全技术生产大检查,出现隐患及时定出整改措施并予以执行。
(9)认真贯彻执行国家、上级机关关于技术规程、安全生产、劳动保护、环境保护方针、政策、法规、规定,对本单位工程项目的职工在生产中的安全与健康负全面的责任。
2)项目技术负责人职责
(1)对本工程项目的施工进度、工程质量、施工工艺等方面起主要领导责任。
(2)组织各施工管理人员学习施工图纸,领会设计意图,严格按图纸施工。
(3)负责建立施工前的图纸自、会审及施工中的技术核定制度,负责检查各项技术资料的收集、整理和归档工作。
(4)对测量放线的结果进行复核,对标高和垂直度的测控。
(5)负责对已施工完成的成品保护,制定具体的成品保护管理措施。
(6)领导专职安全员、质检员进行经常性的施工现场检查,及时发现和消除隐患,保证安全生产及工程质量。
(7)组织协调各工种间的配合与衔接。
(8)任务分工时,同时进行技术安全交底,督促班组实施安全技术措施。
(9)在生产过程中,具体贯彻安全生产,劳动保护法规和本公司制
定的安全技术操作规程,对所管的项目的安全生产负责直接责任。
(10)坚持技术交底制度,认真执行现行的施工技术规范及工程建设标准强制性条文。
(11)协助专职安全员、专职质检员进行经常性的施工现场检查,及时发现和消除隐患,保证安全生产及工程质量。
3)施工员职责
(1)执行项目经理部下达的各项工作计划,对班组下达施工任务书。
(2)综合平衡各专业工长,根据图纸和规范要求进行技术交底,并做好书面交底工作,现场施工管理。
(3)组织实施班组工序质量的“三检制”。
(4)申请砼配合比,督促原材料送检,办好交接检查手续。
(5)积极配合质检员做好质量检查工作,对施工中提出的问题及时整改。
(6)负责施工一线的现场指挥。
(7)负责施工前的图纸会审及施工中的技术核定,负责检查各项技术资料的收集、整理和归档工作。
(8)针对施工材料的管理,确保材料强度达到设计强度。严禁未经检验合格的工序不得进行下道工序的施工。
(9)协助专职安全员、专职质检员经常性的施工检查,及时发现和消除隐患,保证安全生产及工程质量。
4)质检员职责
(1)国家质量政策、法规、规范、标准、图纸和施工组织设计进行质量检查监督。
(2)负责“三检制”中的专检工作,把好每道工序的质量,并把质量通病消灭在施工过程中,不能到事后再来处理,不合格的项目未执行和完成纠正措施的,不准进行下道工序施工。
(3)负责进行分项工程的质量评定。
(4)参加隐检验收、结构验收、单位工程验收和工程质量回复。
(5)做好工程检查工作记录,发现不合格问题及时向主管工长及技术负责人报告,跟踪验证纠正措施的执行情况。
5)安全员职责
(1)根据建设部颁标准JGJ59-2011号和市建委规定标准逐项落实,定期检查。每项建立档案备查。全面负责施工现场安全生产管理和文明施工,各种设备的安全生产管理。
(2)在施工中,协助项目经理、施工员对工人进行经常性的安全生产宣传教育。
(3)检查工地安全隐患,及时发现并制止违章操作和违指挥现象。
3、安全组织机构

4、主要岗位安全职责
(1)项目经理:建立健全本工程项目安全管理体系,对工程安全全面负责。定期组织召开每月一次的安全例会,分析安全生产情况,研究生产涉及的安全问题,制定并实施解决的措施。严格按公司制订的制度,组织每月、旬的安全技术生产大检查,出现隐患及时定出整改措施并予以执行。认真贯彻执行国家、上级机关关于技术规程、安全生产的政策、法规、规定,对本单位工程项目的职工在生产中的安全与健康负全面的责任。
(2)项目技术负责人:领导专职安全员、质检员进行经常性的施工现场检查,及时发现和消除隐患,保证安全生产及工程质量。任务分工时,同时进行技术安全交底,督促班组实施安全技术措施。在生产过程中,具体贯彻安全生产,劳动保护法规和本公司制
定的安全技术操作规程,对所管的项目的安全生产负责直接责任。协助专职安全员进行经常性的施工现场检查,及时发现和消除隐患,保证安全生产。
(3)安全员职责:根据建设部颁标准JGJ59-2011号和市建委规定标准逐项落实,定期检查。每项建立档案备查。全面负责施工现场安全生产管理和文明施工,各种设备的安全生产管理。在施工中,协助项目经理、施工员对工人进行经常性的安全生产宣传教育。检查工地安全隐患,及时发现并制止违章操作和违指挥现象。
(4)施工员:综合平衡各专业工长,根据图纸和规范要求进行技术交底,并做好书面交底工作,现场施工管理。协助专职安全员经常性的施工检查,及时发现和消除隐患,保证安全生产及工程质量。
(5)资料员:收集、整理、归档现场安全资料,协助专职安全员完善本项目各项安全相关资料。
5、外架搭设特种作业人员

6、其他作业人员

第七章 验收要求
1、验收程序:脚手架搭设完成后应先由项目组织自检。项目自检验收应由项目经理组织,项目施工、安全、技术、作业班组等有关人员参加。
脚手架联合验收应由监理单位组织,监理、建设、施工单位共同参加验收。按照施工方案、技术规范、技术交底等有关技术文件,对脚手架进行验收(分段验收),确认符合要求后,方可投入使用。
2、脚手架及其地基基础应在下列阶段进行检查验收:
(1)基础完成后及脚手架搭设前;
(2)作业层上施加荷载前;
(3)每搭设6~8米高度后;
(4)达到设计高度后;
(5)遇到六级及以上大风大雨后
(6)停用超过一个月后,在重新投入使用之前。
3、外脚手架分段验收严格按《建筑施工扣件式钢管脚手架安全技术规范JGJ130-2019第八节及JGJ59-2011中"外脚手架检查评分表",所列项目和施工方案要求的内容进行检查。填写验收记录单,并由搭设人员、安全员、施工员、项目经理签证,方能交付使用。
脚手架使用中,应定期检查下列要求内容:
4、脚手架使用中,应定期检查下列要求内容:
(1)杆件的设置和连接,连墙件、支撑、门洞桁架等的构造应符合JGJ130-2019和专项施工方案要求;
(2)地基应无积水,底座应无松动,立杆应无悬空;
(3)扣件螺栓应无松动;
(4)高度在24m以上的双排脚手架,其立杆的沉降与垂直度的偏差应符合JGJ130-2019表8.2.4项次1、2的规定;
(5)安全防护措施应符合JGJ130-2019要求;
(6)应无超载使用。
第八章 应急处置措施
1、危险源的分析及具体预防措施
(1)机械伤害
形成原因:机械缺陷、错误操作以及防护不到位
应采取的控制措施:1)设专人负责,按规范操作经常检查电锯、电刨等的防护罩,分料器、推料器等设施,确保安全有效;2)停机时要拉闸、断电、上锁。
(2)触电
形成原因:漏电开关失效,违规接送电源
应采取的控制措施:1)机械设备必须做到“一机一闸一漏保”;2)安、拆电源应由专业电工操作;3)漏电开关等必须灵敏有效;4)现场电缆布设规范;5)设备必须使用按扭开关严禁使用倒顺开关。
(3)火灾
形成原因:明火
应采取的控制措施:1)严禁烟火;2)严禁存放易燃易爆物品;3)操作间必须配齐消防器材。
(4)物体打击
形成原因:模板搬运违章作业 、支模设施设备缺陷
应采取的控制措施:1)轻拿慢放,规范作业,注意安全。2)应经常检查所用工具,确保安全有效。
(5)高处坠落
形成原因:高处支模防护不到位
应采取的控制措施:脚手架作业面应采取铺板或平挂安全网等防护措施,且工人应规范操作,勿猛拉猛撬。
2、针对上述危险源制定安全事故应急预案
(1)由项目部成立应急救援小组,负责指挥协调工作,组长不在时按排名顺序顶替。
组 长:
副组长:
组 员:
(总工长):
(施工员):
(安全员):
(质检员):
(资料员):
工地现场值班电话:
(2)人员组组及主要职责
1)现场指挥协调组
组 长:
副组长:
成员:
职责:负责现场指挥和协调工作。
2)技术专家组:
组长:
成员:
职责:对险情进行评估,研究制定抢险施工方案,并指导抢险救援组实施救援工作,协助事故调查组进行事故调查,绘制事故现场平面图、标明重点部位,向外部救援机构提供准确的抢险救援信息资料。
3)现场抢险救灾组:
组长:
成员:
职责:实施抢险的应急方案和措施,并不断加以改进;寻找受害者并转移至安全地带;在事故可能扩大的情况下进行抢险或救援时,高度注意避免意外伤害;抢险抢修或救援结束后,报告组长并对结果进行复查和评估。
4)现场医疗救护后勤保障组:
组长:
成员:
职责:在外部救援机构未到达前,对受害者进行必要的抢救;使重度受害者优先得到外部救援机构的救护;协助外部救援机构转送受害者至医疗机构,并指定人员护理受害者;保障系统内各组人员必须的防护、救护用品及生活物质的供给;提供合格的抢险抢修或救援物资及设备。
5)现场消防保卫组
组长:
成员:义务*防队消**成员
职责:实施火灾事故处置方案;设置事故现场警戒线、岗,维护现场治安秩序,保障项目部抢险救护工作顺利开展;保持抢险救援通道的通畅,引导抢险救援人员及车辆的进入;保护财产安全;抢救救援结束后,保护事故现场,直至收到解除指令,及时开展火灾事故调查取证工作。
6)善后处理组
组长:
成员:
职责:协助指导有关单位开展安抚、理赔等事故善后处理工作。
7)事故调查组
组 长:
成员:
职责:负责开展事故调查或协助事故调查组工作。
2、通讯联络
医院抢救中心:123456。
急救线路起点(项目部)→XXX 。联系电话:123456。
派出所电话:123456。
火警:119
3、应急物资
(1)用人工刺激法,用手指或纯物刺激中毒者的咽弓及咽后壁,用来倕吐。
(2)牛奶、蛋清等润滑剂来洗胃。
(3)常备药品:消毒用品、急救物品(绷带、无菌敷料)及各种常用小夹板、担架、止血袋、氧气袋。
(4)钩机或铲车司机联系人: 电话:
(5)手用小砂轮切割机联系人: 电话:
4、机械伤害事故应急救援预案
①目的
为了确保我项目发生机械伤害事故发生后,能迅速有效地开展抢救工作,最大限度降低员工及相关方生命风险,减少经济损失,特制定本预案。
②组织机构及分工
由项目部成立应急救缓小组,负责指挥及协调工作,组长不在按排名顺序顶替。
具体分工如下:
a、负责现场,任务是掌握了解事故情况,组织现场抢救。
b、负责联络,及时布置现场抢救,保持与当地建设行政主管部门及劳动部门的沟通。
c、负责维持现场秩序,做好当事人、周围人员的问讯工作记录。
d、负责妥善处理善后工作。负责保持与当地相关部门的联系,并派人到路口接应。
③机械伤害事故应急措施
a、迅速将伤员脱离危险场地,移至安全地带并组织人员进行抢救。
b、保持呼吸道畅通,若发现窒息者,应及时解除其呼吸道梗塞和呼吸道机能障碍,应立即解开伤员衣领。消除伤员口鼻咽、喉部的异物、血块、分泌物、呕吐物等。
c、有效止血、包扎伤口。
d、视伤情采取报警直接送往医院,或待简单处理后送去医院检查。
e、伤员有骨折、关节伤、肢体挤压伤,大块软组织伤都要固定。
f、若伤员有断肢情况发生时应尽量用干净的干布(灭菌敷料)包裹装入塑料袋内,随伤员一起转送。
g、预防感染、止痛,可以给伤员用用抗生素和止痛剂。
h、记录伤情,现场救护人员应边抢救边记录伤员的受伤机制情况,受伤部位,受伤程度等第一手资料。
i、立即拨打120向当地急救中心取得联系(医院在附近的直接送往医院),应详细说明事故地点,严重程度,本部门的联系电话,并派人到路口接应。
j、项目指挥部接到报告后,应立即在第一时间赶到现场,了解和掌握事故情况,开展抢救和维护现场秩序保护事故现场。
④应急物资
常备药品:消毒用品、急救物品(绷带、无菌敷料)及各种常用小夹板、担架、止血袋、氧气袋。
⑤注意事项
a、立即停止施工,组织人员抢救伤员,马上通知有关负责人,视情况拨打120急救电话。
b、设置警戒线,注意保护好事故现场,便于调查分析事故。
5、触电事故应急救援预案
①目的
为了确保我项目发生触电事故的发生后,能迅速有效地开展工作,最大限度降低员工及相关生命安全风险,特制定本预案。
②具体分工如下:
a、负责现场,任务是掌握了解事故情况,组织现场抢救。
b、负责联络,任务是根据指挥小组命令,及时布置现场抢救,保持与当地电力、建设行政主管部门及劳动部门等单位的沟通。
c、负责维持现场秩序,做好当事人、周围人员的问讯工作记录。
d、负责妥善处理善后工作,负责保持与当地相关部门的联系。
③触电事故应急措施
a、现场人员应当机立断脱离电源,尽可能的切断电源,亦可用现场得到的绝缘材料等器材使触电人员脱离带电体。
将伤员立即脱离危险地方,组织人员进行抢救。。
若发现触电者呼吸或呼吸心跳均停止,则将伤员仰卧在平地上或平板上立即进行人工呼吸或同时进行体外心脏按压。
立即拨打120向当地急救中心取得联系(医院在附近的直接送往医院),应详细说明事故地点,严重程度,本部门的联系电话,并派人到路口接应。
立即向所属公司、集团公司应急抢救领导小组汇报事故发生情况并寻求支持。
维护现场秩序,严密保护事故现场。
④应急物资
绝缘手套、绝缘鞋、绝缘棍。
常备药品:消毒用品、急救物品(绷带、无菌敷料)及各种常用小夹板、担架、止血袋、氧气袋。
⑤注意事项
a、在未脱离电源时,切不可用手去拉触电者。
b、事故发生时应组织人员进行全力抢救,视情况拨打120急救电话和马上通知有关负责人。
c、注意保护好事故现场,便于调查分析事故。
d、心脏复苏抢救措施要坚持不断的进行(包括送医院的途中)不能随便放弃,必须坚持到底。
6、火灾事故应急救援预案
①目的:
为了在发生火灾时能采取最有效的方法抢救被困人员或自救,同时尽可能不使火势蔓延,最大限度地减少损失,特制定本预案。
②具体分工如下:
a、负责立即组织人员进行扑救。
b、负责组织人员疏导被困人员,维持现场秩序。
c、负责立即同医院、公安、消防部门进行联系,说明详细事故地点、事故情况,并派人到路口接应。
d、负责现场物资、车辆的调度。
③火灾事故应急措施
立即报警。当接到汇报施工现场火灾发生信息时,指挥小组立即拨打“119”火警电话,并及时通知集团公司应急抢救领导小组,以便领导了解和指挥扑救火灾事故。
组织扑救火灾。当基地或施工现场发生火灾后,除了及时报警外,指挥小组要立即组织义务*防队消**员和员工进行扑救,扑救火灾按照“先控制、后灭火,救人重于救火;先重点后一般”的灭火战术原则。并派人及时切断电源,接通消防水泵电源,组织抢救伤亡人员,隔离火灾危险源和重要物资,充分利用施工现场中的消防设施器材进行灭火。
协调消防员灭火。在自救的基础上,当专业*防队消**员到达火灾现场后,火灾事故应急指挥小组要简要的向*防队消**负责人说明火灾情况,并全力支持*防队消**员灭火,要听从*防队消**的指挥,齐心协力,共同灭火。
伤员身上燃烧的衣物一时难以脱下时,可让伤员躺在地上滚动,或用水洒扑灭火焰。
保护现场。当火灾发生时和扑救完毕后,指挥小组要派人保护好现场,维护好现场秩序,等待对事故原因及责任人的调查,同时应立即采取善后工作,及时清理,将火灾造成的垃圾分类处理并采取其他有效措施,从而将事故对环境造成的污染降低到最低限度。
火灾事故调查处置。按照集团公司事故报告分析处理制度规定,项目部火灾事故应急准备和响应指挥小组在调查和审理报告出来以后,作出有关处理决定,重新落实防范措施;并报集团公司应急抢救领导小组和上级主观部门。
④应急物资
常备药品:消毒用品、急救物品(绷带、无菌敷料)及各种常用小夹板、担架、止血袋、氧气袋、灭火器等救火物资。
⑤注意事项
重要的档案资料,一旦着火不可用水扑救,必须使用干粉灭火器扑救。
那些比重轻于水的易燃液体着火后不宜用水扑救,因为着火的易燃体会漂在水面上,到处流淌,反而造成火势蔓延,必须使用干粉灭火器扑救。
高压电器设备失火不能用水来扑救,一是水能导电容易造成电器设备短路烧毁,二是容易发生高压电流沿水柱传到消防器材上,使消防人员造成伤亡,必须使用干粉灭火器扑救。
7、物体打击事故应急救援预案
①目的
为了确保我项目发生物体打击事故发生后,能迅速有效地开展抢救工作,最大限度降低员工及相关方生命风险,减少经济损失,特制定本预案。
②组织机构及分工
由项目部成立应急救缓小组,负责指挥及协调工作,组长不在按排名顺序顶替。具体分工如下:
a、负责现场,任务是掌握了解事故情况,组织现场抢救。
b、负责联络,及时布置现场抢救,保持与当地建设行政主管部门及劳动部门的沟通。
c、负责维持现场秩序,做好当事人、周围人员的问讯工作记录。
d、负责妥善处理善后工作。负责保持与当地相关部门的联系,并派人到路口接应。
③物体打击事故应急措施
a、迅速将伤员脱离危险场地,移至安全地带并组织人员进行抢救。
b、保持呼吸道畅通,若发现窒息者,应及时解除其呼吸道梗塞和呼吸道机能障碍,应立即解开伤员衣领。消除伤员口鼻咽、喉部的异物、血块、分泌物、呕吐物等。
c、有效止血、包扎伤口。
d、视伤情采取报警直接送往医院,或待简单处理后送去医院检查。
e、伤员有骨折、关节伤、肢体挤压伤,大块软组织伤都要固定。
f、若伤员有断肢情况发生时应尽量用干净的干布(灭菌敷料)包裹装入塑料袋内,随伤员一起转送。
g、预防感染、止痛,可以给伤员用用抗生素和止痛剂。
h、记录伤情,现场救护人员应边抢救边记录伤员的受伤机制情况,受伤部位,受伤程度等第一手资料。
i、立即拨打120向当地急救中心取得联系(医院在附近的直接送往医院),应详细说明事故地点,严重程度,本部门的联系电话,并派人到路口接应。
j、项目指挥部接到报告后,应立即在第一时间赶到现场,了解和掌握事故情况,开展抢救和维护现场秩序保护事故现场。
④应急物资
常备药品:消毒用品、急救物品(绷带、无菌敷料)及各种常用小夹板、担架、止血袋、氧气袋。
⑤注意事项
a、立即停止施工,组织人员抢救伤员,马上通知有关负责人,视情况拨打120急救电话。
b、设置警戒线,注意保护好事故现场,便于调查分析事故。
8、高处坠落事故应急救援预案
①目的
为了确保我项目发生高处坠落事故发生后,能迅速有效地开展抢救工作,,最大限度降低员工及相关方生命风险,减少经济损失,特制定本预案。
②具体分工如下:
a、负责现场,任务是掌握了解事故情况,组织现场抢救。
b、负责联络,任务是根据指挥小组命令,及时布置现场抢救,保持与当地建设行政主管部门及劳动部门等单位的沟通。
c、负责维持现场秩序,做好当事人、周围人员的问讯工作记录。
d、负责妥善处理善后工作,负责保持与当地相关部门的联系。
③高处坠落事故应急措施
a、 迅速将伤员脱离危险场地,移至安全地带并组织人员进行抢救。
b、保持呼吸道畅通,若发现窒息者,应及时解除其呼吸道梗塞和呼吸道机能障碍,应立即解开伤员衣领。消除伤员口鼻咽、喉部的异物、血块、分泌物、呕吐物等。
c、有效止血、包扎伤口。
d、视伤情采取报警直接送往医院,或待简单处理后送去医院检查。
e、伤员有骨折、关节伤、肢体挤压伤,大块软组织伤都要固定。
f、若伤员有断肢情况发生时应尽量用干净的干布(灭菌敷料)包裹装入塑料袋内,随伤员一起转送。
g、预防感染、止痛,可以给伤员用用抗生素和止痛剂。
h、记录伤情,现场救护人员应边抢救边记录伤员的受伤机制情况,受伤部位,受伤程度等第一手资料。
i、立即拨打120向当地急救中心取得联系(医院在附近的直接送往医院),应详细说明事故地点,严重程度,本部门的联系电话,并派人到路口接应。
j 、项目指挥部接到报告后,应立即在第一时间赶到现场,了解和掌握事故情况,开展抢救和维护现场秩序保护事故现场。
④应急物资
常备药品:消毒用品、急救物品(绷带、无菌敷料)及各种常用小夹板、担架、止血袋、氧气袋。
⑤注意事项
a、事故发生时应组织人员进行全力抢救,视情况拨打120急救电话和马上通知有关负责人。
b、重伤员运送应用担架,腹部创伤及背柱伤者,应用卧位运送;胸部伤者一般取半卧位。颅脑损伤者一般取仰卧偏头或侧卧位,以免呕吐误吸,
c、注意保护好事故现场,便于调查分析事故。
9、架体坍塌事故应急救援预案
①目的
为了确保我项目发生架体坍塌事故发生后,能迅速有效地开展抢救工作,最大限度降低员工及相关方生命风险,减少经济损失,特制定本预案。
②具体分工如下:
a、负责现场,任务是掌握了解事故情况,组织现场抢救。
b、负责联络,任务是根据指挥小组命令,及时布置现场抢救,保持与当地建设行政主管部门及劳动部门等单位的沟通。
c、负责维持现场秩序,做好当事人、周围人员的问讯工作记录。
d、负责妥善处理善后工作,负责保持与当地相关部门的联系。
③架体坍塌事故应急措施
a、迅速将伤员脱离危险场地,移至安全地带并组织人员进行抢救。
b、保持呼吸道畅通,若发现窒息者,应及时解除其呼吸道梗塞和呼吸道机能障碍,应立即解开伤员衣领。消除伤员口鼻咽、喉部的异物、血块、分泌物、呕吐物等。
c、有效止血、包扎伤口。
d、视伤情采取报警直接送往医院,或待简单处理后送去医院检查。
e、伤员有骨折、关节伤、肢体挤压伤,大块软组织伤都要固定。
f、若伤员有断肢情况发生时应尽量用干净的干布(灭菌敷料)包裹装入塑料袋内,随伤员一起转送。
g、预防感染、止痛,可以给伤员用用抗生素和止痛剂。
h、记录伤情,现场救护人员应边抢救边记录伤员的受伤机制情况,受伤部位,受伤程度等第一手资料。
i、立即拨打120向当地急救中心取得联系(医院在附近的直接送往医院),应详细说明事故地点,严重程度,本部门的联系电话,并派人到路口接应。
j 、项目指挥部接到报告后,应立即在第一时间赶到现场,了解和掌握事故情况,开展抢救和维护现场秩序保护事故现场。
④应急物资
常备药品:消毒用品、急救物品(绷带、无菌敷料)及各种常用小夹板、担架、止血袋、氧气袋。
⑤注意事项
a、事故发生时应组织人员进行全力抢救,视情况拨打120急救电话和马上通知有关负责人。
b、重伤员运送应用担架,腹部创伤及背柱伤者,应用卧位运送;胸部伤者一般取半卧位。颅脑损伤者一般取仰卧偏头或侧卧位,以免呕吐误吸,
c、注意保护好事故现场,便于调查分析事故。
第九章 计算书及相关施工图纸
1、天井外架搭设高度32m,立杆纵距1.5m,横距0.9m,里立杆离墙间距0.5m。
双排扣件钢管脚手架计算书
依据规范:
《建筑施工脚手架安全技术统一标准》GB51210-2016
《建筑施工扣件式钢管脚手架安全技术规范》JGJ130-2011
《建筑结构荷载规范》GB50009-2012
《钢结构设计标准》GB50017-2017
《建筑地基基础设计规范》GB50007-2011
计算参数:
钢管强度为205.0 N/mm2,钢管强度折减系数取1.00。
双排脚手架,搭设高度32.0米,立杆采用单立管。
立杆的纵距1.50米,立杆的横距0.90米,内排架距离结构0.50米,立杆的步距1.80米。
钢管类型为φ48×3.0,连墙件采用2步3跨,竖向间距3.60米,水平间距4.50米。
施工活荷载为2.0kN/m2,同时考虑2层施工。
脚手板采用竹串片,荷载为0.35kN/m2,按照铺设4层计算。
栏杆采用竹串片,荷载为0.17kN/m,安全网荷载取0.0100kN/m2。
脚手板下小横杆在大横杆上面,且主结点间增加一根小横杆。
基本风压0.25kN/m2,高度变化系数1.0000,体型系数1.2100。
地基承载力标准值170kN/m2,基础底面扩展面积0.250m2,地基承载力调整系数0.40。
钢管惯性矩计算采用 I=π(D4-d4)/64,抵抗距计算采用 W=π(D4-d4)/32D。
第十章 特殊工种人员操作证件
1、塔机人员
2、电工操作证件
3、架子工操作证件