点击上方蓝色字体,加入有趣、好玩的火腿圈

No.37 1996 Feb. p76~80, by 林茂荣 Paul Lin / BV5OC
资料来源:http://www.qsl.net/bv3fg/
1750 公尺波段你曾听说过吗?它并非业余波段,那么它是属于那一类性质呢?基本上,我们可以说这是属于三不管的区域,业务、*用军**、与无线电实验家可以混在一起的波段。
业余无线电家可以使用 1750 公尺波段吗?答案是肯定的,反而对业余无线电爱好者而言,因为借着已有的设备及经验,操作起 1750 公尺波段,应该更为有利。那么参与 1750 公尺波段活动要有哪些准备呢?其实,所需的设备不多,也无须执照 (指美国现行法规,此地使用 2公尺波段须有执照,但无照使用者并不少 )。
1750 公尺波段有如*疆新**般浩瀚原始,也可以把它比喻成沙漠,居民少,极富原始性,叉百挑战性,尤其是对于取得业余无线电执照无门,又对无线电技艺手痒者,更是一了不起的福音。你一定会问,照这样说来,1750 公尺波段好像真好,好得像梦幻般,像是不可能存在这真实世界。果真是那么简单,那这波段内岂不是充满着讯号了吗?一定有某些限制对不对?是的,是有限制存在的。
有那些限制?
实际上,1750 公尺波段有两道的主要限制。首先是法规,虽然操作 1750 公尺波段不需业余无线电信人员执照,但是对设备及讯号方面,却有严格规范:包括馈送线在内,发射天线总长度不得超过 15 公尺;收发机的后级输入功率不得超过 l 瓦!
千万别天真地想,还好嘛!发射天线不得超过 15 公尺,但是拿计算器来按看看,175KHz 换算成波长的话,光是半波长就超过 800 公尺!
还好这只是发射天线的限制,接收天线可以自由发挥。不过,紧接着的是第二道限制,得先从你的 AM 收音机体会看看,1750 公尺波段的频率比一般 AM 广播还低,你听 AM 广播时,需可以听到像爆玉米花的杂音,而实际上在 1750 公尺波段内的杂音会更厉害。一般而言,频率在 3MHz 以下,频率越低,噪声就越大,所以,杂音会是在这波段内活动的很大限制因素。而 1750 公尺波段的频率范围是指160KH2-190KHz 之间,最高的频率离,AM 广播的最低频率还有 345kHz。
一般说来,由于这频率上白天噪声干扰严重,所以几乎无法利用,就算连情况最好的夏天夜晚,可能也都无法顺利使用。有人戏称, 1750 公尺波段是修身养性的好去处,这说法一点也没错,因为要在 1750 公尺波段上进行活动,除了好奇心外,必须要具备最好的德性,尤其是耐性,绝不能虎头蛇尾,否则就会功亏一簧。
LOWFER 是什么?
在 1960 年代末期,1750 公尺波段依然有如荒原般,后来有一群无线电爱好者开始在这频率范围内进行实验,这一群人就自称 LOWFER,所以 LOWFER 可以解释为「低频爱好者」,或衍生解释为「低频实验电台」。早期因为长波接收机的性能受限,所以要是能把这长波讯号传到 20 公里外,便非常高兴。而现在,因为技艺精进不少,可以传送的距离自然远多了。
在 1750 公尺波段上,几乎任何模式都可以使用,没有人为的限制,然而因为这波段内有很高的背景噪音,加上功率的限制,因而最常用的是 CW,而早期许多 1750 公尺波段的标帜台也是使用 CW 发射。只要不会干扰到他人,当然在 1750 公尺波段,你也可以使用 AM、 FM、甚至 SSB,可以套句流行语:只要你喜欢,有什么不可以。
在 1750 公尺波段内,除了可以使用你个人的业余呼号外,也可以使用其它可供辨认的呼号,例如呼号是 BV5OC,而大多数人对 1750 公尺波段都有一股热爱,所以常从他们的业余呼号缩简而成 1750 公尺波段上的呼号,例如 BVOC,或只叫 OC。
所需的设备
谈到通讯设备,首推收发机。以目前电子零件水平来说,自制 1750 公尺波段收发机应不难。也可以利用现成的设备加上转换器(TRANSVERTER) 来使用。除此之外,有许多设备也可以应用,比如收发机的接收频率范围已包括 1750 公尺波段,只要制作一部1750 公尺波段发射机就可以了。
刚刚提过,1750 公尺波段有很重的杂音,常会影响到通讯,但是目前的数字式滤波器,好像可以比传统的电子线路更有效地应付噪声。数字式滤波器是先把声音由模拟一数字转换器取样成数据数据,再出微处理很快地做数据运算,把噪声分离开来,再把结果转换成模拟声音。我试用过一种数字式滤波器与长波讯号并用,效果不错,也许日后更理想的数字式滤波器,可以很有效地把 1750 公尺波段噪声过滤得更彻底。
目前在 1750 公尺波段活动的电台不多,也许技艺改观,参与的人也会越来越多,有兴趣的朋友不妨加入 LOWFER 行列!下面我们来讨论如何自制一部长波收发机。
自制长波收发机
历史的是是非非有时很有趣,无线电也不例外。当初开发无线电频谱时,因为技术限制的关系,加上当时一般以为靠地波传递的无线电讯号才管用,超过 2MHz 以上,对通讯或广播而言便不管用,所以当时根本没有人要使用 2MHz 以上的频谱做通讯。直到业余无线电家发现高频可以在欧洲与北美之间做通讯,大家才又一窝蜂挤到 2MHz 以上的高频来。
早期有一批专门对超长波讯号做实验的专家,对超长波着了迷。当时也有规画出一小段频谱供爱好者实验,人们称它为 1750 公尺波段,它的频率是160KHz-190KHz 之间。当时对这群人就称为低频爱好者 (LOEFERS),在这只有 30KHz 带宽的领域内,虽然杂音严重,又不能使用太大功率,但是依然有人乐此不疲,使用超长波来做通讯。
下面我们要提出一个超长波 CW 收发机的制作,利用现今高科技的发展与零件简便的优势,使这个制作线路简单化,让以前接触过超长波的朋友,能再回味玩赏一番,趁此机会,新加入的朋友也可以把业余无线电领域再扩充,让以前曾风靡一时的活动,再活过来。同时,因为波长实在太长了,常会影响超长波活动的关键技艺 -- 长波天线,在本文最后也要一并讨论。
超长波收发机
此部超长波收发机所选用的接收线路,与传统技艺没有两样,只是零件发达了,采用更精简、更方便的零件。以往超长波接收机是采用再生式检波,此种技艺不论是灵敏度或稳定性都还算称职,但是这里所采用的线路是直接转换式接收机。射频前端线路采用契比企夫 (CHEBYCHEV) 带通滤波器,以去除不必要的讯号。
在超长波接收机内,最大的困扰之一是有丰富的噪声,所以接收机线路内,如有两道噪声限幅器 (NOISE LIMITER) 线路,可望能有效地减少人为 (QRM) 及自然 (QRN) 的噪声。
直接转换式接收机的选择性,有赖声频线路,因此声频滤波器是直接转换式接收机的重头戏,这里也不例外,声频滤波器的中央频率及带宽都是可调的,有利于在吵杂讯号环境中滤除噪声,取出想要的讯号。声频输出可以推动耳机,也可以使用喇叭。此接收机完成后,在总增益达 100dB 时,完全听不到电源交流哼声。
本机完全遵照有相关法律规定的国家所定之规定,在美国,使用 1750 公尺波段并不需要持任何执照,它以实验精神为基础,任何人都可以使用此波段,唯发射机的输入功率不得超过 1 瓦,而天线包括馈送线在内不能超过 H 公尺。至于台湾地区也没有相关规定。
由于输入功率只能 1 瓦,通讯模式很自然地就被限制在 CW。要操作 CW,半自动电键比较方便,与高频收发机一样,电键的触动发射时间延迟可谓,以适应不同的敲键速度。而工作频率则利用压控方式操作。
虽然制作概念很简单,可是要在 1750 公尺波段上顺利操作,就要整合全部的技巧,尤其是天线。因此这极为简单又方便的制作,平常可以做几公里远的通讯,而情况好的话,也可能通达台湾全岛,端看电波的传导状况与架设天线的技巧而定。
制作细节
有些零件就直接焊在零件面上,此面的线路板就是接地,提供许多零件的接地。要记得焊接零件时,两面都要焊。零件不难辨认,所有电容都是盘状 (注:陶瓷电容器 )或圆型 (注:电解质电容器 ),而圆型的电解电容有正负极性之分,要特别注意;晶体管都是半月型,或是图型有凸状标示点。
首先最好先焊 IC,要特别注意有些脚的零件面是要焊接的,单面板难免都有这类麻烦。接下来焊L1、 L2 及 T1,而开关引必须留在最后,等所有可变电阻都装妥后,才把这开关装在线路板的焊接面上。
图 1 的辅助低频滤波器并非必要,不过它可以除去许多发射讯号时所产生的谐波,为了以防万一,最好还是装上比较好。T2 使用 T- 68-3 磁环绕制,初级用 30 号线绕 93 圈,次级用 25 号线绕 49 圈,绕线时要扎实不乱,完成后要留足够的长度供焊接,并用砂纸加工漆包线的端点。

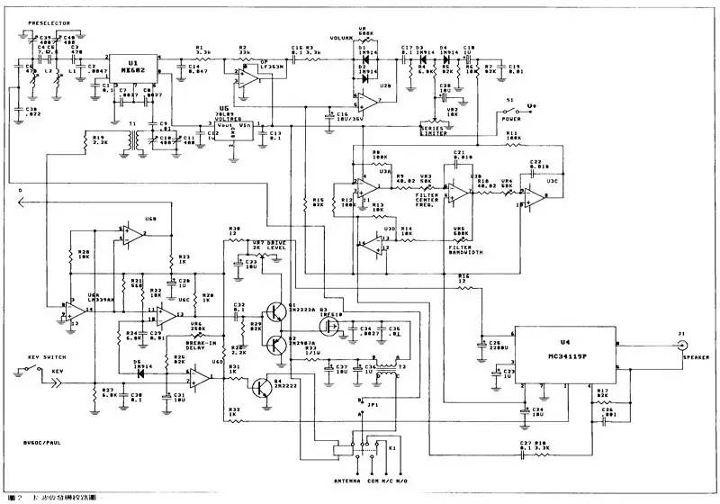
图 2:长波收发机线路图

校正与调整
图 2 是整部收发机的详细线路,并注意下列各点的定义:
A:50 奥姆发射/接收天线端子。
B:CW 电键插头。
COMM:辅助继电器端子。
D:监视频率端子。
E:声频输出供放大用。
GND:接地。
JP1:接收输入选择。
N/C:辅助继电器常闭端子。
N/O:辅助继电器常开端子。
VCC:12-18 伏特。
VCC 及地端接上 12V 电源,再用计频仪接上 D 点,并打开收发机, C10 依顺时针方向转到尽头,然后调整 T1,使计频仪频率读数为 189KHz。如果没有计频仪,可以拿长波接收机,或任何可以读出 189KHz 的接收机代用也可以,再把接收机调到 189KHz,然后调整 T1,直到接收机出现持续的音调。
接下来要调整预选器,也就是射频前端滤波器,L1 及 L2 必须细心调整。如果有讯号产生器,调整讯号强度,让天线端子上的电压约 0.1 毫伏,让预选钮及滤波器钮都停在 12 点钟位置,而串行限制及滤波器带宽钮,则都要在逆时针方向底端。然后调频率旋钮,听到讯号产生器的声音后停止,来回调整 L1 及 L2,直到讯号最强为止。
如果没有讯号产生器,可以接条长天线找现成的讯号,这可能会比较耗时,一但发现了讯号,就把它当做是讯号产生器的讯号,依上述步骤校正即可。
操作细节
声频线路内有个限制功能,透过音量的调整钮起作用,这个功能可以使万一被埋在噪声推里的讯号还有起死回生的机会;我们先用限幅器把噪声去除掉,再把放大器的增益加大,取出想要的讯号。串行限幅器 (Series Limiter) 可以把并列限幅器 (Shunt Limiter) 未去除干净的失真噪声彻底清除,也可以把音量适度节制在一定的程度。
至于滤波器的效果,完全可以由中央频率 (FilterFrequency) 及带宽(Bandwidth) 旋钮来调整。
虽然声频输出功率够大,推动喇叭绝不成问题,但是还是尽可能使用耳机。因为直接转换式接收机在线路上的增益是由声频放大独挑大梁,由于声频放大线路增益很大,所以音量一大 (再加大增益 ),很容易造成放大器振荡。如果采用耳机的话,便可以把增益降低,防止声频线路发生振荡。
直接转换式接收机还有另一项缺点,就是微动杂音(Microphonics),这是把机械声放大后所产生的,这机械声可能是人为振动,像是扭转开关等,或是由喇叭声音回授所引起的,要预防这方面的问题并不难,就好像麦克风不要正对着喇叭一样;使用喇叭时,不要靠近基座或线路板,以免产生回授。
此收发机的接收机线路,重要的是它的预选调整,说预选调整可能不容易懂,说是射频前端调谐线路就很清楚了,其实预选调整就是可变频率的射频前端调谐线路。这里的预选调整线路 Q 值很高,也就是频率响应曲线很尖锐,这可以只允许频率不宽的讯号通过。例如,要接收 180KHz 讯号,把中央频率设定在 179KHz 或 181KHz,那么你可以收听到 1KHz 的声音。至于要选179KHz 或 181KHz,可以看那个频率上的噪声少。
操作发射机那就更简单了,首先照例在发射之前先倾听,这是文明人操作任何无线电的共通法则。当然操作前要先架设好天线。在长波范围内,天线好像没有那么多的选择,一般是使用垂直共振天线。而选择呼号也很重要,你可以选择好用的呼号,一般为了通讯方便,最好不要使用完整的呼号,因为那太冗长了。
发射时,CW 键的延迟时间,可以利用 R30 来调整。另外要遵守规定,输入功率不能超过 1 瓦,这可以由 R36 把关,你可以安装 1 毫安表来监视功率放大线路的电流,但是这类电表很贵,所以可以拿 VOM (伏欧毫安计 )或 VTVM( 真空管伏计 )代用。
不做通讯时,可以把这发射机拿来做标帜发射台。标帜台不仅有助于低频爱好者判断是否可以和你做通讯,还可以提供给对天线实验与长波传导有兴趣的朋友很大的帮助。要使用本机成为标帜台很简单,只要以 CW 自动讯息产生器来代替原先的电键就可以了。
天线
供 1750 公尺波段使用的天线,在型式与架设条件有严格的规定,美国 FCC 联邦通讯委员会法规内,明白记载了你的长波天线长度 (包括馈送线 )不能超过 15 公尺。要是你想做短距离的通讯实验,采用任何天线都可以。
如果想做长距离通讯,就得选用垂直共振天线,此系统包含在天线底端的负载线圈及良好的接地系统。常用的接地系统是所谓的辐射接地,包括至少八条的 9 公尺以上的辐射接地网,再以四条铜管打入地下完成接地系统。如果架设天线的地面是砂石或干地,或是把天线架在屋顶上,则应采用虚性共振辐射网 (Counterpoise Resonant Radial System),参看图 3。负载线圈可以自己绕制,采一段直径 15 公分的塑料,使用 18 号漆包线,采取密绕的方式,绕线长 125 公分左右,从底端起十圈当中做些抽头。
图 3:典型的长波天线。
总结
很难一语道尽低频爱好者的种种,而长波天线和高频比较,更是特别,也不容易详细说明,但是相信有了基本常识之后,从实务经验应该可以学到更多。如果真正有兴趣,不妨加入一些长波爱好团体,例如美国长波俱乐部 (The Longwavwe Club of America),出版有 "LOWDOWN",联络处是:LWCA, 45Wildflower Rd, Levittown, PA 19057, U.S.A ﹒
主要参考数据:
1. Build Your Own Lowfer Transceiver, byDavid Curry.
2. Lowfing on 1750 Meters, by Steve Ford.
3. Simple Very Low Frequency Recivers, byJoseph J. Carr.
4. The Taw VLF Converter, PW Nov. 1986, pp28-29.
5. The Challenge of 1750 Meters, by DavidCurry.
6. Project lnspire: A VLF Space ShuttleExperiment, by Jim Ericson.
业余无线电微信号: ham_cn
添加朋友——搜号码:ham_cn
或查找微信公众号:业余无线电
合作、投稿请加小编微信:78329708,
或电话:18959213416 。