氮化镓(GaN)作为第三代半导体器件,凭借其优异的性能,在PD快充领域被广泛使用。
传统的GaN开通阈值和栅源工作电压都很低,对驱动电路的干扰非常敏感,在设计驱动电路时需要最小化栅极驱动环路面积、减小寄生电感,避免过冲导致器件误开通或误关断;在大功率系统中,这种干扰更为严重。
为此,经过多年的氮化镓技术沉淀,并收集广大客户的应用痛点,茂睿芯推出了全新一代氮化镓技术 LD-GaN™ ,大幅提高氮化镓在中大功率电源系统里的抗干扰能力和可靠性。
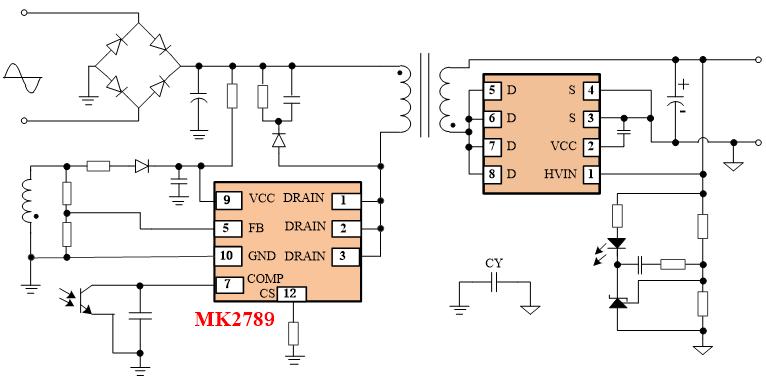
此次推出的65W集成氮化镓快充产品包括 MK2789/MK2780 ,便采用了 LD-GaN™ 技术,大幅提高65W氮化镓快充的可靠性。此外,采用独有的处于行业领先地位的高压技术,Vcc耐压高达110V,PPS应用无需稳压电路;专利软驱技术,可有效降低同步整流管电压应力;高频QR控制技术,提高效率的同时,能有效减小变压器尺寸。

高功率密度65W PD解决方案: MK2789/MK2780
产品优势:
①高耐压: 110V Vcc 耐压,PPS应用无需外部稳压电路
②高可靠性:全新 LD-GaN™ 技术
③低应力: 专利软驱 技术,实现低应力
④高集成度:集成 650V/200mΩ GaN
⑤高频QR:支持高频设计,有效减小变压器体积

为了提高方案的灵活性,茂睿芯同步推出了带External mode PIN的MK2780,方便客户在调试EMI和效率时灵活选用。

(1)满载、半载都在精确的谷底导通,有效提升系统效率:

(2)满载效率超过93%:

(3)DEMO实拍


特色ACDC产品系列
针对中大功率的快充电源应用,茂睿芯陆续推出了PFC、LLC、LLC SR、flyback PWM控制器、flyback SR控制器等多种拓扑应用的模拟芯片。系列芯片采用领先的高压工艺,可有效节省产品BOM;先进的驱动技术,可有效降低功率管开关应力,同时提高产品效率。该系列芯片已经被广泛应用于PD快充、大功率适配器、服务器电源、工业电源等多种领域。

以下为茂睿芯的联系方式,感兴趣的小伙伴可以联系他们获得详尽产品信息和专业技术支持。