初中实验是中考必考的一部分,今天为大家整理了初中阶段会考查的实验,包括所有实验步骤、操作、结论,收藏起来复习的时候看一看吧!
力学
01天平测质量
【实验目的】用托盘天平测质量。
【实验器材】天平(托盘天平)。
【实验步骤】
1.把天平放在水平桌面上,取下两端的橡皮垫圈。
2.游码移到标尺最左端零刻度处(游码归零,游码的最左端与零刻度线对齐)。
3.调节两端的平衡螺母(若左盘较高,平衡螺母向左拧;右盘同理),直至指针指在刻度盘中央,天平水平平衡。
4.左物右码,直至天平重新水平平衡。(加减砝码或移动游码)
5.读数时,被测物体质量=砝码质量+游码示数(m物=m砝+m游)

【实验记录】此物体质量如图:62g
02弹簧测力计测力
【实验目的】用弹簧测力计测力
【实验器材】细线、弹簧测力计、钩码、木块
【实验步骤】
测量前:
1.完成弹簧测力计的调零。(沿测量方向水平调零)
2.记录该弹簧测力计的测量范围是0~5N,最小分度值是0.1N。
测量时:拉力方向沿着弹簧伸长方向。

【实验结论】如图所示,弹簧测力计的示数F=1.5N。
03验证阿基米德原理
【实验目的】定量探究浸在液体中的物体受到的浮力大小与物体排开液体的重力之间的关系。
【实验器材】弹簧测力计、金属块、量筒、水
【实验步骤】

1.把金属块挂在弹簧测力计下端,记下测力计的示数F1。
2.在量筒中倒入适量的水,记下液面示数V1。
3.把金属块浸没在水中,记下测力计的示数F2和此时液面的示数V2。
4.根据测力计的两次示数差计算出物体所受的浮力(F浮=F1-F2)。
5.计算出物体排开液体的体积(V2-V1),再通过G水=ρ(V2-V1)g计算出物体排开液体的重力。
6.比较浸在液体中的物体受到浮力大小与物体排开液体重力之间的关系。(物体所受浮力等于物体排开液体所受重力)
【实验结论】物体受到的浮力大小等于物体排开液体所受重力的大小
04测定物质的密度
(1)测定固体的密度
【实验目的】测固体密度
【实验器材】天平、量筒、水、烧杯、细线、石块等。
【实验原理】ρ=m/v
【实验步骤】
1.用天平测量出石块的质量为48.0g。
2.在量筒中倒入适量的水,测得水的体积为20ml。
3.将石块浸没在量筒内的水中,测得石块的体积为20cm3。

【实验结论】根据公式计算出石块的密度为2400kg/m3。
多次实验目的:多次测量取平均值,减小误差
(2)测定液体的密度
【实验目的】测液体密度
【实验步骤】
1.测出容器与液体的总质量(m总)。
2.将一部分液体倒入量筒中,读出体积V。
3.测容器质量(m容)与剩余液体质量(m剩=m总-m容)。
4.算出密度:ρ=m剩/V=(m总-m容)/V
05探究物质质量和体积与哪些因素有关
【实验目的】探究质量与体积的关系,为了研究物质的某种特性,形成密度的概念。
【实验器材】量筒、天平、水、体积不等的若干铜块和铁块。
【实验步骤】
1.用天平测出不同铜块和铁块的质量,用量筒测出不同铜块和铁块的体积。
2.要记录的物理量有质量,体积。
3.设计表格:

【实验结论】
1.同种物质,质量与体积成正比。
2.同种物质,质量和体积的比值相同。
3.不同物质,质量和体积的比值不同。
4.体积相同的不同物质,质量不同。
06探究二力平衡的条件
【实验目的】探究当物体只受两个力作用而处于平衡状态时,这两个力必须满足的条件。
【实验器材】弹簧测力计、一张硬纸板、细绳、剪刀等。

【实验步骤】
探究当物体处于静止时,两个力的关系;探究当物体处于匀速直线运动状态时,两个力的关系。
1.如图a所示,作用在同一物体上的两个力,在大小相等、方向相反的情况下,它们还必须在同一直线,这二力才能平衡。
2.如图b、c所示,两个力在大小相等、方向相反且在同一直线上的情况下,它们还必须在同一物体上,这二力才能平衡。
【实验结论】二力平衡的条件:
1.大小相等(等大)
2.方向相反(反向)
3.同一直线(共线)
4.同一物体(同体)
07探究液体内部压强与哪些因素有关
【实验目的】探究液体内部压强与哪些因素有关
【实验器材】U形管压强计、大量筒、水、盐水等。
【实验步骤】

1.将金属盒放入水中一定深度,观察U形管液面高度差变大,这说明同种液体,深度越深,液体内部压强越大。
2.保持金属盒在水中的深度,改变金属盒的方向,观察U形管液面的高度差相同,这现象说明:同种液体,深度相同,液体内部向各个方向的压强都相等。
3.保持金属盒的深度不变,把水换成盐水,观察U形管液面高度差变化,可以探究液体内部的压强与液体密度(液体种类)的关系。
【注意】
同一深度,液体密度越大,液体内部压强越大。
在调节金属盒的朝向和深度时,眼睛要注意观察U形管压强计两边液面的高度差的变化情况。
在研究液体内部压强与液体密度的关系时,要保持金属盒在不同液体中的深度相同。
08探究杠杆平衡的条件
【实验目的】探究杠杆平衡的条件
【实验器材】带刻度的均匀杠杆、铁架台、弹簧测力计、钩码和细线等。
【实验步骤】
1.把杠杆的中点支在铁架台上,调节杠杆两端的平衡螺母,使杠杆在水平位置平衡,这样做的目的是方便直接在杠杆上读出力臂值。(研究时必须让杠杆在水平位置平衡后,才能记录实验数据)
2.将钩码分别挂在杠杆的两侧,改变钩码的位置或个数使杠杆在水平位置保持平衡。
3.所需记录的数据是动力、动力臂、阻力、阻力臂。
4.把钩码挂在杠杆上,在支点的同侧用测力计竖直向上拉杠杆,重复实验记录数据,需多次改变杠杆所受作用力大小,方向和作用点。(多次实验,得出普遍物理规律)
【实验结论】杠杆的平衡条件是:当杠杆平衡时,动力×动力臂=阻力×阻力臂,若动力和阻力在支点的异侧,则这两个力的方向相同;若动力和阻力在支点的同侧,则这两个力的方向相反。
【注意】
实验中先确定杠杆受的作用力哪个是动力哪个是阻力。实验必须尊重实验数据,不得随意篡改实验数据。
电学
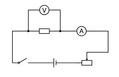
09电流表和电压表的使用
(1)用电流表测电流
【实验目的】用电流表测电流
【实验器材】电源、开关、小灯泡、电流表、若干导线等
【实验步骤】
1.将电源、开关、小灯泡、电流表串联起来,连接过程中开关处于断开状态。
2.电流从电流表的正接线柱流入,负接线柱流出。在未知电流大小时,电流表选择0~3A量程。
3.闭合开关,观察电流表的示数,确认是否需要改变电流表的量程,然后记下电流的示数。

【实验结论】如图所示,电流表的示数为0.5A。
(2)用电压表测电压
【实验目的】用电压表测电压
【实验器材】电源、开关、小灯泡、电压表、若干导线等
【实验步骤】
1.将电源、开关、小灯泡连接在电路中,连接过程中开关处于断开状态。
2.将电压表与小灯泡并联连接,在连接过程中,电压表的正接线柱靠近电源的正极,负接线柱靠近电源的负极,在未知电压大小时,电压表选择0~15V量程。
3.闭合开关,观察电压表的示数,确认是否需要改变电压表的量程,然后记下电压的示数。

【实验结论】如图所示,电压表的示数为2.5V。
10用滑动变阻器改变电路中的电流
【实验目的】练习使用滑动变阻器改变电路中的电流强度。
【实验器材】滑动变阻器、小灯泡、电流表、开关、电池组、导线若干
【实验原理】通过改变连入电路中电阻线的长度来改变电阻,从而改变电路中的电流强度。
11伏安法测电阻
【实验目的】用电流表、电压表测电阻
【实验器材】电源、开关、电压表、电流表、待测电阻、滑动变阻器、若干导线等。
【实验原理】R=U/I

【实验步骤】
1.如图所示连接电路,开关处于断开状态,滑动变阻器连入电路中的电阻处于最大值。
2.移动滑片到三个不同位置,记下相应的电流表示数和电压表示数。
3.根据公式计算三次的电阻,最后通过求平均值得到待测电阻的阻值。
滑动变阻器在实验中作用:多次测量,求平均值,减小误差。
12测定小灯泡电功率
【实验目的】测定小灯泡的电功率
【实验器材】电源、小灯泡、开关、电压表、电流表、滑动变阻器、若干导线等。
【实验原理】P=UI

【实验步骤】
1.记下小灯泡的额定电压,额定电流。
2.如图所示连接电路,开关处于断开状态,滑动变阻器连入电路中的电阻处于最大值,电源电压要大于小灯泡的额定电压。
3.移动滑片,使得电压表的示数等于小灯泡的额定电压,观察小灯泡的发光情况,记下此时的电流表示数,根据公式计算出小灯泡的额定功率。
4.改变滑片的位置,使得电压表的示数分别大于或小于小灯泡的额定电压,记下相应的电流值并计算出相应的电功率,并观察记录小灯的发光情况。
滑动变阻器在电路中的作用是:分担一部分电压,从而改变小灯两端的电压和通过小灯的电流。
13探究导体中电流与电压的关系
【实验目的】探究导体电流与电压的关系
【实验器材】若干节干电池、开关、电压表、电流表、两个不同导体、若干导线等。

【实验步骤】
1.如图所示连接电路,将导体甲连入M、N两点,开关处于断开状态。
2.闭合开关,记下相应的电流表示数和电压表示数。
3.改变电池的节数,再记下两组不同电压下对应的电流值。
4.用乙导体换甲导体,重复上述实验。
5.本实验进行多次实验的目的是多次试验,得出普遍的物理规律。
【实验结论】
1.同一导体,电流与电压成正比。
2.同一导体,电压和电流的比值为定值。
3.不同导体,电压和电流的比值不同。
滑动变阻器在实验“探究电流与电阻的关系”中作用:控制电阻两端电压不变。
光学
14验证凸透镜成像规律

【实验目的】验证凸透镜成像规律
【实验器材】光具座、凸透镜、光屏、蜡烛和火柴等。
【实验步骤】
1.记录凸透镜的焦距。
2.在光具座上从左往右依次放置蜡烛,凸透镜,光屏,并调节凸透镜和光屏的高度,使凸透镜和光屏的中心跟烛焰的中心大致在同一高度。(使像成在光屏中央)
3.固定凸透镜的位置,使烛焰位于凸透镜的2f以外(u>2f),移动光屏找像,在移动的过程中,眼睛要注意观察光屏上的成像情况,直到光屏上出现一个最清晰的像为止。此时像的情况是一个倒立、缩小的实像。测量并记录此时的物距和像距,再把像距、物距与凸透镜的f、2f相比较(f<v<2f)。
4.使烛焰位于凸透镜f、2f之间(f<u<2f),移动光屏,直到光屏上出现一个倒立、放大的实像(像距v>2f)。
5.使烛焰位于凸透镜f以内(u<f)移动光屏,发现光屏上得不到像,撤去光屏,眼睛在光屏侧可以看到一个正立、放大的虚像。
【实验结论】
1.表格:

2.凸透镜成实像时:
物距越大,像距越小,像越小,u﹥v成缩小的像
物距越小,像距越大,像越大,u﹤v成放大的像
15探究平面镜成像的特点
【实验目的】探究平面镜成像的特点
【实验器材】玻璃板、白纸、两支等大的蜡烛、火柴以及刻度尺

【实验步骤】
1.在水平桌面上铺一张白纸,纸上竖直放一块玻璃作为平面镜。
2.在玻璃板前放一支点燃的蜡烛A,在玻璃板后放一支等大、未点燃的蜡烛B。
3.移动玻璃后的蜡烛B,直到从玻璃板前各个位置看去,玻璃板后的蜡烛B看上去好像点燃一样,这个现象表明了像和物体的大小相等。在纸上记下这个位置,这样做的目的是确定虚像的位置。
4.测量出两支蜡烛到玻璃板的距离,发现:距离相等。
5.观察蜡烛A和蜡烛B的连线,发现:连线垂直于玻璃板。
6.若要判定所成的像的虚实,应该在像的位置放一块光屏,通过玻璃板观察上面是否成像来进行判断。
★用玻璃板代替平面镜:为了方便确定虚像的位置。
用两支等大的蜡烛:为了方便比较像与物体的大小。
实验中,眼睛观察到有2个像,它们分别是由于光的反射而形成的蜡烛A的虚像,由于光的折射而形成的蜡烛B的虚像。
进行多次试验的目的:多次实验得出普遍规律。
【实验结论】
1.平面镜所成的像是虚像
2.像和物体到平面镜的距离相等
3.像和物体的大小相等
4.像和物体的连线跟镜面垂直
实验方法归纳
一、控制变量法
1.研究蒸发快慢与液体温度、液体表面积和液体上方空气流动速度的关系。
2.研究弦乐器的音调与弦的松紧、长短和粗细的关系。
3.研究压力的作用效果与压力和受力面积的关系。
4.研究液体的压强与液体密度和深度的关系。
5.研究滑动摩擦力与压力和接触面粗糙程度的关系。
6.研究物体的动能与质量和速度的关系。
7.研究物体的势能与质量和高度的关系。
8.研究导体电阻的大小与导体长度材料横截面积的关系。
9.研究导体中电流与导体两端电压、导体电阻的关系。
10.研究电流产生的热量与导体中电流、电阻和通电时间的关系。
11.研究电磁铁的磁性与线圈匝数和电流大小的关系。
二、图像法
1.用温度时间图像理解熔化、凝固、沸腾现象。
2.电流、电压、图像理解欧姆定律I=U/R、电功率P=UI。
3.正比、反比函数图象巩固密度ρ=m/V、重力G=mg、速度v=s/t、杠杆平衡F1L1=F2L2、压强p=F/S,p=ρgh、浮力F=ρ液gV排、热量Q=cm(t2-t1)等公式。
三、转换法的应用
1.利用乒乓球的弹跳将音叉的振动放大;利用轻小物体的跳动或振动来证明发声的物体在振动。
2.用温度计测温度是利用内部液体热胀冷缩改变的体积来反映温度高低。
3.测量滑动摩擦力时转化成测拉力的大小。
4.通过研究扩散现象认识看不见摸不着的分子运动。
5.判断有无电流课通过观察电路中的灯泡是否发光来确定。
6.磁场看不见、摸不着,可以通过观察小磁针是否转动来判断磁场是否存在。
7.判断电磁铁磁性强弱时,用电磁铁吸引的大头针的数目来确定。
8.研究电阻与电热的关系时,电流通过阻值不等的两根电阻丝产生的热量无法直接观测或比较,可通过转换为可看见的现象(气体的膨胀、火柴的点燃等的不同)来推导出那个电阻放热多。
四、实验推理法
1.研究真空中能否传声。
2.研究阻力对运动的影响。
3.“在自然界只存在两种电荷”这一重要结论也是在实验基础上推理得出来的。
五、等效替代法
1.在电路中若干个电阻可以等效为一个合适的电阻,反之亦可;如等效电路、串并联电路的等效电阻,都利用了等效的思维方法。
2.在研究平面镜成像实验中用两根完全相同的蜡烛其中一根等效另一根的像。
3.用加热时间来替代物体吸收的热量。
4.用自行车轮测量跑道的长度,跑道较长,无法直接测量,用滚轮法处理:轮子的周长乘以圈数即为跑道的周长。
六、类比归纳法
1.研究电流时类比水流。
2.用“水压”类比“电压”。
3.用抽水机类比电源。
4.研究做功快慢时与运动快慢进行类比等。
5.用弹簧连接的小球类比分子间的相互作用力。
学会了吗?快来NB物理实验加试APP练习一下吧!


●新版本预告|物理虚拟实验5.1.0版本即将上线~
●高一下学期知识点汇总(机械能守恒与静电场)
●干货丨25张思维导图,搭建知识结构搞定初中物理!
●干货丨八年级物理下册知识点汇总
●活动|邀请活动最多可获得7个月VIP!!


www.nobook.com
让教学更简单
长按扫码可关注