
物理大师
(一)知识框架

(二)探究电阻上的电流跟两端电压的关系
1、电流与电压的关系

2、电流与电阻的关系

3、在探究“电流与电压、电阻”关系的实验中
滑动变阻器的作用作用:改变电路中电流的大小;改变R两端的电压大小;保护电路,使电路中的电流不至于过高。
注意事项:连接电路时开关应断开;在闭合开关前,应将滑动变阻器的滑片调到电阻值最大的位置;电压表和电流表应该选择合适的量程。
运用数形结合思想分析电流与电压、电阻之间的关系:利用图像来表示一个物理量随另一个物理量的变化情况,可以直观、形象地表示出物理量的变化规律。
控制变量法该实验中,第一步是保持电阻不变,改变电压,观察电流随电压的变化规律;第二步是保持定值电阻两端的电压不变,改变定值电阻的大小,观察阻值和电流之间的变化规律。这种方法称为控制变量法。
4、注意该试验中,可能的电路故障
常见的故障有:电表无示数、示数偏低、实验数据或结论错误等。
(三)欧姆定律及其应用
1、内容
I=U/R 变形式:U=IR 或 R=U/I
描述:导体中的电流跟导体两端的电压成正比,跟导体的电阻成反比。
注意:① 该定律中涉及到的电流、电压、电阻是针对同一段导体的或电路的;具有同时性。② 使用该定律时,各物理量的单位必须统一,电压、电阻、电流的单位分别是V、Ω、A。③该定律只适用于金属导电和液体导电,对气体、半导体导电一般不适用。④该定律只适用于纯电阻电路。
2、结论(注意前提条件)
电阻一定时,通过导体的电流与导体两端的电压成正比电压一定时,通过导体的电流与导体的电阻成反比
3、电阻的串、并联
(1)串联电路的总电阻等于各串联电阻之和R=R1+R2+……+Rn n个阻值相同的电阻串联,其总电阻为R=nR0把几个电阻串联起来相当于增加了导体的长度,其总电阻一定比每个导体的电阻大。
(2)并联电路的总电阻的倒数等于各并联电阻的倒数之和

n个阻值相同的电阻并联,其总电阻为R=R0/n把n个电阻并联起来,相当于增加了导体的横截面积,其总电阻比每一个导体的都要小。
4、串、并联中电压电流的分配特点

“串联分压、并联分流”的理解:根据串联中,电流不变,利用欧姆定律I=U/R,有U1/R1=U2/R2,变形得U1/U2=R1/R2
根据并联中,电压相等,利用欧姆定律U=IR,有I1R1=I2R2,变形得I1/I2=R2/R1
(四)测量电灯泡的电阻
1、伏安法测导体电阻

2、伏安法测小灯泡电阻(重要)

3、“伏安法”测电阻试验中常见故障的排除方法


(五)欧姆定律和安全用电
1、欧姆定律和安全电压
(1)人体触电或引发火灾,都是由于电路中的电流过大造成的,从欧姆定律I=U/R来考虑:① 电压越高越危险② 防止电阻过小。(如:湿手不能触摸开关和用电器,避免短路等)
(2)加在人体上但不会对人体造成危害的电压称为安全电压(≤36V)。我国家庭电路电压=220V 动力电路电压=380V高压输电线路电压可达105V
2、利用欧姆定律分析短路现象
导线不通过用电器而直接接在用电器或电源的两端,称之为短路。
由于并联,导线与和它并联的部分两端电压相同,而导线电阻很小,可以不计,则导线上必然通过一个大电流。若导线与用电器并联,则电流几乎不通过用电器,用电器不工作;若导线与电源并联,则大电流通过电源会将电源烧坏。
3、注意防雷
(1)雷电现象及破坏作用雷电是大气中一种剧烈的放电现象。云层间、云层与大地间的电压可达几百万伏甚至几亿伏。根据欧姆定律,当发生雷电现象时,可以产生巨大的电流。
(2)避雷针避雷针由金属制成,放在建筑物高处,当电荷传至避雷针尖,电荷会极易沿金属线流入大地,这条电流通道的建立可以中和云层和建筑物上的正负电荷,使得建筑物免遭雷电损坏。
4、利用欧姆定律解释触电现象
触电是由于电流过大造成的。根据I=U/R,当电压过大或电阻过小时,都会产生大电流,造成触电事故。
(六)方法清单
1、利用欧姆定律进行计算步骤
(1)根据题意画出电路图,看清电路的组成(串联还是并联)——分析连接方法(2)明确题目给出的已知条件、未知条件——知道有什么、求什么(3)针对电路类型(串、并),联系欧姆定律进行分析——核心分析(4)列式求解
例:如图所示的电路中,电阻R1的阻值是10Ω,闭合开关S,电流表A1的示数为2A,电流表A2的示数为0.8A,则电阻R2的阻值为______。

2、如何判断电压表、电流表的示数变化
(1)明确电路的连接方式和各元件的作用(2)认清滑动变阻器的连入阻值(3)弄清电路图中电表测量的物理量(4)分析电路的总电阻怎样变化和总电流的变化情况(5)最后综合得出电路中电表示数的变化情况
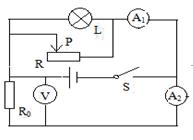
例:如图所示电路中,电源电压恒定,R0为定值电阻,R为滑动变阻器,闭合开关S后,在滑动变阻器滑片P左滑的过程中( )A.电流表A1的示数变小 B.电流表A2的示数变大C.电压表示数变小 D.电灯的亮度变暗

物理大师