2020年四川省广安市中考物理试题
学校:___________姓名:___________班级:___________考号:___________
1.下列估测与事实最接近的是( )
A.一本物理课本长50cm
B.通常情况下,你的脉搏1min跳动120次
C.人的正常体温是39℃
D.一只母鸡的重力大约为20N
2.下列有关声现象的说法,正确的是( )
A.中考期间考场周围禁止鸣笛,是在声源处减弱噪声
B.声音可以在真空中传播
C.声音在水中的传播速度比在空气中慢
D.超声波能排除人体内的结石是利用声波传递信息
3.下列有关机械运动的说法,正确的是( )
A.通信卫星由近地点向远地点运动过程中,动能增大,重力势能减小
B.小秦骑车匀速转弯,运动状态一定发生了改变
C.体育课上王虎比张明跑得快,则王虎通过的路程比张明多
D.端午节划龙舟比赛时,以龙舟上的鼓为参照物龙舟是运动的
4.下列有关热现象的说法,正确的是( )
A.烧开水时冒出的“白气”是汽化现象
B.用久了的白炽灯内壁变黑是因为白炽灯钨丝在发光时先熔化后凝固依附在灯泡内壁
C.夏天电风扇吹出的风使我们感觉凉爽,是因为风加快了皮肤表面汗液的蒸发,蒸发要吸热
D.冬天,摩擦双手使手发热,是通过热传递的方式改变手的内能
5.空中运动的足球会落向地面,然后在草坪上继续运动一段距离,最终停下来。对于这一些现象,以下分析正确的是( )
A.如果足球在运动吋,突然不受任何力的作用,足球会静止
B.足球下落过程中重力势能转化为动能
C.足球在草坪上继续运动是因为足球受到惯性作用
D.足球最终能停下来是因为摩擦力大于惯性
6.如图所示,凸透镜的焦距为10cm,此时蜡烛在光屏上成一个清晰的像。凸透镜的位置固定不変,只移动点燃的蜡烛和光屏,下列说法正确的是( )

A.把蜡烛移到刻度值为30cm处,再向左移动光屏,能在光屏上得到倒立缩小的清晰实像,成像规律可以应用于照相机
B.把蜡烛移到刻度值为14cm处,再向右移动光屏,能在光屏上得到倒立放大的虚像,成像规律可以应用于投影仪
C.把蜡烛移到刻度值为5cm处,再向右移动光屏,能在光屏上得到正立放大的虚像成像规律可以应用于放大镜
D.蜡烛在光屏上已成一个清晰的像,如果在蜡烛和透镜之间放一个近*眼镜视**,为了在光屏上重新得到清晰的像,光屏应向左移动
7.如图所示,电源电压不变,R1为定值电阻,开关闭合后滑片向右移动时,下列说法错误的是( )

A.电压表测的是R1两端电压 B.电流表示数变大
C.电压表示数变小 D.电压表与电流表示数之比不变
8.放在水平地面上完全相同的a、b容器内装有不同的液体,将甲、乙两个完全相同的物体分别放入两容器中,待静止时如图所示且两容器中的液面相平。如果物体所受浮力分别为F甲、F乙,液体对容器底部的压强分别为pa、pb,容器对水平地面的压力分别为F′a、F′b,对他们的大小关系分析正确的是( )

A.F甲=F乙 pa>pb F′a<F′b
B.F甲>F乙 pa<pb F′a>F′b
C.F甲<F乙 pa>pb F′a>F′b
D.F甲=F乙 pa>pb F′a>F′b
9.下列关于温度、热量和内能的说法,正确的是( )
A.发生热传递时,温度总是从高温物体传递给低温物体
B.在相同温度下,1kg的水比1kg的冰含有的热量多
C.一块0℃的冰熔化成0℃的水,内能增大
D.物体温度升高,内能一定增加,一定要吸收热量
10.如图所示,水平地面上的建筑人利用滑轮组,将重为900N的物体在10s内匀速提升2m。工人对绳子直向下的拉力为500N,自身重力为700N,不计绳重和摩擦阻力。以下说法正确的是( )

A.工人对地面的压力为700N B.拉力的功率为150W
C.滑轮组的机械效率为60% D.动滑轮的自重为100N
11.利用如图所示的装置测量小灯泡的电功率,电源电压恒定不变,小灯泡上标有“3.8V”字样。闭合开关,实验操作过程中出现了以下几种情况,分析错误的是( )

A.无论怎样移动滑动变阻器的滑片,小灯泡不亮,电压表的示数几乎等于电源电压,电流表几乎无示数,原因是小灯泡断路
B.无论怎样移动滑动变阻器的滑片,小灯泡很暗且亮度不变,原因是滑动变阻器同时接入两个下接线柱
C.当小灯泡的实际电压为2.5V时,要测量小灯泡的额定功率,需将滑片向左移动
D.电压表无示数,小灯泡不亮,可能是小灯泡短路
12.如图甲,电源电压保持不变,闭合开关S,变阻器滑片从a端滑到b端的过程中,电流表示数I与电压表示数U的关系图像如图乙所示。以下分析错误的是( )

A.电源电压是3V
B.R1的电阻值是10Ω
C.R2的最大电阻值是20Ω
D.当滑片P移到中点时,电阻R1工作10s消耗4J的电能
13.甲图中物体的长度______cm,乙图中电能表的读数为______ kW·h。

14.如图甲所示的电路,当开关闭合后,电流表a、b的指针偏转均如图乙所示,则通过L2的电流为______,灯泡L1和L2的电阻之比是______。

15.下图是物理老师在课堂上演示的两个实验示意图。图甲中,老师用毛皮摩擦过的橡胶棒a接触验电器的金属小球b时,同学们发现验电器的金属箔片张开了。在这一过程中,电流的方向是从______(选填“a到b”或“b到a”)。图乙中,是一个通电螺线管,请判断通电螺线管的左端是______极。

16.新冠疫情突如其来,为了抗击疫情,人们常在家里喷洒消毒药水来消毒杀菌。此刻我们会闻到一股刺激性的气味,这是______现象。疫情期间,李芳在家里用古筝弹奏优美的乐曲,当她用力拨动琴弦时可以增大声音的______。
17.放在水平地面上的物体,质量为5kg,在30N的水平拉力作用下,沿水平方向运动了10m,所用时间为20s,那么重力做功______J,拉力的功率是______W(g=10N/kg)。
18.如图所示,边长为10cm的正方体A重力为1N,在水平向左的力F1=2N,竖直向上的力F2=4N作用下,沿着墙壁竖直向上做匀速直线运动,则此时A受到的滑动摩擦力大小为______,A对竖直墙壁的压强为______。

19.灯泡L1标有“12V,12W”,L2标有“12V,6W”,当它们串联时,电路两端允许加的最大电压是______。如果把两灯泡分别串联或并联接入同一电源下(电源电压不变),L1和L2串联时两灯泡的总功率记为P1,并联时两灯泡的总功率记为P2,那么P1∶P2=______。(忽路灯丝电阻的变化,灯泡的实际电压不能超过额定电压)
20.请将下图中的光路图补充完整。

21.如图所示,一物体在水平地面上处于静止状态,请画出它的受力示意图。

22.请将灯泡按照安全用电的要求接入家庭电路中。

23.下图是探究“平面镜成像的特点”的实验装置。

(1)此实验中选用两支相同的蜡烛是为了比较像与物的______关系;
(2)实验中把光屏放在蜡烛所成像的位置处,在光屏上并没有看到蜡烛的像,说明平面镜所成的像是______;
(3)拿走光屏,将蜡烛A向玻璃板靠近3cm,同时将蜡烛B移到A像的位置,通过测量我们会发现蜡烛A到它在玻璃板中像的距离变化了______cm,此时像的大小______(选填“变大”“变小”或“不变”)。
24.在探究“杠杆平衡条件”的实验中,所用的器材有:每格长度等距的杠杆、支架、弹簧测力计、刻度尺、细线、每个重力都为0.5N的钩码若干个。

(1)实验前将杠杆中点置于支架上,调节平衡螺母使杠杆在水平位置静止的目的是:______和消除杠杆自重对实验的影响;
(2)如甲图所示,杠杆处于平衡状态。若从杠杆的两侧同时减掉一个钩码,那么杠杆的______ (选填“右”或“左”)端下沉;
(3)在乙图中,将弹簧测力计由竖直方向旋转至沿虚线方向,如果要继续保持杠杆在水平方向静止,测力计的示数要______(选填“变小”“不变”或“变大”);
(4)如果忽略杠杆自重对实验的影响,则在丙图中要使杠杆在水平位置保持平衡,弹簧测力计对杠杆的最小拉力为______。
25.在探究“电流与电阻关系”的实验中,所用的器材有:电压恒定为6V的电源、开关、电流表、电压表、三个定值电阻(5Ω,10Ω,20Ω)、几个规格不同的滑动变阻器、寻线若干。

|
电压U/V |
2 |
||
|
电阻R/Ω |
5 |
10 |
20 |
|
电流I/A |
0.4 |
0.2 |
0.1 |
(1)如图所示是某同学连接的电路,图中有一根导线连接错误,请你在连接错误的导线上打“×”,并补画出正确的连线____;
(2)电路连接正确后,闭合开关前滑动变阻器的滑片应置于______(选填“A端”或“B端”);
(3)分别把5Ω和10Ω的定值电阻接入电路中,移动滑动变阻器的滑片使电压表的示数为2V,记录下电流表的示数。可是当把20Ω的定值电阻接入电路中时,该同学无论怎样移动滑片都无法使电压表示数调到控制值,说明选择的滑动变阻器______;
(4)更换器材后,重新实验,将数据记录在表格中,分析实验数据可得结论:______。
26.某同学学习了有关热学的知识后,知道了水的比热容是4.2×103J(kg·℃)
(1)如果用某一品牌的电热水器将质量为1kg的水,在一标准大气压下从20℃加热至沸腾,则水需要吸收多少热量?
(2)如果该同学所用的电热水器工作时的实际电功率为1000W,并且热效率(热效率等于水吸收的热量与用电器消耗电能之比)为80%,则电热水器加热时间是多少?
27.如图所示,将一物体挂在弹簧测力计的挂钩上,测出物体的重力为10N,把物体浸没在圆柱形容器的水中(水未溢出),静止时测力计的示数为6N,已知容器的底面积为100cm2(g=10N/kg)求:

(1)物体浸没在水中时所受的浮力;
(2)物体的密度;
(3)物体浸没在水中时,水对容器底部增大的压强。
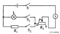
28.如图,电源电压恒定不变,灯泡L上标有“6V 3.6W”的字样(灯泡电阻受温度的影响忽略不计)。R1=30Ω,滑动变阻器R2的最大阻值为50Ω,当S、S1闭合,S2断开且滑片P在b端时,电流表的示数为0.2A。求:

(1)灯泡正常工作时的电阻;
(2)电源电压;
(3)断开S1,闭合S、S2,调节滑动变阻器的滑片,电阻R1消耗的电功率变化范围。