
从苹果发布带无线充电手机开始以来,整个无线充电市场持续爆发。在iPhone上无线充电以前,针对无线充电做电源芯片的屈指可数,标杆性的外资企业有IDT、TI、NXP等。从2014年有新的半导体公司进军这个领域,像伏达半导体、新捷半导体等。 随着苹果加入WPC组织,一些原先做方案的公司也开始涉猎芯片设计,像易冲无线、劲芯微等。劲芯微在无线充电耕耘很多年,传说很早就在香港组建了芯片开发团队,但主要应该还是以方案为主。劲芯微CEO,邵礼斌先生,是中国无线充电领域非常值得尊敬的人,这么多年坚持做无线充电,看市场起起伏伏,实属不易。
这是一个新的市场,但是它的方案进化速度远远超出预期。我们先来了解一下DC-DC电源进化史,或许能更好地看清楚无线充电芯片的发展。
第一代DC-DC用分离器件搭建,控制电路 、模拟电路、Driver和PowerMOS都是分离的;
第二代DC-DC将控制电路、模拟电路、Driver放在一个芯片里,PowerMOS是分离的;
随着先进BCD工艺的发展,第三代DC-DC将模拟电路、Driver、PowerMOS集成在了一起,控制电路单独放一块;
*四代第**DC-DC干脆将所有东西都集成在了一起。
无线充电方案和DC-DC其实非常类似,也可以按此分成四代,但是在时间上却不是一代一代地迭代。你现在几乎可以在市场上看到四代产品同时都在,不知是否可以称之为“四世同堂”。接下来,我们来慢慢聊聊这四代产品。
第一代无线充电方案全部由分离器件搭建。在此,正好可以用第一代产品来解释下各个关键器件在无线充电中的作用。第一代无线充电方案,如图一所示。最近正值世界杯,不妨用足球运动员来类比。
PowerMOS:相当于足球运动员的四肢,是动力的输出。无线充电中,它就是最终输出功率的器件。
Driver:相当于足球运动员控制四肢肌肉伸缩的经络,是四肢发力的最后一道触发器官,来决定四肢是否动作。无线充电中就是由它来开启和关闭PowerMOS。
Buck:相当于足球运动员的能量供给器官,同时控制了每一次动作的力度。无线充电中,它来控制功率全桥的输入电压,从而来控制能量输出的大小。
小功率DC-DC:相当于给除了四肢之外的其他器官供给能量的器官。无线充电中,它就是MCU、运算放大器、Driver等器官的供电源。
OP:运算放大器,相当于足球运动员的眼睛、耳朵等捕获外界信息的器官。对应无线充电就是由它来采样功率全桥输入端的平均电流。它需要在功率电源端或者地端串联一个高精度电阻,通过采样电阻两端的电压来得到流过的平均电流。优点是:采样较为准确。缺点是:有功率损耗;受运放参数温飘影响大。在无线充电系统中,除了平均电流,还有一个信息会被采集,那就是谐振电容和电感之间的P电压。它通过一组二极管、电阻和电容处理后送给ADC, 这个ADC通常被内置在MCU当中。
MCU:相当于足球运动员的大脑,它通过处理其他器官捕获的信息,来分析,判断并发出指令四肢应该做怎样的动作。对应无线充电,它会通过模拟电路给它的信息来控制Buck的输出电压来,也就是控制功率全桥的功率输出;也由它来告诉Driver怎样让PowerMOS开关;同时也可以控制LED的闪烁来发出信息。
MOS For Q:这个MOS管串联在了功率回路当中,可能是用来做Q值检测。这种做法最开始由IDT提出,是一种扫描频率的办法。优点就是:容易实现,比较准确;缺点也比较明显:1. 会增加功率损耗;2. Q值检测速度慢。Q值检测是EPP认证的必要条件,可以准确地检测异物。
综上所述:由分离器件搭建的第一代无线充电方案,它都是围绕着MCU搭配信息采样电路和功率全桥电路来完成整个无线充电系统。由于集成度不高,整个系统相当复杂,成本昂贵。各种信息交换和能量传输都要通过PCB走线,走线难度大。EMI问题凸显,往往需要牺牲效率来满足相应的要求,比如在功率MOS的Gate端串联电阻电容来实现。但是它在推动无线充电发展初期起着非常重要的作用,因为它让很多做MCU的公司,以及方案公司可以很快进入无线充电市场,帮助大批量的无线充电产品第一时间送到了消费者手中。

图一 第一代无线充电方案PCB照片
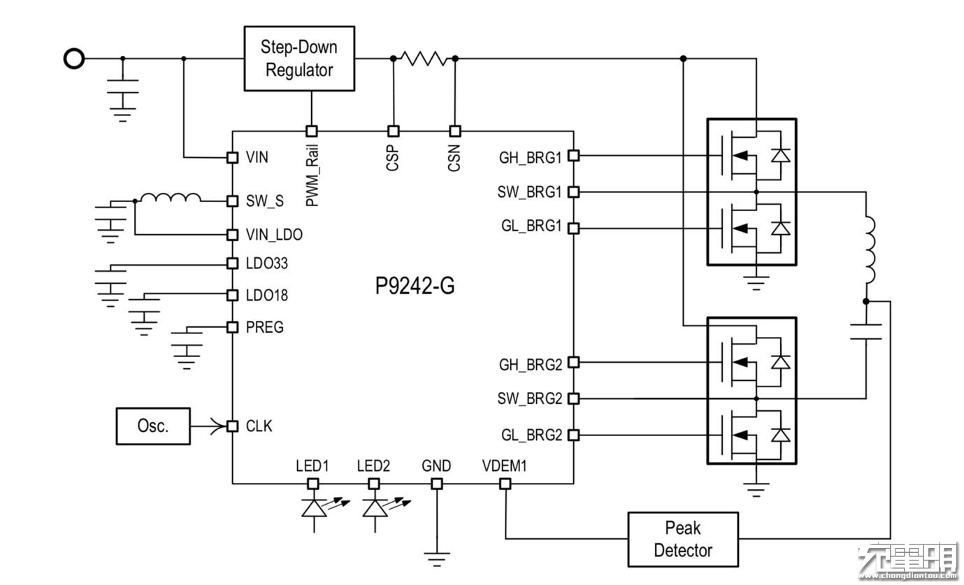
第二代无线充电方案将MCU、模拟电路、Driver放在一个芯片里,PowerMOS是分离的。有些公司称这种方案为SOC方案,这种称呼并不准确,更合适地应该称之为Mix Signal的芯片。真正的SOC,整个系统都在一个芯片里面,所以*四代第**无线充电方案才是真正的SoC。第二代无线充电方案的代表当属IDT的P9242,之后像华润矽科、易冲无线、劲芯微等也有模仿IDT架构的芯片出现。P9242-G方案原理图如图二所示。

图二 IDT9242原理图
可以看到,P9242纯粹将分离器件方案中MCU,OP,Driver,小功率DC-DC集成在了一起。PowerMOS仍然采用分离MOS。Peak电压采样电路 由外部的二极管、电阻电容以及MCU内部ADC组成。平均电流采样 需要在功率端串联一个采样电阻。功率Buck仍然是外置的。Q值检测也需要在外部增加一个功率MOS,采用扫频的方式。相比第一代方案,这是集成度上的一个非常大的跨越,它大大减少外部元器件的使用,降低方案的成本。但在功能和性能上,相对于第一代产品似乎并没有提升。
图三为采用IDT的P9242的产品拆解图,很简洁。值得注意的是,它的Buck位是预留的,并没有装上,原因是它把功率Buck的调压功能放在了适配器中,因为QC3.0本身就支持线性调压。用适配器调压是创新,会在功能和性能上的带来提升,会是未来的一个趋势。唯一阻拦它普及的因素只有一个:QC3.0或者PD适配器的普及度还没有那么高。但这个因素迟早会被消灭。

图三 采用IDT9242产品的拆解图
第三代无线充电方案追溯起来最早应该是TI最先提出。但之后真正意义上推广这种架构的应该属于伏达半导体,伏达于2016年就推出了带电流采样的智能功率全桥芯片NU1006(为了区分,称之为Gen1 智能全桥),18年更是推出了全面升级之后的智能全桥,NU1015/NU1009/NU1008 (Gen2 智能全桥)。之后像JWT等原先做电源芯片的公司也推出了相对应的产品,但目前只跟伏达 Gen1 智能全桥芯片类似。
第三代无线充电方案采用MCU+PowerStage的架构。所以整体方案就是两颗芯片。图为伏达半导体2017年推出的5W方案的架构。2017年中旬就推出这样的高集成度方案是非常惊艳的,也帮助伏达半导体拿下了很多知名公司的订单。

图四 伏达半导体第一代5W方案
伏达半导体的Gen1 智能全桥将功率MOS和Driver集成了在一起,同时集成了电流采样电路。该电流采样电路最大的亮点在于,无需在功率回路上串联高精度电阻,提高了无线充电转化效率。另外,PowerMOS和Driver集成在一起是非常自然的事情,这样Driver和PowerMOS可以匹配得非常完美,开关损耗可以被优化到极致。同时上下MOS管的死区时间控制也在芯片内部。常见的集成Buck死区时间一般可以做到10ns~20ns,相信这颗芯片也可以做到这个量级,从而大大降低导通损耗。第一代无线充电方案和第二代无线充电方案由于外置PowerMOS都做到这无法 一点,而且它们SW点的毛刺电压也会因为寄生电感大而变得很高。另外,第一代和第二代方案常见的EMI的问题往往出现在驱动和PowerMOS不匹配,以及PCB寄生电感太大。PowerMOS和驱动集成之后,寄生电感大大降低,驱动和功率MOS匹配,EMI风险可以大大降低,解EMI也就变得非常容易,甚至有可能不需要牺牲效率。谈到寄生,在多线圈应用领域,将Driver和MOS管集成在一起也可以大大简化PCB走线的难度。MCU控制功率管开关的信号只有数字走线,即使功率管跟MCU距离很远也不会影响性能。很可能用一个MCU搭配N个PowerStage就可以完成N个线圈的应用。图五为伏达的一个三线圈的应用图。

图五 伏达半导体三线圈应用
伏达半导体的Gen2 智能全桥进一步将集成度提高,将功率MOS、Driver、Q值检测、电流采样、小功率DC-DC供电、数字解调集成在了一起。图三为伏达半导体的15W-EPP、标准苹果快充方案,非常简洁。从系统上来看,这种集成方式有一个非常大的优势:将“眼睛”和“耳朵”等信息获取器官直接安在了”四肢“旁边,意味着第三代方案完全有机会获得功率全桥中电压和电流的瞬态信息。而无线充电的通信变化、TX和RX的位置变化、功率损耗都时刻反应到功率全桥中的电压和电流变化。这些信息的获取可以帮助MCU更智能地进行功率传输、FOD检测、通信解调等功能。另外,Q值也可以通过时域检测的办法在内部获得,不需要在芯片外面额外增加器件,也不会带来功率的损耗。而第一代无线充电方案和所谓的SOC第二代无线充电方案只能获取功率全桥输入端的平均电流和峰值电压两个简单的信息。

但将MOS集成也会造成一些忧虑。比如散热。效率虽然可能因为优化开关损耗,得到了非常大的提升,甚至比分离MOS的方案还要高,但芯片单点温度可能会比分离MOS的高,原因在于面积比较小。这就对芯片设计和封装设计提出了挑战。笔者特地查阅了伏达半导体的NU1015的Datasheet,如下图所示。可以看到它的温度设计范围为-40摄氏度~125摄氏度保证电气性能。另外它封装也采用了特质话的设计,以保证热量可以很快被导到PCB上。因此,温度问题在芯片设计能力和封装技术提升面前,只是与分离器件比较而产生的多虑而已。

做这样的芯片也跟伏达的团队来源有关。伏达的芯片团队本身就是TI的大功率通信电源团队出生,甚至有TI资深功率集成工艺专家加入,面对消费级芯片设计想必信手拈来。
伏达推出的Gen2 智能全桥芯片对于方案公司来讲倒是非常大的福音,因为如此强大智能全桥芯片完全可以通过搭配一个无需定制化的MCU完成无线充电系统的设计。且伏达也根据输出功率大小(5W/10W/15W)推出了三款PowerStage, 方便针对不同的应用灵活使用。很多原先停留在第一代无线充电方案的公司,可能可以很快跳跃到第三代无线充电方案。甚至很多原先不做无线充电的方案公司,也可以借助伏达的功率全桥,推出集成度很高的无线充电方案。整个无线充电行业的集成化水平会有一个很快的飞跃。
还有一个点是,由于受上游材料供应不足、其他产品线排挤8寸晶圆产能,中低压MOSFET的价格已经开始往上走,供货周期也不停地被加长。集成了功率管的PowerStage可能会越来越受方案商和产品商的青睐。
*四代第**无线充电方案非常少,代表有IDT9038。NXP,RICHTECH也有推出过类似的芯片。但均停留在5W的功率阶段。
IDT的P9038的应用原理如下图所示,非常简洁。它肯定也具备第三代无线充电的优点,但是将功率和数字MCU集合在一起所面临的技术和成本挑战会远大于第三代无线充电。在功率等级灵活性上也会差很多,毕竟5W和10W的市场目前还不会出现明显的分化。另外,WPC协议也在变化中往前走,没有完全稳定下来。用一颗芯片全集成还是可能面临标准变化带来的一些风险。当然,能做这个事的公司也没有几家。NXP和IDT已经在5W上做了这个事了。

最后做一个简单的总结:
1. 感谢第一代无线充电方案,它保证了无线充电市场的快速起量;
2. 第二代无线充电是第一代无线充电集成度上的提升,降低了Cost,但相较于第一代倒没有架构的创新和性能的提升;
3. 第三代无线充电同样大大提高了集成度,在性能和架构上也做了很多创新,也非常有机会带来一些额外的用户体验改善,可能是未来发射端非常值得研究和挖掘的方向。
4. *四代第**无线充电,目前还停留在5W的阶段,有公司能做,但相对较少。有没有必要做倒是很多公司思考的问题。