- 工程类型:市政工程
- 施组类型:实施
- 道路/铁路:市政道路
- 路面材料:沥青混凝土
- 桥梁分类:中小桥
- 隧道位置:其他
- 隧道施工:其他
- 图表/计划:平面布置,进度计划,工艺流程,占地计划
- 桥梁材料:其他

京津合作示范区一期(主干路四东段,次干路三) 道路、桥梁、市政管网 工程施工,其主干路四东段:宁清路—主干路九段落,规划为 城市主干路 ,设计速度50km/h,全长约4153m(含1座跨水系桥梁,桥梁长度约280m);道路红线宽度39m;道路红线面积为155976㎡(166896-280*39=155976㎡)(不含支路相交路口)。雨水工程规划修建DN400~双排d2600mm的雨水管道;污水工程规划修建DN400~DN1000mm的污水管道。雨、污水管道均位于道路绿化带范围内。
次干路三:次干路八—次干路十段落,规划为 城市次干路 ,设计速度30km/h,道路红线宽度35m,全长约4290m。道路红线面积约157952㎡(不含支路相交路口)。雨水工程规划修建DN400~d1650mm的雨水管道;污水工程规划修建DN500~DN1200mm的污水管道。雨、污水管道均位于道路绿化带范围内。




第一章 综合说明
一、工程概况
本工程坐落于天津市宁河区清河农场。京津合作示范区一期(主干路四东段,次干路三)道路、桥梁、市政管网工程施工,其主干路四东段:宁清路—主干路九段落,规划为城市主干路,设计速度50km/h,全长约4153m(含1座跨水系桥梁,桥梁长度约280m);道路红线宽度39m;道路红线面积为155976㎡(166896-280*39=155976㎡)(不含支路相交路口)。雨水工程规划修建DN400~双排d2600mm的雨水管道;污水工程规划修建DN400~DN1000mm的污水管道。雨、污水管道均位于道路绿化带范围内。
次干路三:次干路八—次干路十段落,规划为城市次干路,设计速度30km/h,道路红线宽度35m,全长约4290m。道路红线面积约157952㎡(不含支路相交路口)。雨水工程规划修建DN400~d1650mm的雨水管道;污水工程规划修建DN500~DN1200mm的污水管道。雨、污水管道均位于道路绿化带范围内。
二、编制原则
1、施工总体布置体现统筹规划、布局合理、节约用地、减少干扰和避免环境污染的原则。
2、施工环境保护工作,必须贯彻“全面规划,合理布局,预防为主,综合治理,强化管理”的方针和“谁污染谁治理、谁破坏谁恢复”的原则。
3、遵循《招标文件》的原则,严格按招标文件中的工期、质量、安全目标等要求编制施工组织设计,使建设单位各项要求均得到有效保障。
4、遵循《设计图纸》的原则,在编制施工组织设计时,认真阅读核对所获得的设计文件资料,理解设计意图,掌握现场情况,严格按设计资料和设计原则编制施工组织设计,满足设计标准和要求。
5、遵循有关施工技术规范和验收标准原则,在编制施工组织设计时,严格按施工技术规范要求优化施工方案,认真执行工程质量检验及验收标准。
6、遵循“安全第一、预防为主”的原则,从制度、管理、方案、资源等方面制定切实可行的措施,确保安全施工,服从建设单位及监理工程师的监督、管理,严肃安全纪律,严格按规章程序办事。
7、遵循“科技是第一生产力”的原则,广泛应用新技术、新工艺、新设备、新材料“四新”成果,充分发挥科技在施工生产中的先导、保障作用。
三、编制依据
1、京津合作示范区一期(主干路四东段,次干路三)道路、桥梁、市政管网工程施工招标文件及招标答疑。
2、京津合作示范区一期(主干路四东段,次干路三)道路、桥梁、市政管网工程施工程施工图。
3、现场勘查资料。
4、中华人民共和国、行业和地方政府负颁布的现行有效的建筑结构、建筑施工、城市建设以及污染控制等方面的各类主要规范、规程及检验评定标准。
5、主要国家、行业和地方标准一览表
《公路路基施工技术规范》 JTG F10-2006
《公路路面基层施工技术细则》 JTG/T F20-2015
《公路沥青路面施工技术规范》 JTG F40-2004
《公路土工合成材料应用技术规范》 JTG/T D32-2012
《城镇道路工程施工与质量验收规范》 CJJ 1-2008
《给水排水管道工程施工及验收规范》 GB50268-2008
《公路工程技术标准》 JTG B01-2014
《公路桥涵施工技术规范》 JTG/T F50-2011
《公路桥梁板式橡胶支座规格系列》 JT/T 663-2006
《公路工程质量检验评定标准》 JTGF80/1-2004
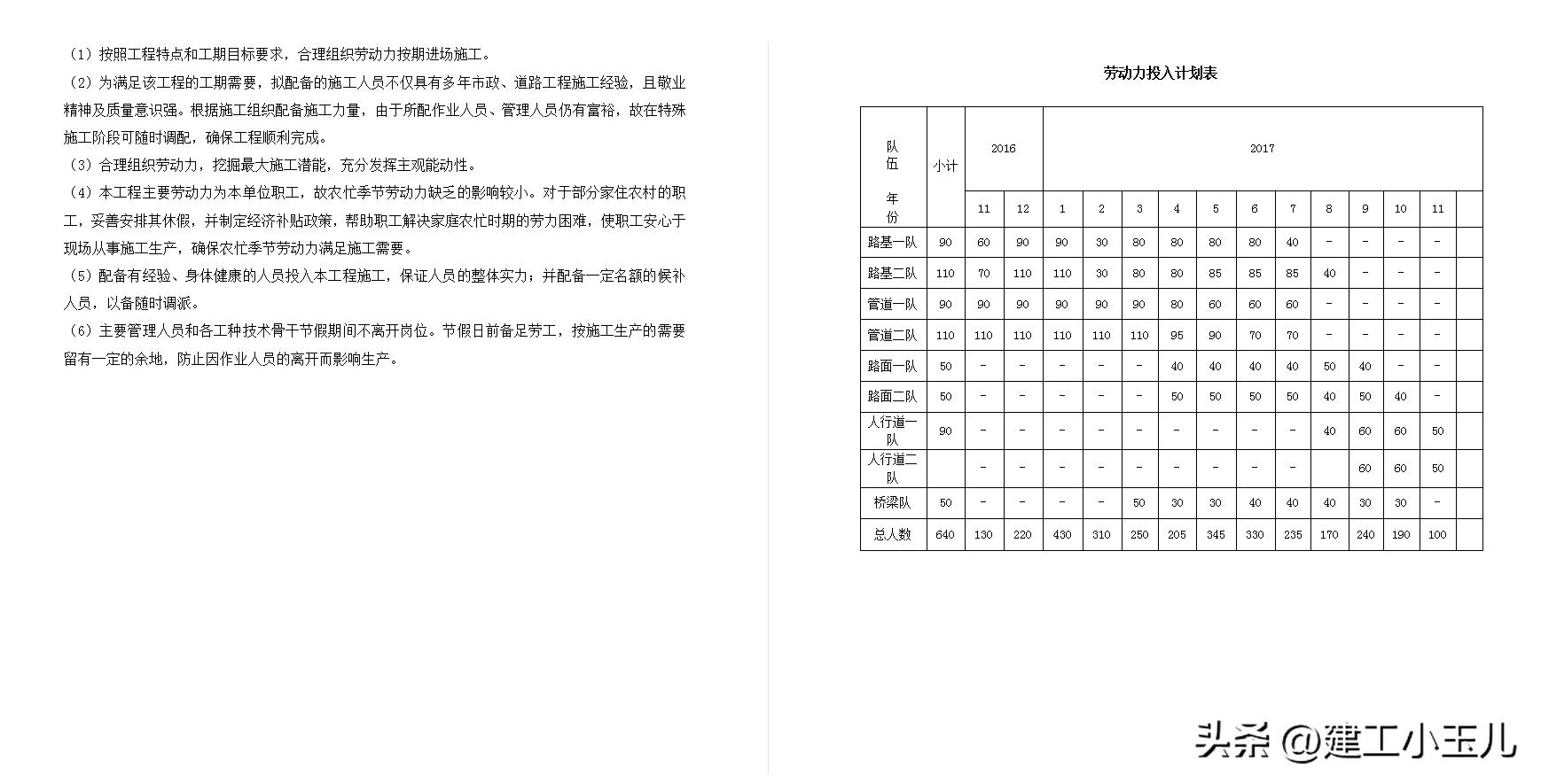
第二章 项目组织机构及劳动力计划
一、项目组织机构
1、项目组织机构
为安全、优质、按期完成本工程的施工任务,本着精干、高效的原则,我们计划抽调理论和实践经验丰富、业务能力强、综合素质高的技术、管理人员及具有丰富施工经验的施工队伍完成本工程的施工任务。建项目经理部,全面负责本工程的施工组织管理工作。
项目经理部下设四部一室,包括工程技术部、安全质量监察部、经营核算部、设备物资部、综合办公室,另工程技术部下设试验室和测量班,分别负责本工程的施工技术、安全、质量、环境保护、计划、财务、交通疏解、物资设备保障、行政管理、材料试验与检验、监控量测与测量等工作,确保本工程工程建设任务的优质、高效完成。详见《施工组织管理机构图》。
2、管理职责
(1)项目经理部
项目经理部代表本公司负责对本工程实施组织、指导、协调与监控,对业主负全责。在本工程的实施、完成与缺陷修复等方面以本公司名义执行一切与此有关的事务。
(2)项目经理
项目经理是本工程质量保证的第一责任人,负责组织开展质量体系活动,确立本项目质量目标,组织编制实施性施工组织设计。贯彻执行国家方针、政策、法规,坚持全面质量管理,推进各项质量活动正常开展,确保产品质量稳定提高,满足建设单位要求,争创名牌工程。负责对工程项目进行资源配置,保证质量体系在本工程工程项目上的有效运行及所需的人、财、物等资源的需要。
项目经理还是本项目工程安全保证的第一责任人,负责建立健全安全生产保证体系,建立和实施安全生产责任制,确保各项安全活动的正常开展。负责施工现场全面的文明施工管理,组建施工现场的文明施工领导小组,并结合本工程特点,制定文明施工管理细则。
负责按批准的施工计划,全面组织实施,并根据工程进展,适时调整资源配置,确保阶段、整体工期目标的实现。
(3)项目总工程师
对本工程质量、施工技术、计量测试负直接技术责任,指导施工队工程技术人员开展有效的技术管理工作;提出贯彻改进工程质量的技术目标和措施。负责新技术、新工艺、新设备、新材料及先进科技成果的推广和应用。具体负责组织对本工程项目施工方案、施工组织设计及质量计划进行编制及经批准后的实施。对施工中可能存在的质量通病及其纠正、预防措施进行审核。解决工程质量中的关键技术和重大技术难题。指导本工程工程项目的验工计价。
对本工程的劳动保护和安全生产的技术工作负责,结合工程特点及施工进度及时下达劳动保护和安全生产技术方案和措施,并认真贯彻落实。
(4)工程技术部
负责本工程项目的施工过程控制;制定施工技术管理办法及工程项目的施工组织设计及调度工作;对测量、试验、量测监控等专项技术工作负领导责任并直接指导。负责技术交底、过程监控,解决施工技术疑难问题;组织编制竣工资料和进行技术总结,组织实施竣工工程保修和后期服务;组织推广应用新技术、新工艺、新设备、新材料,努力开发新成果。
(5)安全质量监察部
负责制定本工程的安全管理工作规划,负责安全综合管理,编制和呈报安全计划、安全技术方案和具体安全措施,并在施工中认真贯彻落实。组织安全检查,发现事故隐患,及时监督整改。负责安全检查督促,负责对危险源提出预防措施,定期对施工队进行安全教育,对关键工序提出安全施工防范的技术交底。
依据公司质量方针和目标,制定质量管理工作规划,负责质量综合管理,行使质量监察职能。确保产品在生产、交付及安装的各个环节以适当的方式加以标识,并保护好检验和试验状态的标识。负责产品的标识和可追溯性、最终检验和试验、不合格品的控制、质量记录的控制,按照质量检验评定标准,对本工程全部工程质量进行检查指导;负责全面质量管理,组织工程项目的QC小组活动。
(6)经营核算部
负责对本工程项目承包合同的管理。按时向建设单位报送有关报表和资料。负责本工程项目施工计划制定、实施管理,根据施工进度计划和工期要求,适时提出施工计划修正意见,报项目经理部领导批准执行。负责验工计价工作。
负责工程项目的财务管理、成本核算工作。参与合同评审,组织开展成本预算、计划、核算、分析、控制、考核工作。参加工程项目验工计价,指导各施工单位开展责任成本核算工作。
(7)设备物资部
负责物资采购和物资管理及制定本工程项目的物资管理办法,检查指导和考核施工队的物资采购和管理工作。负责本工程项目全部施工设备的管理工作,制定施工机械、设备管理制度。在公司设备物资处指导下,参与设备的安装、检验、验证、标识及记录。参加本工程工程项目验工计价,对材料消耗和机械使用费用情况提出计量意见,评价机械设备管理情况。
(8)综合办公室
主要处理项目经理部一切日常工作,负责*党**政、文秘、接待等工作。
(9)工地试验室
负责本工程项目检验、试验、交验、及不合格品的检验控制,按检验评定标准对施工过程实施监督并对检验结果负责。负责现场各种原材料试件和混凝土试件的样品采集和测试、检验及质量记录。负责工程项目的计量测试工作,并负责工程项目的检验、测量和试验设备的核定、校准及使用管理工作。在工程技术部指导下,对合格产品进行验工计量。
(10)测量班
负责根据业主、监理工程师及规划部门提供的三角网点、水准网点等数据测设本工程的施工控制网,负责工程各阶段的施工放样等测量工作。
负责本工程的监控量测工作,编制监控量测数据表,及时报告项目总工程师及监理工程师,以指导施工生产的安全、有效进行。


第三章 材料及机械设备投入计划
一、材料投入计划
1、主要材料供应计划
首创光年城起步区市政一期主干路四东段及次干路三道路工程主要的材料为沥青砼、水泥稳定碎石、二灰碎、石灰、级配碎石、山皮土、土工格栅、竹笆等。
各种原材料优先选择具有资质的大企业,在经试检验合格后方可进入施工现场进行使用。山皮土选用唐山丰润*压镇**库山采石厂、唐山遵化市国力采石厂等几家有资质的料场;土工格栅选用莱芜市浩德工程材料有限公司的格栅;级配碎石选用河北唐山市国力采石场的石料。主要原材料尽量选用周边省市,并在现场备用一部分如石灰、山皮土等材料,随用随补充。
2、工程材料保证措施
(1)根据工程预算的材料分析及现场材料的使用情况,由专职人员负责编制材料进退场计划,施工过程中严格执行定额用料管理。
(2)技术部门按施工计划及施工预算,提供周、月工程项目、工程量、投资计划及单项工程周、月度需要主要材料明细表;物资部门根据各承包单位提出的需用材料计划,在充分利用库存物资的基础上,做好物资平衡工作,及时编报材料采、订、购计划。
(3)应提前一周时间上报材料需求计划,按进度计划备足所用的各种材料,以确保施工物资供应不拖后腿。
(4)严格执行材料采购计划,在保证质量的前提下,货比三家,低价优先。
(5)及时与材料供应部门、周转材料租赁站及商品混凝土搅拌站联系,确保按时供应到位。
(6)单独开设账户作为工程材料款,施工中做到专款专用,确保工程材料供应。

二、机械投入计划
1、机械配备原则及方法
1.1施工机械的配备原则:
施工机械的选择应与工程的具体实际相适应,所选机械是在具体的、特定的环境条件下作业,这些环境条件包括地理气候条件、作业现场条件、作业对象的土质条件等。合理选择施工机械的依据是:工程量、施工进度计划、施工质量要求、施工条件、现有机械的技术状况和新机械的供应情况等。施工机械的工作参数应注意机械的工作容量、生产率、机械的尺寸、机械的质量、自行式施工机械的移动速度、动力装置类型和功率等。
1.2施工机械选择的一般原则:
1)适应性:适应性是指施工机械要适应用于工程的施工条件和作业内容。如工地的气候、地形、土质、场地大小、运输距离、工程规模等。
2)先进性:新型的施工机械具有高效低耗、性能稳定、安全可靠、质量好等优点,更能保质保量地完成公路施工任务。
3)通用性和专用性:选用施工机械时要全面考虑通用性和专用性。尽可能用一种机械代替一系列机械,减少作业环境,扩大机械使用范围,提高机械利用率,方便管理和维修。
1.3使用机械应有较好的经济性:
机械产品的性能价格比,作为用户是首先考虑的具体问题之一,机械类型选定后,必须细致调研具体产品运转可靠性、维修方便程度和售后服务质量。
1.4合理的机械组合:
包括机械技术性能的合理组合和机械类型及其台数的合理组合。机群的合理规模由工程量、工期要求和机群的作业能力等方面的因素决定。机械组合要注意牵引车与配置机具的组合,主要机械和配套机械的组合。在组合机械时,力求选用统一的机型,以便维修和管理,从而提高公路施工的水平。
2、主要施工机械设备投入


第四章 施工现场平面布置
一、施工总体平面布置
为满足本标段的建设需要,设置1个项目经理部、4个施工驻地、1个水稳拌合站、1个沥青混凝土拌合站。本项目临时用地严禁占用基本农田,严格控制占用耕地、林地。项目部及施工驻地临建租用唐津高速公路附近的楼房及红砖房,既满足工地双标管理要求,又节约资源。水稳及沥青拌合站拟建在项目部附近的永河监狱附近的空地,该处空地面积能满足拌合站建设需求,且交通便利。
进场后首先进行道路修筑、架设供电线路、修建供水管道和蓄水池等。对工地试验室、拌合站施工场地等设施提前部署规划,尽早落实。详见施工总平面布置图。
二、主要临时工程
1、项目经理部及施工驻地
项目经理部和施工处按照实际需要和“双标管理”要求进行规划建设,在满足办公和生活需要的基础上,建设成样板施工驻地,成为整个标段对外的宣传窗口。
项目经理部及施工驻地总占地面积120000平方米,办公、生活用房建筑面积不小于3000平方米,人均办公用房面积不小于8平方米,人均生活用房面积不小于4平方米;施工区人均办公用房面积不小于8平方米,人均生活用房面积不小于4平方米。项目部内部道路和停车区路面采用厚度为15cm的C20混凝土路面,场区道路下面增设10cm厚碎石垫层,规划有序、顺畅,并做好排水措施,其中主干道净宽不小于6m。
驻地建设达到美化、怡人的效果;项目经理部内道路两侧种植行道树或布置花草盆景,每间办公室配置两盆以上花草盆景,会议室作重点布置。为满足项目部人员的文体生活需要,驻地内还应设有一定的文体设施。
办公区内一般设项目经理室、各业务科室和资料室、试验室、会议室等,各科室门口应挂设名称牌。会议室内管理图表均装裱上墙。
生活用房设宿舍、食堂、浴室、厕所等。施工工区要为民工提供较好的工作和生活设施。办公区和生活区内均配置必要的消防安全器具,建立安全、卫生管理制度,落实专人维护和保洁。
项目部办公、生活用房建筑面积和场地占地面积满足办公、生活要求。项目部及施工驻地硬件设施具体要求如下:
1.1会议室
会议室净空高度控制在2.5m以上,房屋选用阻燃材料,房间地面硬化,门窗齐全,墙面抹灰刷白。会议室要求通风、照明良好,还必须设有防暑降温和取暖设备。会议室必须配备必要的会议桌和椅子,非整体性的会议桌要铺桌布。会议室还必须配备投影仪等常用会议设施。会议室内悬挂组织机构图,安全、质量、环保保证体系图,线路平、纵面缩图,工程形象进度图,项目管理方针和管理目标图表。
1.2档案资料室
档案资料室面积不小于20m2,净空高度控制在2.4m以上,选用阻燃材料,房间地面硬化,门窗齐全,墙面抹灰刷白。所有档案资料宜保存在专用金属柜内,由专人负责收发。档案资料室应能防潮、防火,照明、通风良好,并配备消防设施。根据已批复的工程划分,编制档案卷内目录,设置相应档案盒及标签,并事先上架。
1.3工地试验室
试验室用房建筑面积100m2。试验室房屋必须坚固、安全、耐用,并满足工作要求。做好试验室的合理布局。
1.4宿舍
项目部及施工驻地的宿舍要坚固、美观,房间净空高度不低于2.4m;门窗齐全,同时设置可开启式窗户,保证通风;房顶尽量选用阻燃、防水材料,内墙抹灰刷白,地面硬化防潮湿。保证每人(可上下)单床,禁止设置通铺或采用钢管搭设上下铺;宿舍内床铺不得超过两层,每人居住面积不少于4m2。生活用品应放置整齐,有条件的每人可设生活专用组合柜,室内无私拉乱接电线的现象。宿舍内挂设治安、卫生、防火管理制度图表,夏季有消暑、防蚊虫叮咬措施,冬季有保暖和防煤气中毒措施。宿舍内外环境应安全、卫生、清洁,室外设有标识的垃圾箱,由专人清扫。
1.5食堂
食堂位置距厕所、垃圾等有害物质应不小于30m。净空高度不得低于2.4m,水泥硬化地面,保证不积水。锅台四周面、案板挨墙处贴白瓷砖,便于清洗。制订食堂卫生管理责任制度,具备卫生许可证。炊事员(包括工作人员) 有健康证,穿工作服。食堂应配备必要的排风设施和冷藏设施。燃气罐应单独设置存放间。存放间应通风良好,并严禁存放其他物品。炊具宜存放在封闭的橱柜内,并生熟分开。食堂内应设有防尘、蚊、蝇、鼠害设施,应设置隔离油池并及时清理。生活垃圾要装容器,有专人管理及时清运。厨房应有防火设施。必须保证供应符合卫生标准的饮用水。高温季节应有防暑降温措施。
1.6卫生间
必须分设男、女卫厕所,满足使用要求。必须是水冲式或移动式厕所,且保持清洁。大小便池内镶贴瓷砖,水泥硬化地面,设纱窗、纱门,采光良好。厕所应指定专人负责卫生工作,应定时进行清扫、冲刷、消毒,防止蚊蝇孳生,化粪池应及时清掏,要符合卫生要求。
1.7浴室
浴室面积按现场平均人数设置,人均面积 0.07m 2 。浴室采用节水龙头,符合安全要求,让职工能按时洗浴。
1.8办公室
各部门办公室应隔开。房间净空高度控制在2.4m以上,房屋选用阻燃材料,房间地面硬化,门窗齐全,通风、照明良好,墙面抹灰刷白。办公场所必须配备必要的办公设备,并排列整齐。室内必须将有关制度图表上墙,文件资料归档整齐。
2、水稳及沥青砼拌合站
2.1拌合站选址及选型
水稳及沥青拌合站拟建在项目部附近的永河监狱附近的空地,该处空地面积能满足拌合站建设需求,且交通便利。
石灰粉煤灰碎石及水稳拌合站选用WCB500型,生产能力500t/h,根据道路路面基层工期进度计划,石灰粉煤灰碎石及水泥稳定碎石日供应量最高峰3150t,日生产能力=500t/h*0.8*8h=3200t,拌合站能满足施工需求。沥青拌合站选用LB3000型,生产能力240t/h,根据道路路面面层工期进度计划沥青混凝土日供应量最高峰1550t,日生产能力=240t/h*8h=1920t,拌合站能满足施工需求。
2.2场地建设
(1)场地处理
1)拌和站根据工程实际情况集中布置,宜采用封闭式管理,拌和站内设置工地试验室。
2)拌和站站界用砖砌围墙封闭,材料堆放区、拌和区、作业区分开;场内地面做硬化处理。
3)拌和站的行车道路进行硬化处理,以保证施工车辆通行顺畅。
4)场地硬化按照四周低、中心高的原则进行,场地四周应设置排水沟,排水沟底面采用砂浆进行抹面,做到雨天场地不积水、不泥泞,晴天不扬尘。
5)在场地外侧合适的位置设置沉砂井及污水过滤池,严禁将站内生产废水直接排放。
(2)堆料场
1)原材料的堆放符合下列要求:
2)凡用于工程的砂石料按配料要求,不同粒径、不同品种分仓存放,不得混堆或交叉堆放,并设置明显标志,分料仓采用片石或粘土砖砌筑而成,隔墙高度不低于1.5m,采用水泥砂浆抹面,仓内地面设不小于4%的地面坡度,分料墙下部预留孔洞,严禁积水。
3)严格按照规定对现场材料进行标识,标识内容包括材料名称、产地、规格、检验情况、用途等,并根据不同的检验状态和结果采用统一的材料标识牌进行标识。
4)所有集料分批验收,验收合格的材料方可进场。各种材料的堆放做到一头齐,一条线,砂石成堆,设置标识牌。
5)料仓的容量满足最大单批次连续施工的需要,并留有一定的余地;另外,还满足运输车辆和装载机等作业要求。
6)包括储料斗在内的所有地材存放场地必须加设轻型钢结构顶棚。
7)夏季施工时,料场搭设遮阳棚等降温设施。
3、施工临时便道
路基主体施工时施工便道在路基主体范围内通行,主干路四及次干路三利用各工区填筑完成的山皮土展开的工作面作为临时便道。
4、工地试验室
工地试验室在项目开工前组建完成,工地试验室设在项目部院内的砖房内。设置土工室、集料室、留样室、外检室、办公室、资料室。建立健全各种工作制度及管理制度,试验室用房面积不得小于100平方米,周围无高频、高压电源,无工业震源及其他污染且须设防雷系统,同时各室安装空调设备。
压实度、含灰量检测及筛分试验由工地试验室完成,其他试验委托天津市有资质的试验室完成。
第五章 工程施工总体安排及进度计划
一、施工总体安排
根据本项目各分项工程的工程量、施工工序及其相互关系、工期的要求,结合现场施工环境、施工条件和我分部投入本工程的配套施工机械设备、施工队伍状况和综合施工能力,确定了在各分项工程的施工顺序安排上,按照“突击重点、兼顾一般、均衡生产、保证工期”的原则,做到前期开工的分项工程能尽早、不断的为后续开工的分项工程创造工作面,提供便利施工条件,进行科学组织、统筹安排。总体计划安排分二个阶段。
第一阶段为施工准备阶段,2016年10月23日~2016年11月1日。主要是进行测量及试验准备;编制实施性施工组织设计;组建项目经理部及安排各职能部门人员;调查工程所需材料的市场价格及供应商,做好材料采购计划。
第二阶段为主干路四及次干路三在2016年11月1日后全面施工阶段。由于工期紧迫,需增加机械设备及人员,多个工作面同时展开施工。
主干路四道路施工分为三个工区(三个工作面)同时展开施工。
次干路三道路施工分为三个工区(五个工作面)同时展开施工。
施工总体先施工软基处理,主干路四及次干路三分工区进行。路基主体施工时施工便道在路基主体范围内通行。管道施工的机械及车辆在施工完成的山皮土上通行。
每一工作面施工顺序为:测量→筑坝排水→清表清淤→竹笆及格栅铺设→山皮土填筑→管道施工→碎石铺筑→8%石灰土→底基层、基层→面层。
二、道路及管道工程工区划分
1、主干路四道路及管道工程分三个工区
1.1一工区道路工程(津汉路至58#点试验段便道)工作范围K4+880~K5+740,长860m,共一个工作面。
(1)现场调查情况:
该段范围基本在虾池内,虾池在施工前必须进行打坝抽水、清淤后才可进行路基施工。线路跨越现状虾池5个,分3家承包。
在K4+880处绿线内有电杆两根,需在此处开口进入场地;K5+000处在路基范围内有活动板房一个需要*迁拆**。
(2)现场施工安排:
为保证水系畅通,在主干路四K4+880~K4+890段(津汉路侧)水沟内埋直径2m的钢筋混凝土管两排共四根,从此处进入施工场地。
K4+900~K5+260段跨越一个承包虾塘两个,虾塘面积共31.2万m2水深约1.0m。该虾池及湿地段线路左侧已经存在一条塘埂可利用,需在该虾池及湿地段沿道路线路右侧绿线外5m修建一条挡水坝,长度共为353m,将虾塘及湿地内水抽至津汉路右侧水沟内。
K5+260~K5+700段跨越三个承包虾塘,K5+700处有河沟一条,将这三个鱼塘在K5+700土埝侧开口,将虾塘内水放至水沟内。水沟连通小西河,为保证水系畅通,暂不做路基填筑,河道内埋圆管涵,并拉通主线道路。
1.2一工区雨污水管道工程共一个工作面,长860m,分1个循环作业段,循环作业段长250m,施工需26天时间,循环作业时间共需85天。工期计划为2017年4月26日~2017年7月19日。
1.3二工区道路工程(58#点试验段便道至84#试验段),工作范围K5+740~K7+500,长1760m,共一个工作面。
(1)现场调查情况:
K6+930处绿线范围内有电杆两根,需迁移。K6+960处跨越小西河。该工区内虾塘底水基本排干。
(2)现场施工安排:
此段内虾塘底水基本排干,道路场地交接后即可清淤。K6+460处河道不是主河道,为防止路基被水浸泡,在路基两侧绿线外5m打坝挡水。K6+960处跨越小西河,暂不做路基填筑,河道内埋圆管涵,保证河道畅通,并能拉通主线道路。待汛期过后可以将小西河断流时集中处理。
1.4二工区雨污水管道工程共一个工作面,长1760m,分1个循环作业段,循环作业段长250m,作业段需23天时间,循环作业时间共160天。工期计划为2016年11月20日~2017年5月29日。
1.5三工区道路工程(小西河往终点方向),工作范围K7+500~K9+000,长1500m,共一个工作面。
(1)现场调查情况:
线路终点与津汉路交叉,需在交叉位置开口进入施工场地。河道旁有电杆及种植绿化树需迁移。K8+770处中线往右侧25m处,绿线范围内有屯土。
(2)现场施工安排:
此段虾塘内基本无水且无障碍,待道路场地交接后即可进行清淤。
接近道路终点K8+920~K8+950段跨越河道段,需在线路绿线外5m打坝,将绿线范围内水抽干,清淤后铺设竹笆及土工格栅,再进行路基施工。此段内虾塘底都已风干。
1.6三工区雨污水管道工程共一个工作面,总长1500m,该工区管道都为Φ2400、Φ2600的大直径管道。1个循环作业段长250m,作业段施工需25天时间,循环作业时间共需150天。工期计划为2016年11月20日~2017年5月21日。
2、次干路三道路及管道工程分三个工区
2.1一工区道路工程(次干路三起点至沉淀池段起点)工作范围K0+000~K1+960,长1960m以津汉路为界点向东西分两个工作面施工。
(1)现场调查情况
第一工作面:在K0+180处绿线范围内有砖房一个需*迁拆**,K0+180处垂直于线路方向有电杆需迁移,绿线外右侧有电杆,管道深基坑施工受影响,需迁移。
第二工作面:K0+780处绿线范围内有电杆两根,需在此处开口进入场地;线路跨越现状虾池4个,分3家承包。
(2)现场施工安排:
第一工作面此段内虾塘底都已风干,待道路场地交接后即可清淤。
第二工作面为保证水系畅通,在次干路三K0+800~K0+810段(津汉路侧)水沟内埋直径2m的钢筋混凝土管两排共四根。K0+820~K1+460段跨越二个承包虾塘,虾塘面积31.2万m2,水深约1.0m,湿地四周无排水沟。需在K0+820~K0+880段虾塘沿道路线路两侧绿线外5m打坝,将路基内水抽至津汉路东侧水沟内。
K1+140处左侧绿线边在塘埂上,塘埂右侧为草地,需在K0+880~K1+140段沿道路线路左侧绿线外5m在湿地内打坝,挡水坝长度242m。
K1+500~K1+920段跨越两个承包虾塘,K1+920处有河沟一条,将这两个鱼塘在K1+920侧开口,将水放至水沟内。
2.2一工区雨污水管道工程共两个工作面,两工作面同时施工,总长1960m,每工作面分1个循环作业段,作业段长250m,施工需30天时间,循环作业时间共需124天。工期计划为2017年3月18日~2017年7月19日。
2.3二工区道路工程(淤泥沉淀池段)工作范围K1+960~K3+140,长1280m,由于此段清淤量大,开挖清淤施工东西相对分两个工作面;后道工序按一个工作面施工。
2.4二工区雨污水管道工程共一个工作面,长1280m,分1个循环作业段,作业段长250m,施工需26天时间,7个循环作业段共需131天。工期计划为2016年11月21日~2017年5月1日。
2.5三工区道路工程(淤泥沉淀池终点往次干路三终点)工作范围K3+140~K4+290,长1150m,共一个工作面。
(1)现场调查情况:
K3+140处绿线内有电杆两根需迁移,编号为933清波线-291/30、291/31;K3+160处跨越小西河;
(2)现场施工安排:
该工区自项目部往沉淀池方向先修通一条进场便道,由此便道进入施工场地。此段跨越3个有水虾塘,虾塘内有水无虾,在K3+180处沿小西河方向将虾塘与小西河挖通,将水放出。若放水后塘底还存在少量水则用水泵抽干。K3+160处跨越小西河,暂不做路基填筑,河道内埋圆管涵,保证河道畅通,并能拉通主线道路。K3+720处跨越河道,沿道路两侧绿线外5m打坝,将水抽干,清淤后进行路基填筑。
2.6三工区雨污水管道工程共一个工作面,总长1150m,分1个循环作业段,作业段长250m,施工需26天时间,10个循环作业段共需121天。工期计划为2016年12月1日~2017年5月1日。
三、施工准备
1、试验准备
在收到试验段施工图纸及相关文件后,认真熟悉资料并学习文件,编制实施性施工组织设计,待方案批准后,将各分项工程施工对各施工人员进行技术交底。
在各项工程开工前合理的时间内,完成道路工程所需原材料的考察及原材料的验证试验。完成标准试验,包括各种标准击实试验、集料的级配试验、混合料的配合比试验、结构的强度试验等,并将试验报告及试验材料提交监理工程师中心实验室审查批准。
2、测量准备
在本工程开工前,会同监理单位对发包人和设计单位提供的平面坐标及高程控制网进行闭合复测。根据已有的高级控制网,结合道路的走向及需要,加密布置施工控制网,施工控制网各点之间保持良好的通视状况,以方便随时进行闭合复测,所有的测量记录及结果在报送监理审核签认后方可使用。
测点交接→测点复测→建立导线网,布水准控制点→原地面复测→局部放样施工。
2.1水准点的布设
水准点布设于主干路四和次干路三中间位置,距离两条道路中心线约为100m-200m,位置的选择以方便施工、能长时间保留为准。
布置完毕后,进行符合水准测量,控制点选用业主和设计单位交桩记录的施工控制点。测量成果报由监理单位确认签字方可使用。
2.2原地面复测
按照本工程施工要求,在线路施工前,必须进行原地貌复测,五方确认签字,以做后期施工计量的依据。按要求道路中心线50m范围进行复测,纵向20m一个断面,每段面5个点。遇地形变化较大的,进行加密测量,以保证数据的有效性。
四、进度计划
见主干路四及次干路三工期计划表
第六章 道路工程施工方案
一、施工工艺流程
测量→筑坝排水→清表清淤→竹笆及格栅铺设→山皮土填筑→管道施工→碎石铺筑→8%石灰土→底基层、基层→面层。二、挖除淤泥
根据设计图纸及现场实际地质,按测量放样确定的清淤范围。对于大鱼塘路段采用围堰筑坝处理。因淤泥中含有大量积水,清淤前需将淤泥中积水排出。在规划绿线范围外打坝、抽水,采用挖掘机进行开挖,原地表清淤至设计高程。因线路位于鱼塘范围,自卸车辆无法直接进入场地内装卸,需采用多台挖掘机及推土机将鱼塘内的淤泥倒转至道路绿线外。
三、铺设竹芭
在槽底上铺第一层竹笆时,相邻竹笆间用铁丝进行固定,第二层竹笆的竹筋要与第一层竹笆的竹筋相互垂直,相邻竹笆间用铁丝进行固定。上下两层竹笆应进行固定,保证不产生侧向滑移。
施工使用的竹笆应新鲜,无腐蚀现象,竹片之间连接应牢固,间距均匀一致,并且保证没有断裂、缺竹筋等影响工程质量的现象。
四、铺设土工格栅
铺设土工格栅时长孔方向和线路横断面方向一致,土工格栅要绷紧拉挺,不得褶皱和损坏,幅与幅之间要对好。
铺设土工格栅搭接接头按设计要求进行搭接,其搭接宽度、回折长度必须符合设计及施工规范要求,土工格栅之间联结应牢固,在受力方向联结处的强度不低于材料设计抗拉强度,且叠合长度不小于15cm,在距土工格栅8cm以内的路堤填料最大粒径不得大于6cm。土工格栅摊铺后应及时填筑填料,避免其受到阳光过长时间暴晒,间隔时间不应超过48小时。土工格栅的第一层填料应采用轻型推土机或前置式装载机,一切车辆、施工机械值容许沿路堤轴向方向行驶。
五、山皮土回填
所用山皮土应符合设计要求,山皮土应采用较纯净的中风化强度以上的混合开山石料,开山片石最大粒径不超过30cm,粒径大于10cm小于30cm的颗粒应大于石料总质量的70%,并应级配良好,不得采用同一粒径的石料。石料强度不应小于15MPa,缝隙用小石块或石屑嵌紧。山皮土中土的含量不得大于30%。
山皮土用运行车运到现场,根据安排由现场施工员指挥卸下,用挖掘机、推土机配合推开摊铺,一次填筑60cm山皮土作为承托层。松铺系数取1.17,松铺厚度70.2cm。对于大块石料用挖掘机或推土机填到路基下部或两侧,上面摊铺其他山皮土。山皮土摊铺后,用推土机初平,现场测量人员按照桩位每横断面放点3处根据放线标高和虚铺厚度,用白灰标出明显标志,推土机按准确高度和横纵坡推平。推平后用TY220大型推土机排压一遍。大型推土机排压后,用装载机配合人工用山皮土细料填充石块缝隙,保证填石空隙嵌压稳定,然后用推土机推平。压实采用18t压路机碾压作业。压路机由低一侧向高的一侧,采用直线进退法进行碾压。
六、级配碎石铺筑
碎石应选用水稳定性好,具有经干湿循环式水浸泡不易分解特性的未筛分碎石,其最大粒径不宜大于15cm。碎石垫层采用向两侧倾斜1.5%的横坡,使其内的水排向两侧,避免影响路基。不均匀系数Cu≧5,曲率系数Cc=1~3。

1、级配碎石层施工要求
颗粒组成(级配曲线)是一根顺滑的曲线。配料准确。混合料拌和均匀,没有粗细颗粒离析现象。在最佳含水量时进行碾压,直到达到按重型击实试验法确定的要求压实度。用振动压路机碾压时,每层的压实厚度为20cm。
2、卸料
级配碎石采用外购的成品料,用自卸车进行运输。为防止卸料时骨料发生离析,卸料高度不得大于1.0m,以免造成局部承载力不足,卸料后立即散铺,避免局部下陷。
3、混合料摊铺
通过试验段确定的集料松铺系数、松铺厚度进行施工。

