
木门作为家居产品的一种形式,基本功用是分隔与保护,美观、环保、静音等性能也逐步被市场推崇。木门虽然只是一类单品,但其种类繁多、样式丰富,结构方面也各具优势、大有不同。本文将为大家详细梳理当前木门的主要分类,并通过图解等形式将木门的常见结构予以说明。
01 常见的木门分类有哪些
01-1 按材质与面材分
按材质分:主要有夹板门、油漆门、生态门、原木拼装门、模压门、实木复合门等。
按装饰薄木分:主要有胡桃木、樱桃木、沙比利、红木、枫木、柚木、黑檀、花梨、紫薇、斑马、橡木、楸木、水曲柳、铁桃木等。
(1)沙比利

学名筒状非洲棘,俗称幻影木。产于非洲热带地区。木纹交错,有时有波状纹理,纹理具有闪光感和立体感给人以华贵高雅的感觉,以红褐色的色泽可渲染装修场所的喜庆、热烈的气氛。
(2)核桃木

核桃木通常为直木纹,亦会带有波纹状或曲线形木纹,产生具吸引力、具装饰作用的图形。核桃木是一种中等密度的坚韧硬木材,抗弯强度和断裂强度适中,亦是一种最耐用的木材。
(3)樱桃木

分布于美国东部各个地区,樱桃木的心材颜色由艳红色至棕红色,日晒后颜色变深。樱桃木具有细致均匀直纹,纹理平滑,天生含有棕色树心斑点和细小的树胶窝。一般用于高档的室内装修材料。

松木与杉木

拼纹胡桃与贵族红
01-2 按功能与开启方式分
按功能分主要有外门(入户门),内门(卧室门、书房门、厨房门、浴卫门),防火门,四防门(防火、防盗、隔音、防 潮),隔声门,管道井门,另有车库门、保险门、防射线门;公寓宾馆的房间门、浴卫门、走廊门、办公室用门、医疗用门等。



按开启方式分主要有推拉门(滑道门)、转轴门、折叠门、卷闸门等。



01-3 按门扇数与表面处理分
按扇数量分为单开门、双开门、子母门。单开门顾名思义就是只有一扇门进行开合。
双开门,两扇门宽度相同,一扇门装锁体及把手,常常开启,为活动门;另一扇门装上下插销,常常关闭,为固定门。

子母门,一扇门宽,称为母门,另一扇门较窄,称为子门;母门装锁体及把手,常常开启;子门装上下插销,常常关闭。

按表面处理方式分为免漆门、油漆门。免漆门顾名思义就是不需要再油漆的木门。
油漆门,即在木门生产的过程中需要对木门进行油漆涂装。

油漆门

免漆门
01-4 按门口形式与结构分
按门口形式分平口门、T型门。
平口门,门的边缘是平的,传统的门全部是平口门,由于锁具开启的原因,门与门框之间需有3毫米的缝隙,密闭隔音效果不好,而且也影响美观。

T型口门,门的边缘是T型口。凸出的部分压在门套上,并配有密封胶条,隔音,保温效果比较好。独特的T型口设计增强了门板的牢固性。

按结构和工艺分为平板门、镶板门、拼板门、实拼门、镶玻璃门、玻璃门等。
03 木门的部件与结构
03-1 常见木门的结构形式
(1)夹板门
将木料拼成门骨架,然后在骨架的两面胶合夹板。常见的胶合板有水曲柳、柚木、橡木等,厚度约4-6毫米。胶合板可整张或拼花钉之。夹板门简洁光滑,合乎清洁卫生要求,惟夹板视表层和胶的质量而定,通常受潮易脱胶,日晒易起裂,不宜用外门。
(2)油漆门
将木料钉成门骨架边框,内填蜂窝纸,然后在骨架的两面用胶合板、中纤维板贴三聚氰胺装饰纸、薄木皮等,表面采用油漆进行装饰。

门芯架实拍

铝蜂窝实拍

平板门剖面图
(3)生态门
将木料钉成门骨架边框,内填蜂窝纸、铝蜂窝,然后在骨架的两面胶合三聚氰胺板、防火板、金属板,用铝型材封边。这些材料都具有绿色环保,吸水性极小,不易划伤,耐磨性好的特点 。门套、门套线用铝型材料。
(4)全实木门拼装门
在实际销售市场中通常称之为原木门或实木门。是用天然原木做门料,经下料、刨光、开榫、打眼、拼接定型等工序加工制作而成。

钉线工艺门实拍

钉线工艺门剖面图
(5)实木复合门
采用经过干燥加工的杉木、松木、人造板等材料做门扇边框,中间填充木质材料、蜂窝网结构或具有良好隔音保温功能的穿孔刨花板(桥洞力学板)。层基材使用中、高密度纤维板,表面贴各种微薄木(实木皮)压后制成。
(6)模压空心门
是以实木或人造板做框架,两面用装饰模压门板粘压在框架上,简称:模压门,结构简单,价格较全实木门和实木复合门更为经济实惠。


拼接工艺门实拍

组装工艺门剖面图
03-2 室内木门的部件与结构
一套室内木门包括门扇、门套、五金配件。其中门扇又称门页,包括门芯板、门挺、门横、门蕊板;
门套包括门套线、门套板(主板)、门档板(止口板)、防撞条;五金包括铰链、锁具、门吸、闭门器、猫眼等。


(1)门套(别名门框)
门套与门框实质上是一个概念;用于包裹门洞口并固定门扇开启用途。

A型门套

B型门套

C型门套
(2)推拉门、移门、隔断门
推拉框、移门框是一个概念,它是包裹门洞口并固定门扇推拉用途,推拉门框一般有二扇一框、三扇一框、四扇一框等之分,有效墙厚在130mm以下不适合制作推拉门。


剖面示意图
哑口套不需配门。用于装饰性的门框(不含挡门条,含套板和口线)称为哑口套;通常有单面线(称“单哑口套”如窗套!双面线的称“双哑口套或哑口套”)。
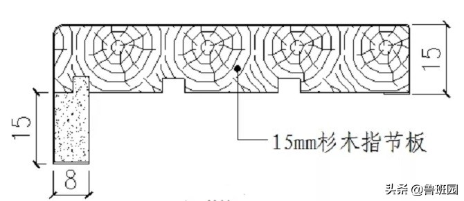
门套线是包裹墙体的装饰线条,就是门套的压条、卡条、档条等部分。主要制作材质有实木、木塑、人造板、石膏、铝合金、大理石等。
常用的门套线有6cm或7.5cm宽的L字型插口线条5cm、8cm或10cm宽的一字型双卡条线条,有弧形、平板、波浪形等款式。另外有配门档条,T型卡条,U型卡条等,统称门套线。

平型门套线

A型门套线
03-3 室内木门尺寸计算方法
(1)门扇宽度
毛坯门洞宽度-15mm×2(安装位)-27mm×2(门套主板厚)-3*2(左右门缝)
(2)门扇高度
毛坯门洞高度-15(安装位)-27mm (门套主板厚) -(3+5)(上下门缝)
04 结语
木门这类单品其实有着丰富的品类和结构细分,品类与结构又组合成更多的样式,以满足不同的客户需要。随着工艺技术、创新材料的发展,以及不断更迭的市场需求,相信木门在未来还能有更多的选择,创造更多的可能。
顾问 / 罗利民 编辑 / 言朢
如果您对本文章有所疑惑或是有其他想法,请关注“鲁班园”公众号进一步探讨。