
第十八章 电功率
1、 知识归纳
知识点一 电能、电功
1.实质:电能转化为 的过程。2.影响因素:跟_____、___、______有关。
3.公式:W= 。

4.单位及其换算:1 kW·h= J。
5.测量:电能表
(1)作用:测量电功,即记录电路消耗_____的仪表。
(2)铭牌上各参数的意义(如图)
A."220 V":表示电能表 __时的电压。
B."2.5(5) A":表示电能表的标定电流为___A,额定最大电流为___A。
C."2 500 r/(kW·h)":表示每消耗1 kW·h的电能,电能表的转盘转2 500 r。
(3)电能的计算:电能表计数器上前后两次___ ___,就是这段时间内所消耗电能的多少。
知识点二 电流做功的快慢
1.物理意义:电功率是表示____的物理量。2.定义:把电流___与___之比叫作电功率。
3.影响因素:与__,_____有关。
4.公式
(1)定义式:_____ 。(2)计算式:_ ___。
5.单位及其换算:1 kW=___W。
6.额定功率和实际功率
(1)额定电压:用电器__ ___时的电压值。
(2)额定电流:用电器__ ____时的电流值。
(3)额定功率:用电器在______下的功率。
(4)实际功率:用电器在__ ___下工作时所对应的功率。
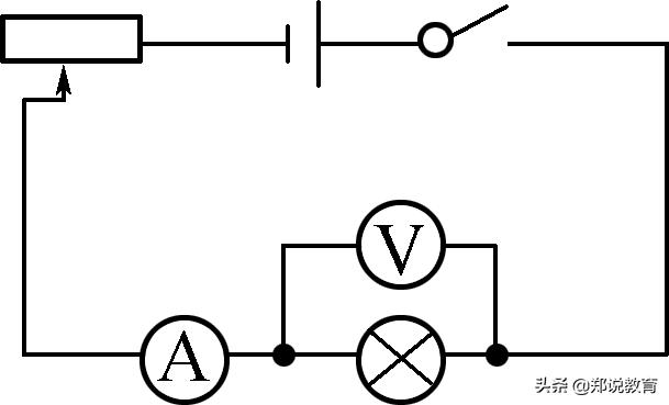
知识点三 测量电功率
1.用电流表和电压表测量电功率
(1)实验原理:根据____,测出灯泡两端的____ 和通过灯泡的___。

(2)实验电路图
(3)实验器材:小灯泡、电源、开关、导线及____、____和_ __。
(4)分析论证:当U实>U额时,P实___P额,灯偏亮;
当U实<U额时,P实___P额,灯偏暗;
当U实=U额时,P实___P额,灯正常发光。
(5)一个灯泡的额定功率和额定电压是固定不变的,但小灯泡的亮度由实际功率确定。
2.用电能表测量家用电器的电功率
(1)测量仪器: __。
(2)测量物理量
A.电能表表盘转动的圈数n;
B.转动n圈所用的时间t(s)。
(3)计算公式:____。(N表示每消耗1 kW·h电能,电能表转盘转过的圈数)
知识点四 电流的热效应
1.电流的热效应:电流通过导体时电能转化为__ 的现象。
2.焦耳定律
(1)内容:电流通过导体产生的热量跟_____ 成正比,跟 导体的 _成正比,跟___成正比。
(2)公式:_____(适用于所有电路)。对于纯电阻电路,电流通过导体时,电能全部转化为_ __,所以可以推导出:Q=W= _=____=_ _=_ 。
二、聚焦中考 明确航向
电功率这部分内容是中考物理考查的重点之一.综观近几年各地的中考试卷,本部分考查的热点之一是综合运用欧姆定律、电功率计算公式及串、并联电路的特点等分析解决实际问题的能力,如实际功率问题,多档电热器问题等,题型多是计算题或综合题;热点之二是围绕"测定小灯泡功率"实验考查实物图的连接、电路故障的排除、实验数据的分析等;热点之三是根据w=pt解决电能消耗、节约用电等一些实际生活问题,题型一般是分析计算题或填空题.

三、诊断达标
1、如图,是某液晶彩电的铭牌,下列说法正确的是( )
A. 该彩电正常工作时,1s内消耗250W电能 B. 1度电可供彩电正常工作4h
C. 该彩电只能接在240V电压下使用 D. 与60W的灯相比,它消耗电能快

2.小明家记录5月初电能表示数为1432.7度,电能表的部分参数及6月初的示数如图所示,下列说法正确的是( )
A.电能表是测量用电器电功率的仪表
B.此电能表适用于电流方向1 s改变50次的交流电路
C.小明家5月初至6月初消耗的电能是105 kW·h
D.若电能表转盘在10 min内转过250 r,则用电器的总功率为1 kW
3.将规格为"2.5 V 0.3 A"的小灯泡L1和规格为"3.8 V 0.3 A"的小灯泡L2串联,接在3 V的电源上,下列判断正确的是( )
A.L1的电阻大于L2的电阻
B.L1的亮度比L2的亮度小
C.两只灯泡都正常发光
D.两只灯泡实际功率相等

4.如图所示,将标有"3 V 3 W"的灯泡L1和标有"6 V 3 W"的灯泡L2串联在电路中,闭合开关S,其中只有一只灯泡正常发光,设小灯泡电阻不变,则L1两端的电压及通过L1的电流分别是( )
A.3 V 1 AB.1.5 V 1 A
C.3 V 0.5 AD.1.5 V 0.5 A
5.电焊利用电流的热效应熔化焊条.某型号的电焊机接在电压220V的家庭电路上,输出电压40V,输出功率2200W.编号为甲、乙、丙、丁的四种橡胶绝缘铜芯线在常温下安全载流量(长时间通电的对应安全电流)如表.从安全的角度考虑,该电焊机的输出导线应该选用( )
A.甲B.乙C.丙D.丁
6.有两只分别标有"6 V 3 W"和"9 V 3 W"的小灯泡L1、L2,不考虑温度对灯丝电阻的影响,下列说法正确的是( )
A.L1和L2正常工作时的电流一样大
B.L1和L2串联在一起同时使用时,两灯一样亮
C.L1和L2并联在一起同时使用时,两灯消耗的功率一样大
D.将L1串联一个12 Ω的电阻,接在电源电压为12 V的电路中,L1也能正常发光

7.用如图的装置探究影响电流热效应的因素,电阻丝R1和R2分别密封在两只完全相同的烧瓶中,且R1<R2,瓶中装有质量相等的煤油,下列说法正确的是( )
A.该装置用来探究电流热效应与电流大小的关系
B.闭合开关后,装R1电阻丝的烧瓶中温度计示数上升较快
C.实验中,通过温度计示数的变化来比较电阻丝产生热量的多少
D.将某一烧瓶中的煤油换成等质量的水,可比较煤油和水的比热容大小

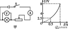
8.如图甲电路中,电源电压保持不变,R1是定值电阻。当开关S闭合,滑动变阻器R2的滑片P由a端移动到b端,两电表示数变化关系如图乙所示,则下列说法中不正确的是( )
A.电源电压为14V
B.R2的最大阻值是30Ω
C.滑片P由a向b恰好移动三分之一长度时R1的电功率为1.25W
D.滑片P在a端时,2分钟内R2消耗的电能是144J
9.

如图所示的电路中,电源电压恒为3V,灯泡L的电阻为10Ω且保持不变。闭合开关S后,滑片P由b端向a端滑动的过程中,下列判断正确的是( )
A.灯泡L亮度变暗
B.电压表示数变大,电流表示数变小
C.电压表与电流表示数的比值变小
D.灯泡L的最大功率为0.9W
10.

如图所示,电源电压U为10V并保持不变,滑动变阻器规格为"20Ω 1A"。闭合开关S,当滑片P移至最左端时,灯泡正常发光,电流表示数为0.5A;当滑片P移至中点时,电流表示数为0.4A.则( )
A.电路消耗的最小功率为2.5W
B.滑片P在中点时,灯泡消耗的功率为2.4W
C.滑片P在中点时,灯泡消耗的功率为3.2W
D.滑片P在最左端时,2min内电流通过灯泡所做的功为10J
11. 小充同学看见他爸爸的手机锂电池上面标明电压为3.7V,容量为3000mA•h,则它充满电后存储的电能为 J;经查,该手机的待机电流为15mA,则该手机最长待机时间为 h.
12. 如图,电源电压保持不变,电阻R1=1Ω、R2=2Ω.当S1、S2都断开时,电流表的示数为2A,若通电30s,电路中消耗的总电能为 J;当S1、S2由都断开变为都闭合时,电流表的示数变化了1.5A,则电阻R3= Ω,此时电路的总功率为 W.

13.

如图所示,电源电压保持不变,开关S闭合后,灯泡L1、L2都能正常发光,甲、乙两只电表的示数之比为3∶5,则通过灯泡L1与L2的电流之比是_______,L1、L2的额定功率之比是_________。
14.

如图所示,R1的阻值为5Ω,滑动变阻器R2的最大阻值为40Ω,电源电压保持4.5V不变,电流表量程为"0-0.6A",电压表量程为"0-3V".为保证电路安全,R2接入电路中的最小阻值为_____Ω,R1清耗的最小功率为 W.
15. 常温常压下,一台标有"220V 2000W"的电热水壶正常工作时,将质量为1kg、初温为20℃的水烧开,需要的时间是 [假设该热水壶产生的热量完全被水吸收,c水=4.2×103J/(kg•℃)]。
16.

如图甲所示,电源电压一定,滑动变阻器的滑片从最右端滑到最左端时,灯泡的U-I图像如图乙所示。当通过灯的电流为1 A时,灯正常发光,则灯的额定功率为 W;滑动变阻器的最大阻值为 Ω。
17.

如图甲所示,将额定电压为2.5 V的小灯泡接入电源电压为4.5 V的电路中,闭合开关,调节滑动变阻器滑片P,记录相应电压表和电流表示数绘制成如图乙所示的I-U图像,则小灯泡的额定功率为 W,小灯泡正常发光时,滑动变阻器接入电路的电阻是 Ω。
18. 某实验小组的同学在进行"测量小灯泡的额定功率"的实验中,现有器材:电源(电压恒为6 V)、开关、电压表、电流表各一个,导线若干,额定电压为3.8 V的待测小灯泡(电阻约为12 Ω),滑动变阻器两个(A:"5 Ω 2 A",B:"20 Ω 0.5 A")。
(1)该实验的实验原理是 ;实验中,应选用的滑动变阻器是 (选填"A"或"B")。

(2)如图K16-17甲所示是小田同学连接的实物电路,图中只有一根导线连接错误,请你在图中用"×"标出这根错接的导线,只改接一根导线使电路成为正确的电路。(导线不得交叉)
(3)小田确认电路连接无误后闭合开关,发现无论怎样移动滑动变阻器的滑片,小灯泡始终不发光且电压表的示数都接近电源电压,则电路的故障是 。
(4)排除故障后,移动滑动变阻器的滑片,并绘制出了小灯泡的U-I图像,如图乙所示,则该小灯泡的额定功率为 W。
(5)该组的另一同学接着实验时,发现电压表0~15 V量程已经损坏,0~3 V量程还可以正常使用,在不添加器材的情况下,为了测出该小灯泡的额定功率,请你在丙图中的虚线框内画出正确的电路图。
(6)由图乙推知:小灯泡的实际电压是额定电压一半时的电功率为P1,小灯泡的实际电流是额定电流一半时的电功率为P2,则P1 (选填"大于""小于"或"等于")P2。
19. 如表所示为某电烤箱的铭牌,高温档额定功率模糊不清.如图虚线内所示是电烤箱内部的简化电路图.R1和R2均为电热丝,R2=72.6Ω.电烤箱开关接1时是低温档,接2时是高温档.求:
(1)电烤箱在低温档正常工作10min电流做的功;
(2)R1的阻值;
(3)在某用电高峰期,若家庭电路中只有电烤箱在高温档工作,发现标有"3000imp/kW•h"的电能表的指示灯闪烁81次共用时2min,求此时家庭电路两端的实际电压.

山东省滕州市鲍沟中学2019届中考物理一轮复习
第十八章 电功率 参考答案
1、 B 2、C 3、B 4、D 5、D 6、D 7、C 8、A 9、D 10、D
11. 39960;200.
12. 360;12;21.
13. 1∶1 2∶3
14. 2.5 0.45
15. 168s。
16. 8 11
17. 0.625 8
18. (1)P=UI B(2)如图所示

(3)灯泡断路 (4)1.14
(5)如图所示

(6)大于
19.(1)电烤箱在低温档正常工作10min电流做的功为2.4×105J;
(2)R1的阻值为48.4Ω;
(3)此时家庭电路两端的实际电压为198V