故障现象
iPhone7装电话卡不认卡,提示“无SIM卡”。
维修过程
装电话卡不认SIM卡,有可能是因为SIM卡座的SIM卡检测信号有问题,或者是因为
电话卡与基带CPU通信的线路出现问题。
开机装SIM卡到手机上检测,确定是不认SIM卡,把手机拆开,将主板取出,测
量SIM卡座J_SIM _RF 的三极体值是否正常,SIM卡座实物位置如图

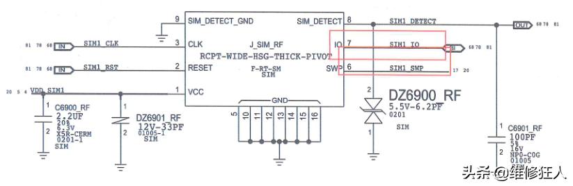
测量中发现,SIM卡座J_SIM_RF的第7脚的二极体值为无穷大,SIM卡座J_SIM _RF
的引脚电路如图所示。

SIM卡座J_SIM_RF的7脚SIM1_IO连接到基带CPU的Y21脚,如图所示。

同时数据线SIM1_IO通过上拉电阻R6900_RF连接到VDD_SIM1供电,如图所示。
测量SIM卡座J_SIM_RF的第7脚到上拉电阻R6900_RF是相通的,说明基带CPU虚
焊或者SIM卡座到基带CPU焊盘的线路断了,才会造成二极体值为无穷大。
拆下基带CPU,如图所示。测量SIM卡座J_SIM _RF的第7脚到BB_RF基带
CPU焊盘Y21点是相通的,说明基带CPU到SIM卡座之间没有断线。


重植基带CPU,测量SIM卡座J_SIM _RF的第7脚的二极体值正常了。将主板装到手
机中开机,装SIM卡能认出手机卡,显示4G信号正常,打电话正常。维修到此结束。