电机正反转是电路中最基础的电路之一,同时也是我们最常用的电路之一。它在我们生活中无处不在,洗衣机、行车、木工用的电刨床、台钻、刻丝机、甩干机、车床等要想正常工作都离不开电机的正反转。我们对它的了解又有多少呢?现在小编就带大家一起详细学习一下电机正反转。
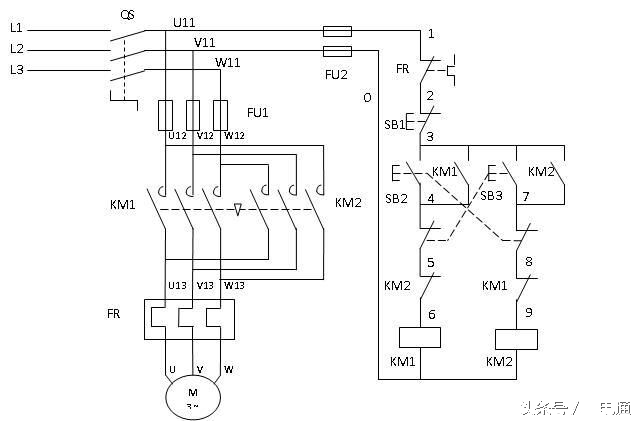
电机正反转总电路图如下:

要实现的功能是:闭合总开关,按下按钮SB2,电机正转;按下按钮SB3,电机开始反转;无论电机在哪种运行情况下,按下按钮SB1,电机停止。
下面分为主电路和控制电路进行详细讲解:
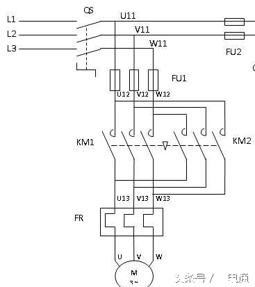
主电路图如下:

从左到右,从上到下各元件名称及作用如下:
L1、L2、L3:三相交流电
QS:隔离开关(disconnector)(俗称"刀闸") 作用:隔离电路
FU1、FU2:熔断器(fuse) 作用:短路和过电流的保护
KM1、KM2:交流接触器主触点(常开型) 作用:接通断开电路
FR: 热继电器 作用:过载保护
M: 电机
注意事项:KM1、KM2的连接一定要看清楚,KM2的连接的是U12---W13;V12---V13;W12---U13; 进行了换相,以此达到正反转的效果。
控制电路图如下:
SB1:电机停止按钮
SB2:电机正转按钮
SB3:电机反转按钮
KM1、KM2:交流接触器(常开/常闭)辅助触点、线圈
工作过程:将主电路中的QS闭合,按下按钮SB2,线圈KM1得电。主电路中主触点KM1闭合,电机正转。当松开按钮时,由于常开辅助触点KM1闭合,线圈KM1一直得电形成自锁,所以电机正常运行。按下按钮SB3,联动常闭触点打开,线圈KM1失电,8处的辅助触点KM1返回原来闭合状态,线圈KM2得电,电机反转。无论在哪种运行状态下,按下按钮SB1,电路断开,线圈失电,电机停止。
注意事项:1、我们可以发现,当KM1、KM2同时闭合时,电路将会出现短路。所以我们在控制电路 中使用了机械互锁,使其不会同时闭合,避免短路事故发生。
2、我们在选择联动开关(SB2,SB3)时,要选择先断开后闭合的,以免造成短路。
大家有什么疑问可以直接评论,大家共同交流,一起学习!
欢迎订阅!