1
车辆信息
17年11月出厂的本田CRV搭载1.5自吸发动机,发动机型号L15BL

2
故障现象
据学员描述该车偶发性车身防盗报警,仪表非法上电。

3
初步检查
学员接车后,首先使用道通906s解码器,对全车系统进行故障扫描。
发现在发动机控制系统中存在动力控制单元IG锁存电路故障。

由于对此故障诊断缺乏经验,到此维修陷入困境。所以请求技术部,希望能够给予技术指导
技术部笔者接车后,首先对维修技师发来的故障代码以及车辆故障现象进行了一个简单的整理,该车故障可能原因分为三种
第一:IG继电器本身问题
第二;IG继电器输出线路存在短路
第三;IG继电器控制部分存在问题
4
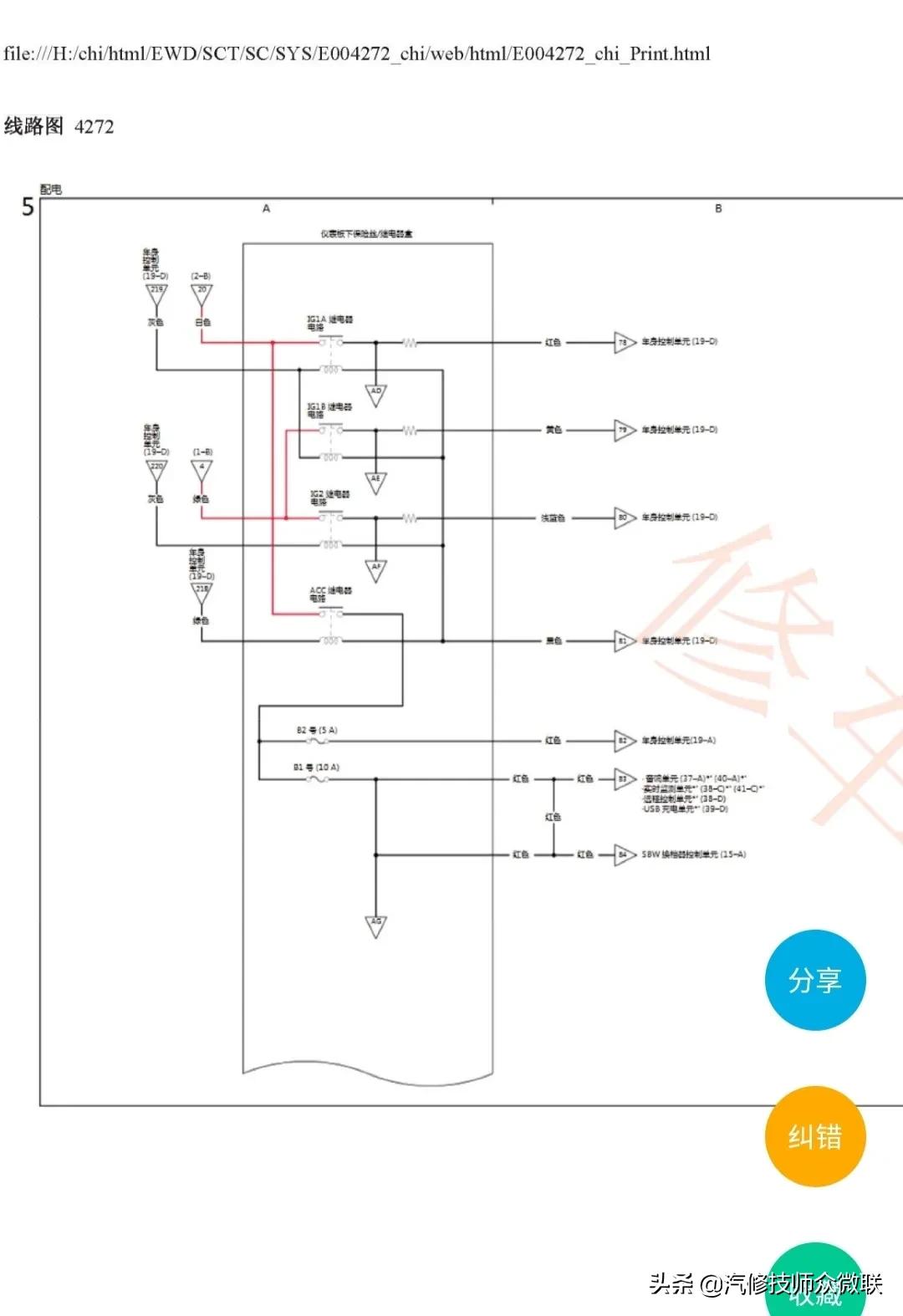
故障排除
遇到此类故障,可在故障出现时拔除IG继电器以排除继电器输出部分存在短路导致的故障,由于此继电器是集成在一个小的继电器模块所以我们只能 把除 模块插头,在拔掉插头后发现仪表下电,说明继电器输出线路正常。


随便后查看电路图找到继电器控制线束的针脚测量,发现此时控制端有0伏打铁控制输出,由于这个继电器是bcm控制的那么问题原因有;bcm本身导致 ,bcm的信号输入和输出。

在排查输出和输入线路正常后,此时读取bcm数据流,点火开关点火开关IG1显示打开,为了排除点火开关故障,将点火开关拔后数据流仍然显示打开,那么问题就是可以锁定bcm内部故障。

解决方法维修bcm。
通过长时间试车故障也不再出现,到此确认故障已经彻底排除,将车辆交付车主,完成维修作业。
5
故障总结
通过此案例,在维修中先要有一个清晰的维修思路,并且很多时候我们可以通过反证的方法用另一种方式去验证这个模块是不是正常的。