发动机控制系统通过控制燃油流量来控制发动机,以下是发动机控制系统主要部件:
- 飞机数据接口
- 传感器
- 电子发动机控制EEC
- 液压机械组件HMU

发动机控制--一般描述
- EEC
EEC是发动机燃油金额控制系统的主要部件
- DEU
EEC通过DEU获得飞机上众多系统的数据,EEC发送发动机数据给飞机,所有这些数据均通过DEU1或者DEU2。
- 自动油门计算机
自动油门计算机从EEC处获得推力解析角度和发动机爱最大额定推力。自动推力计算机使用这些数据来计算推力杆角度(TLA),自动推力计算机能够操作推力杆。
驾驶舱中的一些操作直接将控制数据传输给发动机上的相关部件。

发动机控制--接口
发动机燃油与控制系统与飞机其他系统和部件有数字和模拟接口。EEC使用数字和模拟输入数据来计算发动机燃油和控制的输出以便控制发动机。EEC也给飞机的其他系统提供数据,以下数据给出了发动机的状态:
发动机燃油和控制系统到发动机的连接
EEC与以下发动机系统和部件有接口:
- 发动机识别销
- HMU
- 发动机空气控制系统
- 发动机传感器
- 燃油流量传感器
- EEC发电机
- 点火系统
发动机识别销
EEC使用发动机识别销来获得额定推力和其他发动机信息
HMU
HMU为发动机燃烧室提供计量的燃油用于燃烧,也为伺服系统提供伺服燃油用来操作发动机系统。HMU从EEC处获得电指令来控制发动机燃油。HMU同样从启动手柄和火警手柄获得指令来控制HPSOV。
发动机空气控制
EEC通过HMU伺服燃油系统来控制发动机推力所需的空气流量以及涡轮间隙控制系统。以下是EEC通过HMU控制的伺服燃油系统:
- VSV
- VBV
- TBV
- LPTACC
- HPTACC
发动机传感器
EEC使用各种发动机传感器的输入数据来计算发动机燃油和控制输出用以控制发动机,以下是发动机传感器:
- T12(进口总温)
- PT25(高压压气机进口温度)
- T3(高压压气机出口温度)
- HPTACC传感器
- T49.5(低压涡轮第二级出口温度)
- P0(进口静压)
- PS3(高压压气机出口压力)
燃油流量传感器
燃油流量传感器发送燃油流量信息给EEC,EEC将这些信息发送给DEU,DEU将燃油流量和其他的发动机参数一起显示出来。
EEC发电机
EEC发电机是EEC的正常电源供电。
点火系统
EEC控制飞机上的交流电源给左右点火系统供电。
燃油控制系统和飞机的连接
发动机燃油和控制系统与飞机以下系统和部件有一个接口
- DEU
- 启动手柄停止指令
- 发动机火警电门
- 交流转换汇流条1或者2
- 自动油门计算机
- 推力杆角度
- 发动机支柱
- 反推套筒位置
DEU
ADIRU发送总压和总温数据给EEC,EEC使用这些数据来控制发动机的推力。FMC控制CDU,FMC通过DEU得到并发送CDU指令给EEC,FMC也通过DEU提供一些飞机数据给EEC。CDU显示EEC的维护信息,并且发送指令给EEC来执行BITE测试。FDAU收集发动机参数数据,它将发送这些数据给FDR。
发动机火警电门
当提起发动机手柄,发动机火警电门发送一个闭合的指令给HPSOV,这将阻断流往燃烧室的计量燃油。
交流转换汇流条1或者2
当EEC发电机无法为EEC提供电源时,EEC便使用飞机交流转换汇流条得电源。
自动油门计算机
自动油门计算机接收推力杆解析角度(TRA)和其他来自EEC的发动机数据,自动油门计算机使用这些数据来控制推力手柄。
推力杆角度解析器
移动推力手柄来发送发动机推力指令给EEC,EEC通过推力杆角度解析器得到这些指令。
发动机吊架
发动机吊架给出了飞机型号和发动机位置数据给EEC,EEC使用飞机型号信号来确定最大取证推力和N1参考转速。
反推
EEC监控反推滑套位置,同样控制反推内锁工作来控制反推操作。

发动机控制--部件位置
发动机左侧有以下控制相关的部件:
- T3传感器
- PS3压力端
- EEC发电机
- PT25传感器
- HMU

发动机右侧有以下控制系统相关部件
- EGT线束
- TCC传感器
- ID插头
- EEC
- T12传感器

发动机控制--PT25传感器
PT25传感器提供高压压气机入口温度数据给EEC,EEC使用该数据来控制以下部件:
- 瞬态放气活门TBV
- 可变放气活门VBV
- 可变静子片VSV
PT25传感器有两个电插头给EEC两个通道提供数据。

发动机控制--T12传感器
当飞机在地面上或者起飞后5分钟之内,T12温度传感器提供风扇入口总温数据给EEC。在空中并且起飞5分钟以后,EEC使用这些数据来计算选择的总温:
- 来自激活的EEC通道的T12
- 来自备用EEC通道的T12
- 来自ADIRU 1的总温
- 来自ADIRU 2的总温
EEC使用总温来控制以下部件:
- 发动机推力管理
- VBV
- VSV

发动机控制--T3传感器
T3是热电偶传感器,测量9级压气机的排气温度。T3传感器发送这个温度数据给EEC。EEC使用T3温度数据来控制BSV活门和HPTACC(高压涡轮主动间隙控制)这种双金属的传感器产生与温度成正比的电流值,当温度上升时,电流值上升;温度下降时,电流值下降。

发动机控制--TCC传感器
涡轮间隙控制(TCC)传感器给EEC提供来自高压涡轮壳的温度数据,EEC使用这些数据控制高压涡轮主动间隙控制活门HPTACCV。TCC传感器是热电偶式的,从发动机机匣伸到HPT罩环处。由一个金属垫片控制传感器伸入到发动机机匣中的深度。

电子发动机控制EEC
EEC是发动机的主要控制,EEC使用来自发动机和其他飞机系统的数字和模拟信号来控制监控发动机。EEC发送发动数据给其他飞机系统。
- EEC电接头
EEC上有一些电接头。EEC使用这些电接头来发送并接收来自飞机和发动机的数据。电接头从J1--J10。
发动机识别销连接在P11接头上,识别塞给EEC提供发动机的构型参数。
- EEC的空气接头
EEC上也有空气接头,这些接头从飞机的不同区域获得空气压力,EEC其中之一的功能就是使用传感器将这些空气压力转换为数字信号。以下是EEC接收的空气压力信号:
- P0外部环境静压
- PS3高压压气机排气压力
每一个EEC通道均有一个P0传感器,EEC从ADIRU和EEC中的P0压力传感器处获得P0数据。EEC通过其底部的一个开口端感受P0,由于EEC的P0感受端在风扇整流罩里,EEC需要修正P0值以获得外界压力。
当EEC在正常模式下,EEC使用P0来为发动机推力管理系统计算飞机速度。当EEC在备用模式下,EEC使用P0来估算PT或者寻找假设PT。
每一个EEC通道有一个PS3传感器,EEC使用PS3来防止高压压气机喘振,确保引气压力值在最低允许值之上。如果引气压力在最低值以下,EEC将增加最小慢车转速。如果压气机接近失速,EEC控制VSV/VBV/TBV来保护压气机。硬管和软管获得PS3空气压力并传递给EEC底部的PS3空气接头。
- 功能描述
EEC有两个通道分别为A和B,每个通道均能控制发动机,当一个通道激活时,另一个通道便处于备用模式。A/B通道通过通道间数据链进行交流(CCDL)。
每一个EEC通道有驱动电路,驱动电路将数字指令信号转换为模拟信号,然后输送给发动机和飞机作动筒和电磁阀。EEC的一个通道不能控制另一个通道的驱动电路。
每个EEC有自己的传感回路,传感器回路用来读取发动机和飞机上各种传感器的信号。EEC中激活的通道可以使用CCDL读取A或者B通道的输入数据。激活的通道选择最佳的信号或者信号的平均值来计算控制发动机的数值。
如果激活的通道不可用时,备用通道便成为主用。如果EEC的一个通道不可用时,EEC便转换到双通道模式。双通道模式使得激活的通道可以使用来自双通道的传感器回路信号来控制发动机。如果一个通道不可用,BITE记忆中便存储一个故障信息。EEC的这些故障将会导致发动机控制灯和主警告灯点亮。如果发动机控制灯亮了,飞机不可放行。
EEC一般工作在双通道模式,当EEC发电机仅给一个通道供电时,EEC进入单通道模式,由EEC发电机供电的通道成为主用通道,另一个成为备用,备用通道通过飞机转换汇流条得到电源。EEC同样在两个通道无法交互数据时转为单通道模式,当EEC在单通道模式时,激活的通道仅仅使用自己的传感器回路来控制发动机。
当双通道都正常时,A/B通道交替使用,即每次发动机启动,控制通道将进行一次转换。这种转换发生在前一次发动机运转过程中N2超过76%并且新的主用通道没有故障或者比新的备用通道故障更少。
以下是EEC的主要功能:
- 输入信号的校验和处理
- 启动、关断和点火控制
- 发动机功率管理
- 发推控制
- 发动机核心控制
- 高压涡轮主动间隙控制和低压涡轮主动间隙控制
- 自检
- 驾驶舱指示
输入数据校验和处理
EEC从发动机和飞机的其他系统获得数字和模拟信号,其中的一些数据有多个来源,这将提高发动机的可靠性,即当一个数据来源失效时EEC可以从其他来源获取数据。如果EEC检查所有数据来源均可用,它将使用最佳的数据来控制发动机。比如:T495(低压涡轮喷嘴温度),有四个探头在第二级低压涡轮出口,该温度也即EGT,每一个EEC通道得到两个EGT数值,如果四个信号均可用,EEC将输出这四个信号的平均值作为EGT温度,如果其中一个不在范围内,其他三个信号的平均值将被用来控制发动机。当EEC发现一个信号不可用时,该失效信息将被存储在BITE记忆中。
如果一个数据信号的所有来源均不可用,EEC将使用一个默认的安全失效值来控制发动机。
启动、关断和点火控制
EEC增强了人工启动,和其他737飞机一样,增强人工启动使用的基本程序相同。不过,增强人工启动增加了湿启动和热启动保护。
当机组将启动手柄置于CUTOFF位时,EEC控制发动机自动关断。
在启动阶段,EEC控制选择哪个点火系统点火,当出现热启动/湿启动时,EEC控制点火系统不激励。EEC同样在发动机出现不正确的降速时,自动激励点火系统。
发动机功率管理
EEC使用N1转速、环境压力、环境温度来计算发动机推力。EEC使用N1转速来控制发动机推力。机组使用推力手柄来增加和减少发动机推力,EEC从推力杆解析器得到推力杆角度信息(TLA),解析器发送推力杆解析角度(TRA)给EEC。可以通过发动机监控页面看到TRA角度。
反推控制
EEC使用反推滑套位置来限制反推力直到反推手柄收上。EEC激励反推内锁电磁阀将反推手柄锁在释放位,当反推滑套打开超过60%时,电磁阀断电使得反推手柄继续拉出至全伸出位以增加反推力。
发动机核心机控制
EEC有硬件和软件限制来使得发动机安全稳定地工作,EEC限制以下发动机参数:
- N2转速
- PS3(高压压气机静压)
- 燃油流量
EEC控制以下发动机系统和部件来确保发动机参数在正常范围内:
- 发动机燃油流量
- BSV
- 可变静子叶片VSV
- 可变放气活门VBV
- 瞬态放气活门TBV
HPTACC和LPTACC控制
EEC加温或者冷却涡轮壳体来控制高压和低压涡轮叶尖间隙。
BITE
EEC可以为发动机排故和维修提供故障数据。使用CDU来进行排故以及发动机系统的地面测试。同样可以使用CDU监控EEC输入和输出。仅当飞机在地面时,可以通过CDU获得BITE数据。
发动机指示
EEC给CDS系统的DEU提供数据,CDS系统DU将发动机主、次参数显示出来。

发动机控制--发动机识别销
发动机识别销给EEC提供发动机构型数据,以下是发动机识别塞数据:
- 发动机类型
- N1配平值
- 额定推力
- 发动机状况监控
- 发动机燃烧室构型
- BSV状态
当拆换EEC时,发动机识别销与发动机保持在一起。识别销不包括发动机的序号,更换发动机时,需要在FMC CDU上重新输入新装上的发动机的序号。

发动机控制--EEC发电机
EEC发电机通常为EEC提供电源供应,EEC发电机是EEC的基本电源来源。交流转换汇流条1和交流转换汇流条2分别是1发和2发EEC的另一个电源来源。当EEC发电机无法供电时,转换汇流条便为EEC供电。
EEC发电机的定子有两个独立的线圈,一个为A通道供电,一个给B通道供电。当EEC发电机不能给A或者B通道供电时,飞机电源系统会转而供电。如果N2转速超过15%,发电机不能给EEC的某一个通道提供良好的电源品质时,BITE记忆存储一个故障信息,这种情况同时使得EEC进入单通道控制。

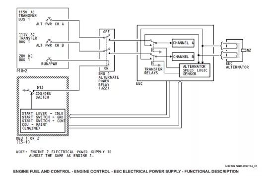
发动机控制--EEC电源供应--功能描述
EEC中两个转换继电器使得转换汇流条给EEC提供电源。其中一个继电器给A通道供电,另一个给B通道供电。
1发的交替电源继电器在J22盒子里,该继电器被DEU控制,这个继电器有两个触点,一个是A通道,一个是B通道,当被激励时,交替电源继电器将转换汇流条的电源通过EEC转换继电器提供给EEC。以下任一情况将会使得DEU激励交替电源继电器:
- 发动机启动手柄设置在慢车位
- 发动机启动电门设置在GRD位
- 发动机启动电门在CONT位
- CDU被设置在发动机维护页面
在发动机启动时,EEC从转换汇流条处得到电源,EEC发电机转速逻辑传感器监控EEC发电机的转速,当N2转速超过40%并且发电机的电源品质良好,EEC激励转换继电器,于是EEC发电机开始给EEC供电。
如果一套发电机线圈失效,相应通道的转换继电器闭合,此时该通道通过飞机交流电源系统得电,另一个通道继续从EEC发电机处得电。
如果两套发电机线圈失效,两个通道均通过EEC转换继电器从飞机交流转换汇流条上得电。
如果EEC的两个通道正常,其中一个通道无法从EEC发电机得电,此时发动机控制自动转变到另一个使用EEC发电机供电的通道,此时EEC存储一个维护信息,该信息可以在发动机维护页面显示。EEC没有发电机供电的那侧通道将从飞机交流转换汇流条系统得到电源。
如果EEC处于单通道模式(另一个通道不可用),EEC发电机停止向激活的通道供电,该激活通道从转换汇流条得电并且在EEC记忆中存储一个不可放行的故障。当在地面时,这个信息在CDU发动机维护页面显示,同时使得发动机控制等和主警告灯点亮,此时必须排除故障。

作者:王海峰 公众号:机务蓝