分享一个苹果手机维修手记:
昨日接修一台苹果6S,故障现象为低电量关机。
苹果6S手机的充电电路主要从三个方面去维修,一是充电管理IC电路,二是尾插排线,三是电池问题。
先进行简单测试判断:插上USB充电器,发现只能显示1%,冲不进去电。
连接爱思发现无电池数据。
再连接USB检测仪 检测到充电电流低于0.5A,正常应该是1.3-1.5左右才可以充电。
目前看主板或者电池问题。
拆机更换新电池测试,更换新电池后,插入USB充电检测仪,电流1.3A左右。充电正常。
装机测试,故障修复。
如果更换新电池无效该如何去修呢?


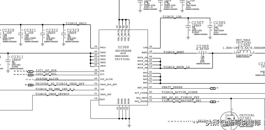
简单说一下充电流程,充电电压从尾插J4600送到充电IC芯片的A5、B5、C5、D5、E5脚,同时尾插的充电电压还送到U4500进行电压检测,从D6脚送出开启信号送到U2300的F4,开启信号到达后,充电IC芯片U2300的A4\B4\C4\D4脚产生4.2V充电电压通过A2\B2\C2\D2脚,一路送到充电管理IC的内部,一路送到主电源ICu2000,然后从充电ICu2300的B1 D1 C1脚送出,到电池接口的正极,给电池充电,同时再从电池检测脚送出一路到充电管理IC2300的F2脚,进行充电电压取样检测,来到达反馈调整的参考。这里还有CPU的控制信号没有讲。多了反而乱,大体知道这个流程,分阶段进行故障排除即可。朋友们抽空多看看图纸,根据我提供的流程复习一下,就会做到胸有成竹了。再通过实践的验证,技术在不知不觉中就提高了。
与你一起终身学习,这里是杨哥说维修。每天进步一点点,收获超乎你想象。欢迎大家与我们分享交流。
