作者根据一起110kV母线电容式电压互感器(以下简称CVT)出现二次电压偏低的现象,通过试验数据的分析和设备解体检查,找出了故障所在,并提出了预防措施。
电容式电压互感器(CVT)是舟山电网使用比较广泛的的一种电力设备。它由电容分压器和中间电压电磁单元组成,可兼顾电压互感器和电力线路载波耦合装置中的耦合电容器两种设备的功能。在110kV及以上的系统中已经逐步取代原有的线路电磁式电压互感器,成为系统中不可缺少的一种设备。
随着CVT的广泛使用,运行中也出现了一些问题,主要表现为运行中二次电压异常或预防性试验中电容分压器电容量和介损超标。为深入查找CVT发生缺陷的原因,检修试验人员对有问题的CVT进行了试验分析和解体检查,并探究了产生故障的原因。
故障现象
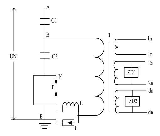
2010年5月浙江舟山某110kV电站,110kV付母C相压变在电网正常运行条件下,发生故障,二次电压显示值偏低。该电容式电压互感器型号为TYD110/Ö3-0.02H,生产日期2005年6月,为了便于进行故障说明和分析,首先给出其电气接线原理图,如下:

图1 电容式电压互感器接线原理图
该电容式电压互感器的高压电容C1(包含C11、C12两个单元)、中压电容C2以及安装在下部油箱中的电磁单元组成,其电容量分别为:C11与C12串联后组成C1电容量为0.0282μF,C2=0.06645μF,电磁单元中间变压器的一次端B在C12与C2的中间抽头处,三个二次绕组的接线端子1a,1n,2a,2n,da,dn,通过接线端子盒引出,N端子经出线盒接地。
故障发生后,试验人员对这台CVT进行了预防性试验,与历史数据相比,发现它的C1电容量和tand正常,C2的电容量和tand却明显偏高,初步分析C2中有电容元件被击穿。
电气试验分析
由于设备比较笨重,移动不方便,在停电后试验人员首先在现场拆掉引线对其做了常规例行试验。CVT的外观无损伤痕迹,检测电磁单元二次出线端对地绝缘、绕组间的绝缘,均大于5000MΩ,绝缘合格。随后又对其高压电容C1和中压电容C2的电容量、tand进行了测量。
采用相同的测试方法,使用仪器山东泛华AI6000-E电容介损测量仪,测试数据与设备投运前和上次预防性试验的试验数据相比C1 基本无变化,而C2的电容量和介损却有明显变化,误差达到+6.5%。同时将故障相电容值与健全相的电容值进行比较,部分试验结果如下表1所示:

表1 C1 、C2与历史数据的比较
由上表可以看出故障相C2的电容量和介损与健全相相比变化很大,也与实际二次输出电压低的情况符合,我们怀疑故障相CVT二次输出电压低是由于C2部分电容元件被击穿使电容量增大,而引起的二次分压的改变。
CVT解体检查
为了防止故障进一步扩大,了解故障的真正原因,检修人员现已更换了该付母C相压变,并采取了相应对策,对其进行了解体检查。在吊罩之后也对电容单元进行了试验,与吊罩前相比试验数据基本无变化,说明该故障与CVT外罩、试验接线、杂散电容等的影响基本无关。
于是,检修人员继续解体检查,结果发现中压电容C2的25片电容元件中最后两层有明显的放电烧伤痕迹,而C1 的各电容元件完好,这与电容量和介损的测量结果是一致的。由此,可以判定该CVT二次电压低是由于C2的部分电容元件被击穿引起的。解体检查结果如下所示:

图2 被击穿的电容元件
防止对策
由上述分析可知,该CVT的中压电容C2的25片电容元件只有两片被击穿,二次电压下降约8.5% 。在二次电压下降幅度不大时,保护并不会动作,不发生电压回路断线信号,该CVT还可以继续运行。但是在长时间运行压力下,不但会引起较大的计量误差,还可能导致更多的电容元件被击穿,从而引起CVT的爆炸事故。
检修人员建议,针对这一缺陷对该厂家同一类型的CVT做抽样调查、跟踪记录,并没有发现类似的情况,说明并不是家族性缺陷。检修人员还设想在每相CVT的二次电压回路接入保护装置,通过计算三相相电压的不平衡度并与标准值比较,加强监视及时告警。
结束语
由于CVT设备的特殊性,目前在线监测和预试工作还有待深入开展。为此,笔者结合实际工作经验,提出以下建议:
(1)生产厂家应加强CVT制造过程的控制,重点监控电容元件的选择与安装工艺。
(2)检修试验人员按照相关规程定期开展CVT的预防性试验,如发现电容值的变化要认真分析,根据实际情况必要时缩短试验周期。
(3)运行人员应加强对CVT二次电压的巡视,监测异常数据并做出综合分析。
(编自《电气技术》,作者为周芳、韩幸军 等。)