本文针对同城配送平台(跑腿、送货类App)的登录注册流程,做了一些分析和总结。

不多说,直接上图吧:
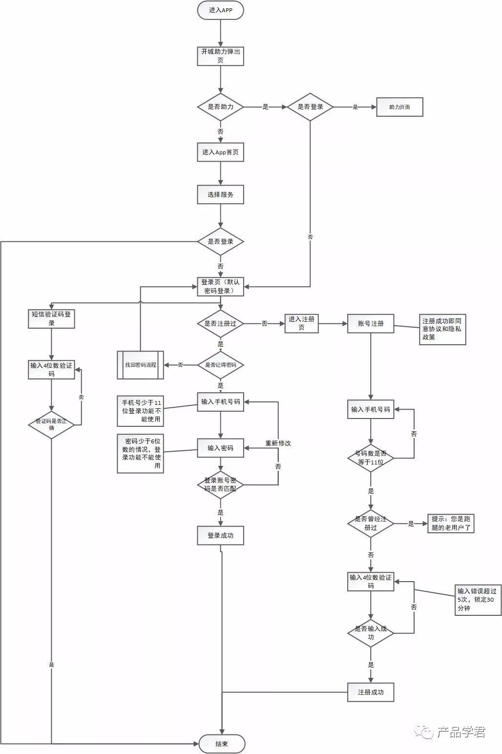
UU跑腿平台产品功能流程图:

美团跑腿平台产品功能流程图:

一、UU跑腿概述
1. 介绍
是一款解决懒人需求的、提供同城附近的帮买、帮送货、帮排队等服务的跑腿平台。
2. 独特卖点
懒人群体包括的范围很大,包括宅男宅女、蓝领白领等人群。通过用户支付一定费用,帮助到他们尽快送货买东西等方面的需求,是一款提升效率的利器,分为需求端、供应端(跑男)。
对于使用App的需求端用户而言,需要进行注册登录流程,才能使用UU跑腿平台上的服务。
3. 缺点
- 在注册页用手机号码注册后,如果曾经注册过但又忘记了,那么就提示:您是老用户已经注册过;这时没有什么下一步的动作,应该要跳转回登录页。
- 开城助力活动,在每次进入App界面的时候就会弹出,是否有喧宾夺主的嫌疑。
二、UU跑腿对比美团跑腿
1. UU跑腿
- 默认登录
- 账号密码登录
- 微信登录
2. 美团跑腿
- 默认微信登录
- 其次是手机号登录,而后者默认的登录方式不是账号密码登录,而是短信验证码登录
3. 登录优先级
微信>短信验证>账号密码
4. UU跑腿登录优先级
账号密码>短信验证>第三方平台(QQ微信)
5. 原因分析
造成这种登录设置差异的因素,我认为主要有以下几点:
美团是腾讯参投的互联网团购网站,优先使用投资方的方式,可以让双方连接更紧密,数据共享,形成业务互补。
而如果并非腾讯投资的企业,鼓励用户使用第三方的账号登录,无疑是把该平台的资料分享给第三方平台,造成了数据泄露(登录用户数、昵称等信息)。作为核心机密的用户信息,被第三方平台所知悉,这也是不明智的选择。
微信登录的速度比传统的账号密码登录速度更快,只需要同意授权即可登录。
UU跑腿为什么没有把短信验证作为第一登录优先级,而美团跑腿却把除了手机号登录的两种方式(短信验证、账号密码)中的短信验证,作为第一优先级来使用?
初步体验下来,短信验证码登录的方式,只需要按照步骤填写信息即可(发送验证码——手机获取验证码——授权复制粘贴/手动输入——登录完成)。
相反,填写账号密码,虽然步骤少,但比较费脑力;如果对密码记忆模糊(这种情况可能是存在的),要多次输入。操作起来难度比短信验证大。
通过用平台推荐的登录优先级来看,效率:美团跑腿>UU跑腿 ; 通过采用同样打手机登录,使用平台推荐的优先级,简易程度:美团跑腿>UU跑腿 。
UU跑腿采用密码登录的模式,背后的考量因素是什么呢?为什么不采用验证码为第一优先级登录?
可能的原因是:账号密码登录的页面无须跳转、步骤少,而且是唯一登录方式,基本不会产生什么安全问题。如果考虑到发送、接收短信所在地的基站的信号弱、信号延迟问题,UU跑腿分布的用户在城区不同地段,可能会造成此类问题,那么这个方式没有问题的。
注意:UU跑腿采用第三方平台,如果没有注册过,平台还会让用户先注册绑定账号。
6. 分析双方的优缺点
美团跑腿登录注册模式,基于参投企业的数据共享方式,可快速登录。如果非第三方合作的平台,选择的方式除了设置账号密码,还有短信验证码方式登录。
综上所述,基于优先级的分析:
美团跑腿基于简易+效率的考量,而UU跑腿则是基于账号登录安全可靠方面作为考量两个跑腿平台思的依据。
三、在注册登录流程上,有哪些可以优化的地方?
- UU跑腿提示了手机号注册后,可以跳转回账号登录页,而不是停留;
- UU跑腿强调了安全、有效、唯一的登录优先级,针对平台上的用户对密码的记忆的情况,为了提升密码的效率,可以优化“忘记密码”的功能设计,比如:对齐进行加重显示;
- 美团跑腿,在手机登录的优先级上,默认了短信验证码登录,但因此而把账号密码登录隐藏到了短信验证码接收的界面。如果用户想通过手机账号的登录方式,浪费了平台接受发送短信的能力。两者之间的跳转也是平台主动下发的。(比如,跳转到验证码界面,平台直接发送验证码过来,不需要直接点击获取验证码)
建议:在手机号显示界面,增设“账号密码登录”的功能。
四、达达平台产品功能流程图

1. 优点
以手机号为登录、注册的第一优先级,效率完全领先。没有第三方平台登录模式;只需要验证码即可登录注册;流程得到非常大的简化。
校检功能基本不存在,3步完成注册登录。
2. 细节
如果已经用手机号注册过;再次填写该手机号注册的时候,就会直接跳到登录界面上;并接收短信验证码。
登录、注册的逻辑很好!
3. 对比UU跑腿
如果用户已经注册了,那么就要跳转到登录界面。
跳转的逻辑这点处理的很好!
五、如何根据平台定位,有针对性的设计登录流程?
- 手机号就是短信时代的二维码入口,是唯一的入口,就像个人微信名片二维码一样;
- 账号密码登录的设计,除非是粘度非常强的、有安全要求的、模式较重的平台,否则用它作为App入口验证模式,相对来说浪费了效率。用户体验感不佳。而这个不佳来自于使用手机验证码登录的冲击。
- 校检模式(设置随机验证码、忘记密码后的重设需要2次输入、注册登录分化严重)都会造成登录/注册阻碍。
- 逻辑和跳转顺畅:能不用点击下一步的尽量不用,系统自动判断用户输入;第三方平台能减少的尽量减少;根据平台定位去有针对使用。(比如强业务关联、第三方平台的用户属性等)
- 基站信号胜于大脑强记密码。(傻瓜操作模式>精英操作模式),还嫌记得密码不够多嘛?
站在用户角度去看:
- 一定要够傻的操作。
- 一定要有顺序逻辑的操作。
- 一定要有重叠度高的识别度。
站在平台角度去看:
- 一定要根据定位、业务属性去设计登录注册流程。
- 一定要能省的就省,贪多求求是通病!
- 一定要以用户为上,不要抖机灵!
- 一定要简,一定不要杂!
本文由 @yixiang 原创发布于人人都是产品经理,未经许可,禁止转载。
题图来自 Unsplash,基于CC0协议。