0.引言
关于本篇文章的学习,一定要先学习ffplay源码,对ffplay源码的整个流程要理解,才能够理解本篇文章,那就需要参考前面的文章。文章列表如下:
详细介绍ffplay命令(1)
FFmpeg的FFplay框架分析
超详细解析FFplay之音视频同步
超详细解析FFplay之音视频控制
超详细解析FFplay之数据读取线程
FFplay超详细数据结构分析
超详细解析FFplay之音视频SEEK操作
超详细解析FFplay之音视频解码线程
超详细解析FFplay之视频输出和尺寸变换模块
超详细解析FFplay之音视频输出模块
注意:本篇文章篇幅非常长,阅读起来需要花一些时间,接下来就开始认真学习IJKPlayer吧。
1.ijkplayer简述
本篇文章主要讲解ijkplayer重要源码分析(拉取的是最新的源码)和如何移植源码到qt的方法。ijkplayer是一个基于FFPlay源码的轻量级Android/iOS视频*放播**器,实现了跨平台的功能,API易于集成;编译配置可裁剪,⽅便控制安装包大小。接口和结构会直接借鉴IJKPlayer和ffplay。IJKPlayer和ffplay接口都是可以做到商用,可以使用这2种接口快速开发,如果做音视频的人很少,那可以直接基于这些接口开发。达到一个ijkplayer的效果。
ijkplayer源码地址:
https://gitee.com/mirrors/ijkplayer
界面如下:


2.ijkplayer目录结构
在功能的具体实现上,iOS和Android平台的差异主要表现在视频硬件解码以及⾳视频渲染⽅⾯,两者实现的载体区别如下图所示:

ijkplayer源码主要由andoid、config、doc、extra、ijkmedia、ijkprof、ios、tools、xxx.sh、,ijkplayer源码的目录结构如下:

(1)android目录:android平台相关的上层接口封装以及平台相关方法,里面还有各种编译脚本相关,不同指令集的源码版本,如v7和v8等,还有一些patch相关的记录。具体细节部分,可以自行*载下**源码,然后阅读。

编译脚本:

(2)config目录:主要是编译ffmpeg使用的配置文件,如编译什么模块,如何编译HEVC等。如下图:

(3)extra目录:存放编译ijkplayer所需的依赖源文件,如ffmpeg、openssl、libyuv等。

(4)ijkmedia目录:这里面就是关于底层源码,包括jni,ffplay的源码。

(5)ijkprof目录:这个目录里面不太重要,内容不是很多。

(6)ios目录:ios平台上的上层接口封装及平台相关方法,同时也有一些编译脚本。

(7)tools:表示初始化项目工程脚本。

注意:上面目录的脚本也很多,每个脚本都有相应的功能,这些在做SDK时,也是值得我们参考和学习。
3.整体*放播**流程
read_thread线程负责解复用,,video_thread负责视频解码,audio_thread负责音频解码,ffplay的控制和显示是在一个线程,自己设计的这个*放播**器,控制和显示就不在同一个线程。控制就是在UI里面的子线程,如video_refresh_thread。

(1)把ijk的源码建立一个srcinsight的工程,可以很明显看到,ijk就是基于ffplay(特别是有些结构体,如packet队列,frame队列,都是照搬ffplay)做的优化和修改,在ff_ffplay_def.f里的结构体,下面这个FFPlayer的结构体是ijk重新又封装了,如下:
/* ffplayer */
struct IjkMediaMeta;
struct IJKFF_Pipeline;
typedef struct FFPlayer {
const AVClass *av_class;
/* ffplay context */
VideoState *is;
/* format/codec options */
AVDictionary *format_opts;
AVDictionary *codec_opts;
AVDictionary *sws_dict;
AVDictionary *player_opts;
AVDictionary *swr_opts;
AVDictionary *swr_preset_opts;
/* ffplay options specified by the user */
#ifdef FFP_MERGE
AVInputFormat *file_iformat;
#endif
char *input_filename;
#ifdef FFP_MERGE
const char *window_title;
int fs_screen_width;
int fs_screen_height;
int default_width;
int default_height;
int screen_width;
int screen_height;
#endif
int audio_disable;
int video_disable;
int subtitle_disable;
const char* wanted_stream_spec[AVMEDIA_TYPE_NB];
int seek_by_bytes;
int display_disable;
int show_status;
int av_sync_type;
int64_t start_time;
int64_t duration;
int fast;
int genpts;
int lowres;
int decoder_reorder_pts;
int autoexit;
#ifdef FFP_MERGE
int exit_on_keydown;
int exit_on_mousedown;
#endif
int loop;
int framedrop;
int64_t seek_at_start;
int subtitle;
int infinite_buffer;
enum ShowMode show_mode;
char *audio_codec_name;
char *subtitle_codec_name;
char *video_codec_name;
double rdftspeed;
#ifdef FFP_MERGE
int64_t cursor_last_shown;
int cursor_hidden;
#endif
#if CONFIG_AVFILTER
const char **vfilters_list;
int nb_vfilters;
char *afilters;
char *vfilter0;
#endif
int autorotate;
int find_stream_info;
unsigned sws_flags;
/* current context */
#ifdef FFP_MERGE
int is_full_screen;
#endif
int64_t audio_callback_time;
#ifdef FFP_MERGE
SDL_Surface *screen;
#endif
/* extra fields */
SDL_Aout *aout;
SDL_Vout *vout;
struct IJKFF_Pipeline *pipeline;
struct IJKFF_Pipenode *node_vdec;
int sar_num;
int sar_den;
char *video_codec_info;
char *audio_codec_info;
char *subtitle_codec_info;
Uint32 overlay_format;
int last_error;
int prepared;
int auto_resume;
int error;
int error_count;
int start_on_prepared;
int first_video_frame_rendered;
int first_audio_frame_rendered;
int sync_av_start;
MessageQueue msg_queue;
int64_t playable_duration_ms;
int packet_buffering;
int pictq_size;
int max_fps;
int startup_volume;
int videotoolbox;
int vtb_max_frame_width;
int vtb_async;
int vtb_wait_async;
int vtb_handle_resolution_change;
int mediacodec_all_videos;
int mediacodec_avc;
int mediacodec_hevc;
int mediacodec_mpeg2;
int mediacodec_mpeg4;
int mediacodec_handle_resolution_change;
int mediacodec_auto_rotate;
int opensles;
int soundtouch_enable;
char *iformat_name;
int no_time_adjust;
double preset_5_1_center_mix_level;
struct IjkMediaMeta *meta;
SDL_SpeedSampler vfps_sampler;
SDL_SpeedSampler vdps_sampler;
/* filters */
SDL_mutex *vf_mutex;
SDL_mutex *af_mutex;
int vf_changed;
int af_changed;
float pf_playback_rate;
int pf_playback_rate_changed;
float pf_playback_volume;
int pf_playback_volume_changed;
void *inject_opaque;
void *ijkio_inject_opaque;
FFStatistic stat;
FFDemuxCacheControl dcc;
AVApplicationContext *app_ctx;
IjkIOManagerContext *ijkio_manager_ctx;
int enable_accurate_seek;
int accurate_seek_timeout;
int mediacodec_sync;
int skip_calc_frame_rate;
int get_frame_mode;
GetImgInfo *get_img_info;
int async_init_decoder;
char *video_mime_type;
char *mediacodec_default_name;
int ijkmeta_delay_init;
int render_wait_start;
int is_manifest;
LasPlayerStatistic las_player_statistic;
} FFPlayer;
(2)Packet队列数据结构如下。
typedef struct PacketQueue {
MyAVPacketList *first_pkt, *last_pkt;
int nb_packets;
int size;
int64_t duration;
int abort_request;
int serial;
SDL_mutex *mutex;
SDL_cond *cond;
MyAVPacketList *recycle_pkt;
int recycle_count;
int alloc_count;
int is_buffer_indicator;
} PacketQueue;
(3)Frame队列数据结构如下。
typedef struct FrameQueue {
Frame queue[FRAME_QUEUE_SIZE];
int rindex;
int windex;
int size;
。。。
} FrameQueue;
注意:如果不懂前面ffplay的,可以看看前面的文章,这是理解ijk的基础。
(4)在ijk源码中,ff_ffplay.h是总体的一个头文件和对外提供接口的头文件。
//创建多个*放播**器
FFPlayer *ffp_create();
void ffp_destroy(FFPlayer *ffp);
void ffp_destroy_p(FFPlayer **pffp);
void ffp_reset(FFPlayer *ffp);
(5)*放播**前设置参数的接口
/* set options before ffp_prepare_async_l() */
void ffp_set_frame_at_time(FFPlayer *ffp, const char *path, int64_t start_time, int64_t end_time, int num, int definition);
void *ffp_set_inject_opaque(FFPlayer *ffp, void *opaque);
void *ffp_set_ijkio_inject_opaque(FFPlayer *ffp, void *opaque);
void ffp_set_option(FFPlayer *ffp, int opt_category, const char *name, const char *value);
void ffp_set_option_int(FFPlayer *ffp, int opt_category, const char *name, int64_t value);
int ffp_get_video_codec_info(FFPlayer *ffp, char **codec_info);
int ffp_get_audio_codec_info(FFPlayer *ffp, char **codec_info);
(6)*放播**控制
/* playback controll */
int ffp_prepare_async_l(FFPlayer *ffp, const char *file_name);
int ffp_start_from_l(FFPlayer *ffp, long msec);
int ffp_start_l(FFPlayer *ffp);
int ffp_pause_l(FFPlayer *ffp);
int ffp_is_paused_l(FFPlayer *ffp);
int ffp_stop_l(FFPlayer *ffp);
int ffp_wait_stop_l(FFPlayer *ffp);
/* all in milliseconds */
int ffp_seek_to_l(FFPlayer *ffp, long msec);
long ffp_get_current_position_l(FFPlayer *ffp);
long ffp_get_duration_l(FFPlayer *ffp);
long ffp_get_playable_duration_l(FFPlayer *ffp);
void ffp_set_loop(FFPlayer *ffp, int loop);
int ffp_get_loop(FFPlayer *ffp);
(7)ff_ffmsg.h主要是一些回调信息,及时反馈的一些错误码信息。如下图:

4.移植重要源码到QT平台
添加顺序依次为
ff_ffplay_def.h
ff_fferror.h
ff_ffmsg.h
ff_ffplay.h:主要是对外提供接口。
(1)添加如下头文件


在qt项目下,新建头文件,

(2)创建目录在src下,名字为ff_ffplay_def.h,如下图所示:

并在ff_ffplay_def.h下添加如下的头文件,这些头文件也主要是来源于ffplay.c,添加如下:
#include <inttypes.h>
#include <math.h>
#include <limits.h>
#include <signal.h>
#include <stdint.h>
#include "libavutil/avstring.h"
#include "libavutil/eval.h"
#include "libavutil/mathematics.h"
#include "libavutil/pixdesc.h"
#include "libavutil/imgutils.h"
#include "libavutil/dict.h"
#include "libavutil/parseutils.h"
#include "libavutil/samplefmt.h"
#include "libavutil/avassert.h"
#include "libavutil/time.h"
#include "libavformat/avformat.h"
#include "libavdevice/avdevice.h"
#include "libswscale/swscale.h"
#include "libavutil/opt.h"
#include "libavcodec/avfft.h"
#include "libswresample/swresample.h"
(3)添加ff_fferror.h,如下:

(4)包含头文件



(5)结构体IjkMediaPlayer包含了FFPlayer结构体,代码如下图所示:
struct IjkMediaPlayer {
volatile int ref_count;
pthread_mutex_t mutex;
FFPlayer *ffplayer;
int (*msg_loop)(void*);
SDL_Thread *msg_thread;
SDL_Thread _msg_thread;
int mp_state;
char *data_source;
void *weak_thiz;
int restart;
int restart_from_beginning;
int seek_req;
long seek_msec;
};
(6)ijkplayer主要在移动端的解决方案,调用层次由java(是一个控件,显示画面,暂停,*放播**等,主要是业务相关)->ijkplayer_jni.c(jni)->ijkplayer.c->ff_ffplay.c。
(7)创建文件,qt接口,通过信号槽去触发,面向接口去编程,保证底层的ffplay.c的实现层不变。命名为ijkplayer_qt.cpp和ijkplayer_qt.h。这边就需要添加上ijkplayer.h、ijkplayer.c、ff_ffplay.c。
创建一个类,命名为ijkplayer_qt,如下图:


(8)在ijkplayer_qt.h添加如下源码:

ijkplayer_qt.cpp添加如下源码:

注意:现在主要是把架子搭起来。
(9)创建ijkplayer.h,如下图所示:

创建ijkplayer.cpp,如下图所示:

(10)创建ff_ffplay.c,如下图所示:

先实现一些初始化相关的工作,如下图所示:

在ff_ffplay.c里做的一些工作,如下图所示:

(11)添加消息队列接口ff_ffmsg.h,如下:


(12)添加config文件,如下:

(13)添加ff_ffinc.h文件,如下:

(14)消息队列的设计
qt*放播**按钮->IjkPlayerQt->IjkPlayer.cpp->ff_ffplay.c
创建一个结构体IjkMediaPlayer,这个结构体到时候要放在IjkPlayerQt使用。该结构体里面会包含FFPlayer,这样一种关联关系。同样要像IJK源码一样,实现一个loop的效果。
消息队列
初始化Init函数,创建player
信号槽
开启队列
设置资源
创建文件ijkplayer_internal.h。如下界面:


第二版编译完成。暂时没有报错。
5.Android初始化流程
*放播**的步骤:
设置*放播**源:ijkmp_set_data_source
启动*放播**:ijkmp_prepare_async
(1)创建*放播**器对象。函数IjkMediaPlayer_native_setup(JNIEnv *env, jobject thiz, jobject weak_this)调用ijkmp_android_create(message_loop),message_loop作为回调函数被传入。代码如下图所示:
/**
* \brief Copy a portion of the texture to the current rendering target.
*
* \param renderer The renderer which should copy parts of a texture.
* \param texture The source texture.
* \param srcrect A pointer to the source rectangle, or NULL for the entire
* texture.
* \param dstrect A pointer to the destination rectangle, or NULL for the
* entire rendering target.
*
* \return 0 on success, or -1 on error
*/
extern DECLSPEC int SDLCALL SDL_RenderCopy(SDL_Renderer * renderer,
SDL_Texture * texture,
const SDL_Rect * srcrect,
const SDL_Rect * dstrect);
(2)函数static int message_loop(void *arg)调用函数message_loop_n(env, mp),代码如下图所示:
static int message_loop(void *arg)
{
MPTRACE("%s\n", __func__);
JNIEnv *env = NULL;
if (JNI_OK != SDL_JNI_SetupThreadEnv(&env)) {
ALOGE("%s: SetupThreadEnv failed\n", __func__);
return -1;
}
IjkMediaPlayer *mp = (IjkMediaPlayer*) arg;
JNI_CHECK_GOTO(mp, env, NULL, "mpjni: native_message_loop: null mp", LABEL_RETURN);
message_loop_n(env, mp);
LABEL_RETURN:
ijkmp_dec_ref_p(&mp);
MPTRACE("message_loop exit");
return 0;
}
(3)ijkplayer_jni.c(jni)在这里有个循环控制入口,由这个函数进去。代码如下图所示:
SDL_SetRenderDrawColor(renderer, 255, 0, 0, 255)
(4)函数message_loop_n(JNIEnv *env, IjkMediaPlayer *mp)调用这个函数ijkmp_get_msg(mp, &msg, 1)(涉及到消息队列这块)是非常重要。
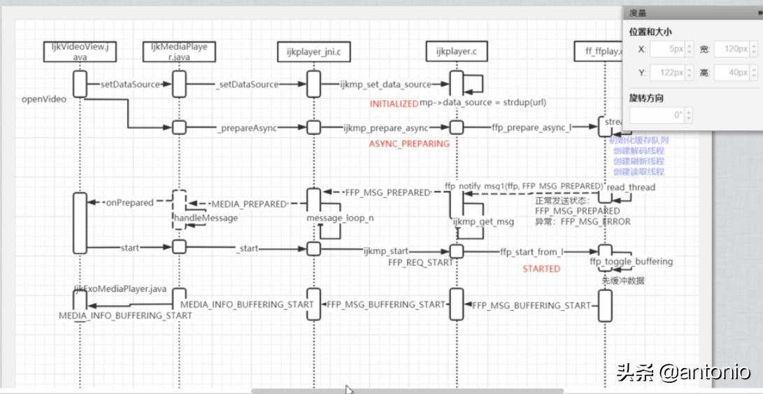
6.*放播**流程
函数ijkmp_set_data_source从IDLE到INTIALIZED只是设置一个*放播**的url。函数ijkmp_prepare_async,从INTIALIZED到ASYNC_PREPING,是一个异步操作,做一些*放播**器的初始化工作。然后就到PREPARED状态,这时候表示初始化工作完成,然后调用ijkmp_start,到STARTED状态。*放播**流程的状态机如下图所示:

(1)*放播**开始流程,IjkMediaPlayer_prepareAsync(JNIEnv *env, jobject thiz)->ijkmp_prepare_async(mp)->ijkmp_prepare_async_l(mp)->ffp_prepare_async_l(mp->ffplayer, mp->data_source)
SDL_SetRenderTarget(renderer, NULL);
(2)*放播**接口
/**
* \brief Set a texture as the current rendering target.
*
* \param renderer The renderer.
* \param texture The targeted texture, which must be created with the SDL_TEXTUREACCESS_TARGET flag, or NULL for the default render target
*
* \return 0 on success, or -1 on error
*
* \sa SDL_GetRenderTarget()
*/
extern DECLSPEC int SDLCALL SDL_SetRenderTarget(SDL_Renderer *renderer,
SDL_Texture *texture);
(3)*放播**正真对接ffplay
static int ijkmp_prepare_async_l(IjkMediaPlayer *mp)
{
assert(mp);
MPST_RET_IF_EQ(mp->mp_state, MP_STATE_IDLE);
MPST_RET_IF_EQ(mp->mp_state, MP_STATE_ASYNC_PREPARING);
MPST_RET_IF_EQ(mp->mp_state, MP_STATE_PREPARED);
MPST_RET_IF_EQ(mp->mp_state, MP_STATE_STARTED);
MPST_RET_IF_EQ(mp->mp_state, MP_STATE_PAUSED);
MPST_RET_IF_EQ(mp->mp_state, MP_STATE_COMPLETED);
MPST_RET_IF_EQ(mp->mp_state, MP_STATE_ERROR);
MPST_RET_IF_EQ(mp->mp_state, MP_STATE_END);
ijkmp_change_state_l(mp, MP_STATE_ASYNC_PREPARING);
msg_queue_start(&mp->ffplayer->msg_queue);
// released in msg_loop
ijkmp_inc_ref(mp);
//创建线程,回调之前用户创造的循环函数
mp->msg_thread = SDL_CreateThreadEx(&mp->_msg_thread, ijkmp_msg_loop, mp, "ff_msg_loop");
// msg_thread is detached inside msg_loop
// TODO: 9 release weak_thiz if pthread_create() failed;
int retval = ffp_prepare_async_l(mp->ffplayer, mp->data_source);
if (retval < 0) {
ijkmp_change_state_l(mp, MP_STATE_ERROR);
return retval;
}
return 0;
}
(4)通过这个接口,可以找到ffplay的函数了。
SDL_RenderCopy(renderer, texture, NULL, NULL);
7.暂停流程
(1)函数IjkMediaPlayer_pause(JNIEnv *env, jobject thiz)->调用ijkmp_pause(mp)->ijkmp_pause_l(mp)->回调ffp_notify_msg1(mp->ffplayer, FFP_REQ_PAUSE)->msg_queue_put_simple3(&ffp->msg_queue, what, 0, 0)->msg_queue_put(q, &msg)->msg_queue_put_private(q, msg)->
/**
* \brief Update the screen with rendering performed.
*/
extern DECLSPEC void SDLCALL SDL_RenderPresent(SDL_Renderer * renderer);
(2)
SDL_RenderPresent(renderer);
(3)
/**
* \brief Update the screen with rendering performed.
*/
extern DECLSPEC void SDLCALL SDL_RenderPresent(SDL_Renderer * renderer);
(4)如这个暂停状态来说,函数ffp_pause_l(mp->ffplayer)->toggle_pause(ffp, 1),就到了FFplaye的源码,就会去调用这些关系。
int ffp_pause_l(FFPlayer *ffp)
{
assert(ffp);
VideoState *is = ffp->is;
if (!is)
return EIJK_NULL_IS_PTR;
toggle_pause(ffp, 1);
return 0;
}
(5)函数toggle_pause在ff_ffplay.c,源码如下。
static void toggle_pause(FFPlayer *ffp, int pause_on)
{
SDL_LockMutex(ffp->is->play_mutex);
toggle_pause_l(ffp, pause_on);
SDL_UnlockMutex(ffp->is->play_mutex);
}
(6)
static void toggle_pause_l(FFPlayer *ffp, int pause_on)
{
VideoState *is = ffp->is;
if (is->pause_req && !pause_on) {
set_clock(&is->vidclk, get_clock(&is->vidclk), is->vidclk.serial);
set_clock(&is->audclk, get_clock(&is->audclk), is->audclk.serial);
}
is->pause_req = pause_on;
ffp->auto_resume = !pause_on;
stream_update_pause_l(ffp);
is->step = 0;
}
暂停成功后,就会去调用函数ijkmp_change_state_l(mp, MP_STATE_PAUSED),去修改暂停状态。这个时候如果需要在java层去显示,那就需要反馈给java层去显示或通知用户。
8.消息通知
(1)使用消息通知的方式,做出相应的操作。
SDL_WaitEvent(&event);
(2)将消息放到消息队列里面去。
SDL_PushEvent(&event_q);
(3)
inline static int msg_queue_put(MessageQueue *q, AVMessage *msg)
{
int ret;
SDL_LockMutex(q->mutex);
ret = msg_queue_put_private(q, msg);
SDL_UnlockMutex(q->mutex);
return ret;
}
(4)使用链表把消息串起来,并使用信号量SDL_CondSignal(q->cond)来通知其它线程去读取消息。
SDL_PumpEvents();
(5)由这个函数ijkmp_get_msg(IjkMediaPlayer *mp, AVMessage *msg, int block)去读取消息队列的消息(如暂停的消息),这个函数在前面也已经分析过了,即可以送到java层,也可以送到ffplay层,源码如下:
SDL_PeepEvents();
9.*放播**流程测试
在bin目录下,这个目录有这个日志文件:


10.IJK*放播**器时序
下面继续讲讲,如何从java层一直到ffplay的函数调用和分析。java层到ffplay的时序图如下:

(1)

(2)
ijkMediaPlayer.java

(3)进入底层

(4)对接native层的文件,这是一种静态注册的方法。


(5)对接的就是ijkplayer_jni.c(这一层全是对接的java的native方法)的函数static void IjkMediaPlayer_setDataSourceCallback(JNIEnv *env, jobject thiz, jobject callback)

(6)再到了ijkplayer.c,调用这个函数int ijkmp_set_data_source(IjkMediaPlayer *mp, const char *url)。

(7)在ijkplayer.c文件中,代码风格是这样的,如ijkmp_set_data_source,主要是负责加锁,避免多线程的问题。那真正干活的就是ijkmp_set_data_source_I。保存地址,更改*放播**器状态。如下:

11.*放播**流程
(1)在文件IjkMediaPlayer.java中,函数prepareAsync()中,调用如下函数:
异步准备调用:

(2)在前面已经讲了设置好url的流程,就准备开始播了。如下调用关系:

(3)会调到文件Ijkplayer_jni.c的函数IjkMediaPlayer_prepareAsync,函数如下:

(4)在文件ijkplayer.c,函数IjkMediaPlayer_prepareAsync会调用ijkmp_prepare_async(IjkMediaPlayer *mp),函数如下:

(5)往java层和ffplay.c都是同一个队列。使用ijkmp_get_msg(xxx)往ff_ffplay.c里去处理。使用post_event是往java层去处理。是往一边发,还是两边发,使用标志continue_wait_next_msg。如果jni用不到,那这个消息就直接在消息队列中,被释放掉了。

(6)在文件ff_ffplay.c(这里面就是ffplay的那一套了),函数ijkmp_prepare_async_l会调用ffp_prepare_async_l(FFPlayer *ffp, const char *file_name),在该函数里面,最重要的就是调用stream_open(ffp, file_name, NULL),函数如下:

(7)ffp->is = is;这里保存了VideoState *is = stream_open(ffp, file_name, NULL)的参数,结构体也是一个接着一个管理,每个模块对接的都是只有一个总管。

(8)在函数stream_open(FFPlayer *ffp, const char *filename, AVInputFormat *iformat),就是各种初始化,如frame的队列初始化,packet队列初始化,时钟,音量,线程等初始化。这里还添加了支持,硬解的操作。


(9)在文件ff_ffplay.c,创建的读线程read_thread(void *arg),这里就可以去打开文件了。与前面分析的ffplay源码的文章如出一辙。传递的参数是FFPlayer *ffp(这个是后面自定义封装的)。

(10)在read_thread线程里,并把消息及时放到消息队列ffp_notify_msg1(ffp, FFP_MSG_OPEN_INPUT),发送给java层;在read_thread线程,正真打开码流的函数是stream_component_open(ffp, st_index[AVMEDIA_TYPE_SUBTITLE]),如下图:

(11)在该函数下初始化音视频,字幕的解码线程,如下:


注意:个人认为,虽然ffplay功能齐全,也比较稳定,但是这个框架,设计的不是很合理。
这段代码是调用硬件,ffp->node_vdec = ffpipeline_open_video_decoder(ffp->pipeline, ffp);实际上硬解就是回调mediacode。在read_thread里,实际ijk后面还添加了码率统计。如有这样一行代码,如下:
ffp->stat.bit_rate = ic->bit_rate;
12.创建ffplayer对象
(1)创建ffplayer对象,是在文件ijkplayer.c的函数ijkmp_create(int (*msg_loop)(void*))。如下:

(2)真正创建是在ff_ffplay.c中,函数ffp_create(),如下调用:

(3)使用ffp_toggle_buffering(ffp, 1)先缓存,缓存够了,才*放播**。
SDL_Event
(4)
void ffp_toggle_buffering(FFPlayer *ffp, int start_buffering)
{
SDL_LockMutex(ffp->is->play_mutex);
ffp_toggle_buffering_l(ffp, start_buffering);
SDL_UnlockMutex(ffp->is->play_mutex);
}
(5)
void ffp_toggle_buffering_l(FFPlayer *ffp, int buffering_on)
{
if (!ffp->packet_buffering)
return;
VideoState *is = ffp->is;
if (buffering_on && !is->buffering_on) {
av_log(ffp, AV_LOG_DEBUG, "ffp_toggle_buffering_l: start\n");
is->buffering_on = 1;
stream_update_pause_l(ffp);
if (is->seek_req) {
is->seek_buffering = 1;
ffp_notify_msg2(ffp, FFP_MSG_BUFFERING_START, 1);
} else {
ffp_notify_msg2(ffp, FFP_MSG_BUFFERING_START, 0);
}
} else if (!buffering_on && is->buffering_on){
av_log(ffp, AV_LOG_DEBUG, "ffp_toggle_buffering_l: end\n");
is->buffering_on = 0;
stream_update_pause_l(ffp);
if (is->seek_buffering) {
is->seek_buffering = 0;
ffp_notify_msg2(ffp, FFP_MSG_BUFFERING_END, 1);
} else {
ffp_notify_msg2(ffp, FFP_MSG_BUFFERING_END, 0);
}
}
}
(6)在read_thread线程函数,隔一段时间,会一直检测缓存是否有准备好。
event_q.type = FF_QUIT_EVENT;
13.总结
本篇文章通过大量的篇幅,理清了ijkPlayer从java层到ffplay的一个*放播**过程,对于基于ijkplayer的项目应用,具有十分重要的意义。除了理清整个*放播**过程,还把重要源码移植到qt平台,让qt能够吊起来,这也是具有十分好的实战学习。由于网上关于ijkplayer非常详细的文章,非常少,所以这篇文章也是花了很多心血总结,所以也是非常值得推荐给大家。欢迎关注,收藏,转发,分享。
后期关于项目知识,也会更新在微信公众号“记录世界 from antonio”,欢迎关注
转载记得注明出处,不要随意复制,黏贴,创作不易,支持原创