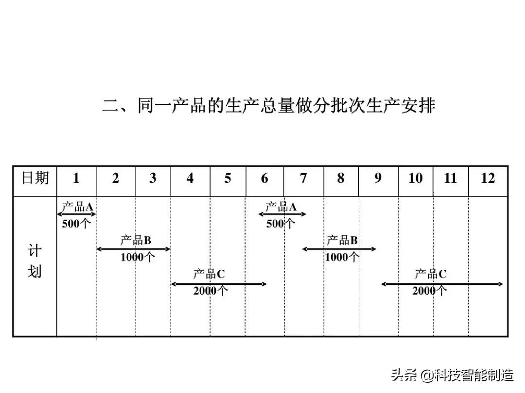
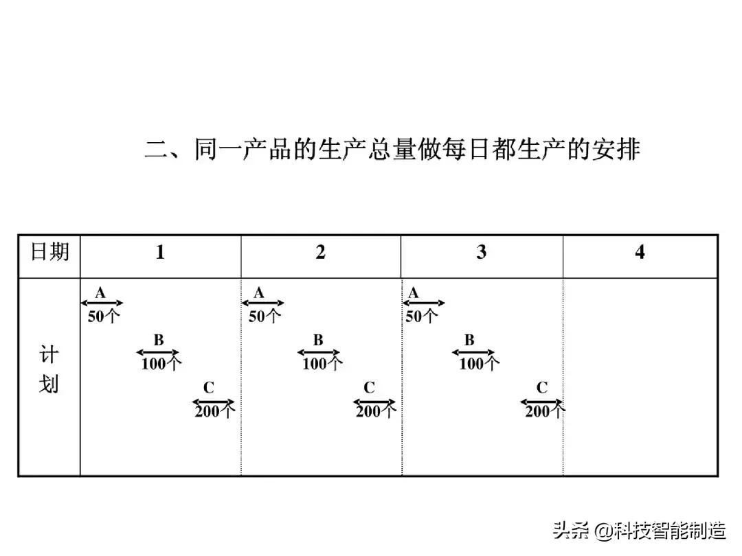
所谓生产计划,就是企业在可用资源条件下,在一定时间内,生产什么,生产多少,什么时间生产的问题。而生产计划管理则是利用计划的生产方式控制工厂的生产管理流程。生产计划管理就是计划调动一切资源,快速、准确、高质量、低成本的完成生产任务。下面这则PPT资料非常精彩,讲解很细致,建议分享收藏随时学习!










































































所谓生产计划,就是企业在可用资源条件下,在一定时间内,生产什么,生产多少,什么时间生产的问题。而生产计划管理则是利用计划的生产方式控制工厂的生产管理流程。生产计划管理就是计划调动一切资源,快速、准确、高质量、低成本的完成生产任务。下面这则PPT资料非常精彩,讲解很细致,建议分享收藏随时学习!









































































