
故障现象
装载机通常采用循环作业方式,其动臂升、降时间是作业循环的重要参数。合理缩短动臂升、降时间,可有效提高装载机的作业效率、加快施工作业进度。我公司试制1台某型装载机,在完成组装后的测试过程中,出现了动臂下降缓慢的故障。该装载机设计要求动臂下降时间为3.5s,而实际测量值为5s。
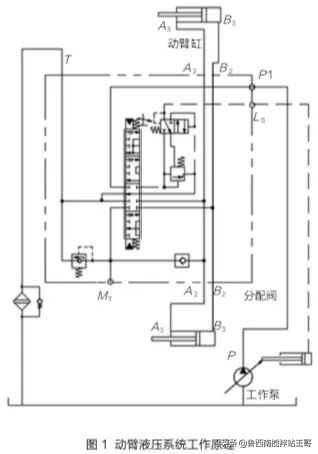
2.工作原理
该型装载机动臂液压回路由工作泵、换向阀、动臂缸等组成,其工作原理如图1所示。

现以动臂下降过程为例,说明动臂液压回路工作原理。操纵先导手柄,将换向阀阀芯移动到动臂下降位置。此时工作泵出油口P输出的压力油流经换向阀进油口P1、换向阀内部通道、换向阀油口A2、动臂缸有杆腔油口A3进入其有杆腔,推动活塞杆从有杆腔向无杆腔移动。动臂缸无杆腔中流出的液压油经无杆腔油口B3、换向阀油口B2、换向阀内部通道、换向阀油口MT流回液压油箱。
3.查找故障原因
根据该装载机故障现象和动臂液压系统工作原理,我们怀疑其动臂液压系统回油背压有问题。为此我们在该装载机空载状态下,对其动臂液压系统压力进行了全面测试。该测试的操作循环如下:发动机大油门时举升动臂到动臂缸行程终点→动臂缸憋压→发动机怠速时换向阀阀芯处于浮动状态→动臂下降。测试动臂液压系统各油口压力,测得的压力曲线如图2所示。

图2中曲线1为工作泵出口P油压变化曲线,曲线2为换向阀B2口油压变化曲线,曲线3为动臂缸B3口油压变化曲线,曲线4为换向阀MT口油压变化曲线。
取动臂下降状态时各油口压力的平均值,计算压力损失:动臂缸B3口压力为3.5MPa,换向阀B2口压力为2.5MPa,动臂缸B3口到换向阀B2口的压力损失为1.0MPa;换向阀MT口的压力为0.7MPa,换向阀B2口至换向阀MT口的压力损失为1.8MPa;换向阀T口压力为0MPa,换向阀MT口到T口压力损失为0.7MPa。通过测试和计算可知,动臂液压系统各部分的压力损失均偏大,由此造成动臂液压系统回油背压偏大。

4.改进过程
(1)第一次改进
为了减小动臂液压系统压力损失及回油背压,我们采取了以下2项改进措施:
一是将动臂缸B3油口到换向阀B2油口之间的管路直径由19mm加大到25mm。经再次测试,此处管路的压力损失由1.0MPa减小到0.5MPa。
二是改进换向阀阀芯结构,增大换向阀回油通路,以期减少换向阀B2油口至MT油口的压力损失。改进前、后换向阀阀芯结构如图3所示。

由于受换向阀结构尺寸的限制,改进后测试动臂下降时间为4.6s,仍未达到设计要求值。
(2)第二次改进
由于换向阀回油通路已无增大空间,我们采取了外加浮动下降阀的方案,其结构及原理如图4所示。

当操纵动臂下降时,换向阀的先导油同时流向浮动下降阀的控制口,推动浮动下降阀阀芯换向,动臂缸无杆腔B3油口及其有杆腔A3油口同时通过T口流回液压油箱,起到增大换向阀回油通径的作用,从而减小了回油背压并缩短了动臂下降时间。将改进后的换向阀安装在该装载机上后测试,其动臂下降时间满足了3.5s的设计要求。
