-
一辆2012年的科鲁兹轿车,最近打开大灯有时远光不亮,需要来回变换几次远近光才亮;有时打开大灯,刚开始远近光转换正常,过一会再变换远近光,发现近光正常,远光常亮,大灯远光也不能关闭。

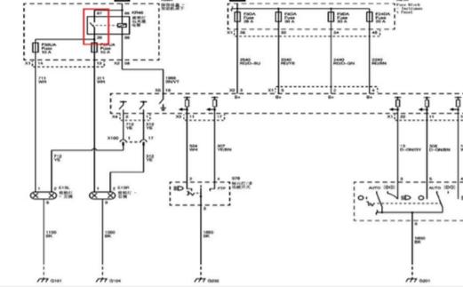
刚开始怀疑大灯开关坏了,把开关插头拔下后,远光灯依旧亮着,说明与大灯开关无关。于是找出灯光部分的电路图,仔细观看,原来在科鲁兹的大灯远光控制线路中设计了一个继电器。继电器位于前机舱内电瓶附近保险盒内部线路板上。

-
按常规思路检查到此种情况后,没办法只能更换新保险盒总成。但在好奇心的作用下,想拆下保险盒搞个明白,于是动手开始拆。

-
保险盒总成好拆,一会就拆下来了,在拆解保险盒时,由于卡扣多,耗了点时间。

-
经过一番周拆,内部线路板被成功取出,我们可以看到其中有一个继电器外壳已变形,它就是我们要找的远光继电器。

-
远光继电器为五脚继电器,正好身边有这种型号的,于是将旧的焊下来,准备换新的继电器,来个特写。

-
焊好后,将保险盒组装完,装车后打开灯光,变换远近光,关闭大灯一切正常。

-
建议大家以后在改装灯或换灯泡时:
-
①不要一味的追求大功率灯泡,实在不行也要在改装时外加一套增光器,避免损坏保险盒内部远光继电器。
-
②如果远光继电器损坏时,建议更换新保险盒总成;喜欢自己动手的车友们,可以自己动手换远光继电器解决。
-
您遇到此类故障是如何解决的呢,大家可以在评论区留言,我们一起探讨,相互学习!