家居和装修常面临灯饰、台灯的线路连接,三个开关控制一盏灯,就是在双控的基础上,将两个开关的连接线中间增加一个双刀双掷开关,也可用双开代替。

一、双控开关的连接方法

1、电源火线分三根线,分别连接到灯饰的三个开关,从每个开关的三个裸线都连接到灯的一端,之后从等的另一端出来的一根线连接到电源的零线上。

这种接线是单联3控,先了解三个开关单开,这种单开要三个连接柱,电源火线介入第一个开关的中间接住才行。
2、使用两个双联开关,将两个开关控制一盏灯的连接方法,之后将两开关之间的2根双联线断开,用一个双刀双接开关将它们全部链接起来,使能通过他的开和关,达到原来2根线回复导通或交叉后导通,之后就可以完成三个开关控制一盏灯链接电路了。

二、常见的照明控制原理图
1、两个双连开关在两地控制一盏灯电路

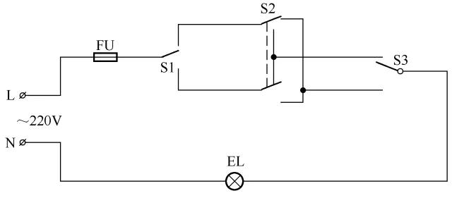
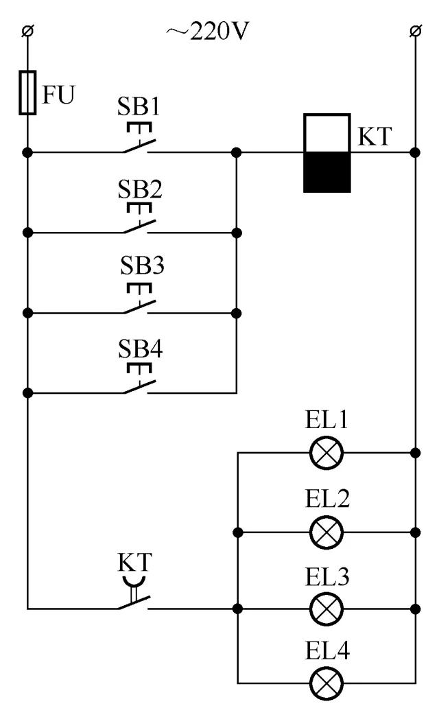
2、用三个开关控制一盏灯电路

3、将两个功率相同的110V白炽灯接在220V电源上使用的电路

4、低压小灯泡在220V电源上使用的电路

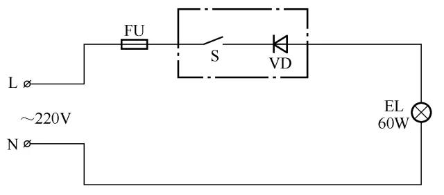
5、用二极管延长白炽灯寿命的电路

6、简单的晶闸管调光灯电路

7、用555集成电路组成的光控等电路

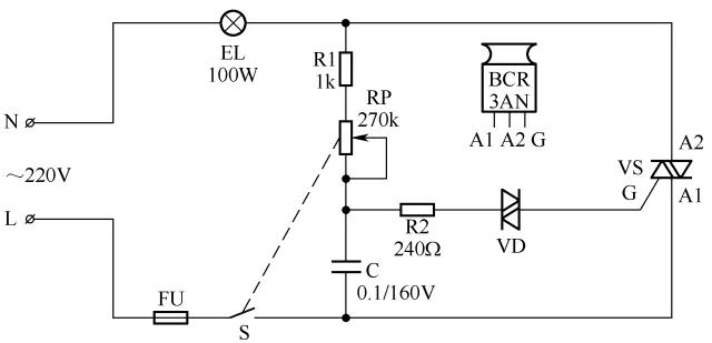
8、无极调光台灯电路

9、路灯光电控制电路

10、照明灯自动延时关灯电路

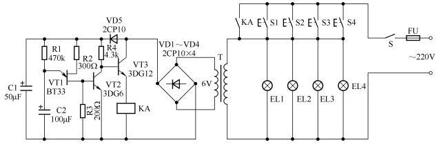
11、楼房走廊照明灯自动延时关灯电路

12、人体感应延时灯光控制电路

13、晶闸管自动延时照明开关电路

14、门控自动灯电路

15、广告创意16功能彩灯控制电路

16、简易光控路障灯电路

17、自动调光灯电路

18、节日彩灯——满天星霓虹灯电路

19、鸟鸣彩灯串电路

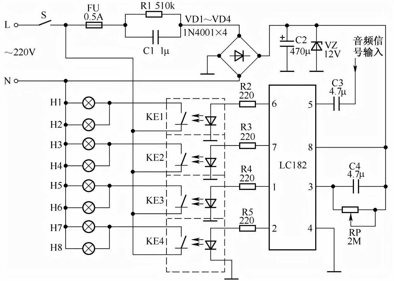
20、声控音乐彩灯电路

21、简易流动闪光灯电路

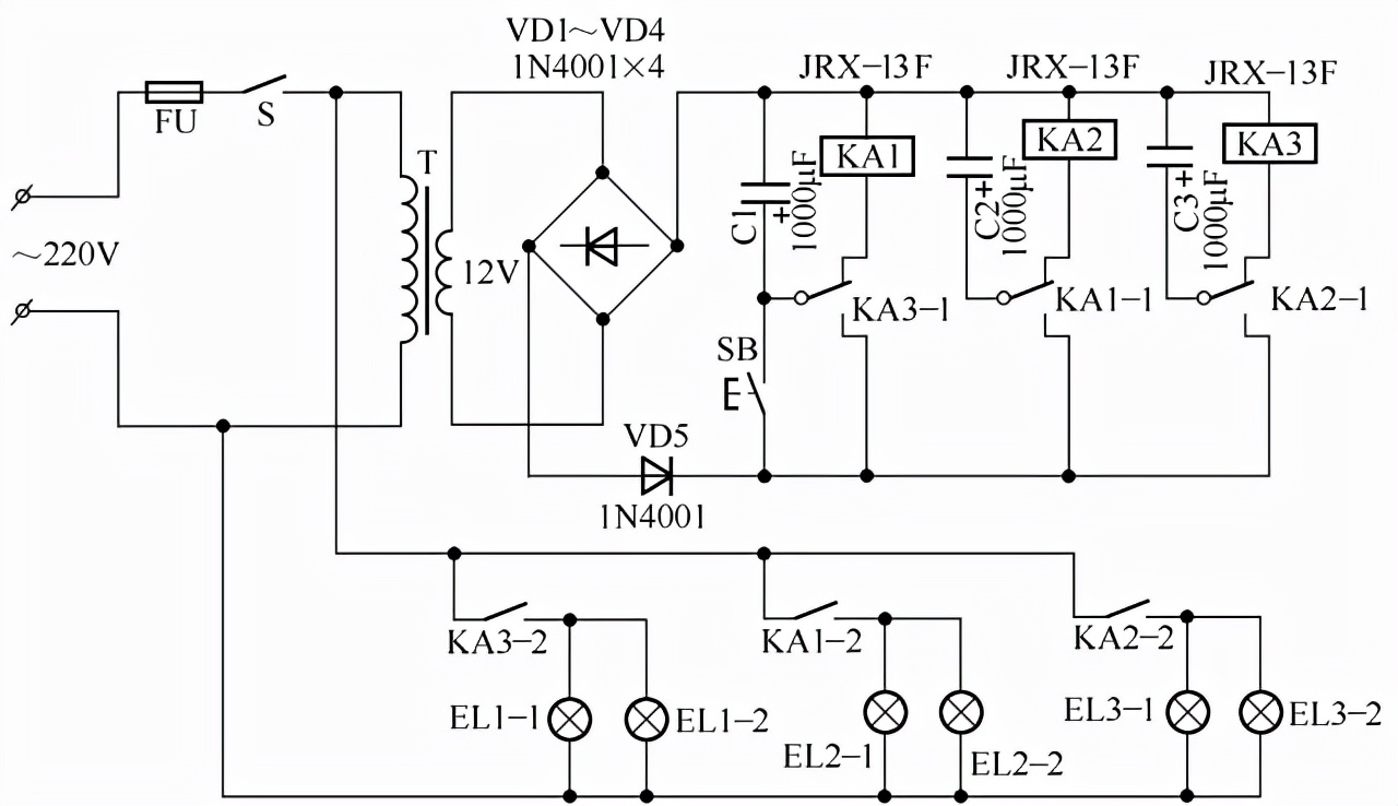
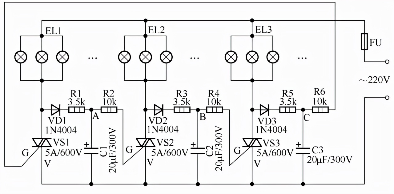
22、大功率“流水式”广告彩灯控制电路

23、氖泡微光灯电路

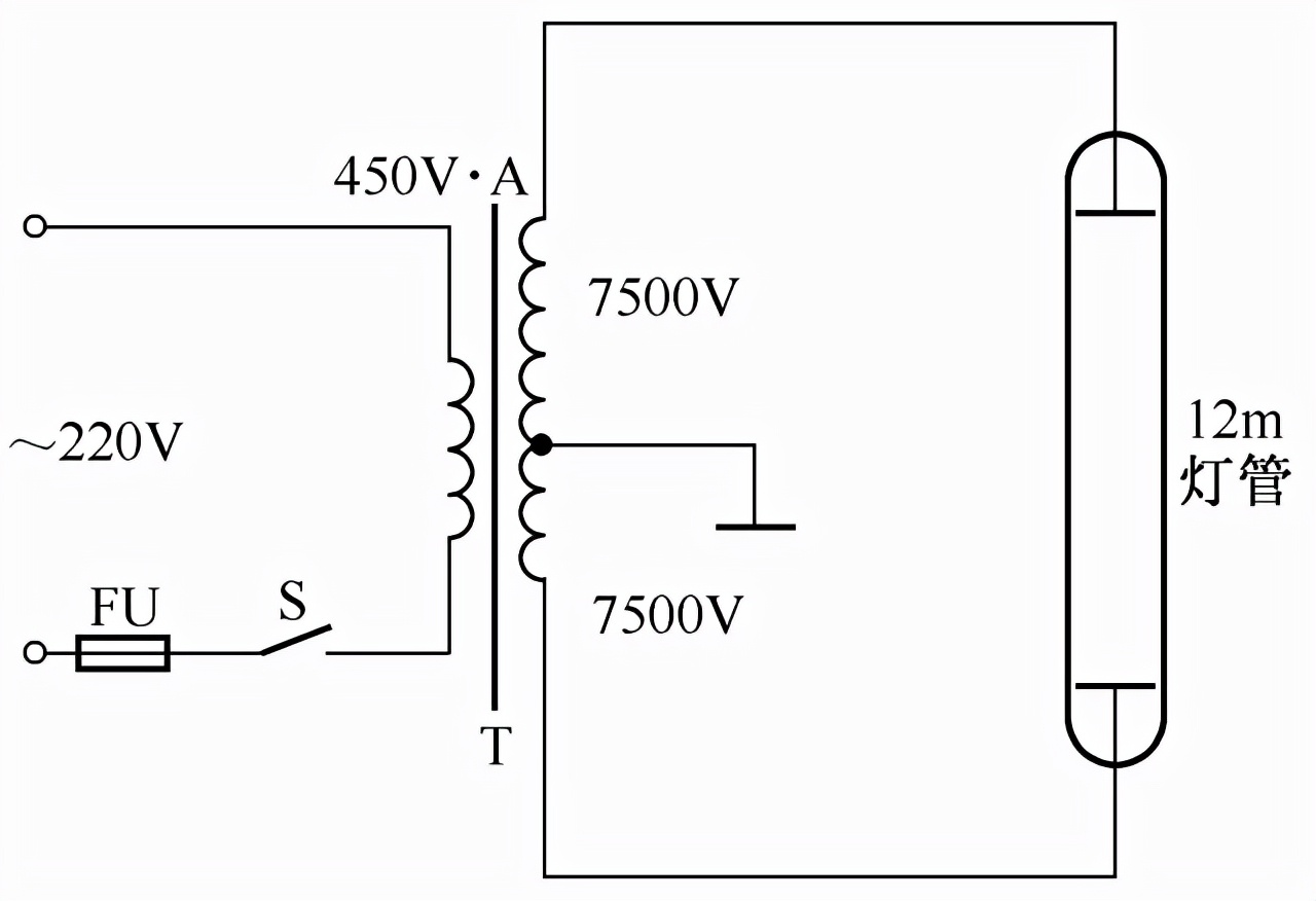
24、霓虹灯供电电路

25、霓虹灯闪光电路

26、应急照明灯电路

27、微光调光定时有线遥控器电路

28、电话自控照明灯电路

29、声光控自动照明灯电路

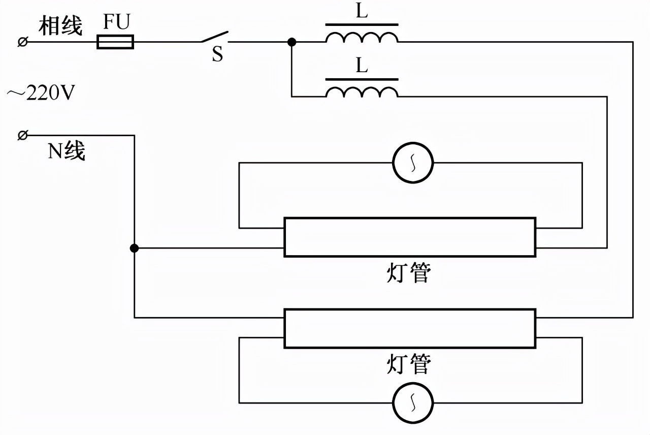
30、双荧光灯户外广告双灯管接线电路

31、荧光灯节能电子镇流器电路(之一)

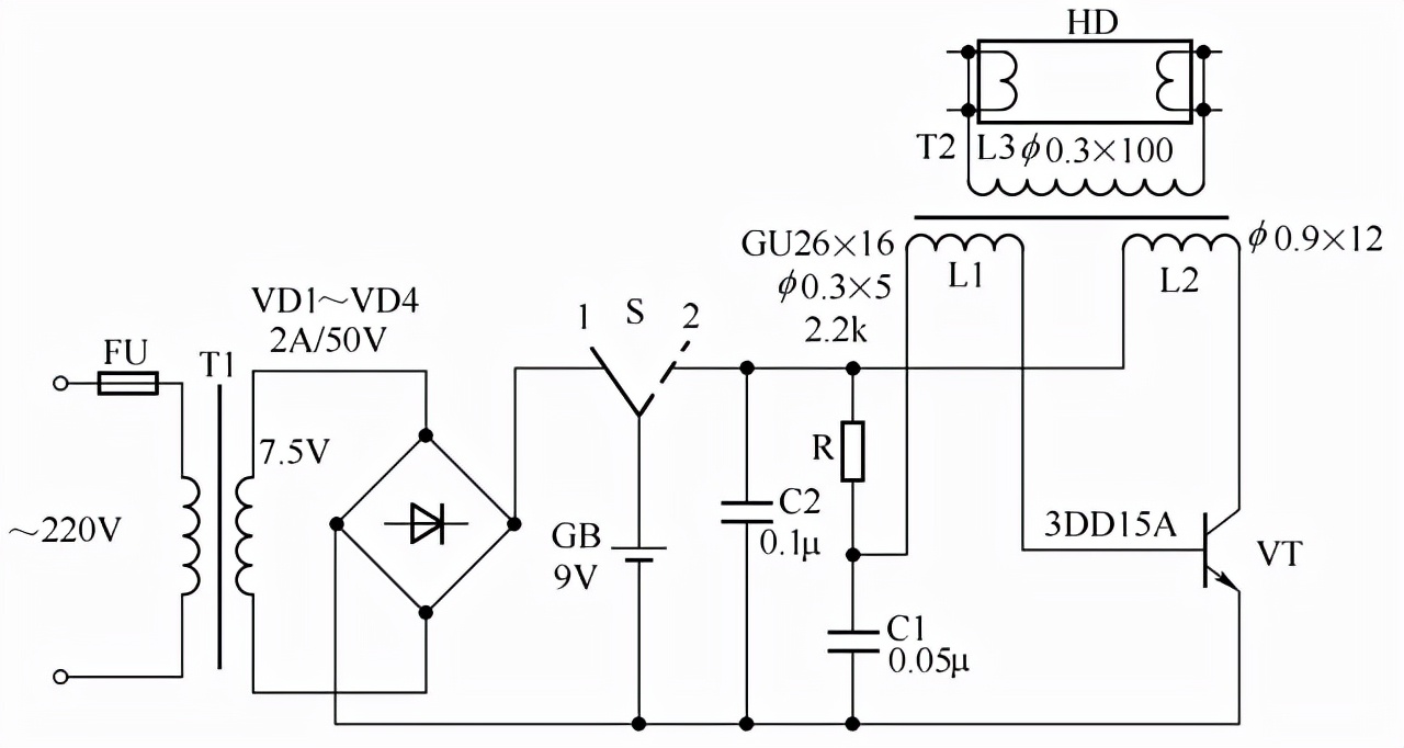
32、荧光灯节能电子镇流器电路(之二)

33、探照灯、红外线灯、碘钨灯、钠灯接线电路

34、紫外线杀菌灯接线电路

35、高压汞灯接线电路

36、管形氙灯接线电路
