| 导读 |
■ 研究了C2Cl6除气、超声除气、C2Cl6-超声联合除气、氩气对2024铝合金氢含量及力学性能的影响。发现C2Cl6-超声联合除气氢含量最低,对应的力学性能最高;最后考察了2024铝合金氢含量与力学性能相关性。结果表明,铸锭抗拉强度随氢含量降低而升高,当氢含量小于0.12 cm3/100 g Al时,屈服强度随氢含量的降低升高不显著。
关键词:2024铝合金;氢含量;力学性能;C2Cl6-超声联合
■ 铝合金熔炼过程中容易大量吸气(主要是氢),如果合金凝固前氢来不及排出而形成气孔,会使合金的力学性能和耐蚀性降低。因此,铝熔体除气是必须解决的问题,而除气方法主要包括除气剂除氢、氩气除氢、超声除氢及*土稀**固氢法等。对于C2Cl6除气剂来说,虽然除氢效果较好,但由于其具有一定的毒性而被限制使用;氩气除氢得到重视,企业上目前所使用的旋转喷吹除气率可达70%左右,但是进行深度除气较为困难;对于超声场来说,作为一种广泛使用而绿色环保的物理方法,目前得到了学者及企业的广泛关注。但是,超声目前主要以细化为主,除氢虽然有所涉及,但是由于超声的功率受到了限制,且无法处理大量熔体而很少被企业使用;对于*土稀**固氢法,由于添加了*土稀**元素导致除氢成本大幅度上升,且由于混进了*土稀**元素而使用范围受限;因此,每种除氢方法都有各自的优点及缺点,在一定程度上制约了除氢方法的发展,并且除氢后氢含量与力学性能的关系报道较少,但通过氢含量间接判断合金力学性能的好坏十分重要,所以研究氢含量与力学性能的相关性意义明显。基于此,以2024铝合金为例,研究C2Cl6、超声、C2Cl6-超声、氩气除气对2024铝合金的影响,考察了氢含量与力学性能的关系,并进行了分析。最后,将氢含量与力学性能进行了相关拟合,为铝合金的应用提供参考。
■ 对于除气剂除氢,试验条件如下:每炉熔体的质量均为1.5 kg 左右,以C2Cl6为除气剂,且加入温度为 730 ℃,加入量分别为熔体质量的 0、0.5%、 1%、2%及 3%,静置20 min后利用测氢仪测氢含量,待温度降至720 ℃浇注到水冷铜模中;对于超声处理来说,试验参数为150 W下分别处理0、40、80 和 120 s,温度为730 ℃,然后将熔体静置 10 min,测出氢含量后待温度降至720 ℃浇注到水冷铜模中;为了对比,也进行了2024铝合金的氩气除气研究,首先通入速度为0.5 L/min的氩气10 min,同时不断搅拌使氩气在熔体中均匀化,随后静置10 min,待温度达到720 ℃后浇注到水冷铜模中。
1 2024铝合金的C2Cl6除气
■ 熔体的氢含量随着除气剂的增加而降低。但若继续添加C2Cl6,其氢含量会升高,导致除气率下降。因此,在本试验中,C2Cl6的添加量在1%~2%时除氢效果较好。图2为改变C2Cl6添加量后,2024铝合金的力学性能受到的影响,熔体中添加C2Cl6会发生反应。反应产生的AlCl3为气态,在熔体中就会有大量的气泡生成,而气泡内因不受分压,在浓度差的作用下熔体中的氢将会不断地进入气泡中,这个过程会持续到气泡内和熔体中的氢浓度相等,之后气泡会浮出熔体,只要时间足够,该过程就一直能够持续。所以,C2Cl6除氢效果随保温时间延长得到较大程度的发挥,当加入量太大时,除气剂会有所团聚,分解时间也较长,因此除气效果下降。

(a)氢含量 (b)除气率
图1 不同除气剂量下2024合金氢含量和除气率的变化

图2 除气剂添加量对2024合金力学性能的影响
2 2024铝合金的超声除气
■ 氢含量随超声处理时间的延长而不断降低,超声处理80 s后,氢含量为0.085 cm3 /100 g,除气率为51.1%,当超声处理120 s后,除气率下降至 44.8%。
■ 结果表明,超声处理后80 s后铸锭抗拉强度、屈服强度及伸长率分别提高了27.4%、6.7%及4.9%。

(a)氢含量 (b)除气率
图3 超声处理时间对2024合金的影响

图4 超声处理时间对2024合金力学性能的影响
3 2024铝合金的C2Cl6-超声复合除气
■ 没有施加超声振动时,添加C2Cl6的熔体中氢含量大大低于没有添加C2Cl6的。对两者施加较短时间的超声处理后发现,氢含量均快速下降,此时二者之间的氢含量差别较大,但随着处理时间延长,两者的氢含量差开始缩小,超声处理时间过长时,添加C2Cl6的熔体氢含量略有升高的趋势。因此,在添加C2Cl6的熔体中,只需要较短的超声时间就可以得到理想的除氢效果,但此时超声时间不应该太长,否则将导致氢含量上升,而未添加C2Cl6的熔体则需超声处理较长时间才能达到添加C2Cl6的除氢效果。由此可见,2024铝合金先经C2Cl6进行预处理后,再施加超声处理40 s,氢含量为0.082 cm3/100g,但继续使用超声处理时氢含量则会有所上升。
■ 图6为不同除气方法对2024铝合金性能的影响。可以看出,C2Cl6-超声联合除气时,2024铝合金的抗拉强度、屈服强度及伸长率提高了28.3%、6.7%及5%,达到最大值。

图5 不同超声处理时间下2024铝合金氢含量的变化

图6 除气方法对2024合金力学性能的影响
(1:未除氢、2:仅C2Cl6除氢、3:仅超声处理、4.C2Cl6+超声处理)
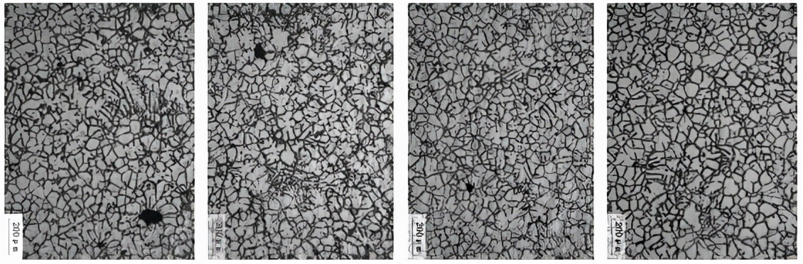
■ 未进行除气时,凝固组织主要由粗大的树枝晶和细小等轴晶组成,同时可观察到较多的气孔;而使用1%的C2Cl6进行除气时,发现2024合金组织变化不大;超声处理40 s和添加1%的C2Cl6后再超声处理40 s组织有所细化,但仍有小枝晶存在。未除气时有较多的大气孔存在,尺寸大约为5~150 μm;但当合金经过除氢处理后,铸锭中心部位的大气孔数量和位置发生了明显变化。当氢含量达到0.082 cm3/100 g时,气孔和缩松都很少,其尺寸为1~10 μm,见图8d。

(a)未除气 (b)1% C2Cl6除气 (c)超声处理40s (d)1%C2Cl6+超声处理40s
图7 不同方法除氢前后2024合金的显微组织

(a)未除气 (b) C2Cl6除气 (c)超声处理 (d)C2Cl6+超声处理
图8 除氢前后的2024合金气孔
■ 使用C2Cl6进行预除气后,此时熔体中的气体明显减少,而再经超声处理后,熔体中发生空化作用,产生了大量的空化气泡,这些气泡在熔体中会一直处于脉动状态并在熔体中快速地运动着,同时吸收熔体中存在的氢,只需要较短的超声时间空化气泡就会长大浮出熔体,实现除氢目的。相反,在未进行预除气的熔体中存在大量的气体,施加超声处理熔体时,产生的大量的发达空化同样会处于脉动状态,仍然会吸附周围的氢,但由于熔体中的氢较多,该过程持续的时间也就更久。此外,由于熔体界面处同时存在着吸氢和溢氢两种完全相反的过程,当熔体中氢含量较低时,超声波作为一种外加的干扰会使少量的气体有进入熔体的趋势,因此施加较长的超声时间会导致氢含量升高,C2Cl6-超声波联合处理示意图见图9。

图9 C2Cl6 -超声波联合处理铝熔体除氢示意图
1.C2Cl6; 2.熔体中的气体; 3.C2Cl6所产生的气泡; 4.超声探针; 5.脉动的空化气泡 6.空化气泡; 7.剩余气体
4 几种除气方法对比分析
■ C2Cl6+UST氢含量最低, 约为0.08 cm3/100 g Al。对应的力学性能来说,除气剂、超声波及C2Cl6+UST的抗拉强度及屈服强度接近,但是C2Cl6+UST的伸长率较高,达到5%左右,而氩气除气后力学性能较低。

(a)氢含量 (b) 力学性能
图10 2024合金不同除氢方法的氢含量及力学性能
5 氢含量与力学性能的相关性
■ 图11为2024合金在不同除氢工艺下氢含量和力学性能关系的拟合图。可以看出,当氢含量大于0.12 cm3/100g时,熔体中氢含量的降低会使屈服强度有所增加;氢含量低于0.12 cm3/100g时,随着氢含量的下降,屈服强度则变化不大。随着氢含量的降低,铸锭抗拉强度及伸长率出现缓慢升高的趋势。

(a)抗拉强度 (b)屈服强度 (c) 伸长率
图11 氢含量对2024合金力学性能的影响
■ 作为对比,给出了AZ91镁合金氢含量与力学性能的相关性,见图12。氢含量在11 cm3/100 g Mg以上时,氢含量的降低会使AZ91镁合金的抗拉强度和伸长率增大;而当氢含量小于11 cm3/100 g Mg左右时,氢含量的降低对AZ91镁合金的力学性能提升没有效果。从图12b可以得出,AZ91镁合金中氢含量对屈服强度影响较小。在AZ91合金中氢含量较低时,继续除氢无法进一步提高合金力学性能。
■ 这可能主要与熔体的吸氢特性有关,镁熔体在熔炼时会吸入铝熔体自身的两个数量级以上的氢,此时氢含量相当高,镁熔体在凝固时,生成的MgH2化合物不易分解。在熔体凝固的过程中虽然一部分氢会溢出,但液态与固态中氢并不会因为冷却过程而发生太大的溶解,这与铝凝固时氢大量析出有很大不同。因此,当氢含量降到一定程度时,镁合金中的气孔没有铝合金严重,故对力学性能的影响较铝合金小。

(a)抗拉强度 (b)屈服强度 (c)伸长率
图12 氢含量与AZ91合金力学性能的相关性
文献引用:贾征,喻兵,宋婧怡,等. 不同除气方法对2024铝合金氢含量及力学性能的影响.特种铸造及有色合金,2021,41(7):837-841.