根据下图的三相交流电动机正反转控制的主电路,设计一个PLC控制电动机正停反的控制系统。控制要求如下:
(1)正常情况下,按启动按钮SB1,电机正转,按下反转启动按钮SB2,电机反转。
(2)电机启动后,按下停止按钮SB3并等待5秒钟之后,才可以改变电动机的旋转方向;
(3)如果SB1和SB2同时按下,电动机停止转动,并且不起动,同时报警灯L1亮1秒暗1秒不断闪烁。此时按SB3停止按钮进行复位。


首先我们先确定一下按钮、KM的使用辅助触点情况,这里是正反转的主回路,主回路必须有互锁电路,其他的按钮用常开触点。
下面是PLC的输入输出点表:

根据题意(1) 编程:这里根据题意1,只需2个自保持电路即可。

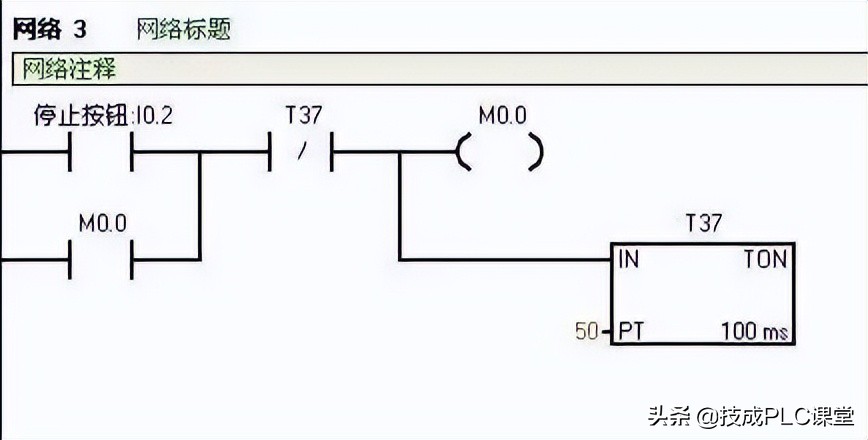
题意(2) 要求按停止按钮5秒后才能改变电机方向,所以这里需设置一个标志位,这里用M0.0。
并且加上程序互锁电路,具体如下:



首先在2个自保持回路中加入互锁电路——网络1的Q0.1常闭点和网络2的Q0.0常闭点。题意2说按下停止按钮后5秒,才能按启动按钮,所以网络3按下I0.2停止按钮后,M0.0得电自保持,计时器T37计时5s后,将M0.0的自保持回路停掉。并且在网络1和网络2中加M0.0的常闭点,使M0.0得电时网络1和网络2即使按了正转按钮或者反转按钮也不会使Q0.0或Q0.1得电。
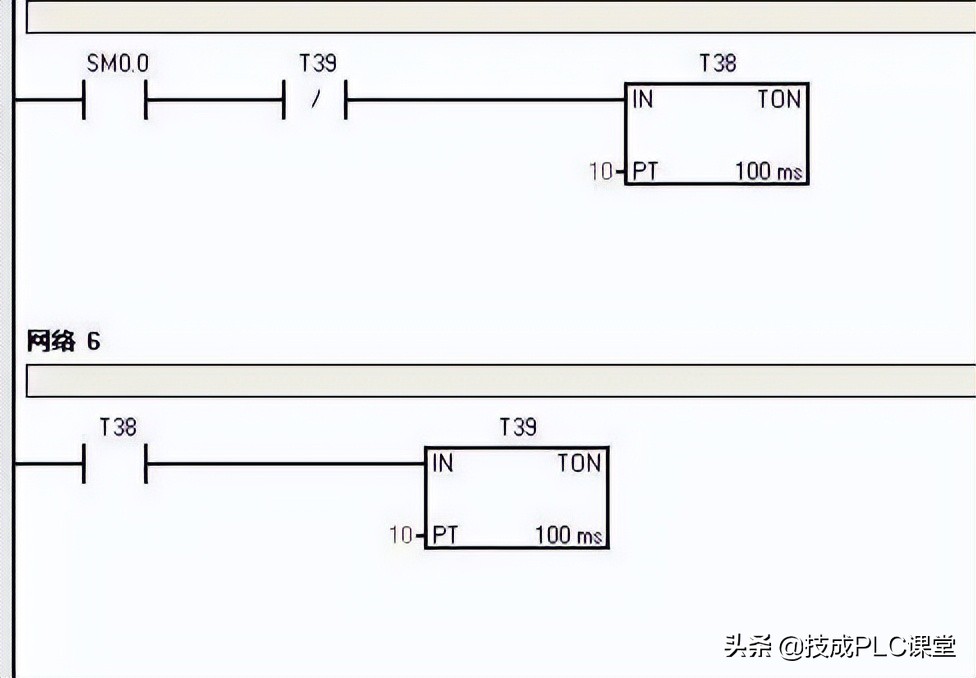
题意(3) 要求SB1和SB2同时按下,电动机停止转动,并且不起动,同时报警灯L1亮1秒暗1秒不断闪烁。编程如下:





这次增加了网络4/5/6,网络5和6就是利用2个计时器产生一个一秒脉冲的小程序,SM0.0为特殊位,其功能为一直得电。网络4就是利用M0.1将网络1/2/3锁死,也就是说M0.1得电网络1.2.3是不起作用的。其原理与上一小结的M0.0一样。
以上就是这个实例的全部编程。
正所谓万丈高楼平地起,如果你叫小编一口气编出来,小编也是很为难的。但是,将题意一点点拆分,一点点地把所需的功能写入,最后一定可以合你心意。最后你看看编完的程序与最初的程序差了多少?
接下来,小编给大家介绍5种PLC编程方法:经验法、解析法、图解法、技巧法及计算机辅助设计法。
(1)经验法 :
运用已掌握的成功设计经验,结合实际的情况,选择与实际情况类似的一个或若干个成功的程序,或具有一些典型功能的标准程序作为“样机”,对“样机”逐一修改,直至满足新的任务要求。在工作过程中,应多收集与积累这些“样机”,从而不断丰富自己的经验。
(2)解析法 :
PLC用于逻辑控制的编程方法可根据组合逻辑或时序逻辑的理论,并运用相应的解析方法,对其进行逻辑关系的求解。然后,再根据求解的结果,或画成梯形图,或直接编写指令表。解析法比较严密,可以运用一定的标准,使程序优化与算法化,并可避免编程的盲目性,是一种比较有效的方法。
(3)图解法:
图解法是靠画图进行PLC程序设计。
常见的主要有3种方法:梯形图法、波形图法以及流程图法。
梯形图法是最基本的方法。无论是经验法,还是解析法,若用梯形图编写PLC程序,就要用到梯形图法。
波形图法很适合于时序控制电路。它先把对应信号的波形画出,再根据时间用逻辑关系去组合,就可以很容易地把电路设计出来。
流程图法是用框图来表示PLC程序的执行过程及输入条件与输出间的关系。在步进控制中,用它进行设计是很方便的。
(4)技巧法
技巧法是在经验法及解析法的基础上,运用技巧进行编程,以提高进行编程的质量。巧妙地使用PLC所提供的多种功能指令进行编程,是对已有经验的“升华”,做到熟能生巧,实现创造性的编程。
(5)计算机辅助设计
PLC可通过上位连接单元与微型计算机连接,并运用微型机进行联机辅助编程。计算机辅助编程,应有相应的软件做支持。现有的编程软件可把梯形图翻译成指令表。编程时,可先在计算机屏幕上设计梯形图,然后再将该梯形图转换成对应的指令表。这种编程软件有现成的,例如,日本三菱公司的MEDOC和GPP等
总结以上5种编程方法是不能截然分开的。如经验法、解析法、技巧法都要用到图解法,而技巧法又是经验法的升华。
转发是最大的鼓励!谢谢您的支持!
小贴士
PLC专属资料: 含有 从入门到高级所有PLC学习资料(三菱/西门子/欧姆龙) ,电气经典18本大全书,历年电气考试真题、电气必备实训仿真软件、电气自动化行业各类型技术手册!
