原创不易,希望大家点赞并分享,您的支持是我坚持下去的动力!
今天我们不讲技术,讲一讲自动化行业的*规则潜**吧!
很多年前听过一个故事,一个自动化公司卖了一套设备给一个私人老板,合作过程中发生了一点不愉快,导致尾款的10%没有支付,于是自动化公司的老板告诉设计人员,你想点办法。
于是做程序的人给出了一个方案,就是在程序里做手脚,每两年让PLC非故障停机一次,最后等私人老板多付了相当于尾款的钱后才把程序修改正常。当年听到这个故事的时候颇有感触,然而最近这个故事的真实版本就发生在我身边。
某天,一个朋友给我打电话(朋友是做电气维护的,略懂PLC,但不精通),说他负责的一个设备的PLC停机了,怎么起也起不来,我说你先检查外部线路,他告诉我他把外回路都拆了还不能起动,我说你看过程序了吗?他说看过了,没看出什么问题。我说那你找厂家啊,他告诉我;厂家回复过质保期了,如果需要售后的话需要一大笔钱,他们老板不想花这笔钱。然后朋友问我,要不我给你把程序发过去你给我看看。就这样,我拿到了程序。

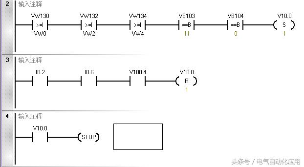
设备使用的PLC是西门子S7-200,拿到程序后我发现是主程序调用了多个子程序,其中有一个子程序被加密了,问朋友,朋友说他也不知道为什么,可能是西门子库或者核心技术吧,出于好奇我将这个块解密了,解开后谜底揭开了,虽然程序本身没有注释,但从程序结构我一眼就识别出来,这是一个按照时间控制的停机指令,说实话,从事电气多年我竟然没有用过”—(STOP)”这个指令,我还特意查了一下手册。设计者做了个时间控制,到时间后置位一个位,置位后为了方便竟然用四个输入信号做复位,这个位直接控制停机条件,我将电话打过去,告诉朋友查一下复位的四个输入信号的含义,发现是输入按钮,我告诉他将时间向前调1个月,然后按住这四个按钮再将PLC运行,朋友激动地告诉我,PLC起动了,后续的事情就不说了。

我大学专业是自动化,同学们分布在全国各地的相关公司,大多数是从事自动化这一行业或者相关专业,我们没事也会在一起聊一些工作的事情,其中有几个朋友在小的自动化公司工作,他们也有他们的难处,和大家分享这个事情不是为了评论谁对谁错。只是通过这个事情想和大家一起分享一些从事工业自动化这么多年的感受;

一 作为设计人员;1尽量多写些注释,不仅方便别人,也是方便自己,因为未来的某一天你有可能会为一条你没做注释的程序行抓狂;2如果不是涉及技术机密,不要将程序加密,如果密码忘了,那就悲剧了。3作为电气从业者的基本道德,图纸一定记得修改后再给甲方。4 力所能及下,尽量不要给甲方设障碍,尽量保护这个很脆弱很混乱的市场。
二 作为甲方公司;1 中国的自动化工业市场其实很乱的,所以对于图纸一定要严格要求,如果没有电气高手的话,没有图纸的机器基本上可以扔了。2 程序一定要据理力争,我和多个自动化公司的老板聊过这个问题,其实他们也很头疼,辛辛苦苦制作出来并经过实践验证过的设备和程序,只要程序被泄露了,几个月之内会有大量的仿制品低价进入市场,而国内并没有什么好的方式去保护研发者。但如果没有程序的话,一旦发生问题甲方会很被动,所以最好的方式是签保密协议,即程序可以给甲方,但泄露的后果由甲方负责。
但其实说到底,作为电气从业者还需要提高自身的水平,因为PLC死机的BUG还是很好判断的,如果设计者心里阴暗一点,在一些复杂的控制上增加了一些BUG因素,那才是最难判断的,没有一定的水平是不敢质疑设计者的。
你有什么有趣的自动化小故事和大家分享吗?
(如果喜欢这篇文章,请点赞并关注,更多原创的工业应用以及PLC学习的文章等着你)