上周我们谈了电动车充电器的电路原理,有位粉丝提出建议想看一下电动车控制器的电路原理
SO,今天就来谈一下控制器的电路原理

电动车控制器

控制器电路板
电动车控制器在电动车中的作用
电动车控制器的主要作用就是用来控制电动车电机的,需要控制包括电机启动、电机转速、刹车断电等

电动车控制器接线图
我们可以看到一个电动车控制器上面有非常多的接线,每一个接线都有其作用,它们共同构成了一个完整的电动车控制系统
电路原理图分析

电路原理图
(电路图不是很清晰,需要原版图片的同学可以私信作者“电动车控制器电路”获取)
同学们是不是一看到这么大一张电路图就感到无从下手,不知道从哪里开始分析呀
其实只要把电路拆开就好了
1.控制器电源电路图
电动车电池电压多是36V以上,控制器主要核心部件是单片机和各类数字电路芯片以及功率开关MOS管,需要一个较低的电压

电源电路
78L15和78L05共同构成电源电路,分别给数字电路提供5V和功率MOS管提供15V控制极电压
2.电池欠压和过流保护电路
电池电压被放电到太低、放电电流过大都将损坏电池

电池欠压和过流保护电路
电池电压D+经R2和R3并联后与R4串联分压,得到的电压被送入单片机AN1进行ADC电压检测,当电池电压过低时禁止电机转动
电机电流回路经R55取样之后被送入运放,一路经运放比较后送入单片机中断实现过流关断;一路经运放放大后送入AN0进行实时电流检测
3.转把调速和限速电路

转把调速和限速电路
转把接口接的是线性霍尔或者电位器,它反馈回来的电压信号被送入AN3检测,计算转把扭转角度,控制电动车速度;限速接口是一个跳线开关,它被短接时R33被接入电路,控制输入AN3的电压
4.刹车断电电路
电动车在刹车时电机必须断电,否则将造成电能浪费和刹车困难

刹车断电电路
刹车时,H点被接入一个电压,它经电阻分压后被送入AN4检测确定是否是刹车动作
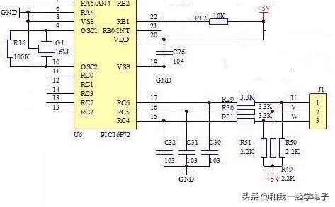
5.无刷电机控制电路
电动车无刷电机共有三个线圈,需要6个功率MOS管组成换流器,循序控制MOS管导通才能让电机转起来

无刷电机控制示意图
MOS管导通需符合循序:AH、BL一组;AH、CL一组;BH、CL一组;BH、AL一组;CH、AL一组;CH、BL一组

电机控制电路
RB4,RB3,RB2三个单片机管脚分别是控制换流器上管的PWM信号
RB6,RB5,RB4分别是控制换流器下管的PWM信号

74系列数字电路芯片
我们可以看到电路中还有4个74系列数字电路芯片它们是干什么用的呢?
U4(74HC08D)是一个4路与门,当RC2引脚输出低电平时,PWM将无效
U5(74HC04D)是一个反相器,U3(74HC27D)和U2是一个三路与或门,
它们三个共同组成由RB1电平控制总开关的PWM输出和禁止MOS同时导通电路

MOS管驱动电路
数字电路芯片输出的信号并不适合直接导通MOS管,所以需要MOS管驱动电路
6.霍尔传感器电路

霍尔传感器电路
图中的J1接口接的是安装在电机上的霍尔传感器,它用来确定电机转子位置,以控制输出电机驱动PWM信号
关注作者,学习更多电子电路知识,感谢您的阅读!