哈喽,各位朋友好。
今天掌柜来分享一台换屏过程中人为操作失误造成的开机黑屏案例,
故障原因:
机器通过描述为去的时候内屏一半摔裂显示花屏,拆机装屏测机的时候开机有震动,就是不显示,再次更换新屏还是一样。确定主板出问题,由于技术不到位,找人去维修,测了座子阻值正常,回复说有可能CPU烧坏,没办法,随后打电话又联系一家,描述了问题之后发过去维修过显示芯片还是不行,CPU挂了,让换主板,但是顾客说里面资料重要,换主板就没资料了。
至于怎么找到我的,还真有点搞笑。在头条找到我以后要了联系方式,搜索后竟然有我的朋友圈,还天天看我朋友圈,一顿各种相见恨晚呀,哈哈。

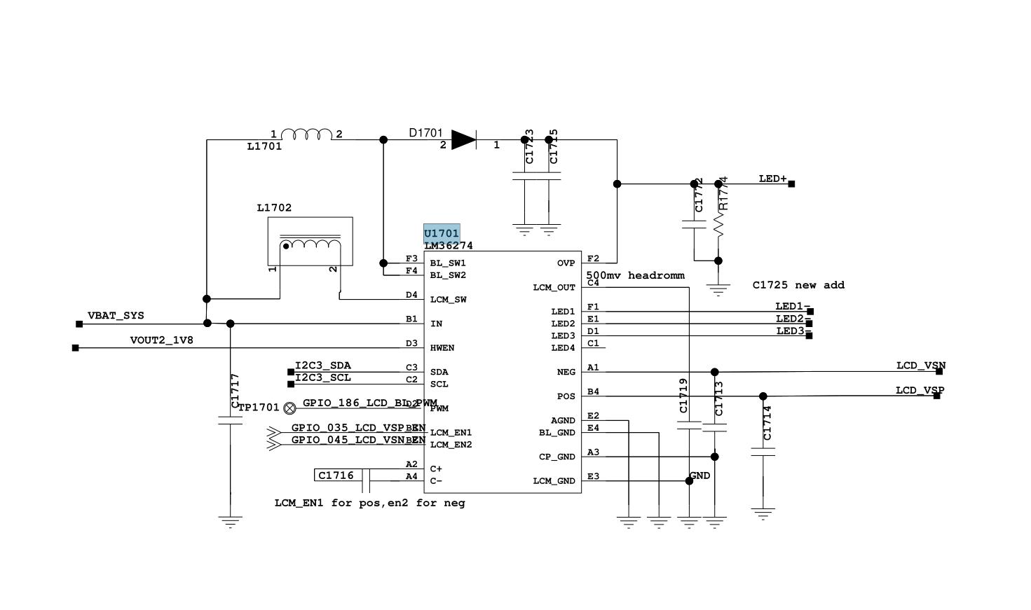
我的维修思路是这样的。既然座子阻值已经测过,显示芯片做过,为了保险我又测了一遍座子阻值,检查了显示芯片,果然正常。这个时候只能说明显示座没有断线。



上一步检查过后重点要检查显示芯片,因为除了CPU以外屏幕能不能显示全靠它了,如果这个芯片自身受控不正常,那就不能正常工作,也就不会显示,对着上面原理图测过主供电正常,然后测到D3脚一个VOUT2_1.8电压没有,随后测了此脚对地阻值为0,这个时候问题来了,赶紧对着原理图又测其它对地阻值,发现I2C3-SDA,I2C3-SCL都没有阻值,断线了,这两条是从CPU出来的控制总线,怀疑摔得机器,是不是CPU虚焊造成的,但是VOUT2-1.8这个是电源出来的,不会那么严重吧,显微镜下仔细观察主板左下角有类似划伤一样,其实这个地方拿到主板第一眼就看见了,当时没在意,然后用刀片刮去保护层惊喜来了,红色箭头所指这里竟然裂开了。深刮后可以看见几条线出来,万用表测了刚好就是显示芯片断线的那几条。


连上刚才刮出来断线位置,原来显示芯片没阻值的点测出数值立马正常。到这里基本已经完工。

装机测试显示正常,完美搞定。
总结:此故障为人为拆机从中框取主板的时候硬物撬坏导致主板断裂,
像这种问题要准确判断CPU好坏第一测阻值,第二测CPU控制信号有没有输出才能确定好坏。
两次检测都说CPU坏的原因估计都是在座子阻值这个环节犯错误了,只想着有阻值别的芯片就没问题,但是没有考虑到显示芯片的自身工作条件正不正常,所以说维修一定要有清晰准确的方向和方法才能迎刃而解遇到的问题。希望今天的这篇维修案例能给各位带来一点思路。
感谢阅读,喜欢掌柜维修案例的请关注掌柜,评论和转发,下期再见。