每日安全5分钟
第044期(总044期)
为促进企业安全工作深入开展,提升安全管理人员整体水平,由《张工说安全》推出“安全5分钟”讲解活动,每日推送2-3个安全知识点,并对知识点说一下个人的理解,供大家交流,希望大家及时阅读学习,日积月累,提高自己!
张工说安全,每天五分钟。
警钟时时响,一刻不放松。、
一、临时用电PE线都有哪些要求?
1. JGJ46-2005:三相四线制线路的N线和PE线截面不小于相线截面的50%,单相线路的零线截面与相线截面相同。
配电箱的电器安装板上必须分设N线端子板和PE线端子板。N线端子板必须与金属电器安装板绝缘;PE线端子板必须与金属电器安装板做电气连接。进出线中的N线必须通过N线端子板连接;PE线必须通过 PE线端子板连接。照明灯具的金属外壳必须与PE线相连接。
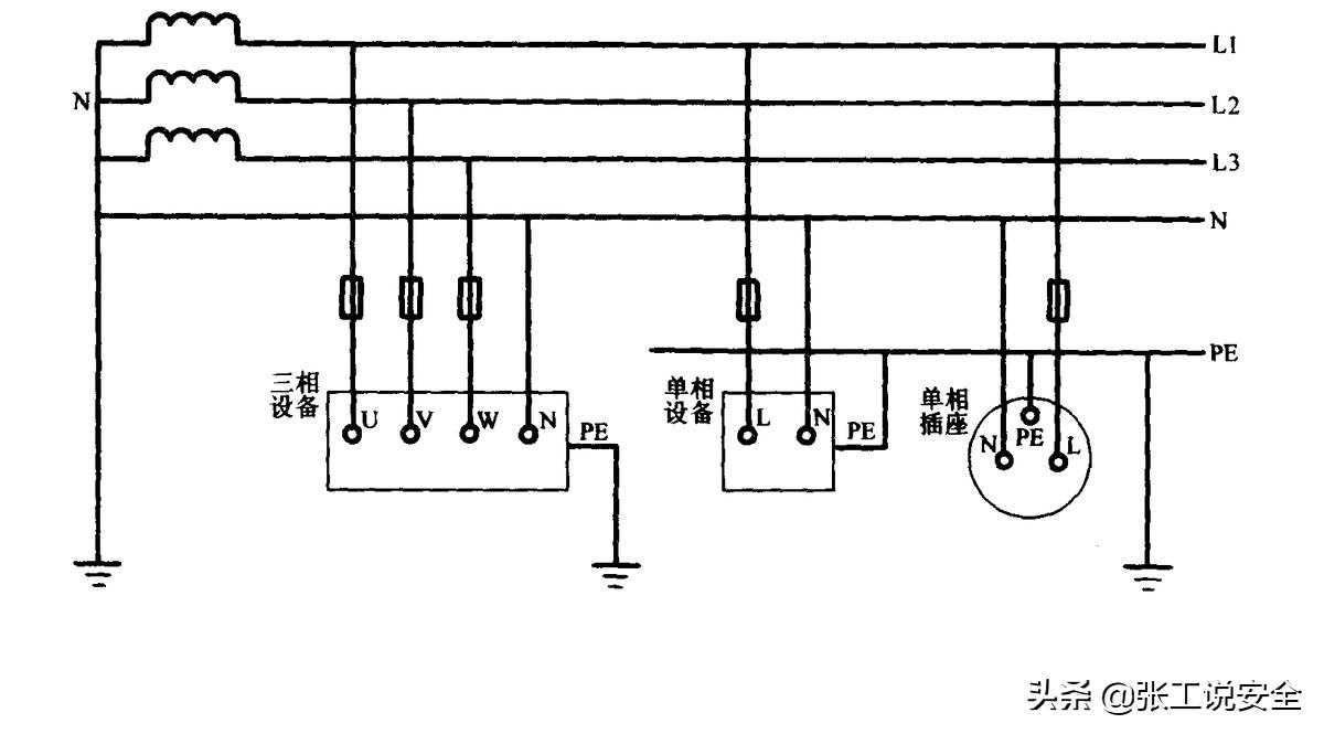
2.两个规范TN-S系统描述图,图一为GB50194-2014的TN-S系统图,图二为JGJ46-2005的TN-S系统图。


【张工说安全】
从部标JGJ46-2005看,除了PE线主干线要有3点接地之外,用电设备的金属外壳只需用PE线(支线)与PE线的主干线相连即可,不需直接与大地(接地极)相连。

在实际施工中,很多用电设备并没有直接与保护零线连接,大部分要求配电箱和用电设备接地,却都没有与保护零线(PE线)连接,这样就成立TT用电系统。TT用电系统的定义是这样的: TT系统的电源中性点直接接地,电气装置外露可导电部分所连接的接地极,不与供电系统的接地极相连接。如下图

