大家都知道对于HiFi烧友来说,HiFi功率放大器是相当关键的一种后级设备,它的好坏最终会影响到,后端扬声器箱的表现。
经常有人私信给我,让我推荐一款HiFi功率放大器,推荐还是算了,我又不是商家。
大家还是先学一下HiFi功放的区别,然后选择哪种类型的功放去适合您的音箱吧!
今天,我就简单说一下,市面上常见的HiFi功放几种结构。
按照电路结构,HiFi功放大致分五四类,甲(Class-A)类功放、纯甲类功放、乙(Class-B)类功放、甲乙(Class-AB)类、数字(D)类功放。

甲类功放驱动板
评价一款功放的性能指标,主要看其输出功率,频率响应,失真度,信噪比,输出阻抗,阻尼系数等等。
前几个很直观,大家都理解。而后面两个指标,有些人比较模糊。
1、输出阻抗是什么?
阐述这项原则之前,先说下为什么顶级的HIFI都是独立的前级和后级?
1、前级:它将输入的音频信号从几毫伏放大都几十或者更高的电压,它的目的就是输出高电压、高输出电阻的音频信号。
一般,前级都是配备小电流的高增益管就可以实现这个目的,所以发热不严重。
2、后级:它是将前级输出的信号放大电流,目的是输出较大电流、低输出电阻的信号去驱动扬声器箱。
因此,后级都是采用一对或者多对的大电流放大管,所以发热都很严重。
这样配备的目的只有一个,提高功放信噪比,减少失直,为什么了?往下看。
因为模拟音频实际是个交流信号,按照P=I^2*Re{Z}=U^2*Re{1/Z},当输出功率是一定的,如果前级输出阻抗非常高的话。到了后级,消耗音频信号的电流就会小。这样对于承担传输信号的神经线而言,要求就会低,保证了信号的质量。

甲类功放后背
所以,功放的输入阻抗是越高越好,而输出阻抗则是越低越好怎么理解了?
还是上面的公式,功率一定时,输出的阻抗越小,那么电流就越大,驱动扬声器箱的能力也就越强。
如此得出一个结论:功放的输入阻抗是越高越好,而输出阻抗则是越低越好。
2、阻尼系数
阻尼系数(Damping Factor),一般用KD值表示。
它指的是功放在音频信号消失后还能够控制扬声器音圈运动的能力,阻尼系数越大越好。但不是绝对,因为这里还涉及到扬声器箱阻抗。
KD值其实就是扬声器箱阻抗与功放实际阻抗的比值。
最低标准:晶体管功放的KD值大于或等于40,电子管功放KD值大于或等于6,而一些HI-END级功率放大器的阻尼系数能够做到在200以上。
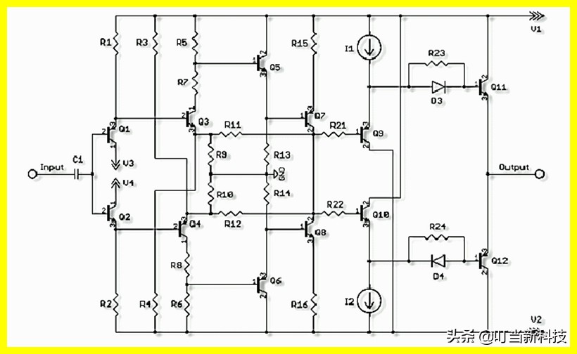
一、甲类(Class-A)功率放大器
为什么叫它甲类功率放大器?甲类这是中国人给它起的名字,它的全称叫Class-A。
甲类功放的电路特点:导通角是 360 度,其工作点Q设定在负载线的中点附近,功率输出管在信号的正、负半周均处于导通状态,全周期都处于导通的工作状态,其内阻是恒定的。

甲类功放
由于放大器工作在特性曲线的线性范围内,每个输出晶体管均参与放大讯号全波,完全不存在交越失真,所以,瞬态失真和交替失真较小,并且电路简单、调试较为方便。
但是,由于功率输出管始终都处于工作状态,所以静态电流相当大,功耗大。所以,即使是顶级的甲类功放,其理论最大工作效率也只有25%。

甲类功放
甲类功放的优点只有一个:控制力强,声音好听。

扬声器的阻抗变化图
因为在不同频率下,扬声器的阻抗实际在发生变化,通过上面的扬声器阻抗曲线图,大家可以看到,扬声器的阻抗随频率变化的情况。
而由于甲类功放的内阻是恒定的,所以在控制音箱方面,尤其是低音部分,它就好了很多!这也是很多人都发现甲类功放即使在小音量环境下,驱动音箱也非常好听的原因。
如果音箱的灵敏度在89dB以上,一般10-20W的纯甲类功放就可满足一般欣赏要求。

A-250
例如,金嗓子(accuphase)纯甲类单声道功率放大器 A-250。

A-250指标
二、纯甲类功放
如果在甲类功放上面,加上正反馈控制电路,使功率输出管始终工作在峰值状态的话,这就是纯甲类功放了。

纯甲类功放
纯甲类功放对元件和工艺的要求非常苛刻,联机调试繁琐而费时。

纯甲类功放
优点:失真更小,失真0.1%是最基本的。
缺点:效率更低、价格更贵。

Pass Labs XA25纯甲类功放
例如,柏思(Pass Labs) XA25立体声纯甲类功放,正常情况下,可以输出2x25W/8欧、2x40W/4欧;也可在2欧负载下输出2x100W A/AB类、阻尼系数为200,峰值电流10A。

Pass Labs XA25纯甲类功放后背
失真: 0.1%/25W /8欧/ 1 KHz;0.1%/50 W/4欧/1 KHz;

XA25纯甲类功放技术指标
输入阻抗: 47 K欧,空闲功耗: 200 W,重量: 21 公斤。
三、乙类功放
在甲类功放中的基础上,人们设计出了新的推挽放大电路。乙类功放的导通角是 180 度,当有讯号时,每对功率输出管各放大一半的波形。如此,两边的功率输出管一开一关就完成了一个全波信号放大,这样效率不就提高了吗?
优点:理论效率可达到78%。

交越失真
缺点:由于因为两边的输出功率管轮换工作,会产生交越失真。
最严重的是,乙类功放在大功率输出时内阻很小,而在小功率输出时内阻会变得非常大,这对HiFi音箱来说,是个很大的弊端!所以在匹配不同阻值的扬声器时,乙类功放电路的工作状态会受到负载(扬声器)大小的影响较大。
由于在HiFi届没人会用它,所有不举例介绍了。
四、甲乙类功放
将上述两种电路综合一下,导通角在 180 度到 360 度的范围内,实现低音量时用甲类电路工作,当大音量,或者瞬态强音时转为乙类电路工作。这就是甲乙类功放的特点。
性能怎么说了?不上不下吧!在HiFi界,很少有人会主动选择甲乙类功放。
但是,我们在市面上看到最多的,就是甲乙类功放。因为甲乙类的设计而能取得更高的输出功率,对低效率的扬声器会有更好的驱动力。

Pass LabsX350.8
举例:柏思(Pass Labs)的甲乙类功放,单声道的X600.8、X260.8,立体声的X350.8、 X250.8、 X150.8。

Pass Labs X系列甲乙类功放技术指标
对比上面的纯甲类功放,它的功率大了很多,但是所有的失真也达到了1%。
五、数字功放D类功放

对比图
严格意义上,数字功放不属于HiFi功放,因为它不具有模拟放大的线性。

数字功放线路图
数字功放的原理是:模拟信号进入数字功放后,首先,要经过PWM电路调制处理,然后形成占空比和输入模拟信号相关的的脉冲信号。这个数字脉冲信号经过开关电路放大,最后再由低通滤波器滤除音频以外的部分,还原出已放大的模拟信号,驱动扬声器工作。
而再完美的数字电路,也做不到模拟信号放大的纯线性,按照“高烧友”来说,听个响。
优点:体积小、效率高、价格便宜。
缺点:音质生硬、听感差是大大的劣势。
但是,虽说在HiFi届数字功放不占有优势,但是在专业功放领域,数字功放则是必然选择。
基本上,这就是目前流行的几款功率放大器的分类了。
好累啊!总算写完了,本文属于HiFi类科普文章,比较浅浮,权当抛砖引玉。
喜欢HiFi的朋友,大家可以关注一下,或者下方留言。