文/钟日铭,《PRO/ENGINEER WILDFIRE 4.0完全实例解析》及相关Creo、AutoCAD、UG图书作者。
6.1 轴、环形槽的应用
轴类零件可以利用旋转工具或拉伸工具来完成,而在本实例中,采用另外一种方式来创建,即主要执行"插入"→"高级"级联菜单中的"轴"命令和"环形槽"命令来创建。本范例所要创建的轴零件如图6-1所示。

图6-1 心轴
知识点:使用旋转工具创建一个基本体,然后使用"插入"→"高级"级联菜单中的"轴"命令来创建各阶梯轴,并使用"插入"→"高级"级联菜单中的"环形槽"命令来创建退刀槽,最后是创建倒角特征、倒圆角特征和螺纹特征。
说明:要想使用"插入"→"高级"级联菜单中的"轴"命令和"环形槽"命令,需要选择菜单"工具"→"选项"命令,在打开的"选项"对话框中,将配置文件选项allow_anatomic_features的值设置为yes。
具体的操作步骤如下:
步骤1:〖新建零件文件〗
1)在工具栏上单击"新建"按钮,弹出"新建"对话框。
2)在"类型"选项组中选择"零件"单选项,在"子类型"选项组中选择"实体"单选项;在"名称"文本框中,输入TSM_6_1;并单击"使用缺省模板"复选项,以取消使用缺省模板。单击"确定"按钮。
3)弹出"新文件选项"对话框。在"模板"选项组中,选择mmns_part_solid选项,单击"确定"按钮,进入零件设计模式。
步骤2:〖以旋转方式创建基本体〗
1)单击"旋转工具"按钮,打开旋转操控板。
2)在旋转操控板上,指定要创建的模型为"实体"。
3)进入"位置"上滑面板,单击"定义"按钮,弹出"草绘"对话框。
4)选择TOP基准平面作为草绘平面,以RIGHT基准平面为"右"方向参照,单击"草绘"按钮,进入草绘模式。
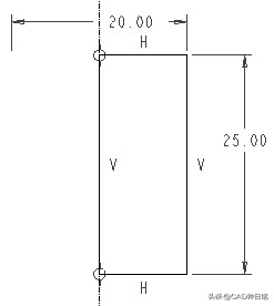
5)绘制如图6-2所示的旋转剖面和旋转中心线。在标注需要的尺寸和修改尺寸后,单击"继续当前部分"按钮。

图6-2 草绘
6)接受默认的旋转角度为360°。
7)在旋转操控板上,单击"完成"按钮。此时按<Ctrl+D>组合键,创建的旋转特征如图6-3所示。

图6-3 创建的旋转特征
步骤3:〖创建轴特征〗
1)从菜单栏中选择"插入"→"高级"→"轴"命令,打开如图6-4所示的"轴:草绘"对话框和菜单管理器。

图6-4 "轴:草绘"对话框和菜单管理器
2)选择"同轴"→"完成"选项。
3)在内部草绘器中,绘制如图6-5所示的剖面,注意:作为旋转轴的中心线为垂直的。单击"继续当前部分"按钮。

图6-5 草绘剖面
4)在模型中选择特征轴A_1。
5)选择用来放置轴特征的端面,如图6-6所示。

图6-6 选择放置面
6)在"轴:草绘"对话框中单击"确定"按钮,完成的轴特征如图6-7所示。

图6-7 创建轴特征
步骤4:〖继续创建轴特征〗
1)从菜单栏中选择"插入"→"高级"→"轴"命令,打开"轴:草绘"对话框和相应的菜单管理器。
2)选择"同轴"→"完成"选项。
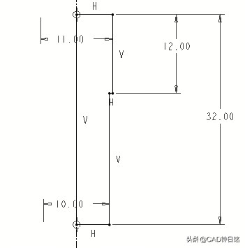
3)在内部草绘器中,绘制如图6-8所示的剖面,单击"继续当前部分"按钮。

图6-8 草绘
4)在模型中选择特征轴A_2或者A_1。
5)选择用来放置轴特征的端面,如图6-9所示。

图6-9 选择用来放置轴特征的端面
6)在"轴:草绘"对话框中单击"确定"按钮,完成的轴特征如图6-10所示。

图6-10 创建阶梯轴
步骤5:〖创建退刀槽〗
1)从菜单栏中选择"插入"→"高级"→"环形槽"命令,打开如图6-11所示的菜单。

图6-11 "选项"菜单
2)选择"360"→"单侧"→"完成"选项。
3)选择TOP基准平面作为草绘平面,从出现的菜单中选择"正向"→"缺省"选项,进入草绘模式。
4)单击"中心线"按钮,绘制一根作为旋转轴的中心线;单击"线"按钮,绘制如图6-12所示的图形。

图6-12 草绘
单击"约束"按钮,从"约束"对话框中选择"创建相同点、图元上的点或共线约束"按钮,将退刀槽的开放端点设置在轮廓边线上,并将左侧的线段约束在轴的阶梯端面上,然后修改尺寸,最后得到的退刀槽剖面如图6-13所示。

图6-13 开放的退刀槽剖面
5)单击"继续当前部分"按钮,完成的退刀槽如图6-14所示。

图6-14 创建退刀槽
步骤6:〖创建倒角特征〗
1)单击"倒角工具"按钮,或者从菜单栏中选择"插入"→"倒角"→"边倒角"命令,打开倒角操控板。
2)在倒角操控板上,选择边倒角标注形式为D×D,输入D值为1.5。
3)选择如图6-15所示的边线。

图6-15 选择边线进行倒角
4)单击"完成"按钮。
5)同样的方法,单击"倒角工具"按钮,选择边倒角标注形式为D×D,输入D值为1,选择如图6-16所示的边线,单击"完成"按钮。

图6-16 选择边线来倒角
步骤7:〖创建倒圆角特征〗
1)单击"倒圆角工具"按钮,或者从菜单栏上选择"插入"→"倒圆角"命令。
2)在倒圆角操控板上,输入圆角半径为1。
3)选择如图6-17所示的边线。

图6-17 倒圆角
4)单击"完成"按钮。
步骤8:〖以螺旋扫描的方式创建外螺纹〗
1)选择菜单"插入"→"螺旋扫描"→"切口"命令。
2)从打开的"属性"菜单中选择"常数"→"穿过轴"→"右手定则"→"完成"选项。
3)选择TOP基准平面作为草绘平面,接着在菜单管理器中选择"正向"→"缺省"选项。
4)绘制如图6-18所示的直线和中心线,该直线被约束与轮廓边线重合。单击"继续当前部分"按钮。

图6-18 草绘
5)输入节距值为1,单击"接受"按钮。
6)绘制如图6-19所示的剖面,单击"继续当前部分"按钮。

图6-19 草绘剖面
7)在菜单管理器中,选择"正向"选项。
8)在如图6-20所示的"切剪:螺旋扫描"对话框中单击"确定"按钮。

图6-20 "切剪:螺旋扫描"对话框
创建的外螺纹如图6-21所示(TOP视角)。

图6-21 创建外螺纹
案例结束。有兴趣的读者,可以对照上述案例,使用Pro/E或Creo参照着上述方法及步骤自行进行上机操练。
作者本人编著有以下关于Proe/Creo的专业图书,有兴趣的可以通过以下京东链接进行购买,谢谢!可以在京东、当当网上进行搜索和购买。多支持一下。
1)Pro/ENGINEER Wildfire5.0从入门到精通(第2版 附光盘):https://item.jd.com/10060297.html
2)Creo 4.0曲面造型设计从入门到精通:https://item.jd.com/12365339.html?dist=jd#crumb-wrap
3)Creo 4.0中文版完全自学手册(第2版):https://item.jd.com/12094477.html?dist=jd#crumb-wrap
4)Creo 4.0钣金件设计从入门到精通 第2版:
https://item.jd.com/12134641.html?dist=jd#crumb-wrap
5)CAD/CAM/CAE工程应用丛书-Creo 3.0从入门到精通:https://item.jd.com/11609360.html?dist=jd
6)Creo 3.0机械设计实例教程:https://item.jd.com/11684833.html?dist=jd
大家对设计和CAD学习及应用什么好的想法和建议,欢迎提出来跟我一起交流。谢谢。欢迎常来我的*今条头日**号看看。