电饭煲也叫电饭锅,它不仅能煮出香甜、可口的米饭,而且可以完成蒸、煮、炖、煨等多种烹饪操作,若配用电饭煲火力调节器,还能扩展电饭煲的用途,例如慢火煲粥、熬汤等。电饭煲的最大特点是煮饭无须人员照料看管,饭熟自动保温,具有操作方便、无污染、清洁卫生、省时省力、安全可靠等优点。
提示 本文主要介绍用万用表检修机械控制型、电脑控制型、模糊控制型三种电饭煲的检修方法。机械控制型电饭煲采用了机械器件控制它加热、保温,电脑控制型电饭煲的控制系统采用了单片机控制电路。而模糊控制型电饭煲是在电脑控制型电饭煲的基础上,采用了模糊控制技术。
机械控制型电饭煲
1.构成
常见的机械控制型电饭煲由内锅、加热盘(电热板)、磁性温控器ST1、开关按键、双金属温控器ST2、插座、外壳等构成,构成示意图和电气原理图如图3-2所示。
(1)磁性温控器
磁钢磁性温控器也叫磁钢限温器,俗称磁钢,主要应用在电饭煲内。它的作用是控制电饭煲煮饭时间的长短。常见的磁性温控器的实物外形如图3-3所示。磁性温控器由感温磁铁、弹簧、永久磁钢、拉杆、内外套等构成,它和开关按键构成的供电控制系统如图3-4所示。
(2)双金属温控器
双金属温控器由双金属片、触点、压簧、瓷米、瓷珠、支架等构成,如图3-5所示。

(a)构成示意图

图3-2 典型机械控制电饭煲构成、电气原理图

图3-3 典型磁性温控器实物示意图

图3-4 磁性温控器、开关按键控制系统示意图
提示 双金属温控器动作的温度点是可以调整的。通过调整它上面的校准螺钉,可以预先改变作用在触点上的压力,从而改变双金属片动作的温度点。
(3)加热盘
加热盘也叫发热盘、电热盘,多采用管状电加热管浇铸铝合金制成,如图3-6所示。
2.工作原理
(1)煮饭
将功能选择开关S拨到煮饭的位置,再按下按键,磁性温控器ST1内的永久磁钢在杠杆的作用下克服动作弹簧推力,上移与感温磁铁吸合,银触点在磷青铜片的作用下闭合,220V市电电压第一路经超温熔断器FU、保温温控器ST2与磁钢温控器ST1的并联电路、加热盘EH、功能选择开关S构成煮饭回路,使EH加热煮饭;第二路经R2、VD2、LED2、R3构成回路使LED2发光;第三路经R1、VD1、LED1、R3、EH、ST2构成回路使LED1发光。当煮饭的温度升至103℃时,饭已煮熟,ST1中感温磁铁的磁性消失,永久磁铁在动作弹簧的作用下复位,通过杠杆将触点断开,不再复位。ST2中的双金属片向上弯曲,使触点释放。加热盘因无供电而停止工作,电饭煲进入保温状态。

图3-5 双金属温控器的构成示意图

图3-6 加热盘的构成示意图
保温期间,当温度低于65℃时,温控器ST2的双金属片向上弯曲,不接触销钉,触点在触点*片簧**的作用下吸合,加热盘加热,当温度达到65℃时双金属片变形下压,通过销钉使触点*片簧**向下弯曲,致使触点释放,加热盘因无供电而停止工作。这样,电饭锅在ST2的控制下,温度保持在65℃,同时使煮饭指示灯LED1时亮时灭,保温指示灯LED2常亮。
(2)蒸炖
蒸炖与煮饭的工作原理基本相同,有几点不同:一是将功能开关拨到蒸炖的位置;二是煮饭指示灯LED1不发光,而蒸炖指示灯(黄色发光管)LED3发光;三是在蒸炖时,市电电压通过二极管VD4构成回路为加热器EH供电,使它进入半功率的加热状态。
3.常见故障检修
(1)不加热且指示灯不亮
不加热且指示灯不亮,说明温度熔断器FU、功能选择开关S异常。该故障检修流程如图3-7所示。
(2)不加热,指示灯亮
不加热,但指示灯亮,说明加热盘异常。断电后,用指针万用表R×10挡或数字万用表100Ω挡检查加热盘EH的阻值,若阻值为无穷大,说明开路,需要更换。
(3)不能蒸炖

图3-7 不加热且指示灯不亮故障检修流程
不能蒸炖的故障原因多是半波整流管VD4异常,用数字万用表的二极管挡测量其正、反向电阻,若阻值均为无穷大,说明该整流管已击穿开路,更换即可排除故障。
(4)保温功能失效
保温功能失效故障的故障原因主要是保温温控器ST2异常。修复或更换即可排除故障。
(5)加热正常,指示灯不亮
加热正常,说明电饭锅工作基本正常,保温指示灯不亮说明指示灯电路中的电阻R2异常。由于保温指示灯工作时间长,R2的功耗较大,原电阻功率较小,所以容易损坏。维修时,应更换功率为2W的20㏀电阻。
(6)做饭不熟或夹生
做饭不熟或夹生故障的主要原因一是磁钢温控器内的磁铁性能下降;二是加热盘或内锅变形。检查加热盘、内锅正常后,更换磁钢即可;加热盘变形通常需要更换,而内锅变形,只要校正即可。

图3-8 典型电脑控制电饭煲构成示意图
电脑控制型电饭煲
1.构成
常见的电脑控制型电饭煲与机械控制型电饭煲相比,就是取消了磁性温控器ST1、开关按键S、双金属温控器ST2等机械控制器件,而增加了控制电路、温度传感器、操作电路,如图3-8所示。
提示 由于采用了电脑控制方式,所以此类电饭煲具有热效率高、保温性能好等优点,但也存在成本高、维修难度大等缺点。
2.美的MB-YC50A型电饭煲
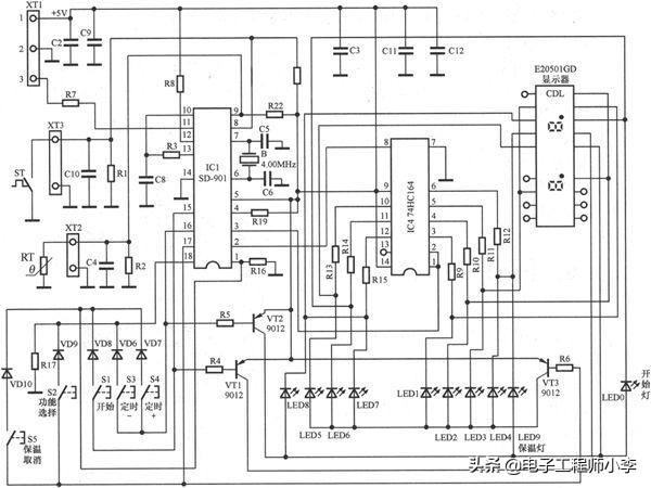
美的MB-YC50A型电饭煲的电路由电源电路和控制电路两大部分构成。其中,电源电路由变压器、三端稳压器IC2为核心构成,如图3-9所示,而控制电路以微处理器SD-901为核心构成,如图3-10所示。

图3-9 美的MB-YC50A型电饭煲电源电路

图3-10 美的MB-YC50A型电饭煲控制电路
(1)工作原理
1)电源电路
如图3-9所示,220V市电电压经C0滤波,再经电源变压器T降压产生9V左右的(与市电高低有关)交流电压,该电压经VD2~VD5构成的整流堆进行整流,通过C1、C7滤波产生9V直流电压。该电压分为两路输出:一路为继电器K1供电;另一路经三端稳压器IC2(7805)稳压产生5V直流电压,经连接器XT1的[1]脚为微处理器电路供电。
市电输入回路的RV是压敏电阻,它的作用是防止市电电压过高损坏变压器T等器件。市电电压升高时,RV击穿,使输入回路的熔断器熔断(图中未画出),实现市电过压保护。
2)微处理器基本工作条件电路
如图3-10所示,该机的微处理器基本工作条件电路由供电电路、复位电路和时钟振荡电路构成。
5V供电:插好电饭锅的电源线,待电源电路工作后,由IC2输出的5V电压经电容C3、C2、C9、C11、C12滤波后,加到微处理器IC1(SD-901)的供电端[5]脚,为IC1供电。
复位电路:开机瞬间IC1的[13]脚输出的电压通过R3对C8充电,在C8两端建立一个由0V逐渐升高到5V的电压,为IC1的复位信号端[10]脚输入低电平复位信号期间,IC1内的存储器、寄存器等电路开始复位,当IC1的[10]脚输入高电平电压使IC1复位结束后开始正常工作。
时钟振荡:微处理器IC1得到供电后,它内部的振荡器与[6]、[7]脚外接的晶振B和移相电容C5、C6通过振荡产生4MHz的时钟信号。该信号经分频后协调各部位的工作,并作为IC1输出各种控制信号的基准脉冲源。IC1的引脚电压数据如表3-1所示。

表3-1 微处理器IC1引脚电压值
3)控制电路
当按下煮饭功能选择键S2后,[18]脚的电压发生安全从低到高的变化,微处理器IC1检测后对其进行编码,由IC1[3]脚输出八位煮饭、定时的串行数据信号,从[2]脚输出时钟信号。数据该信号加到八位移位寄存器IC4(74HC164)的[1]、[2]脚,时钟信号加到IC4的[8]脚,从而实现8位输出信号的传递。每组8位信号传递完毕时,会依次在集成电路IC4的[3]~[6]、[10]~[12]脚输出相应的低电平位选信号,使煮饭指示灯LED1、快煮指示灯LED2、2h煮汤指示灯LED3、3h煮汤指示灯LED4、1h蒸炖指示灯LED5、45min煮稀饭指示灯LED6、1h煮粥指示灯LED7、2h煮粥指示灯LED8、保温指示灯LED9、开始指示灯LED0中相应的灯点亮。同时,所设置的定时时间在CDL显示器上显示出来。由于各个功能控制过程相同,下面以煮饭控制为例进行介绍。
在选择好煮饭方式或定时时间后,按下开始键S1,被微处理器IC1识别后,控制开始指示灯LED0发光,表明电饭锅进入煮饭状态,同时从[10]脚输出高电平信号。该信号经R7限流,再经连接器XT1的[3]脚加热电源板,使放大管VT1导通,为继电器K1的线圈提供驱动限流,于是K1内的常开触点K1-1闭合,接通加热盘EH的供电回路,EH发热,开始煮饭。当煮饭的温度升至103℃左右时,负温度系数热敏电阻RT的阻值减小,使IC1的[9]脚电位下降到设置值,IC1将[9]脚输入的电压与内部存储的温度/电压数据比较后,判断饭已煮熟,使[11]脚输出低电平信号,VT1截止,继电器K1内的触点K1-1释放,加热盘EH停止加热。若米饭未被食用,则进入保温状态。保温期间,电饭锅在RT、IC1、VT1、K1的控制下,温度保持在65℃左右,同时保温指示灯LED9发光。
4)防干烧保护电路
为了防止干烧导致加热盘、内锅等部件损坏,该电饭锅设置了防干烧保护电路。
在内锅没有加水或水已烧干的状况下,温度超过103℃时,防干烧温控器ST立即动作接地,此时微处理器IC1的[8]脚电位变为低电平,其内部检测电路动作,使其[11]脚输出低电平,三极管VT1截止,继电器K1内的常开触点K1-1断开,加热盘EH停止加热,实现防干烧保护。
(2)常见故障检修
1)不加热且指示灯不亮故障
不加热且指示灯不亮,说明微处理器未工作。而微处理器未工作的一个原因是自身电路异常;另一个原因是电源电路未工作。该故障检修流程如图3-11所示。

图3-11 不加热且指示灯不亮故障检修流程
2)煮饭时显示正常,但不加热故障
煮饭时显示正常,但不加热,说明加热盘或其供电电路异常。该故障的主要原因有:一是微处理器IC1损坏;二是继电器K1及其驱动电路异常;三是加热盘EH开路等。该故障检修流程如图3-12所示。
3)操作、显示都正常,但米饭煮糊故障
操作、显示都正常,但米饭煮糊说明煮饭时间过长,导致温度过高所致。该故障的主要原因有:一是继电器K1常开触点K1-1粘死;二是放大管VT1的c、e极击穿短路;三是XT2或热敏电阻RT损坏;四是微处理器IC1异常。该故障检修流程如图3-13所示。

图3-12 煮饭时显示正常,但不加热故障检修流程

图3-13 操作、显示正常,但米饭煮糊故障检修流程
4)操作、显示都正常,但米饭不熟故障
操作、显示都正常,但米饭不熟说明煮饭时间不足,导致加热温度过低所致。该故障的主要原因有:一是放大管VT1的热稳定性能差;二是热敏电阻RT损坏、滤波电容C4漏电或R2阻值增大;三是温控器ST异常。该故障检修流程如图3-14所示。

图3-14 操作、显示正常,但米饭不熟故障检修流程
5)按某功能键无效故障
按某功能键无效的故障多是该功能键开关接触不良所致。拆出电脑控制板,用万用表的R×1挡测量该开关的同时,按压该开关,看阻值能否在0与无穷大间变化,若不能,说明该开关损坏,更换即可排除故障。
3.南极星CFX840-B70T型电饭煲
南极星CFX840-B70T型电饭煲的电路由电源电路和控制电路两大部分构成。其中,电源电路以变压器T、三端稳压器U6为核心构成,如图3-15所示,而控制电路以微处理器U1为核心构成,如图3-16所示。

图3-15 南极星CFX840-B70T型电饭煲电源电路
(1)工作原理
1)电源电路
如图3-15所示,220V市电电压经熔断器FU和锅底开关K加到电源变压器T的初级绕组上,通过T降压,它的次级绕组输出12V左右的(与市电高低有关)交流电压。该电压经D2~D5进行桥式整流,再通过C1、C8滤波产生12V直流电压。该电压分为两路输出:一路为继电器J供电;另一路经三端稳压器U6(L7805)稳压产生5V直流电压,经C2、C10滤波后,再经连接器CZ2的[4]脚为微处理器电路供电。

图3-16 南极星CFX840-B70T型电饭锅控制电路
2)微处理器基本工作条件电路
如图3-16所示,该机的微处理器基本工作条件电路由供电电路、复位电路和时钟振荡电路构成。
5V供电:插好电饭煲的电源线,待电源电路工作后,由其输出的5V电压经电容C3、C9滤波后,加到微处理器U1的供电端[5]脚,为U1供电。
复位电路:开机瞬间U1的[13]脚输出的电压通过R8对C5充电,在C5两端建立一个由0V逐渐升高到5V的电压,当U1的复位信号端[10]脚输入低电平复位信号期间,U1内的存储器、寄存器等电路开始复位,当U1的[10]脚输入高电平电压,使U1复位结束后微处理器开始正常工作。
时钟振荡:微处理器U1得到供电后,它内部的振荡器与[6]、[7]脚外接的晶振X和移相电容C6、C7通过振荡产生4MHz的时钟信号。该信号经分频后协调各部位的工作,并作为U1输出各种控制信号的基准脉冲源。U1在保温状态下的引脚电压数据如表3-2所示。

表3-2 微处理器U1引脚电压值
3)控制电路
当按下煮饭功能选择键SFUNC后,此输入信号被微处理器U1检测到后对其进行编码,由U1输出串行数据信号、时钟信号,经八位移位寄存器U2处理后,U2依次输出相应的低电平位选信号,使烧饭指示灯、保温指示灯、计时指示灯、快速指示灯中相应的灯点亮。由于各个功能控制过程相同,下面以煮饭控制为例进行介绍。
在选择好煮饭方式或定时时间后,按下开始/停止键START,此输入信号被微处理器U1识别后,控制煮饭指示灯发光,表明电饭煲进入煮饭状态,同时从[12]脚输出高电平信号。该信号经连接器CZ2的[2]脚进入电源电路板,再经R5限流,使放大管N4导通,为继电器J的线圈提供驱动电流,于是J内的常开触点J-1闭合,加热器得到供电后发热,开始煮饭。当煮饭的温度升至103℃左右时,负温度系数热敏电阻RT的阻值减小到需要值,通过CZ2的[5]脚使U1的[8]脚电位下降到设置值。U1将[8]脚输入的电压与内部存储的温度/电压数据比较后,判断饭已煮熟,便使[12]脚输出低电平信号,N4截止,继电器J内的触点释放。若米饭未被食用,则进入保温状态。保温期间,电饭煲在RT、U1、N4、J的控制下,温度保持在65℃左右,同时保温指示灯发光。
(2)常见故障检修
1)不加热且指示灯不亮故障
不加热且指示灯不亮,说明微处理器未工作。而微处理器未工作的一个原因是自身电路异常;另一个原因是电源电路未工作。该故障检修流程如图3-17所示。

图3-17 不加热且指示灯不亮故障检修流程
2)煮饭时显示正常,但不加热故障
煮饭时显示正常,但不加热,说明加热器或其供电电路异常。该故障的主要原因有:一是微处理器U1损坏;二是继电器J及其驱动电路异常;三是加热器开路等。该故障检修流程如图3-18所示。

图3-18 煮饭时显示正常,但不加热故障检修流程
3)操作、显示都正常,但米饭煮糊故障
操作、显示都正常,但米饭煮糊说明煮饭时间过长,导致温度过高所致。该故障的主要原因有:一是继电器J常开触点J-1粘死;二是放大管N4的c、e极击穿短路;三是CZ2或热敏电阻RT损坏;四是微处理器U1异常。该故障检修流程如图3-19所示。

图3-19 操作、显示正常,但米饭煮糊故障检修流程
4)能煮饭,但米饭不熟故障
能煮饭,但米饭不熟说明煮饭时间不足,导致加热温度过低所致。该故障的主要原因有:一是放大管N4的热稳定性能差;二是热敏电阻RT损坏或R7阻值增大;三是微处理器U1异常;四是继电器J异常;五是加热器异常。该故障检修流程如图3-20所示。

图3-20 能煮饭,但米饭不熟故障检修流程
5)按某功能键无效故障
按某功能键无效的故障多是该功能键开关接触不良所致。拆出电脑控制板,用万用表的R×1挡测量该开关的同时,按压该开关,看阻值能否在0与无穷大间变化,若不能,说明该开关异常,更换即可排除故障。
模糊控制型电饭煲
1.特点
模糊控制电饭煲采用已固化程序的微处理器,通过双重温度传感器检测和模糊逻辑控制,能统筹控制煮饭时的吸水、加热、沸腾、焖饭、二次加热、保温等过程,并相应控制煮饭的功率、时间和温度,可以煮出色、香、味、质俱佳的米饭,而且可以完成容易溢锅的煮粥、煲汤、蒸炖、煮奶等工作。经该电饭煲做出的食物不仅可以确保食物中的维生素、蛋白质、微量元素,以及营养成份不被氧化而流失,比普通电饭煲的营养保存率高出20%,而且可以保证食物颗粒完整饱满、柔软、香滑有弹性,营养更丰富。
模糊控制电饭煲的结构与传统电饭煲基本相同,也是由外壳、外锅、内锅、盖板、面盖、加热盘、温度传感器、控制面板、电脑板等部件组成。此类电饭煲一般在锅底和锅盖上设置了两个传感器,其中锅底传感器检测水温及内锅的温度变化率等,锅盖传感器则用于检测室内温度和水蒸气的温度,可以判别出电饭锅煮饭时所处的工序阶段,尤其可有效判别在焖饭工序中米饭的温度。
2.三源模糊控制型电饭煲
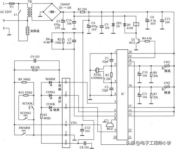
三源模糊控制电饭煲的电路由电源电路和控制电路两大部分构成,如图3-21所示。
(1)工作原理
1)电源电路
如图3-21所示,220V市电电压经熔断器FU输入到电源电路,再经电源变压器TB降压,从它的次级绕组输出12V左右的(与市电高低有关)交流电压。该电压经D1~D4进行桥式整流,再通过C3、C14滤波产生12V直流电压。该电压分为两路输出:一路为继电器J供电;另一路经R1限流,再经5V稳压管ZD1稳压产生5V直流电压,经C6、C13滤波后,为微处理器电路供电。
2)微处理器基本工作条件电路
如图3-21所示,该机的微处理器基本工作条件电路由供电电路、复位电路和时钟振荡电路构成。
5V供电:插好电饭锅的电源线,待电源电路工作后,由其输出的5V电压经电容滤波后,加到微处理器IC的供电端[13]~[15]、[20]脚,为IC供电。
复位电路:5V电压通过R2对IC的[7]脚外接电容(图中未画出)充电,充电过程当IC的复位信号端[7]脚输入低电平复位信号期间,IC内的存储器、寄存器等电路开始复位,当IC的[7]脚输入高电平电压,使IC复位结束后微处理器开始正常工作。
时钟振荡:微处理器IC得到供电后,它内部的振荡器与[2]、[3]脚外接的晶振XTAL和移相电容C1、C2通过振荡产生4MHz的时钟信号。该信号经分频后协调IC各部位的工作,并作为IC输出各种控制信号的基准脉冲源。IC在保温状态下的引脚电压数据如 表3-3所示。

图3-21 三源模糊控制型电饭锅电路图

表3-3 微处理器IC引脚电压值
3)控制电路
由于各个功能控制过程相同,下面以煮饭控制为例进行介绍。
当锅内放入米和水后,在未加热时,负温度系数热敏电阻CN2、CN3的阻值较大,使IC的[16]、[17]脚输入的电压较低,IC判断锅内温度低,并且无水蒸气,此时按下煮饭/蒸炖键SCOOK,IC的[5]脚电压发生变化,该变化被微处理器IC识别后,IC控制烧煮指示灯发光,表明电饭煲进入煮饭状态,同时从[19]脚输出高电平信号。该信号经R4限流,使放大管Q1导通,为继电器J的线圈提供驱动电流,于是J内的常开触点吸合,加热盘得到供电后发热,开始煮饭。当锅内的水温达到35℃左右时,IC的[19]脚输出低电平控制信号,使继电器J内的触点释放,电饭煲进入大米吸水保温状态,锅内的水温随着大米吸水而逐渐下降,降到设定值后,温度值被IC检测后判断大米吸水时间到,则控制[19]脚再次输出高电平信号,使加热盘再次进入加热状态。当水温达到100℃,传感器CN2的阻值减小,IC的[19]脚周期性输出高电平、低电平控制信号,使水维持沸腾状态。经过20min左右的保沸时间后,IC的[19]脚输出低电平,使加热盘停止加热,电饭煲进入焖饭状态。进入焖饭状态后,米饭基本煮熟,但米粒上会残留一些水分,尤其是顶层的米饭更严重。因此,在焖饭达到一定时间后,IC的[19]脚再次输出高电平信号,使加热盘加热,使多余的水分蒸发;随着水分的蒸发,锅盖的温度升高,被传感器CN2检测后,其阻值大幅度减小,[6]脚电压升高,此变化被IC检测后,判断饭已煮熟,使[19]脚输出低电平信号,煮饭结束,同时控制煮好指示灯发光,提醒用户米饭可以食用。若米饭未被食用,则进入保温状态。保温期间,电饭锅在CN3、IC、Q1、J的控制下,温度保持在65℃左右,同时控制保温指示灯发光。
(2)常见故障检修
1)不加热且指示灯不亮故障
不加热且指示灯不亮,说明微处理器未工作。而微处理器未工作一个原因是自身电路异常;另一个原因是电源电路未工作。该故障检修流程如图3-22所示。

图3-22 不加热且指示灯不亮故障检修流程
2)煮饭时显示正常,但不加热故障
煮饭时显示正常,但不加热,说明加热盘或其供电电路异常。该故障的主要原因有:一是微处理器IC损坏;二是继电器J及其驱动电路异常;三是加热盘开路等;四是热敏电阻CN2、CN3开路或电容C10、C11击穿。该故障检修流程如图3-23所示。

图3-23 煮饭时显示正常,但不加热故障检修流程
3)操作、显示都正常,但米饭煮糊故障
操作、显示都正常,但米饭煮糊说明煮饭时间过长,导致温度过高所致。该故障的主要原因有:一是继电器J常开触点粘连;二是放大管Q1的c、e极击穿短路;三是热敏电阻CN2、CN3或电容C10、C11损坏;四是微处理器IC异常。该故障检修流程如图3-24所示。

图3-24 操作、显示正常,但米饭煮糊故障检修流程
4)能煮饭,但米饭不熟故障
能煮饭,但米饭不熟,说明煮饭时间不足,导致加热温度过低所致。该故障的主要原因有:一是放大管Q1的热稳定性能差;二是热敏电阻CN2、CN3异常或R6、R7阻值增大;三是微处理器IC异常。该故障检修流程如图3-25所示。

图3-25 能煮饭,但米饭不熟故障检修流程
3.美的MB-YCB系列模糊控制型电饭煲
美的MB-YCB系列电饭煲有MB-YCB30B、MB-YCB40B、MB-YCB50B三种型号,它们的电路构成相同,都是由电源电路和控制电路两大部分构成,如图3-26、图3-27所示。

图3-26 美的MB-YCB系列模糊控制型电饭煲电源电路

图3-27 美的MB-YCB系列模糊控制型电饭煲控制电路
(1)工作原理
1)电源电路
如图3-26所示,220V市电电压经熔断器Ft输入到电源电路,再经C1滤波后,加到电源变压器T的初级绕组,从它的次级绕组输出9V左右的(与市电高低有关)交流电压,该电压经D1~D4构成的整流堆进行整流,通过C2、C3滤波产生12V左右的直流电压。该电压分为两路输出:一路为继电器K的线圈供电;另一路经三端稳压器U1(7805)稳压产生5V直流电压,经连接器CN2的[4]脚为微处理器电路供电。
市电输入回路的ZNR是压敏电阻,它的作用是防止市电电压过高损坏变压器T等器件。市电升高时,ZNR击穿,使熔断器Ft熔断,切断市电输入回路,实现市电过压保护。
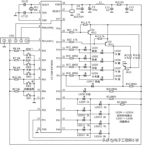
2)微处理器电路
如图3-27所示,该机的控制电路是以微处理器TMP87P809N为核心构成的。TMP87P809N的引脚功能和引脚维修参考数据如表3-4所示。

表3-4 微处理器TMP87P809N的引脚功能和维修参考数据
5V供电:插好电饭锅的电源线,待电源电路工作后,由其输出的5V电压经R25限流,再经C12、L1、C4、C8组成的π型滤波器滤波后,加到微处理器U2(TMP87P809N)供电端[28]脚,为它供电。
复位电路:该复位信号由专用复位芯片U3(KIA7039)提供的。开机瞬间,由于电源在滤波电容的作用下是逐渐升高到5V的,当该电压低于设置值时(多为3.6V),U3的输出端输出一个低电平的复位信号。该信号加到U2的[27]脚,U2内的存储器、寄存器等电路清零复位。随着电源电压不断升高,U3输出高电平信号,加到U2的[27]脚后,U2内部电路复位结束,开始工作。
时钟振荡:微处理器U2得到供电后,它内部的振荡器与[1]、[2]脚外接的晶振XL1和移相电容C6、C7通过振荡产生4MHz的时钟信号。该信号经分频后协调各部位的工作,并作为U2输出各种控制信号的基准脉冲源。
3)加热控制电路
由于各个功能控制过程相同,下面以煮饭控制为例进行介绍。
当锅内放入米和水后,在未加热时,负温度系数热敏电阻Rt1、Rt2的阻值较大,为U2的[4]、[5]脚输入的电压较低,U2判断锅内温度低,并且无水蒸气,此时通过功能键选择煮饭功能,并按下开始键,在[8]脚输入低电平,此信号被微处理器U2识别后,U2控制快煮和开始指示灯发光,表明电饭煲进入煮饭状态,同时从[26]脚输出高电平信号。该信号经连接器CN2的[3]脚输入到电源电路,再经R1限流,使放大管Q1导通,为继电器K的线圈提供驱动电流,于是K内的常开触点吸合,加热盘得到供电,开始为锅加热。当水温达到100℃时,传感器Rt1的阻值减小,使U1的[5]脚输入的电压增大,此信号变化被U2识别后控制它的[26]脚周期性输出高电平、低电平控制信号,使水维持沸腾状态。经过20min左右的保沸时间后,U2的[26]脚输出低电平,使加热盘停止加热,电饭煲进入焖饭状态。进入焖饭状态后,米饭基本煮熟,但米粒上会残留一些水分,尤其是顶层的米饭更严重。因此,在焖饭达到一定时间后,U2的[26]脚再次输出高电平信号,使加热盘开始加热,使多余的水分进行蒸发;随着水分的蒸发,锅盖的温度升高,使传感器Rt2的阻值大幅度减小,为U2的[4]脚提供的电压增大,该电压变化被U2检测后,判断饭已煮熟,使[26]脚输出低电平信号,煮饭结束,同时控制煮饭指示灯熄灭,提醒用户米饭可以食用。若米饭未被食用,则进入保温状态。保温期间,U2控制保温指示灯LED17发光,表明该机进入保温状态,同时加热盘在Rt1、U2、Q1、K的控制下,温度保持在65℃左右。
(2)常见故障检修
1)不加热且指示灯不亮故障
不加热且指示灯不亮,说明微处理器未工作。而微处理器未工作一个原因是自身电路异常;另一个原因是电源电路未工作。该故障检修流程如图3-28所示。
2)煮饭时显示正常,但不加热故障
煮饭时显示正常,但不加热,说明加热盘或其供电电路异常。该故障的主要原因有:一是微处理器U2损坏;二是继电器K及其驱动电路异常;三是加热盘开路等;四是热敏电阻Rt1、Rt2或连接器CN2开路。该故障检修流程如图3-29所示。
3)操作、显示都正常,但米饭煮糊故障
操作、显示都正常,但米饭煮糊说明煮饭时间过长,导致温度过高所致。该故障的主要原因有:一是继电器K的触点粘连;二是放大管Q1的c、e极击穿短路;三是温度传感器Rt1、Rt2损坏;四是微处理器U2异常。该故障检修流程如图3-30所示。

图3-28 不加热且指示灯不亮故障检修流程

图3-29 煮饭时显示正常,但不加热故障检修流程
4)能煮饭,但米饭不熟故障
能煮饭,但米饭不熟,说明煮饭时间不足,导致加热温度过低所致。该故障的主要原因有:一是放大管Q1的热稳定性能差;二是温度传感器Rt1、Rt2或R4、R5阻值增大;三是微处理器U2异常。该故障检修流程如图3-31所示。

图3-30 操作、显示正常,但米饭煮糊故障检修流程

图3-31 能煮饭,但米饭不熟故障检修流程
提示 R4、R5在图3-26中,它们是Rt2、Rt1的分压电阻。
4.TCL TB-YD30A模糊控制型电饭煲
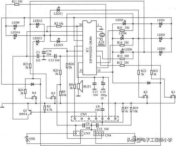
TCL TB-YD30A型电饭煲由电源电路和控制电路两部分组成。控制电路由微处理器IC1(S3F9454XZZ-DKB4)、晶振X1、锅底温度传感器(连接器CN3所接的热敏电阻)、锅盖温度检测传感器(连接器CN4所接的热敏电阻)、操作键等构成,如图3-32所示。电源电路由变压器T1、5V稳压器U1、继电器RELAY为核心构成,如图3-33所示。
该机与前面介绍的两种模糊控制型电饭煲的工作原理和检修方法基本相同,不再介绍。

图3-32 TCL TB-YD30A模糊控制型电饭煲控制电路
LED1:快煮 LED2:蒸煮 LED3:标准 LED4:1小时粥/汤 LED5:精煮 LED6:3小时粥/汤LED9~LED14:为定时时间显示 K1:保温/关 K2:功能选择 K3:预约定时 K4:开始

图3-33 TCL TB-YD30A模糊控制型电饭煲电源电路
做付费圈子,每天都需要耗费大量的精力,但是现在只需10块钱,即可终身免费享受海量资源,持续更新。由于目前加入的人比较多,后面会有不同程度的涨价,希望大家不要错过了!一个属于电子工程师的付费圈子! 「链接」