启动系统电路的组成
现代汽车均采用电力启动方式,即用电动机带动发动机转动,实现发动机的启动。启动系统由起动机、启动继电器、启动开关及启动保护装置组成,如下图所示。启动系统电路一般有起动机的主电路和控制起动机线路通断的控制电路。

有些车型已实现了对启动系统的电脑控制,由电脑对车辆状态进行监测,判断是否允许启动。监测状态一般有以下几种。

启动系统电路识读示例
下面以通用君威、丰田卡罗拉、本田雅阁启动控制电路为例进行讲解。
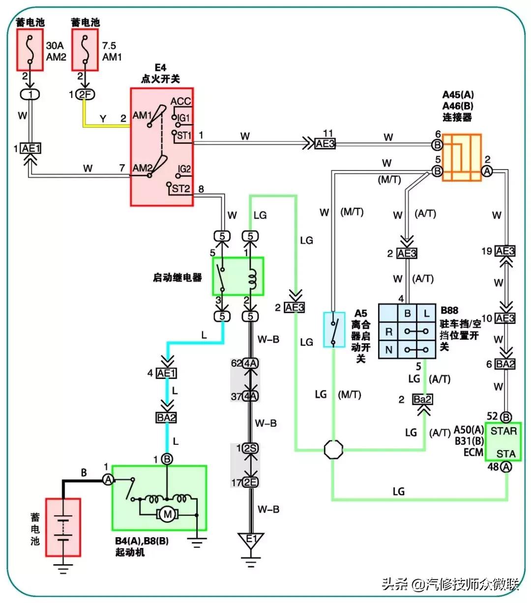
1.通用汽车的启动控制电路
通用别克君威2.5L(LB8)和3.0L(LW9)启动电路 ▼


2.丰田卡罗拉启动电路
丰田卡罗拉启动系统(不带只能上车和启动系统) ▼



3.本田汽车的启动控制电路
本田雅阁K20A7/K20A8/K24A4启动系统电路 ▼



启动系电路检测
检测时使用万用表,采用逐点搭铁检测法可确认断路部位,采用依次拆断检测可确诊短路搭铁部位。检测顺序可从前向后,也可从后向前,或从中间向两边依次选择各个节点进行,主要分两个线路的检测。
