一辆行驶里程约11.5万km、配置1.6L LDE发动机及D16手动变速器的2013年雪佛兰科鲁兹轿车。用户反映:该车行李箱不能关闭。
故障诊断:首先确认故障现象,行李箱确实不能关闭,经检查发现是行李箱锁块处于常开位置。用一字改锥别动锁钩,再关闭行李箱,行李箱能锁上。这时再用行李箱盖上的车外解锁开关开行李箱,发现行李箱锁电机不动作,行李箱盖打不开。经过反复验证,多数情况下是行李箱锁电机不动作,行李箱盖打不开,有时行李箱锁电机也动作一下,但还是打不开行李箱。偶尔也有一次能将行李箱锁成功解锁并打开了行李箱盖。尝试用遥控器解锁行李箱,一次也没有成功过。但用遥控器能正常解锁和上锁四个车门和油箱加油口盖。
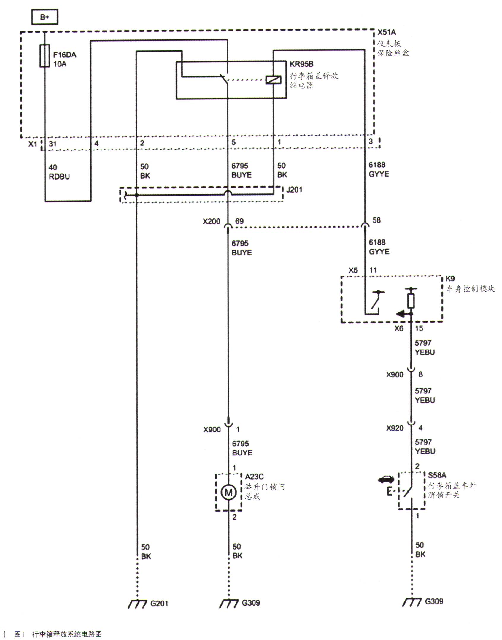
在科鲁兹车维修实践中,由于洗车等原因使行李箱盖上的车外解锁开关进水进而导致不能手动开启行李箱的情况较为常见。更换行李箱盖车外解锁开关试验,故障依旧。图1所示为科鲁兹的行李箱释放系统电路图,从图中可知当按动车行李箱车外解锁开关时,开关触点闭合,使车身控制模块的X6/15脚置低电位,车身控制模块的X5/11脚输出电压,行李箱盖释放继电器工作,向行李箱锁电机供电,行李箱解锁。在点火开关关闭的状态下,断开车身控制模块的X5连接器,从蓄电池处直接引来电源向X5/11脚供电,经过多次试验,均能解锁行李箱,且解锁后行李箱锁并不处于常开状态,能再次关闭行李箱。由此看来问题和行李箱锁、行李箱释放线路、行李箱车外解锁开关均无关。剩下就只有车身控制模块了,但在怀疑车身控制模块之前,需对其供电和搭铁做一个仔细的测量,同时也应检查一下车身控制模块控制的其他功能是否正常。经测量,供电和搭铁均正常。检查车身控制模块的其他控制功能时发现踩制动踏板时两制动灯不亮(只有高位制动灯点亮,其中一制动灯灯泡灯丝熔断),向上扳动转向柱右侧多功能开关时雨刮喷水电机不动作(雨刮能正常工作)。更换两个全新的制动灯泡,踩制动踏板还是不能点亮,直接向雨刮喷水电机供电,电机能正常工作。考虑到这三个故障部位的线路一起出问题的可能性极小,更加坚定了是车身控制模块损坏导致的。经检查,是车身控制模块电路板上的一个英飞凌芯片和一个三极管烧坏,更换后故障排除,如图2所示。


故障总结:需要强调的是在更换车身控制模块时一定要同时更换两个制动灯泡。在此后的维修中又遇到过几例类似故障,均是有制动灯泡断丝,车身控制模块三极管和芯片损坏。经过总结,在别克英朗(2009-2014年)和雪佛兰科鲁兹(2009-2014年)车型中若是有以下几方面故障同时存在,可直接判断为车身控制模块损坏:
踩下制动踏板两制动灯不亮(灯泡可能有断丝的,也可能两个都完好),但高位制动灯能正常点亮;
操作前风挡喷水开关,雨刮器能正常动作但喷水电机不工作,且不是喷水电机和其线路故障导致;
点烟器不能正常使用;
后备箱锁电机停留在某个位置不能动作致使后备箱不能关闭上锁;
若是自动挡车型,可能还伴有摘不下P挡或拔不下点火钥匙。
一般上述前三个故障会同时出现,损坏部位有时是一个英飞凌芯片损坏,有时是两个(另一个是图2圆圈下方那个),而三极管损坏从2个到8个不等,所以最后表现出来的故障也不尽相同。这也许是科鲁兹车身控制单元设计的薄弱环节。后来通过售后加装尾灯跨接线束也可避免车身控制单元损坏。判断为车身控制单元损坏不用更换总成(需要编程配置与设定,比较烦琐),可自己或找汽车电子相关专业人士进行维修。