故障案例一:科帕奇安全气囊警告灯报警
故障现象
一辆09款2.4L排量科帕奇,客户抱怨安全气囊灯亮。
故障诊断与排除
电脑检测,有故障码:DTC B00160D:左侧车顶纵梁展开回路电阻过大。
查阅维修手册得到的信息如下:设置故障诊断码的条件是,左侧车顶纵梁展开回路的电阻大于3.54Ω。
由此可见,故障原因是由气帘展开回路的电阻过大导致的。该车曾经因该故障进行过检修,当时是历史故障码,怀疑插头接触不良,对展开装置附近的2个插头进行了涂抹导电润滑脂处理,故障消失。
目前是当前的故障码,尝试断开插头,会出现DTC B001604:左侧车顶纵梁展开回路开路的故障码。如果仅拔开展开装置插头上的防松装置,故障码可以被清除,而且不会设置故障码。至此,开始怀疑是充气装置内部的电阻过大导致的故障,于是订货侧气帘。
侧气帘到货后安装,安装后气囊灯依然点亮,故障码依然是DTC B0016 0D:左侧车顶纵梁展开回路电阻过大。
此时将插头断开,设置DTC B001604:左侧车顶纵梁展开回路开路的故障码。如果将插头两端子短接,则不会出现故障码。由此分析,是线路中电阻过大导致的故障。拔下插头,电路形成开路状态。插上插头,线路中电阻加上展开装置中的电阻,二者之和超出范围,设置电阻过大的故障码。当插头短路后,相当于去掉展开装置的电阻,仅剩电路中的电阻,恰好这个电阻在1.77~3.54Ω之间,所以不设置故障码。
为了验证这个推断,在SDM插头处,将左侧气帘的端子与右侧气帘的端子位置互换。此时出现的故障码变为右侧气帘电阻过大。这个结果说明电路中存在电阻。
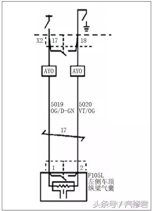
查看电路图1,可以看到,SDM至左前气帘之间还有一个X302的插头,是没有检查的。

X302插头,实际上是在左B柱前端根部,拆下左前门槛衬板,就可看到该插头。重新插拔该插头,故障排除。
由于该插头在门槛板附近,上下车的踩踏,造成了插头的松动,使接触电阻过大,引发上述故障。
故障案例二:SPARK安全气囊警告灯报警
故障现象
一辆进口2011年款雪佛兰SPARK(斯帕可)微型车,客户反映安全气囊警告灯报警。
故障诊断及排除
该故障曾经检查过,当时维修人员看到的是历史故障码“DTC B00140D:驾驶员座椅侧安全气囊展开回路电阻过大”。使用“Nyogel 760G电气触点润滑脂”处理驾驶员侧面气囊插头,清除故障码,将车交给客户观察。两天后,客户再次因气囊警告灯报警来站检修。
查询仍是历史故障码“DTC B00140D”,查阅维修手册,设置故障码的条件:安全气囊展开回路电阻大于4.2Ω并持续2s。读取数据,侧面气囊电阻3.8~3.6Ω(变化)。读取正常车侧面气囊电阻是2.2Ω(稳定不变)。由此看来,该车侧面展开回路的电阻是不正常,目前处于正常阻值极限范围1.7~4.2Ω之间,若是超出范围,将会记忆 “DTC B00140D”故障码。
出现电阻大的情况,多为插头接触电阻导致,所以需要对展开装置至SDM的每个插头进行检查。通过电路图(图2)分析线束结构有侧面气囊部件插头、气囊模块SDM插头。
出现这种电阻过大的插头,多为线束经常移动的插头,SDM对展开回路的电阻检测是非常准确的。当阻值增加到一定程度,就会使SDM记忆电阻过高的故障码。经常移动的线束、插头,是最易出现这种情况的。
在观察诊断仪上展开回路电阻数据的同时,晃动线束,判断哪个插头导致故障。SDM插头线晃动时,没有异常变化。晃动座椅靠背和敲击座椅时,电阻值跳变超出4.2Ω,气囊警告灯闪亮,故障码变为当前。

图2 左侧车顶纵梁气囊插头
由此可见,座椅靠背内的展开装置上的插头最有可能存在故障。剥离座椅靠背的蒙皮,看到展开装置,装置上有一段导线从中延伸而出,连接到座椅下面的插头。导线的另一端在展开装置内,被包裹在折叠的气袋中。要看到插头,需要进一步剥开展开装置的气袋,这已经超出了我们的规范维修范围。
为了一看究竟,经客户同意还是剥开折叠的气袋,最终看到了气体发生器上的插头(图3)。晃动插头,电阻变到2.1Ω,不再变化。看来剧烈的晃动,使端子间的氧化层被破坏,恢复到正常接触的状态下,所以电阻正常了。连接这个插头的线束(座椅内线束),在插头处没有绑扎,随着靠背的挤压和车辆的震颤而运动,这是导致插头端子接触不良的原因。

图3 气体发生器插头
用“Nyogel 760G电气触点润滑脂”处理端子,将线束绑扎在座椅骨架上,线束不会随靠背挤压和震颤而移动,故障排除。
维修小结
对气囊展开回路的电路诊断是非常严格的。以上两个案例都是气囊展开回路中电阻过大导致的故障,都是插头接触不良导致的故障。接触不良的原因是插头会经常移动,这也是气囊电路故障的一个常见原因。
这类故障往往无法通过测量查到故障点,使用诊断仪检测故障码,查看数据流,以及分析故障码的生成原理,分析线束走向和结构,对诊断是非常有帮助的。
汽修君点评
测试仪器、维修手册及掌握它们的修理技师,这是完成故障诊断和排除的必要条件。具体表现在要了解当前故障码和历史故障码的含义及关系,文本中需要了解展开回路电阻是指什么,注意,这里展开回路电阻是用故障诊断仪测出的,而不能用万用表来测量。
就本案的二个案例来说,作者总结出来原因的特点是,“插头接触不良的原因都是这个插头会经常移动”。这种善于总结出现实故障原因特点的思路,对于我们完成其他故障诊断和排除也很有启发。作者采用适度晃动插头,使之出现“当前故障码”。选择好晃动位置,从而判断靠背内部那个部位处插头最有可能松动,这也是创新了故障诊断工艺。
遗憾是本案的第一个案例中,作者开始还是走了弯路,把插头接触不良当成了“充气装置内部的电阻过大”,从而换了不该换的侧气帘。原因是作者漏查了一个X302插头,却以为所有插头都检查到了。而正是这个X302插头接触不良,导致展开回路电阻过大。