变频器即变频调速器,就是利用改变电源固有频率和电压的方法来改变三相交流电机的转速和转矩的一种电子设备。
变频器的原理

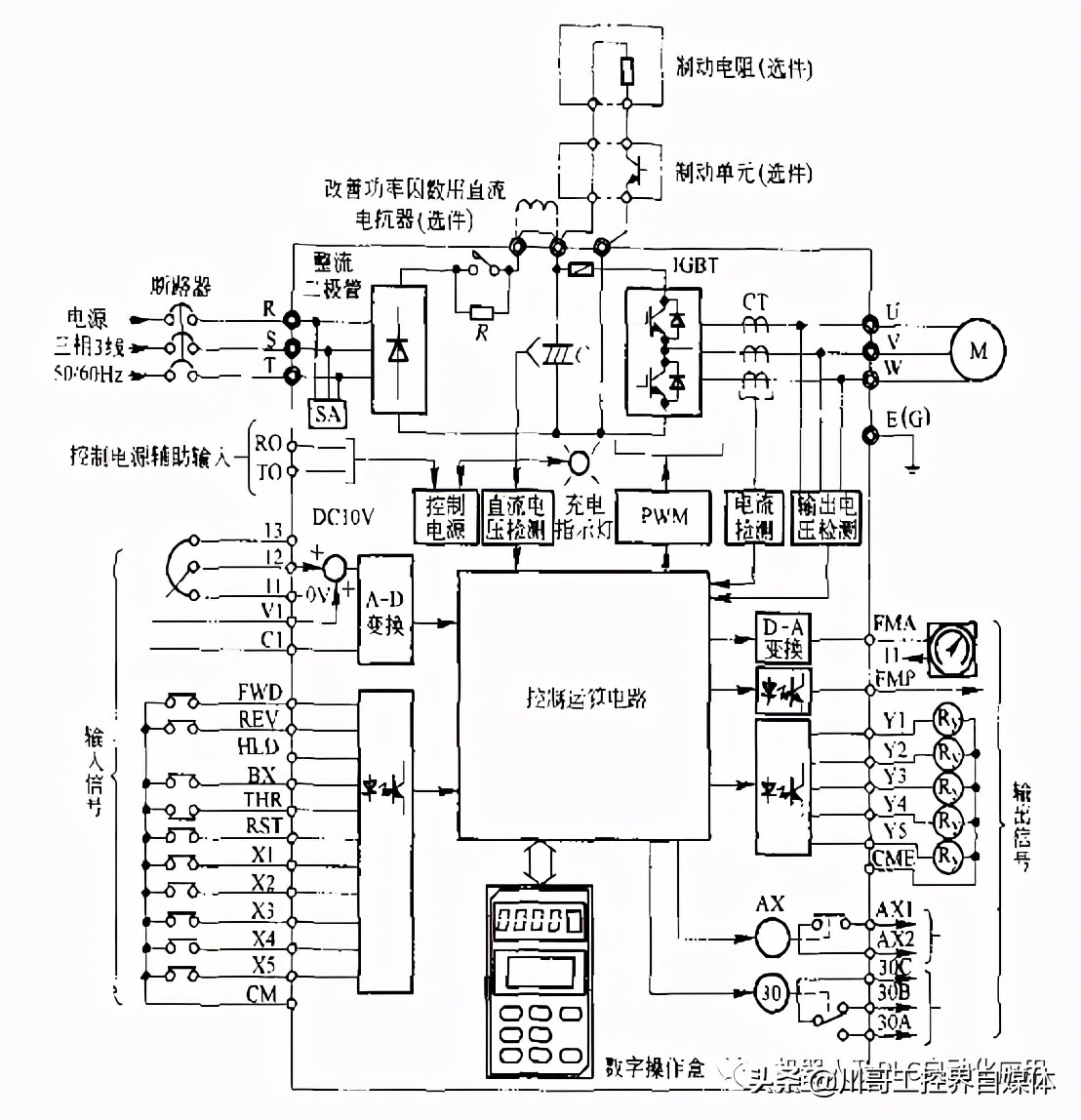
变频器内部结构:

制动电阻的连接方式:


电阻值温度测量
X3是制动电阻的连接点.

四象限运行就是负载能够反过来驱动电动机.典型的例子就是升降机应用,重物下放过程中,负载反过来驱动电动机,此时的电动机阻止负载的下放.在这个过程中,能量从负载反馈回电动机,电动机提供了阻止负载下放的反力矩.一般来说,变频器配合制动电机通常认为是四象限运行.SEW变频器内置制动单元,配合合适的制动电阻即可完成四象限驱动.
框架在下落时产生F04故障

F04故障

什么是制动斩波器及制动单元?
在变频调速系统中,电机的降速和停机是通过逐渐减小频率来实现的,在频率减小的瞬间,电机的同步转速随之下降,而由于机械惯性的原因,电机的转子转速未变。当同步转速小于转子转速时,转子电流的相位几乎改变了180度,电机从电动状态变为发电状态;与此同时,电机轴上的转矩变成了制动转矩,使电机的转速迅速下降,电机处于再生制动状态。电机再生的电能经续流二极管全波整流后反馈到直流电路。由于直流电路的电能无法通过整流桥回馈到电网,仅靠变频器本身的电容吸收,虽然其他部分能消耗电能,但电容仍有短时间的电荷堆积,形成“泵升电压”,使直流电压升高。过高的直流电压将使各部分器件受到损害。
因此,对于负载处于发电制动状态中必须采取必需的措施处理这部分再生能量。处理再生能量的方法:能耗制动和回馈制动.
能耗制动的工作方式
能耗制动采用的方法是在变频器直流侧加放电电阻单元组件,将再生电能消耗在功率电阻上来实现制动。这是一种处理再生能量的最直接的办法,它是将再生能量通过专门的能耗制动电路消耗在电阻上,转化为热能,因此又被称为“电阻制动”,它包括制动单元和制动电阻二部分。
制动单元
制动单元的功能是当直流回路的电压Ud超过规定的限值时(如660V或710V),接通耗能电路,使直流回路通过制动电阻后以热能方式释放能量。
制动电阻
制动电阻是用于将电机的再生能量以热能方式消耗的载体,它包括电阻阻值和功率容量两个重要的参数。通常在工程上选用较多的是波纹电阻和铝合金电阻两种:前者采用表面立式波纹有利于散热减低寄生电感量,并选用高阻燃无机涂层,有效保护电阻丝不被老化,延长使用寿命;后者电阻器耐气候性、耐震动性,优于传统瓷骨架电阻器,广泛应用于高要求恶劣工控环境使用,易紧密安装、易附加散热器,外型美观。
接着计算制动电阻的阻值
=制动元件动作电压值的平方/(0.1047*(制动转矩-20%电机额定转矩)*制动前电机转速)
在制动单元工作过程中,直流母线的电压的升降取决于常数RC,R即为制动电阻的阻值,C为变频器内部电解电容的容量。这里制动 单元动作电压值一般为710V。
SEW的制动电阻连接:
请使用双绞线或一根双芯屏蔽的强电电缆.根据变频器的额定输出电流来确定截面.
通过双金属继电器来保护制动电阻(除BW90-P52B之外)根据制动电阻的技术指标来调节触发电流.
规格为BW…-T的制动电阻可以使用一个连接屏蔽双芯强电电缆的集成温度开关来替代双金属继电器.
扁形结构的制动电阻内部有热过载保护装置.安装具有扁形结构的制动电阻需要进行相应的接触防护.
操作制动电阻:
在额定工作方式下,连接制动电阻的导线上会有高直流电压(约900V).
制动电阻的表面在负载PN时达到高温。因此要选择适合的安装位置。制动电阻一般被安装在控制柜柜顶。