有一种方法可以在短期内快速提高初中生们的物理成绩,而且非常实用快捷。
下面,我们以初三物理电学知识中的一类物理题为例,来说一下这种方法:
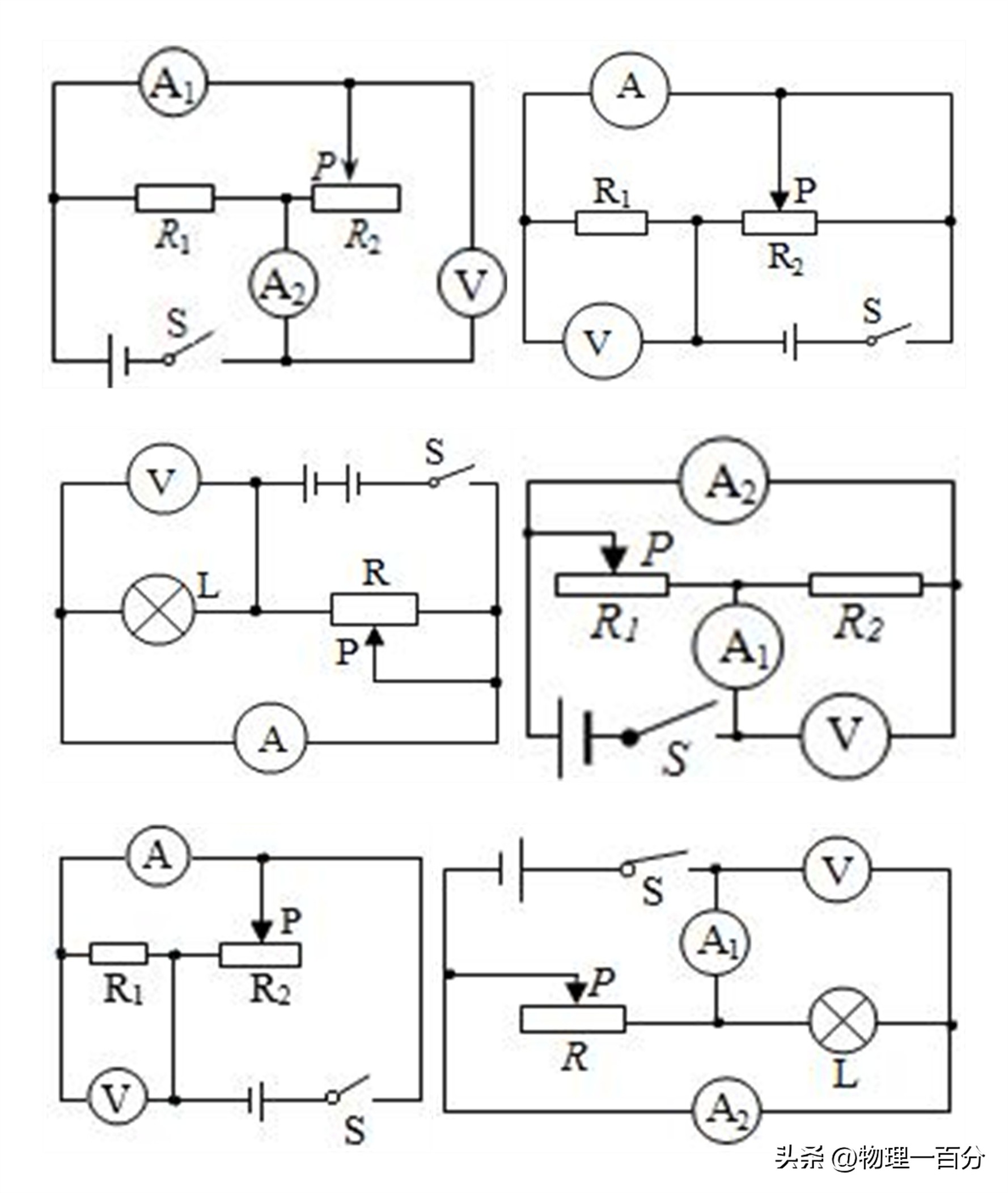
我们先来看下面这张图:

乍看,以上这张图中只不过就是六个电路图而已,然而,问题绝没有这么简单,上面这六个电路图全部来自历年中考物理真题中的一类“电路动态变化类题型”!
而且,大家如果把每个电路图仔细分析观察的话,就会发现,这六个电路图竟然全部都是并联电路!
于是,通过研究归纳以上图,根本就无须真题出现,就能推演出真题的各种考法,然而试题无论如何变化,所考察的方法却固定不变——
即,并联电路中蕴含着两个“不变”!
第一个不变是: 电压表的示数永远不变! 无论滑动变阻器的滑片向哪边移动,由于滑动变阻器与另外一个用电器并联,因此,其两端的电压一直都等于电源电压!滑动变阻器的阻值变化只能引起其自己所在支路的电流变化!
第二个不变是: 定值电阻所在支路中的任何物理量都不变! 由于定值电阻与滑动变阻器并联在电源两端,因此,其两端的电压永远等于电源电压,不会改变,而其电阻又是定值,因此,根据欧姆定律,该支路电流也不变,因此与之相关的电能、电功、电功率、电热都不变!
综上所述,并联电路中,只要记住这两个“不变”,此类题就成了最简单的电学题!

然而,不少学生不注意总结归纳,甚至当物理老师一而再再而三地强调时,他们都左耳朵进右耳朵出,导致做了很多遍此类题依然出错。其实,上面这六个电路图,透过现象看本质,不过也就是一个电路图而已!
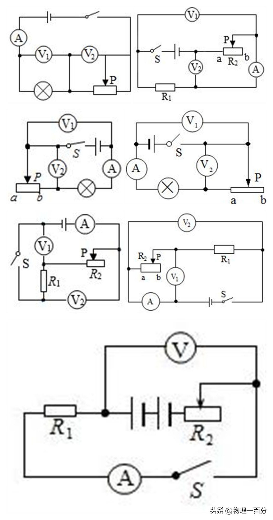
我们再来看下面这张图:

七个电路图,乍看不同,仔细看起来,其实和刚才那张图一样,也都是同一道题而已!
此类问题就是“串联电路中的动态变化问题”!
此类题稍微比并联电路总的动态变化问题难些,要首先能够做到以下几点:
1.能一眼判断出电压表的测量对象!这是关键!
2.能看出滑动变阻器的阻值变化,及其对电路中的电流影响!
3.当电路中有一个电阻阻值变大时,总电阻就会变大!从而导致串联电路中的电流变小!
根据以上结论,再看看这七个电路图,就成了一道题了。
通过以上分析归纳,聪明的初中生朋友应该知道了,能够在短期内快速提高物理成绩的一个好方法就是:把同类题进行归纳,从而找出其中的共同考点、知识点、方法、技巧!并牢记!于是,当以后再遇到此类问题时,无论如何变化,都逃不出方法的唯一性!
更多初中物理习题的解题方法与技巧归纳,尽在下方书籍:初中各科《怎样解题》!凡是需要的朋友,可尽快准备。
初中各科《怎样解题》
¥25.8
购买
中学生朋友们,养成善于归纳总结的良好习惯吧,为了美好的未来,加油!