多联机空调变频原理:
交流电源输入→整流→滤波→逆变器→压缩机
温度、压力、电流灯参数→微型处理器→数字控制→逆变器
多联机空调变频器是由6个IGBT组成的IPM器件。分别组成U、V、W相,连接到压缩机的R、S、T接线端。


逆变器基本电路:有三种电路,U-V;V-W;W-U

动作原理一:(TR1,TR5导通:ON)

动作原理二:(TR2,TR4:ON)

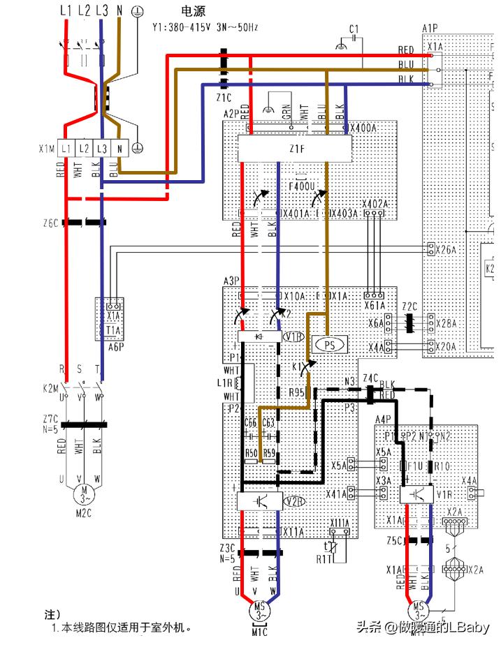
大金VRV系列逆变器:

图中”N”线作用为测得在马达的星型点产生的感应信号,而非中线。
综合输出波型: 有三种,U-V;V-W;W-U。
变频控制流程(VRV-P系列):
A1P板是主控制板;A2P板是滤波版;A3P板是变频版;A4P是风扇驱动板。

每天学习一点点,就会有一点的收获;慢慢摸索学习中,谁有教学资料欢迎分享指导。
Learn a little every day, there will be a little harvest; Learning slowly, who has teaching materials welcome to share guidance.